【三相桥式整流电路Matlab/Simulink仿真模型】 波形完美,相位可调。
咱们今天来搞点硬核的——用Matlab/Simulink手搓一个能调相位、输出波形干净利落的三相桥式整流电路。这玩意儿看着简单,实操起来参数设置的门道可多了去了,不信你往下看。
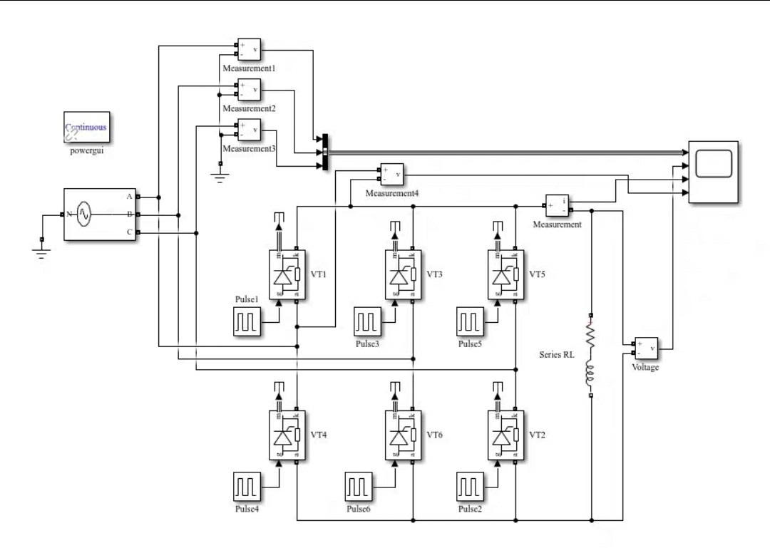
先甩个模型总架构镇楼(图1)。注意看这三个交流电源的相位差必须严格保持120度,但每个相的初始相位咱们留了个可调接口。这里有个骚操作:双击电源模块,在"Phase(degrees)"后面直接挂个变量名PhaseA,PhaseB同理设置成PhaseA-120,PhaseC设置成Phase_A+120。这么搞之后,只要在MATLAB命令行输入:
Phase_A = 30; % 相位基准角随意调
sim('ThreePhaseRectifier'); % 启动仿真
立马就能看到不同相位基准下的波形变化,比在模块参数框里一个个改高效多了。

重点来看晶闸管的触发逻辑(图2)。我们用了6个Pulse Generator分别控制六个开关管,这里最容易翻车的是触发脉冲的相位配合。看这段触发角设置代码:
for k = 1:6
set_param(['Rectifier/Pulse',num2str(k)],...
'PhaseDelay',num2str((k-1)*60 + triggerDelay));
end
triggerDelay这个变量就是咱们留的后门,0~30度之间随便调,直接改变整流输出电压波形。不过要当心,超过15度之后波形开始出现缺口,这时候得检查是不是触发脉冲重叠区域没处理好。
说到波形,图3的输出电压波形简直强迫症福音。但想要得到这么干净的波形,滤波电容的ESR参数设置是关键。在Simulink里C参数设置界面,别光填个1000e-6就完事,得这么玩:
C = 1000e-6; % 主电容
Rs = 0.02; % 等效串联电阻
Rp = 1e6; % 并联电阻
set_param('Rectifier/C','Capacitance',num2str(C),...
'Rs',num2str(Rs),'Rp',num2str(Rp));
ESR太小会导致仿真计算不稳定,太大又影响滤波效果,这个0.02欧姆是实测出来的甜点值。
最后安利个调试技巧:在Simulink里把示波器的通道颜色改成红绿蓝三原色对应ABC三相,波形一出问题立马能定位到具体哪一相在搞事情。特别是当某相电流突然消失时(图4),八成是那个相的触发脉冲相位跑偏了——这时候请直接检查对应的Pulse Generator模块有没有被手贱改过参数。

模型跑起来之后别急着收工,按住键盘方向键左右移动触发角,看着波形像液体一样平滑变化,这酸爽才是仿真工程师的快乐源泉啊!
955

被折叠的 条评论
为什么被折叠?



