概述 3
二、理论基础4
1 基本原理4
基本数量关系6
三、仿真模型建立7
1仿真电路绘制7
2参数设置8
(1)仿真参数8
(2)脉冲参数9
(3)器件参数9
(4)电源参数11
(5)负载参数11
四、仿真结果分析13
三相全控桥整流电路在现代电力电子技术中具有很重要的作用和很广泛的应用。而应用计算机仿真来研究电力电子装置,有利于提高研究效率,降低研发成本。基于MATLAB/ SIMULINK软件的电力电子电路仿真,更有助于初学者学习电力电子,加深对各种电路器件原理的理解。结合全控整流电路理论基础,采用Matlab的仿真工具Simulink对三相桥式全控整流电路的进行仿真,对输出电压、电流、变压器二次侧电压、二次侧电流、及晶闸管电压等参数进行仿真及验证,进一步了解三相桥式全控整流电路的工作原理及输出特性。
电力电子技术在当代生活中发挥着无可替代的作用,而其中的整流电路就是把交流电能转换为直流电能的电路。大多数整流电路由变压器、整流主电路和滤波器等组成。并且整流电路在自动控制系统、测量系统和发电机励磁系统等领域的应用日益广泛。常用的三相整流电路有三相桥式不可控整流电路、三相桥式半控整流电路和三相桥式全控整流电路。三相全控整流电路的整流负载容量较大,输出直流电压脉动较小,是目前应用最为广泛的整流电路。它是由半波整流电路发展而来的。由一组共阴极的三相半波可控整流电路和一组共阳极接法的晶闸管串联而成。六个晶闸管分别由按一定规律的脉冲触发导通,来实现对三相交流电的整流,当改变晶闸管的触发角时,相应的输出电压平均值也会改变,从而得到不同的输出。由于整流电路涉及到交流信号、直流信号以及触发信号,同时包含晶闸管、电容、电感、电阻等多种元件,采用常规电路分析方法显得相当繁琐,高压情况下实验也难顺利进行。Matlab提供的可视化仿真工具Simulink可直接建立电路仿真模型,随意改变仿真参数,并且立即可得到任意的仿真结果,直观性强,进一步省去了编程的步骤。
二、理论基础
1、基本原理
三相桥式全控整流电路原理图如图1所示。三相桥式全控整流电路是由三相半波可控整流电路演变而来的,它由三相半波共阴极接法(VT1,VT3,VT5)和三相半波共阳极接法(VT4,VT6,VT2)的串联组合。在三相桥式全控整流电路中,对共阴极组和共阳极组是同时进行控制的,控制角都是α。由于三相桥式整流电路是两组三相半波电路的串联,因此整流电压为三相半波时的两倍。很显然在输出电压相同的情况下,三相桥式晶闸管要求的最大反向电压,可比三相半波线路中的晶闸管低一半。
为了分析方便,使三相全控桥的六个晶闸管触发的顺序是1-2-3-4-5-6,晶闸管是这样编号的:晶闸管VT1和VT4接a相,晶闸管VT3和VT6接b相,晶管VT5和VT2接c相。晶闸管VT1,VT3,VT5组成共阴极组,而晶闸管VT4,VT6,VT2组成共阳极组。
为了搞清楚α变化时各晶闸管的导通规律,分析输出波形的变化规则,下面研究几个特殊控制角,先分析α=0的情况,也就是在自然换相点触发换相时的情况。图1是电路接线图。

图1 三相桥式整流电路电路原理图
为了分析方便起见,把一个周期等分6段(见图2)。

图2 三相桥式整流电路触发脉冲
在第(1)段期间,a相电压最高,而共阴极组的晶闸管VT1被触发导通,b相电位最低,所以供阳极组的晶闸管VT6被触发导通。这时电流由a相经VT1流向负载,再经VT6流入b相。变压器a、b两相工作,共阴极组的a相电流为正,共阳极组的b相电流为负。加在负载上的整流电压为ud=ua-ub=uab
经过60°后进入第(2)段时期。这时a相电位仍然最高,晶闸管VT1继续导通,但是c相电位却变成最低,当经过自然换相点时触发c相晶闸管VT2,电流即从b相换到c相,VT6承受反向电压而关断。这时电流由a相流出经VT1、负载、VT2流回电源c相。变压器a、c两相工作。这时a相电流为正,c相电流为负。在负载上的电压为ud=ua-uc=uac,再经过60°,进入第(3)段时期。这时b相电位最高,共阴极组在经过自然换相点时,触发导通晶闸管VT3,电流即从a相换到b相,c相晶闸管VT2因电位仍然最低而继续导通。此时变压器bc两相工作,在负载上的电压为ud=ub-uc=ubc。
余相依此类推,可得每一段中晶闸管的导通及输出整流电压情况如图3所示:

图3 三相整流电路α=0时晶闸管的整流情况
2、

基本数量关系
三、仿真模型建立
1、仿真电路绘制
(1)
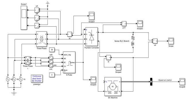
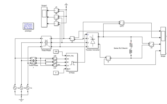
三相桥式全控整流电路纯电阻和阻感型负载系统仿真电路
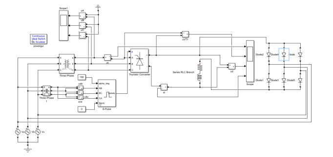
(2)三相桥式全控整流电路阻感型负载有源逆变系统仿真电路

(2)三相桥式全控整流电路反电动势负载系统仿真电路
2、参数设置
(1)仿真参数
基本仿真参数选择:
仿真停止时间:0.08s,仿真算法:ode23tb
(2)脉冲参数
驱动电路选择同步6脉冲发生器,脉冲宽度为10度,采用双脉冲触发方式,发生器发生间隔60度的双脉冲,alpha-deg为移相控制角,同步电压频率为50Hz。


(3)器件参数
1、变压器:本设计采用基本的三相变压器,变比为311/170,采用Dyn11连接组别


2、晶闸管模块
采用通用桥式晶闸管模块,其有五个电气接口和一个输出接口,桥臂个数设置为3个缓冲电路阻值和缓冲电路电容值等参数设为默认。


3.二极管模块
采用默认值


4.电压表、电流表、显示模块,powergui模块均采用默认值
(4)电源参数
采用三个交流电压源组成三相交流电源,线电压:380V,频率为:50Hz,相位各相差120度


(5)负载参数
1.纯电阻负载


2.RL阻感型负载:实验数值为两组,1.R=20,L=0.7;2.R=10,L=0.5


3.反电动势负载(直流电动机)


四、仿真结果及分析
1、纯电阻负载(R=20Ω)
(1)二次侧电压波形

(2)α=0°波形

(3)α=60°波形

(3)α=90°波形

2、阻感型负载
(1)R=20Ω,L=0.7H
<1> α=60°波形



<2> α=90°波形



(2)R=10Ω,L=0.5H
<1> α=60°波形



<2> α=90°波形



3、反电动势负载
(1). α=30°,输出电压ud与电动机转速波形


(1). α=50°,输出电压ud与电动机转速波形


4、有源逆变

结果分析:电阻性负载:对于纯电阻性负载,当α小于等于90°时,Ud波形均为正值,直流电流Id和Ud同相,所以直流电流波形和电压波形是一致的。随着触发角的增大,在电压反相后晶闸管即关断,所以晶闸管的正向导通时间减小,对应着输出电压平均值减小,并且当触发角大于60°后Ud的波形出现断续,而随着触发角的持续增大,输出电压逐渐减小,当触发角增大到120度时,输出电压Ud将完全变为0,由此可得三相全控桥整流电路纯电阻性负载的移相范围为0°—120°.
阻感性负载:当触发角小于60度时,输出电压波形与纯电阻基本相同,区别在于,阻感性负载由于电感的存在,使得直流侧输出电流不能发生突变,输出波形比较平稳可近似为平缓的直线。当60°
反电动势负载:当三相全控桥整流电路接反电动势负载即直流发电机时,由直流侧输出电压波形和电动机转速波形可得,当触发角为30度时,电动机转速为45r/min;当触发角为50度时,电动机转速为27r/min,随着α的增大直流侧输出电压平均值减小,电动机转速减小。
有源逆变:当加上极性与晶闸管导通方向一致的直流电动势且α>90°时将发生有源逆变现象,输出电压Ud波形为负值。五、结论
通过此次仿真实验,让自己对三相全控桥整流电路工作原理及输出特性了解得更加详细和印象深刻,了解了三相全控桥整流电路在不同触发角及负载条件下的输出波形特性,以及有源逆变的特点及产生条件,并且练习了MATLAB/SIMULINK软件的使用,学会了仿真模型的搭建及通过设置各种合理的参数组合来观察实验结果以得到比较理想的波形,收获良多。

0.png (6.33 KB, 下载次数: 69)
2019-6-16 00:46 上传
全部资料51hei下载地址:

2019-6-13 10:29 上传
点击文件名下载附件
word版和仿真文件
下载积分: 黑币 -5
该博客介绍了基于MATLAB/SIMULINK的三相桥式全控整流电路仿真过程,包括理论基础、仿真模型建立、参数设置和结果分析。通过调整控制角,探讨了电路在纯电阻、阻感性和反电动势负载下的输出特性,展示了仿真波形,强调了仿真在理解电力电子电路原理中的重要作用。
1623

被折叠的 条评论
为什么被折叠?



