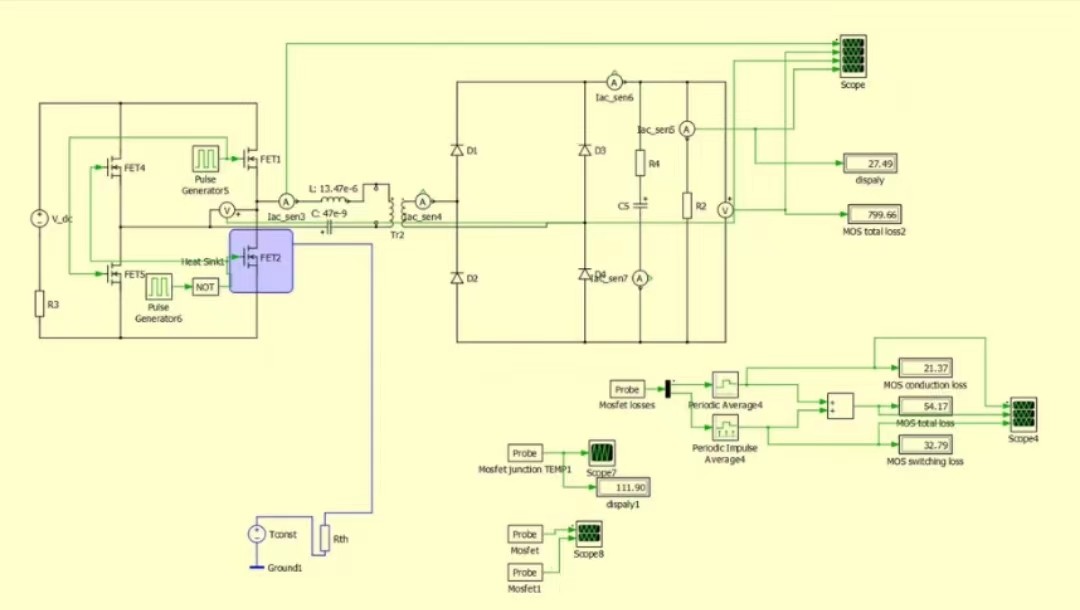
11kw OBC LLC谐振变换器仿真模型 可以仿出管子损耗,管子结温
一、引言
随着电力电子技术的不断发展,谐振变换器因其高效率、低噪声等优点,在各种电源设备中得到了广泛应用。特别是在新能源汽车的On-Board Charger(OBC)领域,11kw OBC LLC谐振变换器因其高功率密度和良好的热性能,成为了研究的热点。本文将介绍一个关于11kw OBC LLC谐振变换器的仿真模型,该模型能够模拟出管子损耗以及管子结温。
二、仿真模型概述

该仿真模型是基于电路仿真软件开发的,用于模拟和分析11kw OBC LLC谐振变换器的电气性能和热性能。模型包括主电路、控制电路和热模型三个部分。其中,主电路部分详细描述了LLC谐振变换器的电路结构和工作原理;控制电路部分则负责实现变换器的开关控制和调制策略;热模型则用于模拟管子在运行过程中的损耗和结温。
三、仿真模型功能
- 电路仿真:该模型能够模拟LLC谐振变换器在不同工作条件下的电气性能,如输入电压、输出电压、电流等。
- 管子损耗计算:通过仿真模型,可以计算出管子在运行过程中的损耗,包括导通损耗、开关损耗和反向恢复损耗等。
- 结温模拟:结合管子损耗数据,仿真模型中的热模型能够模拟出管子的结温,为评估管子的热性能和可靠性提供依据。
四、应用价值
该仿真模型的应用价值主要体现在以下几个方面:
- 设计优化:通过仿真模型,可以在设计阶段预测LLC谐振变换器的性能,从而优化设计参数,提高效率和可靠性。
- 性能评估:仿真模型能够模拟出管子的损耗和结温,为评估管子的热性能和寿命提供依据。
- 故障诊断:通过对比仿真结果和实际运行数据,可以诊断出潜在的故障原因,为维修和保养提供指导。
五、结论
本文介绍了一个关于11kw OBC LLC谐振变换器的仿真模型,该模型能够直接反映出管子损耗以及管子结温等重要参数。该模型对于设计优化、性能评估和故障诊断等方面具有重要的应用价值,将为电力电子技术的发展和推广提供有力的支持。

以上即为关于11kw OBC LLC谐振变换器仿真模型的介绍,希望对相关研究和应用有所帮助。
307

被折叠的 条评论
为什么被折叠?



