一、脉宽调制
1、脉宽调制的基本原理
(1)等面积原理:当输入信号具有相同的面积和持续时间时,响应往往相同。
(2)应用等面积原理,可以使用一系列占空比不同的脉冲来表示半正弦波,如下图所示。

(3)单极PWM调制与双极PWM调制:
①基于前面半正弦波的调制,还可以使用一系列占空比不同的“负”脉冲来表示半正弦波,两两组合,就是单极的PWM调制。

②基于前面半正弦波的等效,还可以使用一系列占空比不同的脉冲来表示正弦波,这就是双极的PWM调制,一般双极的PWM调制更常用。

(4)直流PWM调制与交流PWM调制:
①直流PWM调制:受调制的电流为直流量,设定一个子周期和PWM输出信号周期,每个子周期内按不同占空比“切割”直流量,即可实现直流PWM调制。

②交流PWM调制:受调制的电流为交流量,设定一个子周期和PWM输出信号周期,每个子周期内按不同占空比“切割”交流量,即可实现交流PWM调制。

2、PWM波的调制
(1)使用单相全桥电压型逆变器实现双极PWM调制的电路图如下,其中为调制波,频率与期望获得的输出电压相同,
为输入控制器的控制信号(也称为载波)。


![]()
(2)使用单相全桥电压型逆变器实现单极PWM调制的电路图如下,其中为调制波,频率与期望获得的输出电压相同,
为输入控制器的控制信号(也称为载波)。




(3)使用三相电压型逆变器实现PWM调制的电路图如下,它的控制方式和单相逆变器是类似的,可以参考使用单相全桥电压型逆变器实现单极PWM调制的改善控制方式,控制U、V、W三点的电压,进而控制相电压。


二、谐波分析
1、特定谐波消除脉宽调制(SHEPWM)
(1)假定在半个周期内,输出电压产生3次跳变,那么可以定义3个参数,为第1次跳变开始距离周期开始的相位差,
为第1次跳变结束距离周期开始的相位差,
为第2次跳变开始距离周期开始的相位差,有了这3个参数,输出电压的波形也就确定了。

(2)傅里叶级数展开输出电压:
继续分析上述举例,根据PWM波的对称性,不难得出
![]()

满足以上两个条件,那么级数中的偶次谐波和谐波中的近似项都可以直接消除

(3)谐波消除方式:

2、异步调制(ASM)与同步调制(SM)
(1)异步调制:

(2)同步调制:


(3)分段同步调制:

3、三角波均匀采样
在前面介绍调制时,曾不断强调控制信号与期望的调制波进行比较,理论上这个比较无时无刻都需要进行,但这无疑会大量消耗控制器的算力,对此控制芯片一般会采取三角波均匀采样的方案,当控制信号的三角波达到峰值时,控制芯片将估算出控制三角波信号与期望调制波的交汇点距离当前时刻的时间,以此为依据进行PWM调制

4、开关频率对谐波分量频率的影响
(1)使用单相全桥电压型逆变器实现双极PWM调制,其输出波形如下左图所示,假设载波频率为5kHz,基波(调制波)频率为50Hz,那么载波调制比为100,对输出波形做傅里叶级数展开,可以得到其频谱如下右图所示,其中为期望输出电压波形的幅值(归一化),每个不同的
对应一个具体的例子。

不难发现,输出电压中除了基波分量以外,还有非常多的谐波分量,高次谐波可使用低通滤波器滤除,而低次谐波与基波的频率相近,对此可以提高开关频率,这样最低频率的谐波分量的频率也会与基波频率相差不少,低通滤波器的设计压力将会降低
除此之外,还能发现当期望输出电压波形的幅值越低时,低频谐波的幅值将增大,当为0时,实际输出电压波形为等宽脉冲方波
(2)单极PWM调制与双极PWM调制的谐波分析:
①双极PWM调制的谐波分析:
如果选择载波调制比为奇数,且控制三角波与调制信号同步,那么输出的PWM波具有奇数四分之一波对称性

输出电压可用傅里叶级数展开为

可用频谱图进行表示(基波幅值、频率归一化)

②单极PWM调制的谐波分析:
单极PWM调制相较于双极PWM调制,其输出电压的谐波频率将翻倍(相同参数下)

如果选择载波调制比为偶数,那么第一组谐波将在2倍载波频率附近出现,可用频谱图进行表示(基波幅值、频率归一化),不难发现,对单极PWM调制输出的波形设计低通滤波器,设计难度将会更低

5、超调产生的谐波
(1)当调制波的幅值高于载波时,将会引发超调,这时将会产生幅值较高的低频谐波,如下图所示。

(2)根据超调程度不同,可根据载波调制比划分三个不同的区间,如下图所示,依次为线性区(无超调的PWM调制)、超调区(带超调的PWM调制)和方波区(退化为方波逆变器)。

三、直流电压利用率的提高
1、直流利用率
(1)定义输出电压基波分量的幅值与直流输入电压的比值为直流利用率,提高直流利用率可以增加逆变器的输出能力,同时有助于降低开关损耗。
(2)在实际应用中,以220V电压为例,经过一系列的整流、调制后,获得的电压基波幅值大概率会比220V低,为了解决这个问题,可以在前端加设DC/DC升压电路,但这无疑也增加了成本,对此可以改善调制方法,使用梯形波调制。
2、使用梯形波调制提高直流电压利用率
(1)当调制波为梯形波时,相比于等幅度的正弦波,它会有幅度更大的基频分量。
(2)下图所示的是梯形波调制示意,其中梯形波可用描述,
时梯形波退化为方波,
时梯形波退化为三角波。

(3)由于梯形波包含低次谐波,因此其PWM输出也会受到影响,低次谐波将降低输出波形的质量。

3、使用马鞍调制提高直流电压利用率
在原本调制波的基础上,叠加三倍频的谐波作为调制信号,这样,在调制生成的PWM波中会含有两种成分,一种是原本的调制波产生的,另一种是三次谐波产生的,后者将会与前者中的三次谐波相消,这样既保证了基波电压的幅值,也消除了三次谐波

4、使用多逆变器电路提高直流电压利用率
下图所示的是两个三相全桥电压型逆变器串联相接,其中第二个单相全桥电压型逆变器的载波与第一个单相全桥电压型逆变器的载波相位差为180°,这样,输出线电压有5个电平,不难得出其谐波分量将会更小


四、滞环控制
1、电流滞环控制
(1)下图所示的是电流滞环控制的电路原理图,其工作原理为,将参考信号与实际信号之间的误差作为迟滞比较器的输入:
①当误差偏大、电流在参考信号允许偏差区间之下时,开关组1(即D1、Q1)导通,使电流增大。
②当误差偏大、电流在参考信号允许偏差区间之上时,开关组2(即D2、Q2)导通,使电流减小。

(2)不难看出,如果允许偏差区间设定较大,那么开关频率将降低,输出电流的误差也会较大;如果负载侧电感阻抗设定较大,那么电流的变化率将降低,导致开关频率降低,那么电流的跟踪速度也会变慢。
(3)下图所示的是三相电流滞环控制,从输出电压波形不难看出,其PWM波的变化趋势是比较难预测的,对其做谐波分析也会比较困难。

(4)尽管电流滞环控制有一定缺陷,但它相比于其它类型的滞环控制,应用更加广泛。
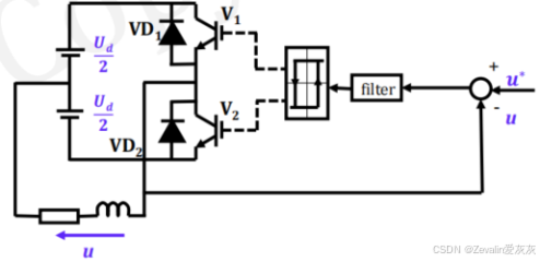
2、电压滞环控制
(1)下图所示的是电压滞环控制的电路原理图,其工作原理为,将参考信号与实际信号之间的误差作为迟滞比较器的输入:
①当误差偏大、电压在参考信号允许偏差区间之下时,开关组1(即D1、Q1)导通,使电流增大。
②当误差偏大、电压在参考信号允许偏差区间之上时,开关组2(即D2、Q2)导通,使电流减小。

(2)电感的特性为电流连续变化,但其端电压却是可以跳变的,因此误差信号输入迟滞比较器前必须经过滤波器处理。
PWM逆变器技术详解
2361

被折叠的 条评论
为什么被折叠?



