✅作者简介:热爱科研的Matlab仿真开发者,擅长数据处理、建模仿真、程序设计、完整代码获取、论文复现及科研仿真。
🍎 往期回顾关注个人主页:Matlab科研工作室
🍊个人信条:格物致知,完整Matlab代码及仿真咨询内容私信。
🔥 内容介绍
四旋翼无人机早已不是 “玩具”—— 从电力巡检、物流配送,到应急救援、农业植保,它在复杂场景中的应用越来越广。但飞行控制始终是核心难题:高空强风会让机身剧烈晃动,负载变化(如挂载相机、物资)会打破平衡,突发干扰(如气流冲击)可能导致失控。传统 PID 控制器在这些复杂工况下,常出现 “响应慢、超调大、抗扰弱” 的问题;而 ADRC(自抗扰控制器)虽能主动抗扰,却面临 “参数整定难、适应能力有限” 的瓶颈。
如今,“RBF 神经网络优化 ADRC 自抗扰控制器” 技术,给四旋翼无人机装上了 “智能抗扰大脑”—— 用 RBF 神经网络的 “自适应学习能力”,实时优化 ADRC 的关键参数,让无人机在强干扰、变负载、复杂气流中,依然能保持平稳飞行。今天我们就拆解这项技术,看看它如何解决四旋翼无人机的 “稳飞” 难题。
一、四旋翼飞行控制:难在哪?传统方案为何 “扛不住”?
要理解新技术的价值,先得搞懂四旋翼无人机的飞行控制痛点。四旋翼靠四个电机的转速差实现 “升降、横滚、俯仰、偏航” 四个自由度的控制,其动力学特性复杂且 “脆弱”,主要面临三大挑战:
1. 干扰 “无处不在”:风、负载、气流全是 “麻烦”
四旋翼的机身轻、惯性小,任何微小干扰都会被放大:
- 外部干扰:高空阵风(风速达 5-10m/s)会直接推偏机身,突发气流(如建筑物绕流)会让姿态突然倾斜;
- 内部干扰:电池电量下降导致电机输出功率变化,挂载设备(如从空机到挂载 2kg 物资)会改变重心,电机老化导致转速与指令偏差增大;
- 模型不确定性:四旋翼的动力学模型会随飞行状态变化(如高速飞行时空气阻力非线性增强),传统控制器难以精准匹配。
例如农业植保无人机在田间作业时,突然遭遇阵风,机身可能瞬间倾斜 15° 以上,若控制器无法快速修正,轻则漏喷农药,重则撞向作物或坠机。
2. 传统 PID 控制:“固定参数” 扛不住 “动态干扰”
PID 控制器是四旋翼的 “老搭档”,但它依赖 “固定比例、积分、微分参数”,面对动态干扰时明显力不从心:
- 响应滞后:强风干扰下,PID 需等到姿态偏差出现后才调整,修正时间常超过 0.5 秒,导致机身晃动幅度达 10° 以上;
- 超调明显:负载突变时(如突然挂载物资),PID 的积分环节会累积偏差,导致电机转速 “过冲”,机身出现 “上下弹跳”;
- 参数整定难:一套 PID 参数只能在特定工况(如无风、空载)下表现良好,换场景(如强风、满载)就需重新调参,无法自适应。
3. 传统 ADRC:能抗扰,但 “参数固定” 仍有局限
ADRC(自抗扰控制器)是比 PID 更先进的方案,它通过 “扩张状态观测器(ESO)” 实时估计干扰,并主动抵消,抗扰能力比 PID 强 30%-50%。但传统 ADRC 的核心问题是:关键参数(如观测器带宽、控制器带宽)需要手动整定,且无法随工况动态调整。
比如在无风环境下,整定好的 ADRC 参数能让无人机平稳飞行;但当风速突然增大到 8m/s,固定参数的 ADRC 会出现 “观测器跟踪滞后”—— 干扰估计不准,抵消效果下降,机身倾斜角度仍会超过 8°,难以满足高精度作业需求(如电力巡检要求姿态误差≤3°)。
正是这些痛点,让 “RBF 神经网络优化 ADRC” 成为四旋翼飞行控制的重要突破方向 —— 用 RBF 的 “自适应学习”,给 ADRC 装上 “参数自动调节器”。
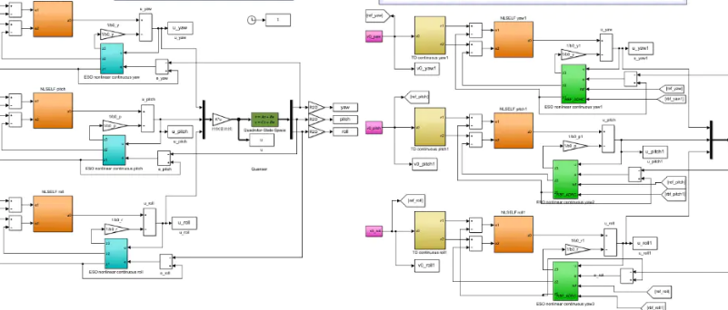
二、先懂基础:ADRC 自抗扰控制器 —— 主动 “抵消” 干扰的核心
在讲 RBF 优化之前,先快速搞懂 ADRC 的工作原理。ADRC 的核心逻辑是 “不依赖精确模型,直接观测并抵消干扰”,主要包含三个模块,就像给无人机配备 “干扰探测器 + 指令调节器 + 干扰抵消器”:
1. 跟踪微分器(TD):让指令 “更柔和”,避免 “急刹急转”
四旋翼的飞行指令(如 “上升到 100 米”“偏航 30°”)若突然变化,会导致电机转速骤升骤降,引发机身晃动。TD 的作用是 “平滑指令”:将阶跃指令(如瞬间从 0° 偏航到 30°)转化为 “先加速、后匀速、再减速” 的连续指令,确保无人机姿态变化平稳,无超调。
例如偏航指令从 0° 到 30°,TD 会生成 “0°→5°→15°→25°→30°” 的平滑轨迹,电机转速缓慢调整,机身不会突然 “甩头”。
2. 扩张状态观测器(ESO):“侦探” 般的干扰估计
ESO 是 ADRC 的 “核心大脑”,它能实时观测四旋翼的 “姿态、角速度” 等状态,并将 “外部干扰(如风)+ 内部干扰(如负载变化)” 打包成一个 “总干扰”,纳入观测范围。
简单来说,ESO 会根据电机的实际输出与理论输出的偏差,反向推算 “是什么在干扰飞行”。例如无人机本应保持水平,但实际倾斜了 5°,ESO 会计算出 “需要抵消 5N・m 的偏航力矩干扰”,并将这个干扰值实时输出。
3. 非线性状态误差反馈(NLSEF):“精准反击” 干扰
NLSEF 根据 TD 的平滑指令与 ESO 的状态观测值,计算出 “控制量”,同时将 ESO 估计的 “总干扰” 反向抵消。例如 ESO 估计出 “5N・m 的偏航干扰”,NLSEF 就会让对应电机增加转速,产生 5N・m 的反向力矩,抵消干扰,让机身回到水平状态。
传统 ADRC 的问题就出在:ESO 的 “观测器带宽”、NLSEF 的 “控制器带宽” 等参数是固定的。当干扰强度变化(如风从 3m/s 增至 8m/s),固定参数的 ESO 会 “反应不过来”,干扰估计不准,NLSEF 的抵消效果自然下降。
三、核心升级:RBF 神经网络 —— 给 ADRC 装 “参数自动调节器”
RBF(径向基函数)神经网络是一种 “局部逼近” 的神经网络,它能通过 “学习” 飞行过程中的工况数据(如风速、负载、姿态误差),实时优化 ADRC 的关键参数,让 ADRC 的抗扰能力 “随工况动态适配”。
1. RBF 神经网络:为何适合优化 ADRC?
RBF 神经网络有两个核心优势,完美匹配 ADRC 的参数优化需求:
- 学习速度快:RBF 是 “局部学习”,只有与当前工况相近的神经元会被激活,无需全网络训练,适合四旋翼的实时控制(控制周期通常为 10-50ms);
- 逼近精度高:能精准拟合 “工况 - 最优参数” 的非线性关系。例如 “风速 5m/s 时,ADRC 观测器带宽最优值为 100;风速 8m/s 时,最优值为 150”,RBF 能通过学习找到这个对应关系。
2. 优化逻辑:RBF 如何 “调教” ADRC 参数?
RBF 优化 ADRC 的核心是 “以姿态误差最小为目标,实时调整 ADRC 的关键参数”,具体分为三步:
步骤 1:确定 “优化目标” 与 “待优化参数”
- 优化目标:让四旋翼的 “姿态误差”(实际姿态与指令姿态的差值)最小,例如横滚误差、俯仰误差、偏航误差均控制在 ±2° 以内;
- 待优化参数:ADRC 中对控制效果影响最大的两个参数 ——
- ESO 观测器带宽(ω₀):决定干扰估计的速度,ω₀越大,干扰跟踪越快,但易受噪声影响;
- NLSEF 控制器带宽(ω_c):决定控制响应的速度,ω_c 越大,姿态修正越快,但易导致超调。
步骤 2:RBF 的 “输入 - 输出” 设计
将四旋翼的 “当前工况” 作为 RBF 的输入,“ADRC 的最优参数” 作为 RBF 的输出:
- 输入层:3 个神经元,对应 “当前姿态误差(e)、姿态误差变化率(de/dt)、风速(v)”—— 这三个变量能精准反映当前飞行工况;
- 隐含层:8-12 个神经元(数量根据精度需求调整),采用高斯径向基函数(φ_i = exp (-||x - c_i||²/(2σ_i²)),其中 c_i 是中心向量,σ_i 是宽度参数),负责拟合工况与参数的非线性关系;
- 输出层:2 个神经元,对应 “优化后的观测器带宽(ω₀*)、优化后的控制器带宽(ω_c*)”,直接输出给 ADRC。
步骤 3:RBF 的 “在线学习” 与参数更新
RBF 通过 “梯度下降法” 实时更新网络参数(中心 c_i、宽度 σ_i、输出权重 w_i),确保输出的 ADRC 参数始终是 “当前工况下的最优解”:
- 误差计算:以 “四旋翼的姿态误差 e” 作为 RBF 的学习误差,e 越大,说明当前 ADRC 参数越差,需要更大幅度调整;
- 参数更新:根据误差 e 的梯度,调整隐含层中心 c_i、宽度 σ_i 和输出权重 w_i,公式示例(输出权重更新):
Δw_i = η × e × φ_i (η 为学习率,通常取 0.01-0.05,平衡学习速度与稳定性)
- 参数限幅:为避免 ADRC 参数超出安全范围(如 ω₀不能小于 50,否则干扰估计太慢;不能大于 200,否则噪声敏感),对 RBF 输出的 ω₀、ω_c * 进行限幅处理,确保控制安全。
例如当风速突然从 3m/s 增至 8m/s,姿态误差 e 从 1° 增至 6°,RBF 会快速调整:增大输出权重 w_i,让 ω₀从 100 增至 150(加快干扰估计),ω_c从 80 增至 120(加快姿态修正),ADRC 的抗扰能力随之增强,姿态误差很快从 6° 降至 2° 以内。
四、实现步骤:从 “理论” 到 “飞行” 的六步落地流程
RBF 优化 ADRC 的技术落地,需要将 “神经网络学习” 与 “自抗扰控制” 深度融合,具体可分为六个关键步骤,我们以 “电力巡检四旋翼无人机(起飞重量 5kg,控制周期 20ms)” 为例拆解:
步骤 1:系统建模与参数初始化
- 动力学建模:建立四旋翼的非线性动力学模型,包含姿态方程(横滚、俯仰、偏航)和位置方程(X、Y、Z),明确电机转速与姿态、位置的映射关系;
- 参数初始化:
- ADRC 初始参数:观测器带宽 ω₀=100,控制器带宽 ω_c=80,跟踪微分器系数 r=50;
- RBF 网络参数:输入层 3 个神经元(e, de/dt, v),隐含层 10 个神经元,输出层 2 个神经元(ω₀*, ω_c*),初始学习率 η=0.03,隐含层中心 c_i 均匀分布在工况范围内(如 e∈[-10°,10°],v∈[0,15m/s])。
⛳️ 运行结果

📣 部分代码
X_norm = normalize(X); Y_norm = normalize(Y); % 网络初始化 centers = kmeans(X_norm, hidden_nodes); sigma = 0.5*std(X_norm); % 自适应调整 % 训练过程 for epoch = 1:100 fori = 1:size(X,1) x = X_norm(i,:); h = exp(-sum((x - centers).^2, 2)/(2*sigma^2)); dY = Y_norm(i,:) - h*W; % 权重更新 W = W + h' * dY * 0.01; B = B + mean(dY, 1) * 0.01; end end % 反归一化输出 W = W * max(Y) - min(Y); B = B * max(Y) - min(Y);end
🔗 参考文献
🎈 部分理论引用网络文献,若有侵权联系博主删除
👇 关注我领取海量matlab电子书和数学建模资料
🏆团队擅长辅导定制多种科研领域MATLAB仿真,助力科研梦:
🌟 各类智能优化算法改进及应用
生产调度、经济调度、装配线调度、充电优化、车间调度、发车优化、水库调度、三维装箱、物流选址、货位优化、公交排班优化、充电桩布局优化、车间布局优化、集装箱船配载优化、水泵组合优化、解医疗资源分配优化、设施布局优化、可视域基站和无人机选址优化、背包问题、 风电场布局、时隙分配优化、 最佳分布式发电单元分配、多阶段管道维修、 工厂-中心-需求点三级选址问题、 应急生活物质配送中心选址、 基站选址、 道路灯柱布置、 枢纽节点部署、 输电线路台风监测装置、 集装箱调度、 机组优化、 投资优化组合、云服务器组合优化、 天线线性阵列分布优化、CVRP问题、VRPPD问题、多中心VRP问题、多层网络的VRP问题、多中心多车型的VRP问题、 动态VRP问题、双层车辆路径规划(2E-VRP)、充电车辆路径规划(EVRP)、油电混合车辆路径规划、混合流水车间问题、 订单拆分调度问题、 公交车的调度排班优化问题、航班摆渡车辆调度问题、选址路径规划问题、港口调度、港口岸桥调度、停机位分配、机场航班调度、泄漏源定位、冷链、时间窗、多车场等、选址优化、港口岸桥调度优化、交通阻抗、重分配、停机位分配、机场航班调度、通信上传下载分配优化
🌟 机器学习和深度学习时序、回归、分类、聚类和降维
2.1 bp时序、回归预测和分类
2.2 ENS声神经网络时序、回归预测和分类
2.3 SVM/CNN-SVM/LSSVM/RVM支持向量机系列时序、回归预测和分类
2.4 CNN|TCN|GCN卷积神经网络系列时序、回归预测和分类
2.5 ELM/KELM/RELM/DELM极限学习机系列时序、回归预测和分类
2.6 GRU/Bi-GRU/CNN-GRU/CNN-BiGRU门控神经网络时序、回归预测和分类
2.7 ELMAN递归神经网络时序、回归\预测和分类
2.8 LSTM/BiLSTM/CNN-LSTM/CNN-BiLSTM/长短记忆神经网络系列时序、回归预测和分类
2.9 RBF径向基神经网络时序、回归预测和分类
2.10 DBN深度置信网络时序、回归预测和分类
2.11 FNN模糊神经网络时序、回归预测
2.12 RF随机森林时序、回归预测和分类
2.13 BLS宽度学习时序、回归预测和分类
2.14 PNN脉冲神经网络分类
2.15 模糊小波神经网络预测和分类
2.16 时序、回归预测和分类
2.17 时序、回归预测预测和分类
2.18 XGBOOST集成学习时序、回归预测预测和分类
2.19 Transform各类组合时序、回归预测预测和分类
方向涵盖风电预测、光伏预测、电池寿命预测、辐射源识别、交通流预测、负荷预测、股价预测、PM2.5浓度预测、电池健康状态预测、用电量预测、水体光学参数反演、NLOS信号识别、地铁停车精准预测、变压器故障诊断
🌟图像处理方面
图像识别、图像分割、图像检测、图像隐藏、图像配准、图像拼接、图像融合、图像增强、图像压缩感知
🌟 路径规划方面
旅行商问题(TSP)、车辆路径问题(VRP、MVRP、CVRP、VRPTW等)、无人机三维路径规划、无人机协同、无人机编队、机器人路径规划、栅格地图路径规划、多式联运运输问题、 充电车辆路径规划(EVRP)、 双层车辆路径规划(2E-VRP)、 油电混合车辆路径规划、 船舶航迹规划、 全路径规划规划、 仓储巡逻、公交车时间调度、水库调度优化、多式联运优化
🌟 无人机应用方面
无人机路径规划、无人机控制、无人机编队、无人机协同、无人机任务分配、无人机安全通信轨迹在线优化、车辆协同无人机路径规划、
🌟 通信方面
传感器部署优化、通信协议优化、路由优化、目标定位优化、Dv-Hop定位优化、Leach协议优化、WSN覆盖优化、组播优化、RSSI定位优化、水声通信、通信上传下载分配
🌟 信号处理方面
信号识别、信号加密、信号去噪、信号增强、雷达信号处理、信号水印嵌入提取、肌电信号、脑电信号、信号配时优化、心电信号、DOA估计、编码译码、变分模态分解、管道泄漏、滤波器、数字信号处理+传输+分析+去噪、数字信号调制、误码率、信号估计、DTMF、信号检测
🌟电力系统方面
微电网优化、无功优化、配电网重构、储能配置、有序充电、MPPT优化、家庭用电、电/冷/热负荷预测、电力设备故障诊断、电池管理系统(BMS)SOC/SOH估算(粒子滤波/卡尔曼滤波)、 多目标优化在电力系统调度中的应用、光伏MPPT控制算法改进(扰动观察法/电导增量法)、电动汽车充放电优化、微电网日前日内优化、储能优化、家庭用电优化、供应链优化
🌟 元胞自动机方面
交通流 人群疏散 病毒扩散 晶体生长 金属腐蚀
🌟 雷达方面
卡尔曼滤波跟踪、航迹关联、航迹融合、SOC估计、阵列优化、NLOS识别
🌟 车间调度
零等待流水车间调度问题NWFSP 、 置换流水车间调度问题PFSP、 混合流水车间调度问题HFSP 、零空闲流水车间调度问题NIFSP、分布式置换流水车间调度问题 DPFSP、阻塞流水车间调度问题BFSP
👇
1960

被折叠的 条评论
为什么被折叠?



