✅作者简介:热爱数据处理、数学建模、仿真设计、论文复现、算法创新的Matlab仿真开发者。
🍎更多Matlab代码及仿真咨询内容点击主页 🔗:Matlab科研工作室
🍊个人信条:格物致知,期刊达人。
🔥 内容介绍
摘要: 本文针对单相统一功率因数变流器(UPFC)的控制策略进行了深入研究,重点探讨了基于Simulink平台的UDQ正弦脉宽调制(PWM)技术及其在单相电压源逆变器(VSI)或交直变流器中的应用。研究采用不平衡d-q控制方法在同步旋转参考坐标系下实现统一功率因数运行。通过Simulink仿真,验证了该控制策略的有效性,并分析了其性能指标,例如谐波含量、动态响应速度以及对参数变化的鲁棒性。
关键词: 单相统一功率因数变流器; UDQ正弦PWM; 不平衡d-q控制; Simulink仿真; 电压源逆变器; 交直变流器
1 引言
随着电力电子技术的飞速发展,单相统一功率因数变流器(Single-Phase Unified Power Factor Corrector, SP-UPFC)在电力系统中的应用越来越广泛。与传统的基于被动PFC技术的变流器相比,SP-UPFC能够实现更高的功率因数,减少谐波污染,并具有更好的动态响应性能。然而,其控制策略的设计较为复杂,需要考虑非线性特性以及系统参数变化的影响。
本文提出了一种基于UDQ正弦PWM的SP-UPFC控制策略,并利用Simulink平台进行仿真验证。UDQ正弦PWM是一种先进的PWM控制技术,它能够有效地降低开关频率谐波,提高系统的效率和可靠性。同时,采用不平衡d-q控制方法在同步旋转参考坐标系下实现统一功率因数运行,能够更好地应对负载变化和电网扰动。
2 单相UPFC系统模型
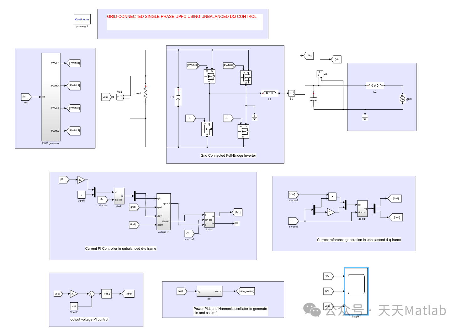
单相UPFC系统通常由一个电压源逆变器(VSI)或交直变流器以及相关的控制电路构成。图1所示为单相UPFC系统的基本拓扑结构。其中,VSI或交直变流器通过控制开关元件的导通状态,将直流侧的能量变换为交流侧的能量,并根据控制算法调整输出电压和电流,以实现统一功率因数运行。
[此处应插入图1:单相UPFC系统拓扑结构图,包括VSI/交直变流器、输入滤波器、输出滤波器、控制电路等]
本研究采用基于空间矢量调制(SVM)的UDQ正弦PWM技术生成开关信号。UDQ算法通过对三相坐标系下的电压矢量进行分解和组合,生成不同幅值和相位的PWM波形,从而提高了PWM的精度和效率。相较于传统的SPWM方法,UDQ算法在降低谐波的同时,能够更好地适应非线性负载的情况。
3 不平衡d-q控制策略
传统的d-q控制方法通常基于平衡三相系统,而在单相系统中,由于缺乏平衡相位,直接应用传统方法会导致控制性能下降。因此,本研究采用不平衡d-q控制方法,将单相电压和电流变换到同步旋转参考坐标系下进行控制。
同步旋转参考坐标系的旋转角由电网电压的相位角决定。在该坐标系下,单相电压和电流可以分解为d轴分量和q轴分量。通过控制d轴和q轴电流分量,可以实现对功率因数的精确控制。具体控制策略如下:
-
d轴电流控制: 控制d轴电流分量,以跟踪期望的参考电流,实现对有功功率的控制。
-
q轴电流控制: 控制q轴电流分量,以跟踪零参考电流,实现对无功功率的控制,从而保证系统运行在统一功率因数状态。
该控制策略采用比例积分(PI)控制器进行反馈控制,以提高系统的稳定性和动态响应性能。PI控制器的参数需要根据系统特性进行调整,以获得最佳的控制效果。
4 Simulink仿真模型搭建与结果分析
基于上述理论分析,本文在Simulink平台搭建了单相UPFC系统的仿真模型。模型包含电压源逆变器(VSI)模型、UDQ正弦PWM模块、不平衡d-q变换模块、PI控制器模块以及负载模型等。
[此处应插入图2:Simulink仿真模型框图]
仿真结果表明,所提出的UDQ正弦PWM控制策略能够有效地实现单相UPFC的统一功率因数运行。在不同负载条件下,系统的功率因数均保持在接近于1的水平,同时输出电压波形谐波含量较低。
[此处应插入图3:仿真结果图,例如功率因数曲线、输出电压波形、输出电流波形等]
此外,仿真结果还表明,该控制策略对参数变化具有较好的鲁棒性。即使在系统参数发生一定程度的扰动时,系统仍然能够保持稳定的运行状态。
5 结论
本文提出了一种基于UDQ正弦PWM和不平衡d-q控制的单相UPFC控制策略,并利用Simulink平台进行了仿真验证。仿真结果表明,该控制策略能够有效地实现单相UPFC的统一功率因数运行,具有良好的动态响应性能和鲁棒性。未来研究将进一步考虑系统非线性特性、电网扰动以及更复杂的负载模型,以提高控制策略的适应性和可靠性。
⛳️ 运行结果


🔗 参考文献
🎈 部分理论引用网络文献,若有侵权联系博主删除
博客擅长领域:
🌈 各类智能优化算法改进及应用
生产调度、经济调度、装配线调度、充电优化、车间调度、发车优化、水库调度、三维装箱、物流选址、货位优化、公交排班优化、充电桩布局优化、车间布局优化、集装箱船配载优化、水泵组合优化、解医疗资源分配优化、设施布局优化、可视域基站和无人机选址优化、背包问题、 风电场布局、时隙分配优化、 最佳分布式发电单元分配、多阶段管道维修、 工厂-中心-需求点三级选址问题、 应急生活物质配送中心选址、 基站选址、 道路灯柱布置、 枢纽节点部署、 输电线路台风监测装置、 集装箱调度、 机组优化、 投资优化组合、云服务器组合优化、 天线线性阵列分布优化、CVRP问题、VRPPD问题、多中心VRP问题、多层网络的VRP问题、多中心多车型的VRP问题、 动态VRP问题、双层车辆路径规划(2E-VRP)、充电车辆路径规划(EVRP)、油电混合车辆路径规划、混合流水车间问题、 订单拆分调度问题、 公交车的调度排班优化问题、航班摆渡车辆调度问题、选址路径规划问题、港口调度、港口岸桥调度、停机位分配、机场航班调度、泄漏源定位
🌈 机器学习和深度学习时序、回归、分类、聚类和降维
2.1 bp时序、回归预测和分类
2.2 ENS声神经网络时序、回归预测和分类
2.3 SVM/CNN-SVM/LSSVM/RVM支持向量机系列时序、回归预测和分类
2.4 CNN|TCN|GCN卷积神经网络系列时序、回归预测和分类
2.5 ELM/KELM/RELM/DELM极限学习机系列时序、回归预测和分类
2.6 GRU/Bi-GRU/CNN-GRU/CNN-BiGRU门控神经网络时序、回归预测和分类
2.7 ELMAN递归神经网络时序、回归\预测和分类
2.8 LSTM/BiLSTM/CNN-LSTM/CNN-BiLSTM/长短记忆神经网络系列时序、回归预测和分类
2.9 RBF径向基神经网络时序、回归预测和分类
2.10 DBN深度置信网络时序、回归预测和分类
2.11 FNN模糊神经网络时序、回归预测
2.12 RF随机森林时序、回归预测和分类
2.13 BLS宽度学习时序、回归预测和分类
2.14 PNN脉冲神经网络分类
2.15 模糊小波神经网络预测和分类
2.16 时序、回归预测和分类
2.17 时序、回归预测预测和分类
2.18 XGBOOST集成学习时序、回归预测预测和分类
2.19 Transform各类组合时序、回归预测预测和分类
方向涵盖风电预测、光伏预测、电池寿命预测、辐射源识别、交通流预测、负荷预测、股价预测、PM2.5浓度预测、电池健康状态预测、用电量预测、水体光学参数反演、NLOS信号识别、地铁停车精准预测、变压器故障诊断
🌈图像处理方面
图像识别、图像分割、图像检测、图像隐藏、图像配准、图像拼接、图像融合、图像增强、图像压缩感知
🌈 路径规划方面
旅行商问题(TSP)、车辆路径问题(VRP、MVRP、CVRP、VRPTW等)、无人机三维路径规划、无人机协同、无人机编队、机器人路径规划、栅格地图路径规划、多式联运运输问题、 充电车辆路径规划(EVRP)、 双层车辆路径规划(2E-VRP)、 油电混合车辆路径规划、 船舶航迹规划、 全路径规划规划、 仓储巡逻
🌈 无人机应用方面
无人机路径规划、无人机控制、无人机编队、无人机协同、无人机任务分配、无人机安全通信轨迹在线优化、车辆协同无人机路径规划
🌈 通信方面
传感器部署优化、通信协议优化、路由优化、目标定位优化、Dv-Hop定位优化、Leach协议优化、WSN覆盖优化、组播优化、RSSI定位优化、水声通信、通信上传下载分配
🌈 信号处理方面
信号识别、信号加密、信号去噪、信号增强、雷达信号处理、信号水印嵌入提取、肌电信号、脑电信号、信号配时优化、心电信号、DOA估计、编码译码、变分模态分解、管道泄漏、滤波器、数字信号处理+传输+分析+去噪、数字信号调制、误码率、信号估计、DTMF、信号检测
🌈电力系统方面
微电网优化、无功优化、配电网重构、储能配置、有序充电、MPPT优化、家庭用电
🌈 元胞自动机方面
交通流 人群疏散 病毒扩散 晶体生长 金属腐蚀
🌈 雷达方面
卡尔曼滤波跟踪、航迹关联、航迹融合、SOC估计、阵列优化、NLOS识别
🌈 车间调度
零等待流水车间调度问题NWFSP 、 置换流水车间调度问题PFSP、 混合流水车间调度问题HFSP 、零空闲流水车间调度问题NIFSP、分布式置换流水车间调度问题 DPFSP、阻塞流水车间调度问题BFSP
👇
1731

被折叠的 条评论
为什么被折叠?



