✅作者简介:热爱科研的Matlab仿真开发者,擅长数据处理、建模仿真、程序设计、完整代码获取、论文复现及科研仿真。
🍎 往期回顾关注个人主页:Matlab科研工作室
🍊个人信条:格物致知,完整Matlab代码获取及仿真咨询内容私信。
🔥 内容介绍
多智能体系统凭借其分布式协同优势,在无人机编队、无人车集群、工业机器人协作等领域得到广泛应用。二阶共识作为多智能体协同的基础任务,要求系统中所有智能体的位置和速度状态在交互协作中最终趋于一致,是实现复杂群体任务(如编队跟踪、区域覆盖)的前提。相较于一阶共识(仅需位置状态一致),二阶共识需同时保证位置和速度的双重一致性,控制难度显著提升。
在实际应用场景中,多智能体系统的二阶共识面临多重挑战:一是外部干扰的不确定性,如无人机遭遇的气流扰动、无人车行驶中的路面摩擦变化、工业环境中的电磁干扰等,这些干扰会直接破坏智能体的运动状态,导致共识精度下降甚至共识失败;二是收敛速度的可控性难题,传统共识算法(如PID控制、线性一致性协议)的收敛时间往往依赖于初始状态,初始偏差越大收敛时间越长,难以满足实时性要求高的任务(如紧急救援中的多机器人协同);三是系统模型的非线性与参数摄动,实际智能体的动力学模型多存在非线性耦合特性,且部分参数(如质量、转动惯量)可能因环境变化发生摄动,进一步加剧了共识控制的难度;四是分布式通信约束,多智能体系统的分布式架构要求控制算法仅依赖相邻智能体的局部信息交互,传统集中式控制方法难以适配,且通信延迟、拓扑结构动态变化等因素会影响共识的稳定性。
传统的二阶共识控制方法难以同时解决上述鲁棒性、收敛速度与分布式适配性问题。例如,线性一致性协议对外部干扰和参数摄动的抵抗能力弱;常规滑模控制虽具备一定鲁棒性,但收敛时间仍受初始状态影响;自适应控制的计算复杂度较高,难以满足实时性需求。因此,研究基于固定时间收敛滑模面的鲁棒二阶共识控制方法,通过滑模控制的强鲁棒性与固定时间收敛的速度可控性相结合,成为破解多智能体系统二阶共识难题的有效途径。
核心技术融合:固定时间收敛与滑模控制的协同逻辑
先理清:为什么选择“固定时间收敛+滑模控制”融合架构?
本次研究采用的“固定时间收敛滑模面+滑模控制”融合架构,核心目标是实现多智能体系统二阶共识的“鲁棒抗干扰-固定时间收敛-分布式适配”多目标优化。两者的功能互补性是架构成立的关键:滑模控制具备与生俱来的强鲁棒性,通过控制输入的不连续切换,能有效抵消外部干扰和系统参数摄动对共识过程的影响;固定时间收敛特性则能确保共识收敛时间有明确上界,与初始状态无关,从根本上解决了收敛速度可控性难题。两者协同形成“鲁棒抗干扰-固定时间收敛-分布式局部交互”的完整闭环,大幅提升多智能体系统二阶共识的可靠性与实时性。
各核心技术模块的核心作用
1. 滑模控制:构建抗干扰的鲁棒共识屏障 滑模控制的核心逻辑是通过设计合适的滑模面和切换控制律,迫使系统状态在有限时间内到达并保持在滑模面上,随后沿滑模面向共识平衡点收敛。其强鲁棒性源于“滑模不变性”特性——一旦系统进入滑模运动阶段,对匹配性外部干扰和系统参数摄动具有完全的抵抗能力,无需精确知道干扰的幅值和变化规律。
在多智能体二阶共识中,滑模控制的核心作用体现在两方面:一是状态偏差的鲁棒调节,以相邻智能体的位置偏差和速度偏差为核心变量,设计滑模面,通过切换控制律迫使偏差快速收敛至零,实现位置和速度的双重共识;二是干扰与摄动的主动抵消,针对外部干扰和参数摄动,滑模控制的不连续切换输入能产生自适应的干扰补偿项,有效削弱干扰对共识过程的影响。此外,滑模控制的控制结构简单,计算复杂度低,易于满足分布式架构的实时性要求。
2. 固定时间收敛滑模面:实现收敛速度的精确可控 固定时间收敛是在有限时间收敛基础上的进阶特性,其核心优势在于“收敛时间有明确上界且与初始状态无关”。传统有限时间收敛算法的收敛时间随初始状态偏差增大而延长,而固定时间收敛算法通过设计特殊的非线性函数(如幂次函数组合),确保无论初始状态偏差多大,系统都能在预设的最大收敛时间内完成收敛,从根本上解决了收敛速度的可控性问题。
在多智能体二阶共识中,固定时间收敛滑模面的设计是核心:通过将固定时间收敛特性融入滑模面设计,使系统状态不仅能快速到达滑模面,还能沿滑模面以固定时间收敛至共识平衡点。例如,采用“低次幂项+高次幂项”的组合函数构建滑模面,低次幂项保证系统在大偏差阶段的快速响应,高次幂项保证小偏差阶段的精准收敛,两者协同实现全量程的固定时间收敛。这种设计能确保多智能体系统在任意初始状态下,都能在预设时间内完成二阶共识,显著提升了任务的实时性与可靠性。
3. 分布式一致性协议:适配多智能体的局部信息交互 结合滑模控制与固定时间收敛特性,构建分布式二阶共识协议,摒弃传统集中式控制对全局信息的依赖。各智能体仅通过与相邻智能体的局部信息交互(如获取相邻智能体的位置和速度信息),计算自身与相邻智能体的状态偏差,随后基于偏差信息和固定时间滑模控制律生成控制输入。这种分布式架构不仅降低了对通信带宽的要求,还提升了系统的容错性——即使部分智能体出现通信暂时中断或故障,其余智能体仍可通过局部交互维持共识过程,避免系统整体崩溃。
研究核心:固定时间收敛滑模鲁棒二阶共识系统的实现步骤
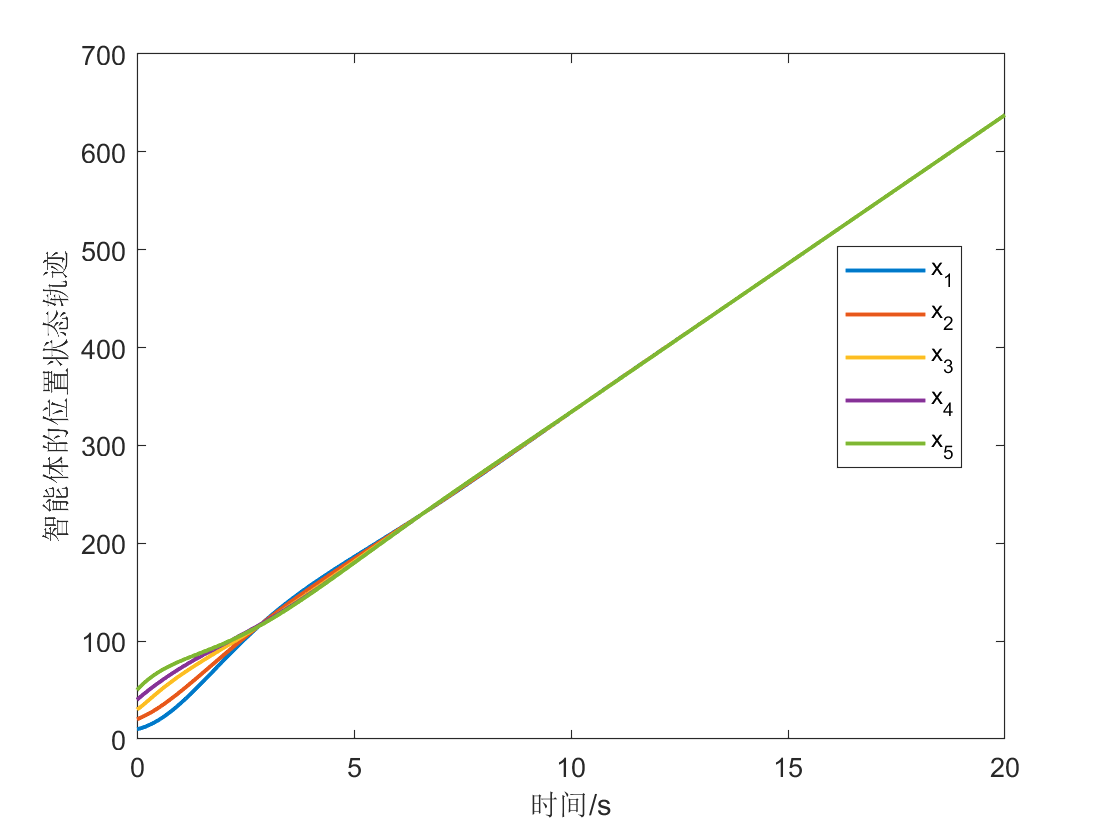
1.基础建模:多智能体二阶动力学建模与通信拓扑描述研究的第一步是完成核心基础建模,包括两部分:一是多智能体二阶动力学建模,针对每个智能体,基于牛顿-欧拉方程建立二阶线性或非线性动力学模型,明确控制输入(如推进力、力矩)与运动状态(位置、速度)之间的映射关系,同时引入外部干扰项(如气流扰动、摩擦干扰)和参数摄动项(如质量偏差),构建贴近实际场景的系统模型;二是通信拓扑结构描述,采用图论中的无向图或有向图描述多智能体系统的通信关系,定义邻接矩阵、度矩阵和拉普拉斯矩阵,明确相邻智能体的信息交互范围,确保通信拓扑的连通性(这是分布式共识实现的前提)。例如,对于4个智能体组成的系统,采用无向连通图,每个智能体仅与2个相邻智能体进行信息交互。

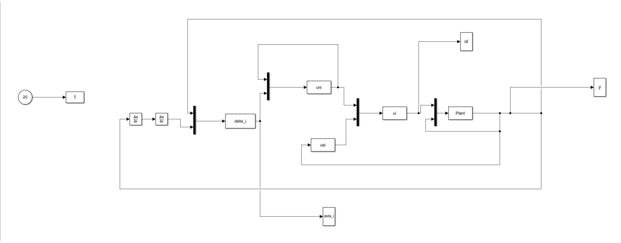
⛳️ 运行结果




📣 部分代码
🔗 参考文献
🎈 部分理论引用网络文献,若有侵权联系博主删除
👇 关注我领取海量matlab电子书和数学建模资料
🏆团队擅长辅导定制多种科研领域MATLAB仿真,助力科研梦:
🌟 各类智能优化算法改进及应用
生产调度、经济调度、装配线调度、充电优化、车间调度、发车优化、水库调度、三维装箱、物流选址、货位优化、公交排班优化、充电桩布局优化、车间布局优化、集装箱船配载优化、水泵组合优化、解医疗资源分配优化、设施布局优化、可视域基站和无人机选址优化、背包问题、 风电场布局、时隙分配优化、 最佳分布式发电单元分配、多阶段管道维修、 工厂-中心-需求点三级选址问题、 应急生活物质配送中心选址、 基站选址、 道路灯柱布置、 枢纽节点部署、 输电线路台风监测装置、 集装箱调度、 机组优化、 投资优化组合、云服务器组合优化、 天线线性阵列分布优化、CVRP问题、VRPPD问题、多中心VRP问题、多层网络的VRP问题、多中心多车型的VRP问题、 动态VRP问题、双层车辆路径规划(2E-VRP)、充电车辆路径规划(EVRP)、油电混合车辆路径规划、混合流水车间问题、 订单拆分调度问题、 公交车的调度排班优化问题、航班摆渡车辆调度问题、选址路径规划问题、港口调度、港口岸桥调度、停机位分配、机场航班调度、泄漏源定位、冷链、时间窗、多车场等、选址优化、港口岸桥调度优化、交通阻抗、重分配、停机位分配、机场航班调度、通信上传下载分配优化
🌟 机器学习和深度学习时序、回归、分类、聚类和降维
2.1 bp时序、回归预测和分类
2.2 ENS声神经网络时序、回归预测和分类
2.3 SVM/CNN-SVM/LSSVM/RVM支持向量机系列时序、回归预测和分类
2.4 CNN|TCN|GCN卷积神经网络系列时序、回归预测和分类
2.5 ELM/KELM/RELM/DELM极限学习机系列时序、回归预测和分类
2.6 GRU/Bi-GRU/CNN-GRU/CNN-BiGRU门控神经网络时序、回归预测和分类
2.7 ELMAN递归神经网络时序、回归\预测和分类
2.8 LSTM/BiLSTM/CNN-LSTM/CNN-BiLSTM/长短记忆神经网络系列时序、回归预测和分类
2.9 RBF径向基神经网络时序、回归预测和分类
2.10 DBN深度置信网络时序、回归预测和分类
2.11 FNN模糊神经网络时序、回归预测
2.12 RF随机森林时序、回归预测和分类
2.13 BLS宽度学习时序、回归预测和分类
2.14 PNN脉冲神经网络分类
2.15 模糊小波神经网络预测和分类
2.16 时序、回归预测和分类
2.17 时序、回归预测预测和分类
2.18 XGBOOST集成学习时序、回归预测预测和分类
2.19 Transform各类组合时序、回归预测预测和分类
方向涵盖风电预测、光伏预测、电池寿命预测、辐射源识别、交通流预测、负荷预测、股价预测、PM2.5浓度预测、电池健康状态预测、用电量预测、水体光学参数反演、NLOS信号识别、地铁停车精准预测、变压器故障诊断
🌟图像处理方面
图像识别、图像分割、图像检测、图像隐藏、图像配准、图像拼接、图像融合、图像增强、图像压缩感知
🌟 路径规划方面
旅行商问题(TSP)、车辆路径问题(VRP、MVRP、CVRP、VRPTW等)、无人机三维路径规划、无人机协同、无人机编队、机器人路径规划、栅格地图路径规划、多式联运运输问题、 充电车辆路径规划(EVRP)、 双层车辆路径规划(2E-VRP)、 油电混合车辆路径规划、 船舶航迹规划、 全路径规划规划、 仓储巡逻、公交车时间调度、水库调度优化、多式联运优化
🌟 无人机应用方面
无人机路径规划、无人机控制、无人机编队、无人机协同、无人机任务分配、无人机安全通信轨迹在线优化、车辆协同无人机路径规划、
🌟 通信方面
传感器部署优化、通信协议优化、路由优化、目标定位优化、Dv-Hop定位优化、Leach协议优化、WSN覆盖优化、组播优化、RSSI定位优化、水声通信、通信上传下载分配
🌟 信号处理方面
信号识别、信号加密、信号去噪、信号增强、雷达信号处理、信号水印嵌入提取、肌电信号、脑电信号、信号配时优化、心电信号、DOA估计、编码译码、变分模态分解、管道泄漏、滤波器、数字信号处理+传输+分析+去噪、数字信号调制、误码率、信号估计、DTMF、信号检测
🌟电力系统方面
微电网优化、无功优化、配电网重构、储能配置、有序充电、MPPT优化、家庭用电、电/冷/热负荷预测、电力设备故障诊断、电池管理系统(BMS)SOC/SOH估算(粒子滤波/卡尔曼滤波)、 多目标优化在电力系统调度中的应用、光伏MPPT控制算法改进(扰动观察法/电导增量法)、电动汽车充放电优化、微电网日前日内优化、储能优化、家庭用电优化、供应链优化\智能电网分布式能源经济优化调度,虚拟电厂,能源消纳,风光出力,控制策略,多目标优化,博弈能源调度,鲁棒优化
电力系统核心问题经济调度:机组组合、最优潮流、安全约束优化。新能源消纳:风光储协同规划、弃风弃光率量化、爬坡速率约束建模多能耦合系统:电-气-热联合调度、P2G与储能容量配置新型电力系统关键技术灵活性资源:虚拟电厂、需求响应、V2G车网互动、分布式储能优化稳定与控制:惯量支撑策略、低频振荡抑制、黑启动预案设计低碳转型:碳捕集电厂建模、绿氢制备经济性分析、LCOE度电成本核算风光出力预测:LSTM/Transformer时序预测、预测误差场景生成(GAN/蒙特卡洛)不确定性优化:鲁棒优化、随机规划、机会约束建模能源流分析、PSASP复杂电网建模,经济调度,算法优化改进,模型优化,潮流分析,鲁棒优化,创新点,文献复现微电网配电网规划,运行调度,综合能源,混合储能容量配置,平抑风电波动,多目标优化,静态交通流量分配,阶梯碳交易,分段线性化,光伏混合储能VSG并网运行,构网型变流器, 虚拟同步机等包括混合储能HESS:蓄电池+超级电容器,电压补偿,削峰填谷,一次调频,功率指令跟随,光伏储能参与一次调频,功率平抑,直流母线电压控制;MPPT最大功率跟踪控制,构网型储能,光伏,微电网调度优化,新能源,虚拟同同步机,VSG并网,小信号模型
🌟 元胞自动机方面
交通流 人群疏散 病毒扩散 晶体生长 金属腐蚀
🌟 雷达方面
卡尔曼滤波跟踪、航迹关联、航迹融合、SOC估计、阵列优化、NLOS识别
🌟 车间调度
零等待流水车间调度问题NWFSP 、 置换流水车间调度问题PFSP、 混合流水车间调度问题HFSP 、零空闲流水车间调度问题NIFSP、分布式置换流水车间调度问题 DPFSP、阻塞流水车间调度问题BFSP
👇
462

被折叠的 条评论
为什么被折叠?



