
1. 简介
YED-DGH-Y20000 DTU版本适合设备控制,状态检测等通过4G网络与服务器通讯的场景,具体功能特点如下。
1) 支持3.3-4.2V电池供电,标配5000mah锂电池,支持开关;
2) 支持5~12V 1.5A 充电,建议用5~8V电压充电;
3) 支持接触放电±8KV,空气放电±15KV;
4) 工作环境为-35℃~75℃;
5) 支持1路RS485串口;
6) 支持1路12V 1A可控电源输出;
7) 支持硬件看门狗,运行稳定不死机(可选贴,默认不贴);
8)支持银尔达DTU透传固件,支持TCP、UDP、MQTT、HTTP、Websocket,阿里云IOT 、腾讯IOT、OneNet,华为IOT,电信云,涂鸦云、ThingsCloud等平台;
9) 支持标签logo定制服务;
10) 支持二次开发定制;
11)支持SSL证书加密TCPS/MQTTS/HTTPS 协议;
12)标配IP64防水防尘外壳;
2. 产品规格
2.1. 硬件参数
| 功能事项 | 详细说明 | |
| 4G模块 | 网络标准 | Cat1 4G全网通,支持中国移动、联通、电信 |
| 网络频段 | LTE-FDD:B1/B3/B5/B8 LTE-TDD:B34/B38/B39/B40/B41 | |
| 电源参数 | 3.3-4.2V电池供电 | |
| 充电参数 | 5-12V 1.5A充电 建议用5~8V电压充电 | |
| 工作环境 | 工作温度 | -35℃ ~+75℃ |
| 工作湿度 | 5%~95%RH(无凝露) | |
| RS485 | 1路 | 1200-230400;数据位:8 ;停止位:1、2;校验位:奇、偶、无校验 |
| 电源输出 | 1路 | 12V 1A可控电源输出 |
| 硬件看门狗 | 支持 | 外部硬件看门狗(选贴,默认不贴) |
| 尺寸 | 35*75mm | |
| 安装方式 | 3mm螺丝定位孔 | |
2.2. 4G 模块功耗参考
2.2.1. 普通功耗说明
待机电流为 DTU 保持服务器网络连接,不发数据的时候的平均电流;3.8V 发送数据的电流平均约22ma计算;数据发送完成后大约 12 秒后会自动进入低功耗。
| 编号 | 供电电压 | 关闭全部 LED | 待机电流(ma) | 备注 |
| 1 | 3.3V | N | 7.8~8.8ma | |
| 2 | 3.8V | Y | 7.4~8.4ma | |
| 3 | 4.2V | N | 7.2~8.1ma |
2.2.2. 超低功耗说明
测试环境说明:3.8V供电,信号28
| 工作模式 | 工作模式说明 | 平均电流 | 3.7V/5000mah电池预估使用时间 |
| 超低功耗休眠 | LED 关闭,设备不运行,不连接服务器,可以周期唤醒 | 46ua | 104160小时~=4340天 |
| 保持服务器网络连接 | 关闭LED,3分钟发个心跳包 | 3ma | 1660小时 |
| 超低功耗休眠10分钟周期唤醒工作 | 正常网络下,唤醒一次大约工作30秒 | 550ma | 9090小时~=370天 |
| 超低功耗休眠60分钟周期唤醒工作 | 正常网络下,唤醒一次大约工作30秒 | 180ua | 27770小时~=1150天 |
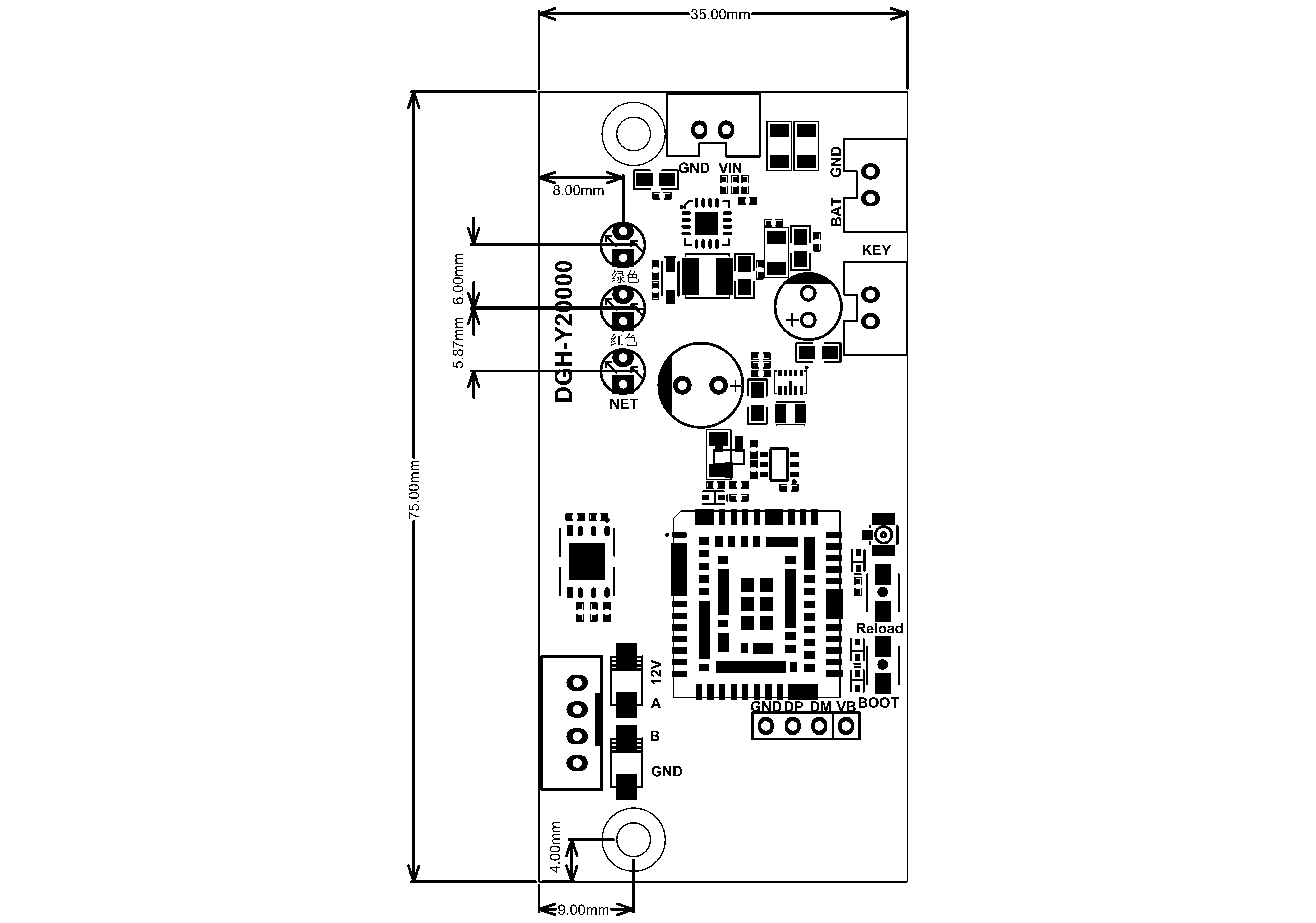
2.3. 硬件资源介绍

| 编号 | 标识 | 功能 | 说明 |
| 1 | BAT GND | 供电电源 | 3.3-4.2V 5000mah锂电池 |
| 2 | KEY | 电池开关 | 控制电池开关 |
| 3 | VIN GND | 充电电源 | 5-12v 1.5A快充 建议用5~8V电压充电 |
| 4 | 绿色 红色 | 充电指示灯 | 电池充满电 绿灯亮 电池未充满 红灯亮 |
| 5 | NET | 系统指示灯 | |
| 6 | 贴片卡 | 贴片SIM卡 | |
| 7 | 12V A B GND | 可控电源输出 RS485串口 | 12V/GND 为可控电源输出正/负 最大 12V 1A (可控电源输出ID为1) A/B RS485接口 |
| 8 | GND DP DM VB | 固件升级和日志调试 | |
| 9 | BOOT | 配合USB,进入BOOT升级模式 | |
| 10 | Reload | 长按7秒,恢复出厂设置 | |
| 11 | 4G天线 | 4G天线,ipex1代 |
2.4. 硬件尺寸
PCB尺寸

外壳尺寸
电源接口为DC5.5*2.1 座子

3. LED状态描述
| 指示意义 | 现象 | 备注 |
| SIM卡不识别 | NET LED 5000ms亮 5000ms灭 | |
| SIM卡正常,但注册不了网络 | NET LED 100ms闪烁 | |
| 注册网络成功,但没连上服务器 | NET LED 500ms慢闪 | 没有任何通道链接服务器 |
| 成功连上服务器 | NET LED 1000ms慢闪 | 至少有一个通道链接服务器成功 |
4. 测试硬件连接方法
设备采用内置电池供电,按下开关即可启动。进行RS485通信时,需将设备的A端与USB转串口模块的A端对应连接,B端同理对接。建议选用银尔达YED-UUART-211测试工具,该工具集成供电与串口调试功能,可有效提升测试效率。

5. DTU固件实例讲解
适用模组方案: Air780E/Air700/Y100E/Air780EPM/Y100EP
| 序号 | 网络协议 | 测试实例 |
| 1 | TCP协议 | |
| 2 | TCP协议远程控制DTU资源 | |
| 3 | UDP协议 | |
| 4 | HTTP协议 | |
| 5 | MQTT协议 | |
| 6 | MQTT协议远程控制DTU资源 | |
| 7 | 定位 | |
| 8 | WebSocket | |
| 9 | 移动物联网 | |
| 10 | 电信Aiot-MQTT | |
| 11 | 华为IotDA | |
| 12 | 新腾讯IOT Explorer | |
| 13 | 阿里IOT | |
| 14 | 涂鸦云 | |
| 15 | ThingsCloud | |
| 16 | 短信转发 | |
| 17 | 升级设备(客户设备)固件实例 | |
| 18 | SSL有证书加密实例 |
6. 银尔达IOT平台教程
| 序号 | 网络协议 | 测试实例 |
| 1 | IOT平台入门教程 | |
| 2 | 串口透传指令控制 | |
| 3 | Modbus温湿度传感器 |
1269

被折叠的 条评论
为什么被折叠?



