高速吹风机变频方案介绍
高速吹风机,特别是转速突破10万转的产品,已成为消费电子和个护领域的新标杆。相比于传统电吹风,高速吹风机的风量更大,能减少对头发的伤害,噪音更低,使用体验也更好。
针对高速吹风机市场,英飞凌推出16万转及以上无感FOC的高速吹风机解决方案。该方案采用PSOC™ 控制 C3,搭配英飞凌的CoolGaN™ 半桥集成功率级能够实现高达100KHz的载频控制,支持快速启停,400毫秒内可达最大转速。
方案特性
- PWM载波频率和控制频率高达100kHz
- 无传感器FOC算法执行时间 <8μs
- 支持动态PWM载频变换功能(5KHz至100KHz)
- 兼容7/5段SVPWM,减少PWM开关损耗
- 支持半周期PWM更新模式,提高位置估算精度和电流环响应时间
- 电机参数在线识别,控制参数自适应
- 极强的系统方案鲁棒性,电机参数±80%误差仍能保持正常工作
- 支持速度控制、恒功率控制以及恒转矩控制
- 支持顺风启动,无抖动静止闭环启动,可靠性100%
- 伪差分ADC采样,无需外部运放和比较器,PCB走线更简洁,噪声抑制能力更强
- 兼容单/腿/3电阻电流采样模式
- 支持完整的电机控制保护和IEC60730安全功能
- 电机控制解决方案已通过量产验证
PSOC Control C3 产品介绍
PSOC Control C3是英飞凌专门为电机控制和数字电源而设计的MCU,集成了专门针对电机应用优化的外设,支持电机常见的各种控制方式,它具有适合无感FOC控制的相关外设和亮点:
1. 高性能可编程模拟子系统

高性能可编程模拟子系统
- 12位12Msps SAR ADC,支持16个模拟通道进行并行空闲采样
- 每个通道都配备独立采样保持器
- 每个通道可独立配置增益(1、3、6、12)
- 所有通道都支持同步采样模式
- 16个模拟通道可分配给8个独立的组,每组支持8路触发源
- 支持伪差分采样模式
- 每个通道集成限幅检测功能(助力过流/过压保护,减少CPU干预)
- 支持ADC DMA和FIFO模式,减少CPU干预
- ADC模拟输出可直接接入CSG比较器进行保护
- 10位DAC为比较器的输入提供参考电压
- 提供多路触发源输出(用于关键外设同步触发)

单电阻伪差分ADC采样结构图
2. 灵活的TCPWM
面向不同PWM应用的灵活计数模式以及灵活的输入输出触发信号。

TCPWM用于单电阻采样
- 3个TCPWM计数器用于产生3对互补PWM信号。1个TCPWM计数器用作ADC触发信号。电机运行时,所有4个TCPWM计数器同步。
- 溢出事件触发FOC中断,并在前半个PWM周期内执行。
- 所有GPIO均可用作PWM输出引脚,从而使PCB布局更加简便
- 从AD采样到下一次PWM比较更新的时间间隔仅约为半个PWM周期,从而显著提升电流环带宽和观测器性能。
基于PSOC Control C3控制器的高速吹风机变频方案
1. 演示硬件
基于PSOC Control C3的高速吹风机Demo可以使用KIT_PSC3M5_CC2的MCU控制卡搭配高压GaN驱动板的灵活方案。

基于PSoC Control C3 MCU控制卡和高压GaN驱动板的演示
2. 系统架构

高速吹风机系统框图
- ADC支持伪差分输入采样模式
- ADC通道支持同步采样模式
- 内部CSG比较器的正相输入信号来自ADC引脚,反相参考信号来自DAC。
- 反电势相电压仅用于高反电势电压电机
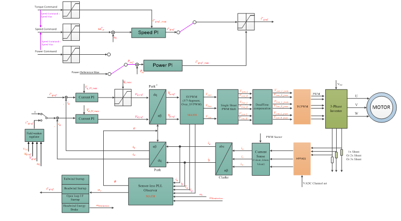
3. 无感FOC控制
支持3种控制模式:转矩、功率和速度控制,具有顺风、逆风和静态直接闭环启动、死区补偿等功能。

无感FOC控制框图
4. FOC执行时间
得益于以下特性,PSOC Control C3高速吹风机的无传感器FOC算法执行时间 <8μs:
- 主频180MHz
- 单精度浮点运算单元(FPU)和DSP
- 16KB的指令缓存
- 基于Arm® v8-M架构的Arm®三级流水线(3PIP)
- 通过I-Cache的AHB(C-AHB)总线,无任何时间延迟

无传感器FOC算法执行时间
5. 高速吹风机控制性能展示
吹风机启动波形

50K转/分钟 ---> 120K转/分钟 ---> 50K转/分钟

12万转稳定运行时的相电流波形

直接闭环启动的波形
测试结果:
- 加减速测试:50K转/分钟 → 120K转/分钟 → 50K转/分钟
- 稳定运行:12万转稳定运行时的相电流波形良好
- 启动性能:直接闭环启动非常平稳,没有抖动,335毫秒达到满速
结语
16万转的高速吹风机整体解决方案,采用基于32位ARM Cortex-M33内核、180MHz主频的PSOC Control C3,搭配英飞凌的CoolGaN™ Half-Bridge IPS,可实现100KHz开关频率单电阻FOC控制,支持快速加减速,具有损耗低、运行稳定、BOM成本低等特点。
对方案感兴趣的朋友可以联系我们获取完整方案的硬件和软件资料。
点击这里了解更多信息及相关文章。

231

被折叠的 条评论
为什么被折叠?



