随着家庭网络已经进入了超高速时代,WiFi技术的快速发展,到现在最新的WIFI7技术,使网络带宽从1G逐步提升至10G以上,满足了用户对高性能网络的需求。然而在市场的主要家用的路由使用,考虑到设计成熟度,性价比等因素,WIFI6产品还是占据市场的主流。
IRG600L模块是移远基于MTK的主控设计的,搭载唯捷创新Vanchip的WIFI6 FEM就能很轻松的设计性价比很好的产品,满足市场的要求,适用于运营商网关、企业接入点、家庭路由器及Mesh节点。
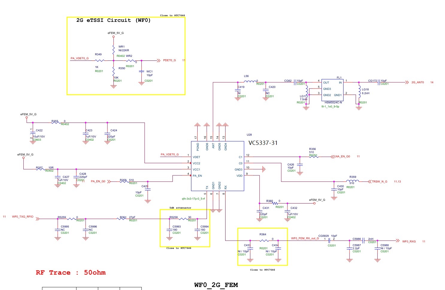
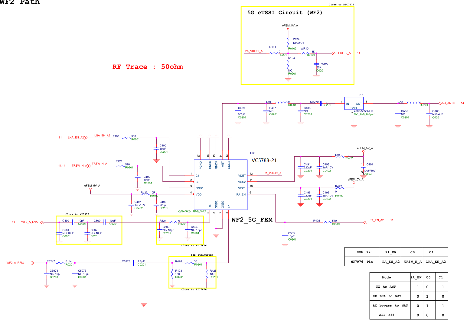
1. 2.4G的放大器选择VC5337-31,5G的放大器选择VC5788-21,双频双路支持802.11ax和MU-MIMO,支持二条空间流技术,2.4G提供最高574Mbps的接入速率,5G提供最高1201Mbps的接入速率。整机提供1.775Gbps的接入速率,千兆极速无线让性能不再成为瓶颈。
2. 设备支持AP和路由两种模式,既可以多台AP组网构成一个无线网络,也可以单台充当无线路由器独立使用。设备配置更灵活,应用功能更丰富,适用场景更广泛。
3. 放大器FEM原理图设计部分:
2.4G部分:

5G部分:

4. VC5337-31的TX性能参考:

VC5788-21的TX性能参考:

5. PCBA无源loadpull调试参考:
VC5337-31实际调试参考:

VC5788-21实际调试参考:

6. FAQ部分:
1.Q: 2.4G的无源匹配调试很难吗?
A:其实2.4G调试无源都是比较简单的,频宽不大;
2.Q:VC5788-21的AX80的输出功率能做多大?
A: VC5788-21在AX80_MCS11下,EVM-40db DEVM下,最大能出21.5dBm左右;
3.Q: 这颗5G放大器适合做哪些应用?
A: 例如无线接入点,PC卡,网关,物联网,客户终端设备等都可以;
4. Q: 5G的调试收敛是正中50R是最好的吗?
A: 这个不一定,一般是根据原厂提供的loadpull做参考,根据客户的输出功率和EVM可能会做微调;
5. Q: VC5788-21的TX放大倍数是多少?
A: 在5V供电,温度25°情况下,TX的放大倍数典型值31db。
►场景应用图

►产品实体图

►展示板照片

►方案方块图

►核心技术优势
1. 支持 802.11a/b/g/n/acWave1/Wave2/ax协议;
2. 支持IEEE 802.11ax、IEEE 802.11ac wave2、wave1、802.11a/b/g/n同时工作;
3. IEEE 802.11b/g/n/ax:2.4 GHz~2.4835 GHz; IEEE 802.11a/n/ac/ax:5.150 GHz~5.350 GHz,5.725 GHz~5.850GHz;
4. 2.4 GHz,2条流,2×2 MU-MIMO; 5 GHz,2条流,2×2 MU-MIMO;
5. OFDM:BPSK@6/9Mbps,QPSK@12/18Mbps,16QAM@24Mbps,64QAM@48/54Mbps; DSSS:DBPSK@1Mbps,DQPSK@2Mbps,and CCK@5.5/11Mbps; MIMO-OFDM:BPSK,QPSK,16QAM ,64QAM,256QAMand1024QAM。
►方案规格
1. 整机最大接入速率1775Mbps,双频千兆;
2. 支持AP与路由两种工作模式,支持二层漫游,支持一体化组网,支持APP管理;
3. 支持PoE供电和本地供电;
4. 支持PSK认证方式;
5. 支持WPA(TKIP)、WPA2(AES)、WPA-PSK数据加密;
6. 支持静态黑名单、支持静态白名单;
7. 支持静态IP地址、DHCP动态获取、PPPoE拨号; 8.平台自动射频调整。

156

被折叠的 条评论
为什么被折叠?



