NXP S32K312开发板试用体验第一篇
拿到开发板有快一个月了,按理说早应该发出第一篇帖子,不过这段时间过年,再加上摸索开发板代码时遇到了一些问题,将问题解决之后才发出第一篇帖子,我这篇帖子是以有一定ARM开发经验,但对S32K3系列以及Eclipse开发环境完全不熟悉的角度进行编写的。总的来说,开发S32K312开发板需要三个软件:S32DS开发环境(基于Eclipse开发环境,NXP公司自搭建GCC编译链),RTD驱动代码库,Segger JLINK烧录工具(因为S32K312芯片内核是ARM Cortex-M7,凡是ARM内核,均可用Segger JLINK烧录工具进行烧录。
1. 下载S32DS&RTD驱动代码库
S32DS开发环境下载地址:
https://nxp.flexnetoperations.com/control/frse/download?agree=Accept&element=6497301

RTD5.0驱动代码库下载地址:
https://nxp.flexnetoperations.com/control/frse/download?agree=Accept&element=6441901

![]()
安装RTD5.0库需要使用Help菜单的Install New Software页面进行:

RTD5.0库安装完毕后,可以通过新建工程的方式找到NXP原厂给S32K312开发板的例程:

但实际上这些例程在编译的时候会找不到源文件和头文件,我自己不熟悉Eclipse开发环境,所以只用作参考,不将例程烧录到开发板中。
2. 新建S32K312工程&烧录


新建工程选对MCU型号,是S32K312,RTD库选择最新的5.0,I/O支持选择不支持,GDB选项随意,反正我不通过Eclipse内部的烧录工具进行烧录。
初始化DIO和LPUART所用的引脚(PTB10为RGBLED的红色LED,PTC2 PTC3为LPUART0的收发引脚):

初始化DIO和LPUART模块:


LPUART模块要设置波特率,我这边设置的波特率为115200,数据位8,停止位1,无奇偶校验位。
设置完毕后更新源代码并在main.c文件中添加代码:
#include <stdio.h>
#include "Mcal.h"
#include "Clock_Ip.h"
#include "Siul2_Port_Ip.h"
#include "Siul2_Dio_Ip.h"
#include "Lpuart_Uart_Ip.h"
void Delay(uint32_t n)
{
static volatile uint32 DelayTimer = 0;
while (DelayTimer < n)
{
DelayTimer++;
}
DelayTimer=0;
}
int __io_putchar(int ch)
{
Lpuart_Uart_Ip_SyncSend(0 , (uint8_t *)&ch , 1 , 0xffff);
return (ch);
}
__attribute__((weak)) int _write(int file, char *ptr, int len)
{
int DataIdx;
for (DataIdx = 0; DataIdx < len; DataIdx++)
{
__io_putchar(*ptr++);
}
return len;
}
int main(void)
{
Clock_Ip_Init(&Clock_Ip_aClockConfig[0]);
Siul2_Port_Ip_Init(NUM_OF_CONFIGURED_PINS_PortContainer_0_BOARD_InitPeripherals , g_pin_mux_InitConfigArr_PortContainer_0_BOARD_InitPeripherals);
Lpuart_Uart_Ip_Init(0 , &Lpuart_Uart_Ip_xHwConfigPB_0);
printf("LPUART0.\n");
在Eclipse环境中覆写fputc标准输出函数,重载为LPUART0串口输出。
找到工程生成的ELF文件:

用Segger JLINK烧录工具打开:

将JLINK V9和电源接上开发板,micro USB接口连接电脑,按下F7进行烧录:


即可看到RGB灯的红灯被成功初始化,串口打印LPUART0:

3. ADC SAR模块
开发板上面有个蓝色电位器旋钮R78,对应的引脚是PTD4:

![]()
从对应关系可得知PTD4为ADCSAR模块的第19路输入,设置ADCSAR模块的第19路输入(映射43),数据位右对齐,14位数据:

设置完毕后更新源代码并在main.c文件中添加代码:
#include "Adc_Sar_Ip.h"
int main(void)
{
。。。
status = (StatusType) Adc_Sar_Ip_Init(ADCHWUNIT_0_INSTANCE , &AdcHwUnit_0);
while (status != E_OK);
for(Index = 0; Index <= 5; Index++)
{
status = (StatusType) Adc_Sar_Ip_DoCalibration(ADCHWUNIT_0_INSTANCE);
if(status == E_OK)
{
break;
}
}
。。。
while(1)
{
Adc_Sar_Ip_StartConversion(ADCHWUNIT_0_INSTANCE , ADC_SAR_IP_CONV_CHAIN_NORMAL);
while(!(Adc_Sar_Ip_GetStatusFlags(ADCHWUNIT_0_INSTANCE) & ADC_SAR_IP_NOTIF_FLAG_NORMAL_ENDCHAIN))
{
}
data = Adc_Sar_Ip_GetConvData(ADCHWUNIT_0_INSTANCE , 43);
Adc_Sar_Ip_ClearStatusFlags(ADCHWUNIT_0_INSTANCE , ADC_SAR_IP_NOTIF_FLAG_NORMAL_ENDCHAIN);
printf("data = %d.\n", data);
Siul2_Dio_Ip_WritePin(RGBLED_RED_PORT , RGBLED_RED_PIN , 1);
Delay(1000000);
Siul2_Dio_Ip_WritePin(RGBLED_RED_PORT , RGBLED_RED_PIN , 0);
Delay(1000000);
}
。。。
可在串口中看到对ADC引脚的读取数据打印:

由于是14位数据,因此最大值为16383,拧动旋钮,可看到数据变化。
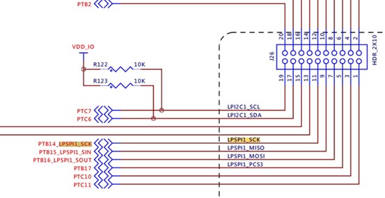
4. LPSPI模块


通过原理图可得知,LPSPI0和LPSPI1两组SPI接口分别接到了开发板J31和J26的两组母插孔上,在引脚界面对两组SPI接口的SCK SIN SOUT共计六个引脚进行初始化:
在LPSPI模块中,初始化两组SPIDriver和SPIGeneral,分别对应两组不同SPI接口,这两个SPI接口使用独立的设置,但是数据位都是8位,都是MSB:



并确保两组AIPS时钟都正常设置:

AIPS_PLAT时钟是LPSPI0用到,AIPS_SLOW时钟是LPSPI1~LPSPI3用到。
设置完毕后更新源代码并在main.c文件中添加代码:
#include "Lpspi_Ip.h"
#define LPSPI0_BUFFER_NUM 2
uint8_t lpspi0_tx_buffer[LPSPI0_BUFFER_NUM] = {0xaa , 0xab};
uint8_t lpspi0_rx_buffer[LPSPI0_BUFFER_NUM] = {0};
#define LPSPI1_BUFFER_NUM 2
uint8_t lpspi1_tx_buffer[LPSPI1_BUFFER_NUM] = {0xbb , 0xbc};
uint8_t lpspi1_rx_buffer[LPSPI1_BUFFER_NUM] = {0};
int main(void)
{
。。。
Lpspi_Ip_Init(&Lpspi_Ip_PhyUnitConfig_SpiPhyUnit_0_Instance_0);
printf("Lpspi_Ip_Init.\n");
Lpspi_Ip_SyncTransmit(
&Lpspi_Ip_PhyUnitConfig_SpiPhyUnit_0_Instance_0 ,
lpspi0_tx_buffer ,
lpspi0_rx_buffer ,
LPSPI0_BUFFER_NUM ,
0xffff
);
printf("lpspi0_rx_buffer = 0x%x 0x%x.\n" , lpspi0_rx_buffer[0] , lpspi0_rx_buffer[1]);
Lpspi_Ip_Init(&Lpspi_Ip_PhyUnitConfig_SpiPhyUnit_1_Instance_1);
printf("Lpspi_Ip_Init.\n");
Lpspi_Ip_SyncTransmit(
&Lpspi_Ip_PhyUnitConfig_SpiPhyUnit_1_Instance_1 ,
lpspi1_tx_buffer ,
lpspi1_rx_buffer ,
LPSPI1_BUFFER_NUM ,
0xffff
);
printf("lpspi1_rx_buffer = 0x%x 0x%x.\n" , lpspi1_rx_buffer[0] , lpspi1_rx_buffer[1]);
。。。
短接两组SPI接口的SIN和SOUT接口:

可在串口打印界面中看到SPI传输数据:

文章来自“S32K312 开发板评测活动”测评者:李明
欢迎在博文下方留言评论,我们会及时回复您的问题。

159

被折叠的 条评论
为什么被折叠?



