随着消费者对汽车驾乘舒适性与安全性要求的不断提高,多功能座椅市场呈现出快速增长态势。据市场研究机构数据显示,过去几年全球多功能座椅市场规模持续扩大,预计在未来数年内仍将保持较高的增长率。尤其是在新能源汽车领域,由于其对智能化配置的高度重视,多功能座椅作为提升产品竞争力的重要卖点,市场渗透率不断提升。在一些高端新能源车型中,几乎标配了具备多种调节、舒适与安全功能的座椅系统。而具备加热、通风、按摩等功能的座椅能够显著提升舒适性,成为消费者购车时的重要考虑因素。特别是在长途出行场景下,座椅的舒适功能可有效缓解疲劳,满足消费者对高品质出行的追求。越来越多的国家和地区出台了关于汽车安全与环保的法规政策。在安全方面,对座椅安全带预紧器、乘客检测等功能的要求不断提高,促使汽车厂商加大对多功能座椅安全功能的研发与应用;在环保方面,汽车节能减排的要求促使座椅系统向高效节能方向发展,英飞凌方案中的低功耗芯片与高效驱动技术契合了这一趋势。
方案简览:
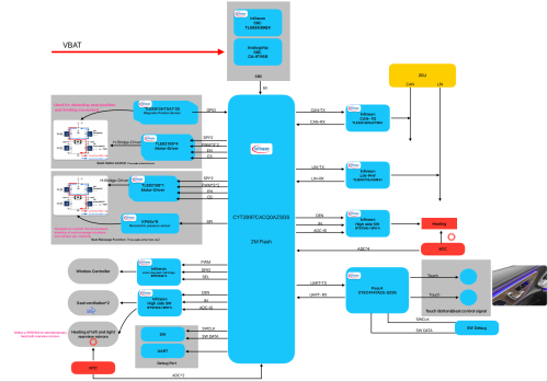
该方案采用英飞凌 TVII-B系列的CYT2B9芯片是整个方案的核心大脑,具备强大的运算能力与丰富的接口资源。其采用先进的制程工艺,在保证高性能的同时,有效降低了功耗,满足汽车对电子元器件高效节能的严苛要求。该芯片集成了多个功能模块,能够快速处理来自座椅各个传感器的信号,并精准控制执行机构,实现座椅功能的智能调节.搭配 TLE92108为座椅电机提供稳定、高效的驱动。驱动芯片集成了多个半桥驱动器,可灵活控制有刷直流电机的正反转与转速,适应座椅位置调节、按摩等不同功能对电机驱动的多样化需求。同时,芯片具备出色的过流、过热保护功能,确保在复杂工况下电机的可靠运行,延长电机使用寿命。方案中配备多种传感器如KP466&TLE4913HTSA1,以实现对座椅状态和乘客信息的精准感知。
通过 TVII-B 芯片与驱动芯片的协同工作,可实现座椅多维度的精准调节。支持前后、上下、靠背角度、头枕高度与角度等多种调节方式,满足不同身材乘客的个性化需求,并且搭配座椅按摩驱动部分,满足日益功能增多的座椅控制需求。英飞凌的智能高边开关BTS7040,用于控制座椅加热丝与通风风扇。TVII-B 芯片根据温度传感器反馈的信息,精确调节加热丝的电流与风扇的转速,实现座椅表面温度的快速调节与恒定保持。在寒冷天气,座椅能够迅速升温,为乘客带来温暖;炎热夏日,通风功能可有效驱散座椅表面的热量与湿气,保持乘坐干爽舒适。
►场景应用图

►展示板照片

►方案方块图

►核心技术优势
• 英飞凌在半导体领域的深厚技术积累,使其 TVII-B 方案具备领先的技术性能。芯片的高性能、低功耗特性,以及驱动芯片与传感器的协同优化,确保了座椅功能的高效、稳定实现。方案高度集成了多种功能芯片与模块,减少了外部元件的使用,有效节省了电路板空间,降低了系统成本与复杂度。英飞凌方案能够灵活支持不同配置等级的座椅,从基础的座椅调节功能到高端的全功能座椅,均可通过调整芯片组合与软件设置实现。无论是入门级车型还是豪华车型,都能找到适配的解决方案,为汽车厂商提供了广泛的选择空间,降低了研发与生产的复杂性。
• 优秀的品牌也为方案提供了稳定的保障,英飞凌产品以零缺陷质量保证著称,TLE92108驱动芯片具备多种诊断功能,如电机短路、开路检测等,能够及时发现并处理故障,确保座椅系统的可靠运行。在复杂的汽车使用环境中,可有效应对电磁干扰、温度变化等因素对座椅功能的影响。
►方案规格
• CYT2B9是 Infineon 推出的TRAVEO™ T2G 系列 32 位汽车 MCU,基于双 CPU 子系统(160-MHz Arm® Cortex®-M4F 和 100-MHz Arm® Cortex®-M0+),采用 40nm 工艺制造,主要面向车身控制单元等汽车系统。其核心特性包括:2112-KB 代码闪存 + 128-KB 工作闪存、256-KB SRAM,支持 Read-While-Write 和 FOTA;集成CAN FD(最高 8 Mbps)、LIN、CXPI等通信接口;具备加密引擎(AES、SHA 等)、安全启动等安全功能,满足 ASIL-B 功能安全要求;支持低功耗模式(Active 至 Hibernate),并提供多种封装(64-LQFP 至 176-LQFP),通过 AEC-Q100 认证。
• TLE92108-232QX 是一款多 MOSFET 驱动 IC,主要用于控制最多 16 个 N 沟道 MOSFET,集成 8 个半桥,具备自适应 MOSFET 栅极控制,可改善电磁辐射并降低 PWM 模式下的开关损耗;拥有 24 位 SPI 接口用于配置和诊断;集成两路可配置增益的电流检测放大器,支持高侧和低侧电流监测;具备漏源电压监测用于短路检测,还有过温警告与关断、超时 watchdog 等保护功能。
• KP464 是一款基于电容传感原理的 XENSIV™数字绝对压力传感器,压力测量范围 40 至 115 kPa,精度 ±1.0 kPa,工作温度 - 40°C 至 125°C,采用 4.5 mm x 5.1 mm 的 8 引脚 DFN 封装,支持 10/12/14 位分辨率的压力和温度数据通过 SPI 接口输出,具备低功耗掉电模式、集成信号路径诊断功能,适用于汽车气压、电池监控、工业控制等领域,符合 AEC-Q103 认证和 RoHS 标准。
• BTN7030-1EPA 是一款 NovalithIC™ Lite 智能集成半桥,采用 PG-TSDSO-14 封装,具备高低边开关配置,集成诊断与保护功能,如过温、过流、欠压、交叉电流保护,支持反向电流导通(InverseON),可通过 SPI 接口实现比例负载电流检测,适用于驱动最大电感 3mH 的电机和 solenoid,其在 25°C 时高边导通电阻 12mΩ、低边 20mΩ,符合 RoHS 标准并通过 AEC-Q100 认证。
• BTS7020-2EPA 是一款 PROFET™+2 12V 智能高边功率开关,采用 PG-TSDSO-14 封装,具备双 20mΩ 通道,支持电阻性、电感性和电容性负载,可替代机电继电器等元件;其集成诊断与保护功能,包括过温、过流、欠压、过压保护及反向电流导通(InverseON),在 25°C 时高边导通电阻 12.7mΩ,150°C 时 23.7mΩ,标称负载电流 5A,电流检测比 3700,符合 RoHS 标准并通过 AEC-Q100 认证。
220

被折叠的 条评论
为什么被折叠?



