NCV78514 是一款安森美半导体 (Onsemi) 汽车 LED 驱动器,采用 H 桥拓扑结构,整合同步降压和外部异步升压。此拓扑结构支援设计单一驱动器用于多个 LED 负载,最大功率为 20 W,最大电压为 60 V,最大电流为 1.5 A。它非常适合无 MCU 设置,并具备输入电压和温度Derating、诊断和错误处理以及衰减等智慧功能。
- NCV78514 功能特点:
- 支援无需 MCU 的应用
- 整合降额机制
- 固定开关频率 400 kHz
- 输入工作范围:5 V 至 21 V
- 低于 9 V 的热启动管理
- 可承受高达 45 V 的负载突降
- 输出电压范围高达 60 V
- 外部可程式电流 200 mA - 1500 mA
- 脉冲宽度调变:80 Hz 至 600 Hz
- LED 电流调光频率 400 Hz
- 外部 NTC / PTC 用于 LED 温度测量
- 扩频
- 状态和错误模式处理
- 符合 AEC-Q100 认证并支援 PPAP
- NCV78514典型应用
- 雾灯 Fog Lamp
- 方向灯 Cornering Light
- 标识投影 Logo Projection
- 标识照明 Logo Lighting
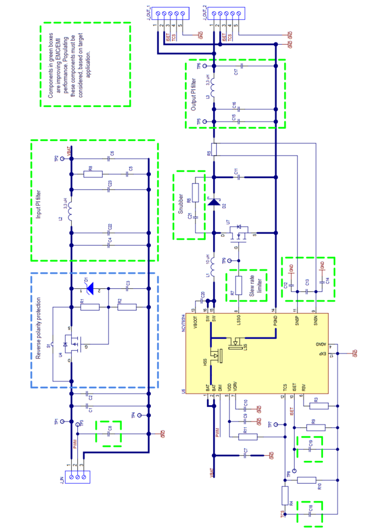
此评估板旨在展示 NCV78514 的功能。输入端受反极性保护,并连接输入 PI 型滤波器。电流随后流经 DC/DC 转换器和输出 PI 型滤波器。输出电流由连接到 ISET 引脚的电阻定义。NCV78514会持续监控该电阻,以确保良好的电气连接,并验证电流设定电阻是否正常运作。测量的电阻在工作期间必须保持稳定。在启动程序期间,将评估电阻,并计算相应的输出电流。输出电流也可以透过施加到 DIM 引脚的 PWM 讯号进行调整。NCV78514感测施加的 PWM 讯号并测量其Duty Cycle。输出电流以 400Hz 的频率进行十次脉冲宽度调整,Duty Cycle与输入 PWM 讯号相符。
电阻定义的电流设定了目标输出电流,当没有Derating机制启动时,该电流将会起作用。有三种Derating机制会影响输出电流:输入电压下降、积体电路过热、LED灯串过热。输出电流会降载至最大的Derating机制控制,这确保系统在各种条件下都能安全且有效率地运作。
LED模组的温度是透过放置在模组内部的NTC(负温度系数)热敏电阻来测量的。随著LED模组温度的变化,热敏电阻的阻值也会改变。将VCC电压施加在Pull-up电阻上,并将NTC热敏电阻连接在此Pull-up电阻和接地之间。随著NTC热敏电阻阻值的变化,其两端的压降也会改变。积体电路的ADC(类比数位转换器)可以感测到此压降,从而精确测量LED模组的温度。
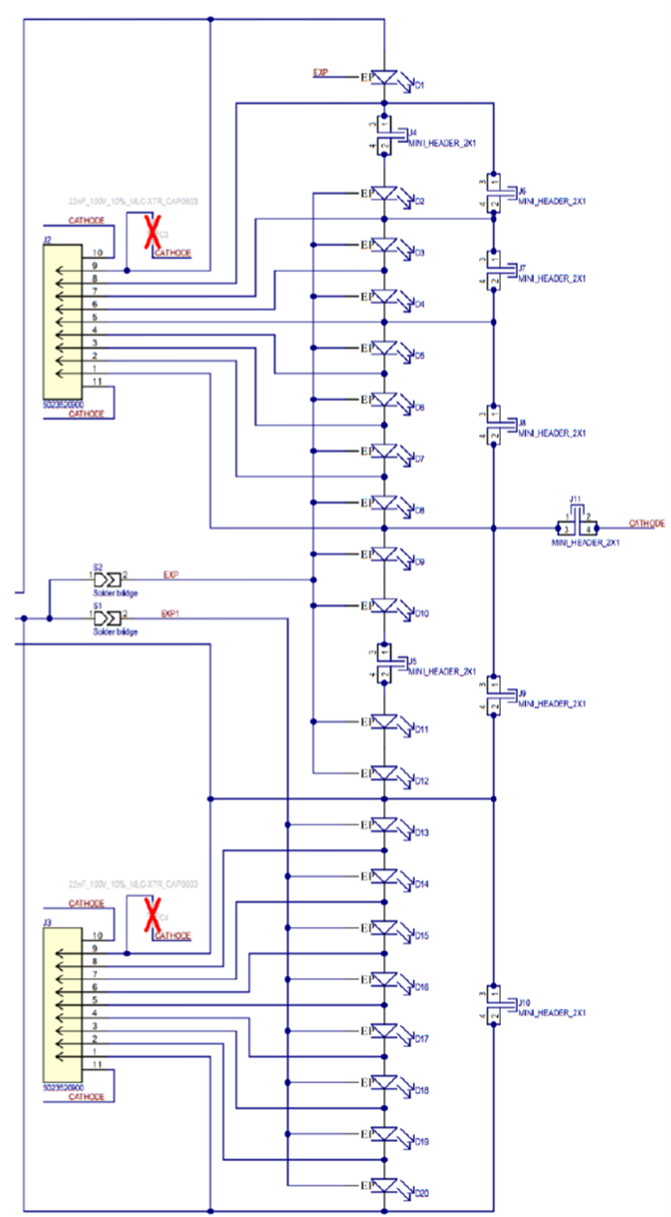
LED 模组 v2.0版功能描述:
LED 模组 v2.0 旨在模拟从 1 到 20 个 LED 的各种负载。透过短接特定的跳线,可以绕过 LED 灯串的某些部分,从而有效减少 LED点亮的数量。这允许灵活配置 LED 灯串长度。此模组可分成两个独立的灯串,LED D1-D8 和 LED D13-D20 由像素控制器单独控制。
LED 模组 v2.0 包含一个电流设定电阻 (R1) 和一个温度感应热敏电阻 (R2),NCV78514 使用它们在过热时调节 LED 灯串电流。这些电阻可以放置在评估套件 (EVK) 模组或 LED 模组上。但是,请确保不要将电阻和热敏电阻同时放置在 LED 模组和评估模组上。这些位置是重复的,以便驱动没有 ISET 和 TCS 元件位置的其他 LED 负载。
若要改变LED电流,请使用下面的公式 (1):

热敏电阻(NCG18XH103FOSRB)的测得电阻随温度的变化如下(2)

下表列出了热敏电阻 :

温度估算可以透过公式3来完成 :

安装说明:
- 小心打开评估套件的包装,确保所有组件齐全。套件包含带有香蕉插头的电线,用于连接实验室电源和 LED 负载模组。
- 找到套件中附带的香蕉插头的电线。
- 将香蕉插头连接到实验室电源的相应端子。
- 将电源设定为输出 12V 和 1A。
- 确保 LED 负载模组已依照提供的图表牢固地连接到评估板。
- 所有连接牢固后,打开电源。
故障排除:
- 检查 PWM 输入输出:
确保 PWM 输入已连线。如果未连接,则侦测到的占空比将为 0%,导致无输出
电流。透过耦合 PWM 和 VBAT 输入可以达到 100% 的占空比。
- 验证电压:
测量 ISET 引脚的电压。预期电压约为 1V。
测量 PTC 引脚的电压。此电压应高于 0.6 x VCC 才能正常运作。
- 检查连接:
检查所有连接,确保它们牢固且位置正确。
- 检查电源设定:
确认电源和香蕉插头已正确连接。
- 检查组件:
检查电流设定电阻 (R1) 和温度感测热敏电阻 (R2),确保它们运作正常,并且没
有同时安装在 LED 模组和评估模组上。
NCV78514 评估板模组如图一:

图一:NCV78514 评估板模组
电路图:

J_IN 连接器脚位定义:

J_OUT_1 & J_OUT_2 连接器脚位定义:

LED 模组v2.0如下图二:

图二:LED 模组v2.0
LED 模组v2.0 电路图:


图三:LED 模组v2.0电路图
J1 连接器脚位定义:

J2 & J3 连接器脚位定义:

LED 动作配置表:

►场景应用图

►产品实体图

►展示板照片

►方案方块图

►核心技术优势
NCV78514 功能特点:
1.支援无需 MCU 的应用
2.整合降额机制
3.固定开关频率 400 kHz
4.输入工作范围:5 V 至 21 V
5.低于 9 V 的热启动管理
6.可承受高达 45 V 的负载突降
7.输出电压范围高达 60 V
8.外部可程式电流 200 mA - 1500 mA
9.脉冲宽度调变:80 Hz 至 600 Hz
10.LED 电流调光频率 400 Hz
11.外部 NTC / PTC 用于 LED 温度测量
12.扩频 13.状态和错误模式处理
14.符合 AEC-Q100 认证并支援 PPAP
►方案规格
NCV78514 EVK的功能 :
1.输入端受反极性保护
2.输入 PI 型滤波器
3. DC/DC 转换器
4.输出 PI 型滤波器
5.Vout =+12V , Iout_max=1A (可调)
6. LED 电流调光频率 400 Hz
231

被折叠的 条评论
为什么被折叠?



