4. 机械臂电气接口
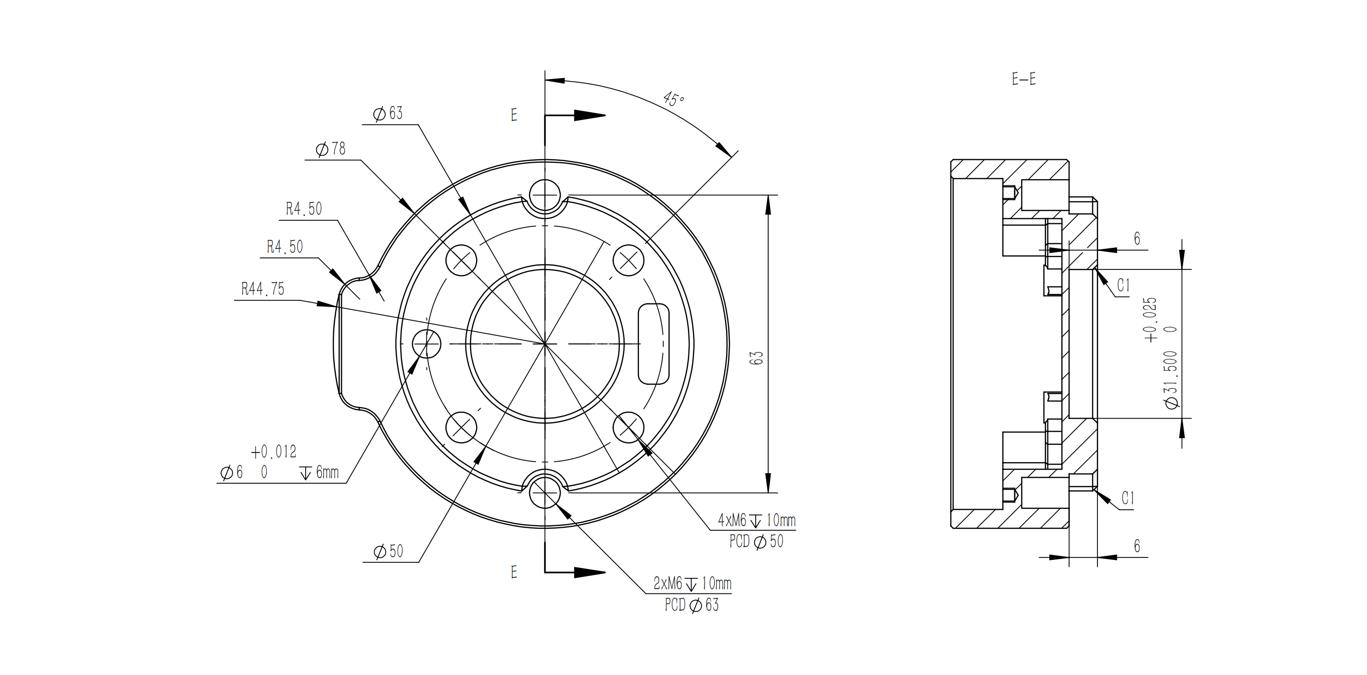
4.1 末端法兰
xArm机械臂末端工具法兰有6个 M6 螺纹孔和一个Ф6的定位孔,设计符合ISO 9409-1-50-4-M6标准。
如果您的机械臂末端工具法兰与下图不同,请联系技术支持并提供您的机械臂SN以获取相应版本的使用手册。
若您要安装的末端执行器没有定位孔,安装末端执行器的方向务必以文件形式存档,避免因为换人重新安装末端执行器时方向出现错误,导致运行结果完全出乎意料。


4.2 工具IO
在机械臂的工具端,有一个航空插座12 芯的母工业连接器,为特定机械臂工具上使用的夹持器和传感器提供电源和控制信号。请参见下图。

电缆内部的12条线有不同颜色,不同颜色代表不同功能,请参见下表:
| 线序 | 颜色 | 信号 | 线序 | 颜色 | 信号 |
|---|---|---|---|---|---|
| 1 | 棕 | +24V(电源) | 7 | 黑 |

最低0.47元/天 解锁文章
5441

被折叠的 条评论
为什么被折叠?



