✅作者简介:热爱科研的Matlab仿真开发者,擅长数据处理、建模仿真、程序设计、完整代码获取、论文复现及科研仿真。
🍎 往期回顾关注个人主页:Matlab科研工作室
🍊个人信条:格物致知,完整Matlab代码及仿真咨询内容私信。
🔥 内容介绍
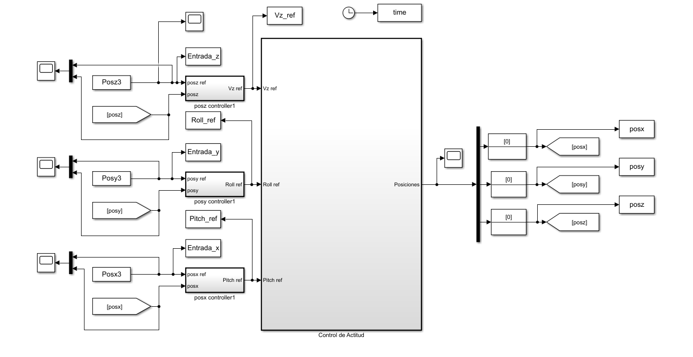
垂直起降双旋翼无人机凭借结构紧凑、操作灵活、能在狭小空间完成起降等优势,在低空侦察、物资运输、电力巡检等领域得到广泛应用。其飞行姿态和位置的精确控制是实现复杂任务的核心,而 PID 控制算法因结构简单、鲁棒性强、易于工程实现,成为该类无人机的主流控制方案。本文将围绕基于 PID 的垂直起降双旋翼无人机控制展开研究,从系统结构与控制需求、PID 控制策略设计、系统实现与参数整定到性能验证进行全面分析。
一、垂直起降双旋翼无人机系统结构与控制需求
(一)系统结构组成
垂直起降双旋翼无人机主要由机身框架、动力系统、传感器系统和控制系统四部分组成。
- 机身框架:采用对称式结构,两个旋翼分别安装在机身两侧,通过调节旋翼转速差实现偏航运动,共同调节转速总和实现升降运动。框架材料需兼具轻量化和高强度特性,如碳纤维复合材料,以减少自身重量对飞行性能的影响。
- 动力系统:包括无刷电机、螺旋桨和电子调速器(ESC)。无刷电机提供旋转动力,螺旋桨将电机的旋转运动转化为升力,电子调速器根据控制系统指令调节电机转速。例如,采用 KV 值为 1000 的无刷电机搭配 10 英寸螺旋桨,可提供足够的升力支持无人机负载。
- 传感器系统:用于获取无人机的飞行状态信息,主要包括:
- 惯性测量单元(IMU):由加速度计和陀螺仪组成,测量无人机的加速度和角速度,用于计算姿态角(俯仰角、横滚角、偏航角);
- 气压计:测量大气压力,换算得到飞行高度;
- GPS 模块:在室外环境下提供位置信息(经度、纬度);
- 超声波传感器或激光雷达:用于低空高度精确测量和避障。
- 控制系统:以微控制器(如 STM32、Arduino Mega)为核心,接收传感器数据,运行控制算法计算控制量,通过电子调速器控制电机转速,实现对无人机的稳定控制。
(二)控制需求分析
垂直起降双旋翼无人机的飞行过程包括起飞、悬停、姿态调整、位置移动和降落等阶段,不同阶段对控制性能的要求有所侧重:
- 稳定性:在悬停和巡航阶段,需保持无人机姿态稳定,姿态角偏差控制在 ±2° 以内,高度偏差控制在 ±0.1m 以内,防止无人机晃动或坠落。
- 快速响应性:在姿态调整和位置移动阶段,当接收到控制指令(如改变俯仰角、移动位置)时,无人机应能快速响应,例如从悬停状态到俯仰角达到 10° 的时间应小于 1s。
- 抗干扰能力:能抵御外界风扰、负载变化等干扰,如在 3 级风力作用下,仍能保持稳定悬停,位置偏移不超过 0.5m。
- 平滑性:控制过程中电机转速变化应平滑,避免剧烈波动,以减少机械磨损和能量消耗。
⛳️ 运行结果



📣 部分代码
🔗 参考文献
🎈 部分理论引用网络文献,若有侵权联系博主删除
👇 关注我领取海量matlab电子书和数学建模资料
🏆团队擅长辅导定制多种科研领域MATLAB仿真,助力科研梦:
🌈 各类智能优化算法改进及应用
生产调度、经济调度、装配线调度、充电优化、车间调度、发车优化、水库调度、三维装箱、物流选址、货位优化、公交排班优化、充电桩布局优化、车间布局优化、集装箱船配载优化、水泵组合优化、解医疗资源分配优化、设施布局优化、可视域基站和无人机选址优化、背包问题、 风电场布局、时隙分配优化、 最佳分布式发电单元分配、多阶段管道维修、 工厂-中心-需求点三级选址问题、 应急生活物质配送中心选址、 基站选址、 道路灯柱布置、 枢纽节点部署、 输电线路台风监测装置、 集装箱调度、 机组优化、 投资优化组合、云服务器组合优化、 天线线性阵列分布优化、CVRP问题、VRPPD问题、多中心VRP问题、多层网络的VRP问题、多中心多车型的VRP问题、 动态VRP问题、双层车辆路径规划(2E-VRP)、充电车辆路径规划(EVRP)、油电混合车辆路径规划、混合流水车间问题、 订单拆分调度问题、 公交车的调度排班优化问题、航班摆渡车辆调度问题、选址路径规划问题、港口调度、港口岸桥调度、停机位分配、机场航班调度、泄漏源定位
🌈 机器学习和深度学习时序、回归、分类、聚类和降维
2.1 bp时序、回归预测和分类
2.2 ENS声神经网络时序、回归预测和分类
2.3 SVM/CNN-SVM/LSSVM/RVM支持向量机系列时序、回归预测和分类
2.4 CNN|TCN|GCN卷积神经网络系列时序、回归预测和分类
2.5 ELM/KELM/RELM/DELM极限学习机系列时序、回归预测和分类
2.6 GRU/Bi-GRU/CNN-GRU/CNN-BiGRU门控神经网络时序、回归预测和分类
2.7 ELMAN递归神经网络时序、回归\预测和分类
2.8 LSTM/BiLSTM/CNN-LSTM/CNN-BiLSTM/长短记忆神经网络系列时序、回归预测和分类
2.9 RBF径向基神经网络时序、回归预测和分类
2.10 DBN深度置信网络时序、回归预测和分类
2.11 FNN模糊神经网络时序、回归预测
2.12 RF随机森林时序、回归预测和分类
2.13 BLS宽度学习时序、回归预测和分类
2.14 PNN脉冲神经网络分类
2.15 模糊小波神经网络预测和分类
2.16 时序、回归预测和分类
2.17 时序、回归预测预测和分类
2.18 XGBOOST集成学习时序、回归预测预测和分类
2.19 Transform各类组合时序、回归预测预测和分类
方向涵盖风电预测、光伏预测、电池寿命预测、辐射源识别、交通流预测、负荷预测、股价预测、PM2.5浓度预测、电池健康状态预测、用电量预测、水体光学参数反演、NLOS信号识别、地铁停车精准预测、变压器故障诊断
🌈图像处理方面
图像识别、图像分割、图像检测、图像隐藏、图像配准、图像拼接、图像融合、图像增强、图像压缩感知
🌈 路径规划方面
旅行商问题(TSP)、车辆路径问题(VRP、MVRP、CVRP、VRPTW等)、无人机三维路径规划、无人机协同、无人机编队、机器人路径规划、栅格地图路径规划、多式联运运输问题、 充电车辆路径规划(EVRP)、 双层车辆路径规划(2E-VRP)、 油电混合车辆路径规划、 船舶航迹规划、 全路径规划规划、 仓储巡逻
🌈 无人机应用方面
无人机路径规划、无人机控制、无人机编队、无人机协同、无人机任务分配、无人机安全通信轨迹在线优化、车辆协同无人机路径规划
🌈 通信方面
传感器部署优化、通信协议优化、路由优化、目标定位优化、Dv-Hop定位优化、Leach协议优化、WSN覆盖优化、组播优化、RSSI定位优化、水声通信、通信上传下载分配
🌈 信号处理方面
信号识别、信号加密、信号去噪、信号增强、雷达信号处理、信号水印嵌入提取、肌电信号、脑电信号、信号配时优化、心电信号、DOA估计、编码译码、变分模态分解、管道泄漏、滤波器、数字信号处理+传输+分析+去噪、数字信号调制、误码率、信号估计、DTMF、信号检测
🌈电力系统方面
微电网优化、无功优化、配电网重构、储能配置、有序充电、MPPT优化、家庭用电、电/冷/热负荷预测、电力设备故障诊断、电池管理系统(BMS)SOC/SOH估算(粒子滤波/卡尔曼滤波)、 多目标优化在电力系统调度中的应用、光伏MPPT控制算法改进(扰动观察法/电导增量法)
🌈 元胞自动机方面
交通流 人群疏散 病毒扩散 晶体生长 金属腐蚀
🌈 雷达方面
卡尔曼滤波跟踪、航迹关联、航迹融合、SOC估计、阵列优化、NLOS识别
🌈 车间调度
零等待流水车间调度问题NWFSP 、 置换流水车间调度问题PFSP、 混合流水车间调度问题HFSP 、零空闲流水车间调度问题NIFSP、分布式置换流水车间调度问题 DPFSP、阻塞流水车间调度问题BFSP
👇
基于PID的双旋翼无人机控制研究
361

被折叠的 条评论
为什么被折叠?



