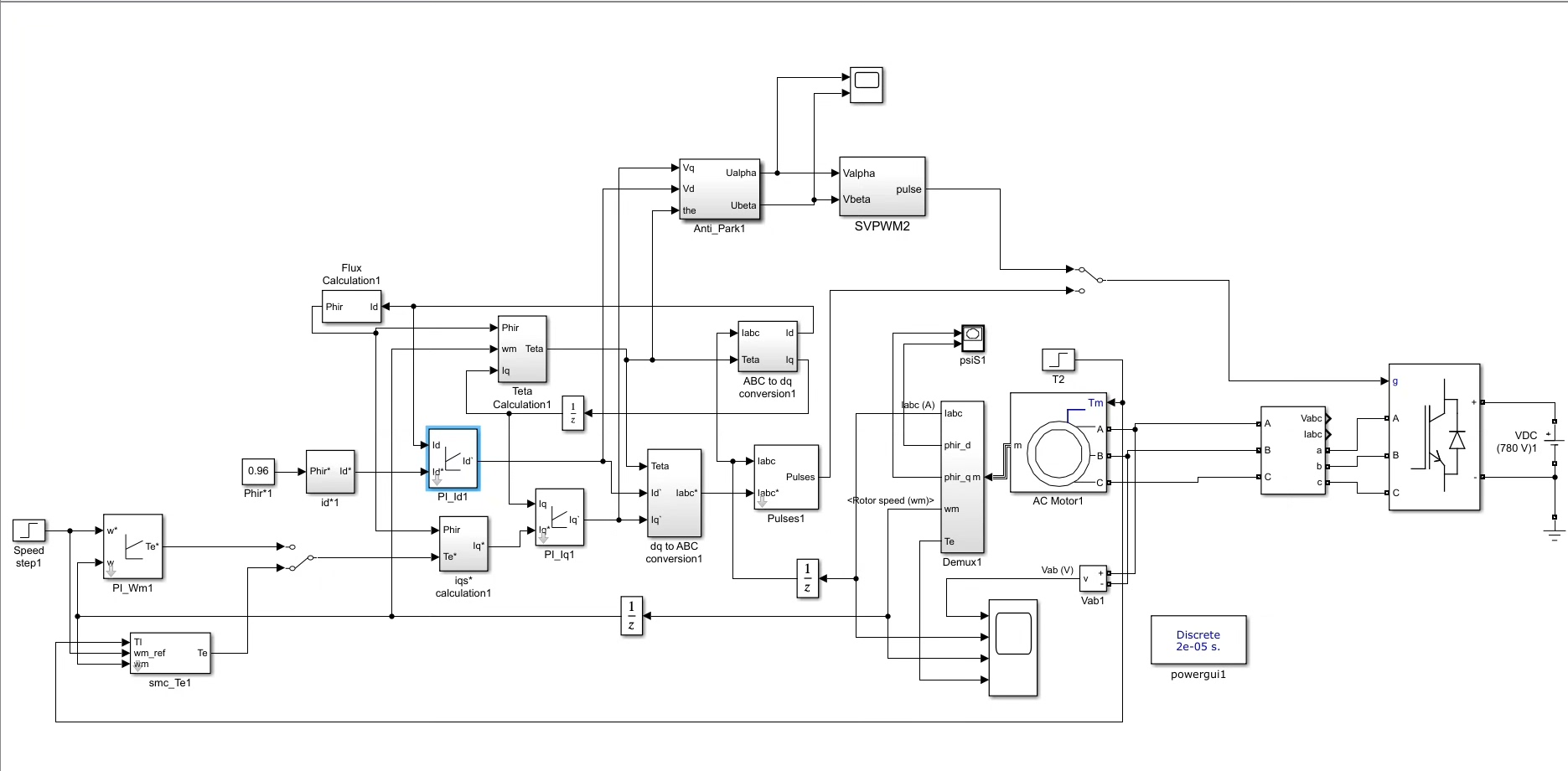
基于svpwm的dtc异步电机滑模外环控制。 异步电机直接转矩控制。
最近在研究异步电机控制方面的内容,发现了一种基于SVPWM的DTC异步电机滑模外环控制方法,感觉还挺有意思的,来和大家分享一下😃。
异步电机直接转矩控制(DTC)
异步电机直接转矩控制是一种很经典的控制策略。它直接控制电机的转矩和磁链,通过对逆变器开关状态的实时调整,使得电机能够快速响应给定的转矩指令。简单来说,就是根据电机的转矩和磁链偏差,直接决定逆变器的开关状态,从而实现对电机转矩的快速控制。
在DTC中,转矩和磁链的计算是关键。通常会利用电机的数学模型来计算,这里涉及到一些电机的参数,比如定子电阻、电感等。下面简单写个计算转矩的小代码示例(以简化的模型为例):
% 假设已知的电机参数
Rs = 1; % 定子电阻
Ld = 0.1; % 定子直轴电感
Lq = 0.1; % 定子交轴电感
Psi_s_alpha = 1; % 定子磁链alpha轴分量
Psi_s_beta = 1; % 定子磁链beta轴分量
% 计算转矩
Te = 1.5 * (Ld - Lq) * Psi_s_alpha * Psi_s_beta / Ld;
disp(['计算得到的转矩为:', num2str(Te)]);
这段代码就是根据简化的公式来计算异步电机的转矩。通过已知的定子磁链分量和电机参数,按照公式算出转矩值。这里只是简单示意,实际应用中的模型会更复杂精确。
基于SVPWM的改进
传统的DTC虽然简单直接,但存在一些问题,比如转矩脉动较大等。基于SVPWM的改进就应运而生啦。SVPWM(空间矢量脉宽调制)可以有效提高直流母线电压的利用率,减少谐波含量,改善电机的运行性能。

在基于SVPWM的DTC中,首先要根据电机的磁链和转矩偏差确定空间电压矢量。然后通过SVPWM算法来生成逆变器的开关信号。这就需要对空间电压矢量进行复杂的计算和调制。
给个简单的SVPWM基本原理的代码片段(伪代码形式),帮助理解:
# 假设已经计算得到空间电压矢量的幅值和角度
V_ref = 10; # 参考电压矢量幅值
theta_ref = 30; # 参考电压矢量角度
# SVPWM基本原理计算
sector = get_sector(theta_ref); # 根据角度确定所在扇区
T1, T2, T0 = calculate_time(V_ref, sector); # 计算扇区时间
# 这里就可以根据计算得到的T1, T2, T0来生成逆变器的开关信号啦
# 例如通过控制逆变器开关管的导通时间来实现
这里的代码示意了根据参考电压矢量的幅值和角度,利用SVPWM原理计算出在不同扇区的时间分配,从而为生成逆变器开关信号做准备。实际的代码实现会涉及到更多细节和对硬件的控制。
滑模外环控制
滑模控制是一种鲁棒控制方法,将其应用到基于SVPWM的DTC异步电机控制中作为外环控制,可以进一步提高系统的鲁棒性和动态性能。
滑模控制的核心思想就是设计一个滑模面,让系统状态沿着这个滑模面趋近于平衡点。通过设计合适的控制律,使得系统在滑模面上快速滑动到平衡点,从而有效抑制外部干扰和参数变化的影响。

这里简单描述下滑模控制律的设计思路(不涉及具体代码实现啦😜):
假设定义一个滑模面函数 s(x),其中 x 是系统状态变量。根据滑模控制理论,控制律一般设计为 u = -K sign(s),其中 K 是一个正定矩阵,sign(s) 是符号函数。通过调整 K 的值,可以控制系统状态在滑模面上的滑动速度和稳定性。
基于SVPWM的DTC异步电机滑模外环控制,结合了SVPWM的优点和滑模控制的鲁棒性,能够让异步电机在各种工况下都有更好的运行表现。希望这篇分享能让大家对这种控制方法有个初步的了解😄。

#异步电机 #直接转矩控制 #SVPWM #滑模控制
333

被折叠的 条评论
为什么被折叠?



