【全文大纲】 : https://blog.youkuaiyun.com/Engineer_LU/article/details/135149485
1 . 概要
1 . 运放主要作用是放大输入信号,但也可用于比较信号,其实内部原理是比较
2 . 以下内容作者以极简风格,尽量通俗易懂描述
2 . 常用运放类型
2 . 1反相比例运放
-
顾名思义就是信号从反相端进入,如图所示

-
计算公式 : V o = − V i R f R 1 Vo = -Vi\frac {Rf} {R1} Vo=−ViR1Rf
-
图中的R2为了平衡输入,为什么要平衡,因为运放始终希望共摸输入阻抗一致(R2串在正相端,图未标)
2 . 2正相比例运放
- 顾名思义就是信号从正相端进入,如图所示

- 计算公式 : V o = V i ∗ R f R 1 + V i Vo = Vi*\frac{Rf}{R1} +Vi Vo=Vi∗R1Rf+Vi
- 图中的Ri也是为了平衡输入,为什么要平衡,因为运放始终希望共摸输入阻抗一致
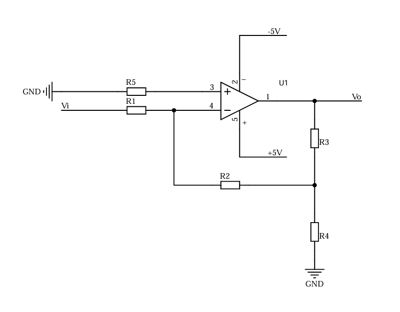
2 . 3反相比例运放扩展
-
以下方式比标准反向运放多了R4,作用是通过无需加大R2R3的阻值,通过引入R4常规阻值即可放大较大倍数

-
计算公式 : V o = − ( R 2 + R 3 R 1 + R 2 ∗ R 3 R 1 ∗ R 4 ) Vo = -(\frac {R2+R3} {R1} +\frac{R2*R3}{R1*R4}) Vo=−(R1R2+R3+R1∗R4R2∗R3), 前半部分是常规反向放大倍数,后半部分是通过R4引入的放大倍数,假设输入端电压大于输出端电压来推导
-
推导过程 :
- V i R 1 = − V m R 2 , − V m R 2 + − V m R 4 = V m − V o R 3 \frac{Vi}{R1}=\frac{-Vm}{R2},\frac{-Vm}{R2}+\frac{-Vm}{R4}=\frac{Vm-Vo}{R3} R1Vi=R2−Vm,R2−Vm+R4−Vm=R3Vm−Vo
- V m = R 2 R 4 R 2 R 3 + R 3 R 4 + R 2 R 4 V o V_m=\frac{R2R4}{R2R3+R3R4+R2R4}V_o Vm=R2R3+R3R4+R2R4R2R4Vo
- V i = − R 1 ( R 2 + R 3 + R 4 ) R 2 R 3 V o V_i=-\frac{R1(R2+R3+R4)}{R2R3}V_o Vi=−R2R3R1(R2+R3+R4)Vo
- V o = − ( R 2 R 3 R 1 R 2 + R 2 R 3 R 1 R 3 + R 2 R 3 R 1 R 4 ) V i Vo = -(\frac {R2R3} {R1R2} +\frac {R2R3} {R1R3}+\frac {R2R3} {R1R4})V_i Vo=−(R1R2R2R3+R1R3R2R3+R1R4R2R3)Vi
- V o = − ( R 2 + R 3 R 1 + R 2 ∗ R 3 R 1 ∗ R 4 ) V i Vo = -(\frac {R2+R3} {R1} +\frac{R2*R3}{R1*R4})V_i Vo=−(R1R2+R3+R1∗R4R2∗R3)Vi
-
其实可以想象若R4为无穷大,不就是标准反向放大吗,那若R4无限接近0,那也就是接近满放大倍数,因此R4越小放大倍数越大
-
电路理解,根据基尔霍夫定律(KCL)流过R2的电流+流过R4的电流等于流过R3的电流,若流过R4的电流比较大,那流过R3的电流也比较大, R = U I R=\frac U I R=IU,R是定值,I增大,那U也势必增大来维持定律,总而言之就是你前面支路流了多大电流,那我后端肯定也是这么多电流,如果不过就继续加压,加压后除电阻得出的电流维持,那这里抛出疑问【Q】如果加压也达不到这个电流呢? 【A】那没办法,只能加到运放上限电压,溢出部分的电阻其实是在回路中的阻抗(元器件阻值或IC内部内阻),从而维持基尔霍夫定律(KCL),最终运放正负端电压维持一致,输出则稳定输出,其实就是引入R4得出电位Vm,而这个分压点(0-Vm)相对(Vi-0)是倍数缩放关系,因此通过R2与R1比值来放大Vm电压,而Vm与Vo有上述步骤二关系,因此通过以上关系得出Vi与Vo关系。
3 . 运放解释
虚短虚断其实是一个等似的思维去看待,但实际并不是,假设存在负反馈回路,虚短是因为运放最终会根据输出平衡正相和反相输入的电位,虚断是因为运放输入阻抗非常大,电流直接从输入流到输出,或者输出流到输入,几乎不流入运放内部
为什么运放能放大,这里抛出一个 “控制概念” ,只要正相输入电压 > 反相输入电压,那么输出电压就会从0逐步上升到运放供电电压,由于输出连回了输入负端,那么负端输入电压就会被抬高,直到与正相输入电压平衡,此时输出就稳定了,那么这个过程中,输出电压相当于一开始从0上升到稳定的电压,这个电压就是“被放大的电压”,那从哪个环节放大的?答案是反馈回路的电阻与输入电阻之比,通过改变抬高输入电压的比例从而控制输出。
4 . 小结
内容秉承简约风格描述,谢谢观看。
技术交流QQ群 : 745662457
群内专注问题答疑,项目外包,技术研究
527

被折叠的 条评论
为什么被折叠?



