一、方案描述
大联大世平集团针对便携式储能的电池保护系统,推出基于晶丰明源(BPS)的 MCU-LKS32MC453 和杰华特(JOULWATT)的 AFE-JW3376 和高边驱动-JW3330 驱动方案。使用 SPI 接口实现 MCU 和 AFE 的通讯。NMOS 采用芯迈(Silicon Magic)的 SDN10N3P5B-AA 和 SDN10K018S2C。并配备一个纳芯微压力传感器 NSPGS2。此方案具有被动均衡、充放电控制、温度采集、高边保护等功能,支持:过压/欠压保护、高/低温保护、断路保护、过流保护等保护机制。

硬件设计说明:
1. 主控
BPS 的 LKS32MC453 MCU, 192MHz 32位CortexM4F 内核,具有丰富的 DSP指令,硬件浮点运算单元。内置高达 256KB 的 Flash 存储器,支持加密保护,最大 40KB 的 SRAM。集成了高性能模拟器件、多种 I/O 端口和丰富的外设。内置 12MHz 高精度 RC 时钟和低速 32kHz 低速时钟,可外挂 12~24MHz 外部晶振,内部 PLL 可提供最高 192MHz 主频。
- 256KB Flash,40KB SRAMB。
- 包含 3 路 14Bit SAR ADC,2 Msps 采样及转换速率。
- 包含 2 路 12bit DAC 数模转换器。
- 3 个通用 16 位 Timer、2 个通用 32 位 Timer、1 个 24bit systick 定时器。
- 2 个 I2C 接口、2 个 SPI 接口、1 路 CAN 接口和 3 路 UART 接口
- 1 路独立 DMA 引擎, 共 8 个通道, 支持 8、16、32bit 传输
- ADC 自检模块,支持开路短路检查
- 1 个 CRC 模块
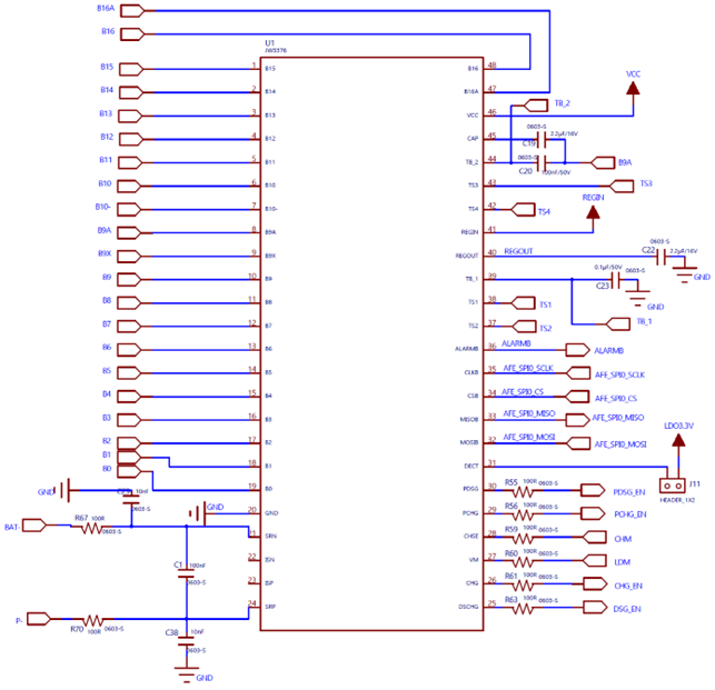
2. AFE-JW3376
JW3376: 是一种 16S 电池组模拟前端 IC,主要有以下功能:
- 一个 14 位 ADC 对电池电压和温度进行采样,精度为 ±7mV,范围:3-4.3V。
- 16 位 ADC 采样充电/放电电流。
- 4 通道热敏感测,精度 ±1℃。
- 电池过压/欠压和温度保护。
- 11-16 串电池,被动均衡。
- 充电/放电过流保护、放电短路保护。
- 可靠的 SPI 通信。
- 3V LDO 输出用于外部应用。
- 外部保护 N-MOS 高驱动能力:12mA/86mA。
- 集成预充电/放电功能。
- 封装:TSSOP48。
3. JW3330
JW3330: 是一款低功耗、100V 高边 N 沟道 MOSFET 驱动控制 IC。通过切断高压侧开关来断开电源,可以避免类似低边保护时断开系统接地线的问题发生,增强 BMS 系统的稳定性和可靠性。JW3330 可与模拟前端芯片配合使用,可以对充电和放电 FET 进行单独控制。
- 输入电压范围 2V-90V。
- 充电和放电高侧 NMOSFET 驱动器。
- 预充和预放电高压侧 NMOS FET 驱动器(仅限 TSSOP16)。
- 独立数字启用充电、放电、预充电、预放电控制。
- 外围设备少。
- 静态功耗: -正常模式:60μA typ。
-空闲模式:12.5μA typ。
- 高侧负载检测和充电器检测逻辑(仅限 TSSOP16)。
- 可直接与 AFE 一起使用。
- 封装:TSSOP16/SOP8(本方案用的是 TSSOP16)。
4. N-MOSFET
充放电开关控制部分,方案的开关管 N-MOSFET 采用芯迈的 SDN10K018S2C 来做预充电、预放电,该 MOS 管的漏源电压(VDS)能够达到 100V,其连续漏电流(Id)可达 45A。当 VGS = 10V 时,RDS 为 18mΩ 。采用芯迈的 SDN10N3P5B-AA 来做充电、放电控制。该 MOS 管的漏源电压(VDS)能够达到 100V,其连续漏电流(Id)可达 120A。当 VGS = 10V 时,RDS 为 3.5mΩ 。
5. DC-DC
DC-DC 部分,方案采用杰华特的 JWH5140F 来对 BAT+ 的电压进行降压处理,使 DC-DC 输出 5V 。JWH5140F 的特点如下:
- 工作输入范围为 6V 至 100V。
- 拥有 6A 输出电流,且内部具备软启动功能。
- 可调节开关频率。
- 在轻载下的强制连续导通模式(FCCM)。
- 支持短路保护。
- 支持高温保护。
- 封装:DFN4X-4-8。
6. LDO
LDO 部分,方案采用杰华特的 JW7806 来对 DC-DC 的输出电压进行再一步的降压处理使 LDO 输出 3.3V 。JW7806 的特点如下:
- 输入电压范围:2V-5.5V。
- 输出电压范围:2V-4.5V。
- 输出电压精度:±2%。
- 输出电流:300mA。
- 低压差:120mV(典型值)。
- 电源抑制比(PSRR):82dB@1kHz。
- 无需噪声旁路电容器。
- 低输出电压噪声:12 uVRMS。
- 限流保护。
- 过温保护。
- 工作温度范围:-40℃-125℃。
- 封装:SOT23-5。
7. NSPGS2
压力检测部分,方案采用纳芯微的 NSPGS2 ,NSPGS2 系列设计用于操作压力范围为 -100kPa 至 350kPa,其特点如下:
- 0°C 至 60°C 范围内优于 ±1.5%(模拟)。
- -40°C 至 70°C 范围内优于 ±2.5%(模拟)。
- 0°C 至 60°C 范围内优于 ±1%(数字)。
- -40°C 至 70°C 范围内优于 ±2%(数字)。
- 温度范围大:-40°C ~70°C。
- 比率/绝对模拟输出。
- 24 位 I2C。
- 带空气喷嘴的 SOP 封装,易于组装。
方案原理图:
1.MCU

2.压力检测

3.JW3376

4.JW3330

5.温度检测接口电路

6.电源


7.充放电控制

8.均衡电路

PCB Layout:
TOP Layer:

BOTTOM Layer:

软件设计说明:
PES-BMS 方案的软件架构如下图所示,包含驱动层、中间层和应用层。
驱动层:是 MCU 的底层驱动,直接与硬件交互,控制和管理 MCU 的硬件资源。主要负责初始化、配置和管理硬件资源。PES-BMS 方案涉及到的外设包括:GPIO、SPI、UART、TIMER、ADC、FLASH、IWDG、AON 等。
中间层:在 MCU 软件架构中扮演着重要的角色,它为上层应用提供必要的服务和功能接口,处理应用程序与硬件之间的通信。同时隔离系统软件与底层硬件的直接交互,从而简化了硬件的复杂性。包括 AFE 和 JW3376 驱动、TIMER 中断处理、Flash 的存取、LED 的开关、与 PD 面板通讯相关的串口处理等等。
应用层:包括对 AFE 的管理和控制、充放电控制、电池异常状态的处理、SOC/SOH、用户界面(PD Panel)相关通讯协议、低功耗管理等等,确保系统与 PES-BMS 应用相关的功能正常运行。

二、参考文献
[1] LKS32MC45x_DS_v1.54
[2] JW3376_Datasheet_R0.8_EN_20231009
[3] JW3330_Datasheet_R0.8_EN_20231016
[4] DS_SDN10N3P5B-AA
[5] DS_SDN10K018S2C_EN_Rev1.1_20210722
[6] JW7806_Datasheet_R0.1_EN_20230727
[7] JWH5140&JWH5140F_Datasheet_R0.23_EN_20230613
[8] 压力传感器_NSPGS2_Series_DatasheetRev2.8_EN
欢迎点击此处在该方案下方留言评论,我们会及时回复您的问题。
如有更多需求,欢迎联系大联大世平集团 ATU 部门:atu.sh@wpi-group.com 作者:小梨
►场景应用图

►展示板照片

►方案方块图

►核心技术优势
1. 支持 11 ~ 16 串三元锂电池、磷酸铁锂电池
2. 电池电压采样 ADC 的精度为 14 位,测量范围在 2.3V 到 4.3V 之间测量,准确度为 ± 5mV
3. 充放电电流 ADC 的精度为 16 位,准确度: ±75µV@(-100mV~100mV), ±300µV@(-160mV~160mV)
4. 支持:被动均衡、过压/欠压保护、高/低温保护、断路保护、过流保护
5. 高边保护开关
6. 支持 SOC、SOH
►方案规格
1. 支持 11 ~ 16 串三元锂电池、磷酸铁锂电池
2. 电池电压采样 ADC 的精度为 14 位,测量范围在 2.3V 到 4.3V 之间测量,准确度为 ± 5mV
3. 温度采样 ADC 的精度为 14 位,准确度为 ± 1℃
4. 充放电电流 ADC 的精度为 16 位,准确度: ±75µV@(-100mV~100mV), ±300µV@(-160mV~160mV)
5. 支持:被动均衡、过压/欠压保护、高/低温保护、断路保护、过流保护
6. 高边保护开关 7. 支持 SOC、SOH
8. 支持串口通讯
9. 开发板尺寸 : 125 * 87 mm
223

被折叠的 条评论
为什么被折叠?



