AR0544属于onsemi的Hyperlux LP产品系列,是一款1/4.2英寸背照式(BSI)堆叠CMOS数字图像传感器,具有2592 x 1944有源像素阵列。这种先进的传感器捕捉图像在线性或增强动态范围(eDR)模式,滚动快门读出。AR0544的架构和设计旨在以极低的功耗提供高质量的性能。它由onsemi的1.4 μm BSI像素支持,在低光和近红外波长下具有出色的性能。AR0544的特点是在边缘提供了一个强大的数据捕获设备,可以通过几个选项进行编程,以非常低的功耗提供最佳带宽。
应用场景:
- 视频会议设备
- 网络摄像头
- 可视门铃
- 机器视觉
- 零售店内摄像头
- 随身相机
- 3D立体相机
►场景应用图

onsemi-Hyperlux-LP-AR0544-Product-Overview-Jan2024-Distribution
►展示板照片


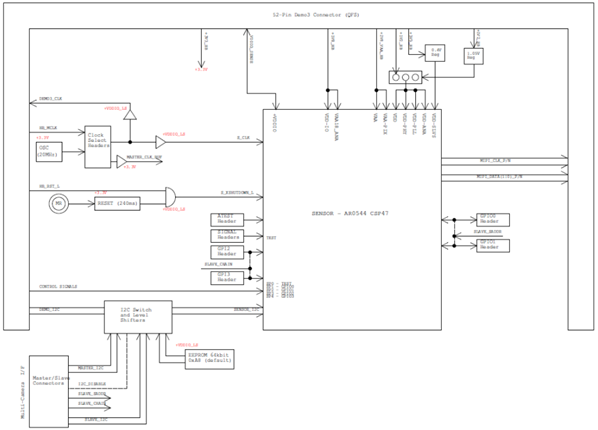
►方案方块图

►核心技术优势
5 MP CMOS传感器采用先进的1.4 μm像素堆叠BSI技术
在850 nm和940 nm波长增强近红外响应
LI-HDR:支持线交错T1/T2读出,使能HDR处理在ISP芯片
增强动态范围(eDR)
超低功耗模式运动唤醒(WOM)/运动检测
子采样模式:Skipping,Binning,Summing
数据接口:2通道MIPI D – PHY
Bit-深度压缩可用于MIPI接口
各种触发模式多传感器同步
电子滚动快门(ERS)和全局复位释放(GRR)模式支持
2360字节一次性可编程存储器(OTPM)用于存储阴影校正系数和模块信息
可编程控制:增益,水平和垂直消隐,帧大小/速率,曝光,窗口大小
片上温度传感器
简单的两线快速模式+串行接口
片上镜头阴影校正
►方案规格
1. 光学尺寸 : 1/4.2英寸
2. 像素 : 1.4µm
3. 分辨率: 2592 (H) x 1944 (V)
4. 帧率 : Full Size-Linear Mode@60fps
5. Color Filter Array (CFA) : RGB,Mono
6. 输出界面 : 2-lane MIPI using D-PHY @;Max datarate:1.72Gbps/lane
7. 功耗 : 158 mW (Full Resolution, 60 fps)
8. Chief ray angle (CRA) : 11 & 33 degree
福利专区:
【签到有礼】2024/12/16~12/22 一起来学习打卡吧! - 大大通(简体站)
截止12月22日完成签到活动即可有机会获得积木一份 !

159

被折叠的 条评论
为什么被折叠?



