上一章节我们了解完无感 FOC 的整个流程和原理,我们都知道,要想估算出转字的实际转速和角度,我们就必须要先要采集三相电流 IA、IB、IC,再通过 Clark 变化、Park 变化和反 Park 变换,那么这一节我将带大家了解如何进行三相电流采样。
相电流的采样在 FOC 控制算法中是一个非常关键的环节,鉴于成本和易用性,目前应用较多的就是分流电阻采样,常见的就是单电阻、双电阻和三电阻采样。
一、单电阻采样

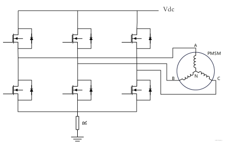
图 1 单电阻采样电路图
单电阻采样的原理就是根据通过测量直流母线的瞬时电流来重构电机的相电流。其中R为串联在母线中的采样电阻,如上图所示。
至于怎么重构单相电流,可以通过基尔霍夫定律得出:
![]()
图 2 基尔霍夫定律公式
看公式可知,我们需要知道同一时刻的其中两相电流才能得出三相电流,这个采样电阻 R 真的可以在同一时刻采集到两个相位的电流值吗?
在图 1 中看到有六个开关元件,通过 SVPWM 调制的方法,上下管也不可2同时导通,这六个开关元件可以有 8 种开关状态的组合,让我们定义上桥臂的开关管导通时为“1”,关断时为“0”,这样可以得出六组基本非零矢量 V001、V010、V011、V100、V101、V110 和两组零矢量 V000、V111,我们可以将六个非零电压矢量划分成六个扇区,如下图所示,在零矢量的作用下,母线上采样电阻无电流流过。

图 3 基础矢量与矢量圆
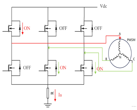
我们以扇区 1 的 V100 和 V110 为例,规定从电机绕组电流流入的方向为正,从绕组电流流出的方向为负。
当在矢量 V100 作用下时,A 相的上管导通,B 相、C 相的下管导通,电流的流向如图 3 所示,电流从 A 相流入,从 B 相和 C相流出,此时母线电流的测量值 I = IA;

图 4 V100 状态下的电流流向
当在矢量 V110 作用下时,A 相、B 相的上管导通,C 相的下管导通,电流的流向如图 4 所示,电流从 A 相、B 相流入,从B 相和 C相流出,此时母线电流的测量值 I = -IC;

图 5 V110 状态下电流流向
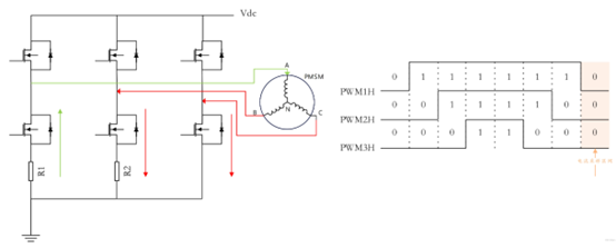
我们把矢量放入载波周期图中观看,我们在浅蓝色区域可以采集到 C 相的电流,在浅橙色区域可以采集到 A 相的电流,如果载波周期足够短的话,我们可以近似地认为这是同一时刻下分别流过 C 相和 A 相的电流,从而重构出 B 相的电流。

图 6 扇区 1 单电阻采样时刻

我们知道电感有续流的特性,流过它的电流不能突变,那么当我们的电感值足够大,载波周期足够小时,我们就可以把这一个载波周期内,两次不同开关状态下检测到的两相的电流,近似看成同一时刻这两相的电流值。从而根据基尔霍夫定律重构出这一时刻的三相电流。
二、双电阻采样
双电阻采样相电流方法是在全桥逆变电路的任意两个下桥臂分别串联一个采样电阻,从采样电阻R1、R2两端采集电压信号,

图 7 双电阻采样电路图
采样时刻的分析过程与单电阻采样类似,首先分析8个基础矢量下流过各个采样电阻的电流;最终确定采样时刻为矢量V000作用时进行采样,此时三相上桥臂截止的时刻,此时相电流通过二极管进行续流,通过采样续流电流可以得到真实的相电流。

图 8 V000 状态下电流流向
采集到其中两相电流后,通过计算得到全部的相电流信息,从而实现三相电流的重构。
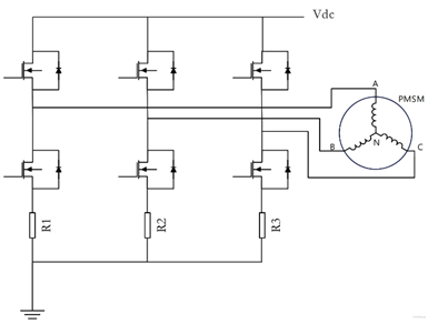
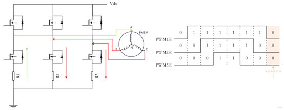
三、三电阻采样
三电阻采样相电流方法是在全桥逆变电路的三个下桥臂分别串联一个采样电阻,从采样电阻R1、R2、R3两端采集电压信号,经后端放大、采集和计算后得到相电流的大小,三路采样如下图所示:

图 8 三电阻采样电路图
三电阻采样的时刻与双电阻采样时刻一样,为矢量V000作用时进行采样,此时三相上桥臂截止的时刻,此时相电流通过二极管进行续流,通过采样续流电流可以得到真实的相电流。

图 9 三电阻采样分析
本章就为大家介绍 FOC 算法中电流采样常见的三种方法:单电阻采样、双电阻采样、三电阻采样,下章将为大家介绍 Clark 变换、Park 变化和反 Clark 变化这些变换的作用是什么。
234





