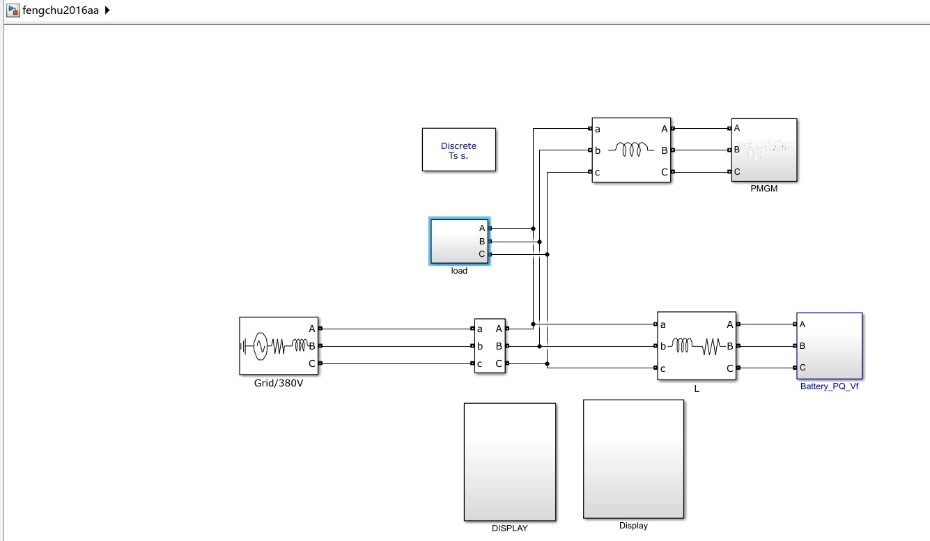
风储直流微电网母线电压控制 永磁风机储能并网 风机采用双闭环控制MPPT 储能控制母线电压平衡
在当今能源转型的大背景下,风储直流微电网因其高效、灵活等特性,逐渐成为研究热点。其中母线电压的稳定控制对于整个微电网的可靠运行至关重要。今天咱们就来唠唠风储直流微电网母线电压控制里永磁风机储能并网的那些事儿。
永磁风机的双闭环控制MPPT
永磁风机在风储直流微电网中负责将风能转化为电能。为了最大限度地捕获风能,常采用最大功率点跟踪(MPPT)技术。这里采用双闭环控制的MPPT,即电流内环和功率外环。

先来看代码实现(以Python语言简单示意功率外环部分,实际应用中会复杂得多且可能使用不同编程语言和平台):
# 定义一些初始参数
rated_power = 1000 # 风机额定功率,单位kW
wind_speed = 8 # 当前风速,单位m/s
# 假设这里有一个通过风速计算理论最大功率的函数
def calculate_max_power(wind_speed):
# 简单的线性关系示例,实际需更精确模型
return 0.5 * wind_speed ** 3
# 功率外环控制
while True:
max_power = calculate_max_power(wind_speed)
# 这里可以添加与实际功率的差值计算,根据差值调整风机控制参数
# 简单示例,假设差值大于10kW就调整
if abs(max_power - current_power) > 10:
# 调整风机桨距角等控制参数以追踪最大功率
adjust_control_parameters()
在上述代码里,calculatemaxpower 函数根据风速计算理论上可以捕获的最大功率。在功率外环的循环中,不断计算最大功率,并与当前风机输出功率(这里假设已经获取到 currentpower,实际需从传感器或测量电路获取)对比。一旦差值超过设定阈值,就调用 adjustcontrol_parameters 函数调整风机控制参数,这里的控制参数比如桨距角,通过改变桨距角可以改变风机捕获风能的效率,从而追踪最大功率点。
电流内环则主要负责快速跟踪功率外环给出的电流指令,确保风机输出电流快速响应功率需求变化,维持系统稳定运行。这里不展开代码赘述,但要知道它就像一个快速反应部队,实时听从功率外环指挥,保证风机高效运行。
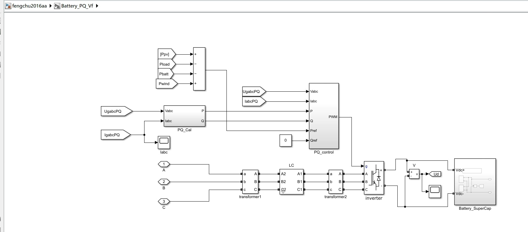
储能控制母线电压平衡
储能系统在风储直流微电网中扮演着至关重要的角色,特别是在维持母线电压平衡方面。当风机输出功率波动或者负载变化导致母线电压偏离额定值时,储能系统就得迅速响应。

以锂电池储能系统为例,简单用Python代码示意其充放电控制逻辑(同样是简化示例):
# 定义母线电压额定值和阈值
rated_voltage = 380 # 母线额定电压,单位V
upper_threshold = 390
lower_threshold = 370
# 假设已经获取到当前母线电压
current_voltage = 385
# 储能充放电控制
if current_voltage > upper_threshold:
# 母线电压过高,储能充电
charge_storage()
elif current_voltage < lower_threshold:
# 母线电压过低,储能放电
discharge_storage()
在这段代码中,首先定义了母线电压的额定值以及上下阈值。当获取到当前母线电压后,程序进行判断。如果当前母线电压高于上阈值,说明母线电压过高,此时调用 chargestorage 函数让储能系统充电,吸收多余电能,从而降低母线电压;反之,若当前母线电压低于下阈值,表明母线电压过低,调用 dischargestorage 函数使储能系统放电,向母线注入电能,提升母线电压。
通过永磁风机的双闭环控制MPPT高效捕获风能以及储能系统精准地控制母线电压平衡,风储直流微电网能够更加稳定、可靠地运行,为未来分布式能源的广泛应用提供坚实保障。希望通过今天的分享,大家对风储直流微电网母线电压控制有了更清晰的认识,咱们一起期待这个领域更多的技术突破与创新!

1014

被折叠的 条评论
为什么被折叠?



