基于S7-1200 PLC全自动工业洗衣机控制系统 带解释的梯形图接线图原理图图纸,io分配,组态画面

在工业自动化领域,基于S7 - 1200 PLC构建的全自动工业洗衣机控制系统有着广泛应用。今天咱就来深入剖析下这个系统里关键的梯形图、接线图、原理图、IO分配以及组态画面。
一、梯形图
梯形图是PLC编程中常用的一种图形化编程语言,它以类似于继电器控制电路图的形式来表达逻辑。就好比咱们给洗衣机设定一系列“动作流程”。
// 简单示例,启动按钮I0.0控制电机Q0.0运行
Network 1:
LD I0.0
= Q0.0
在这段代码里,“LD I0.0”表示加载输入点I0.0的状态,也就是启动按钮的状态。当启动按钮按下,I0.0接通,逻辑状态为“1”。“ = Q0.0”就是把这个逻辑状态赋值给输出点Q0.0,从而控制电机运行。实际的洗衣机梯形图会更复杂,比如还要考虑水位检测、洗涤时间控制等逻辑。例如:
// 水位检测控制进水
Network 2:
LD I0.1 // 低水位检测开关I0.1
O Q0.1 // 进水阀Q0.1当前状态
AN I0.2 // 高水位检测开关I0.2,取反,水位没到高水位才继续进水
= Q0.1
这里,当低水位检测开关I0.1检测到水位低,同时高水位检测开关I0.2没检测到高水位时,进水阀Q0.1就会打开进水。“O Q0.1”的作用是当进水阀已经打开,即便低水位开关瞬间断开一下(比如水流波动造成的误判),进水阀也能保持打开状态,直到高水位开关触发。
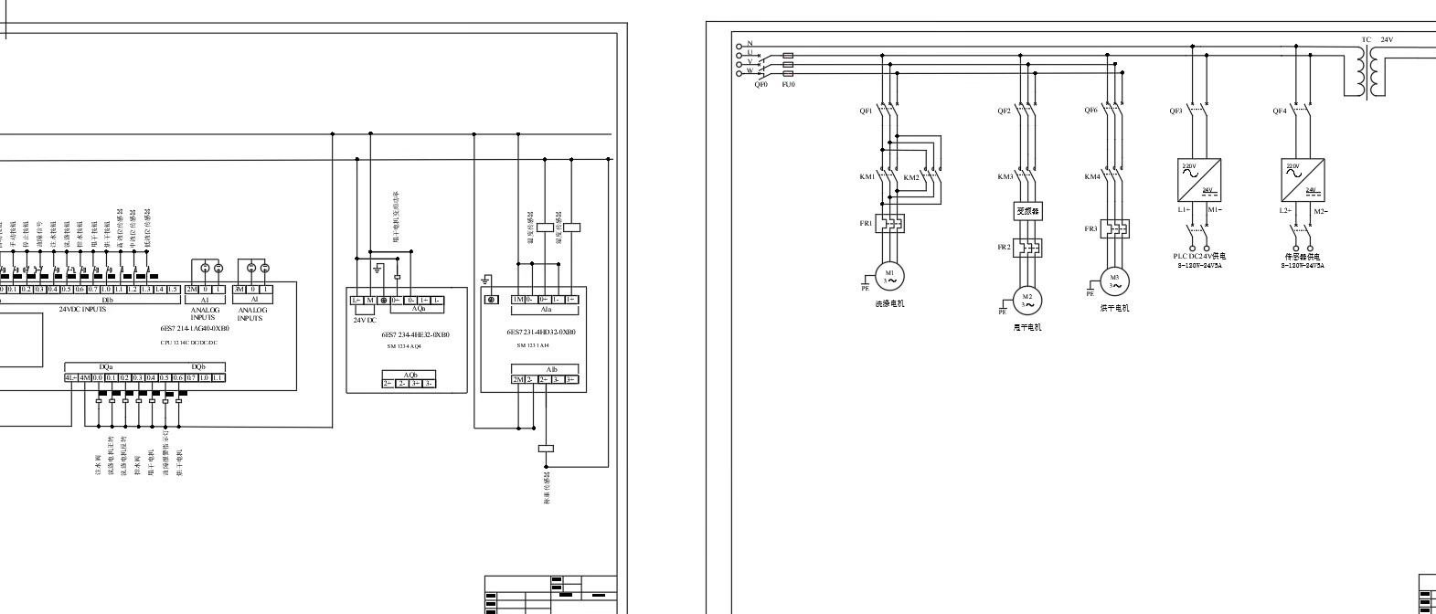
二、接线图与原理图
接线图和原理图是实现控制系统硬件连接的关键图纸。接线图详细标注了各个设备与PLC之间的物理连接关系,而原理图则侧重于展示电路的工作原理。

以洗衣机为例,PLC的输入侧会连接各种传感器,像水位传感器、门开关传感器等。水位传感器可能采用类似浮球式的,当水位变化,浮球位置改变,就会触发传感器内部触点动作,将信号传递给PLC的输入点。接线时,要把水位传感器的信号线正确连接到PLC对应的输入端子上。

输出侧连接执行机构,比如电机、进水阀、排水阀等。电机可能是三相异步电机,PLC通过控制接触器来驱动电机运转。在原理图中,会清晰展示电源如何给各个设备供电,以及信号如何在电路中传递。例如,当PLC输出控制信号给进水阀的继电器,继电器线圈得电,触点闭合,从而接通进水阀的电源,让水流入洗衣机。
三、IO分配
IO分配就是给PLC的输入输出点分配实际的物理意义。在全自动工业洗衣机里,常见的IO分配如下:
| 输入点(I) | 功能描述 |
|---|---|
| I0.0 | 启动按钮 |
| I0.1 | 低水位检测 |
| I0.2 | 高水位检测 |
| I0.3 | 门关闭检测 |
| I0.4 | 停止按钮 |
| 输出点(Q) | 功能描述 |
|---|---|
| Q0.0 | 电机运行控制 |
| Q0.1 | 进水阀控制 |
| Q0.2 | 排水阀控制 |
| Q0.3 | 报警指示灯控制 |
这种分配就像是给PLC各个“手脚”安排了明确任务,输入点负责收集外部信号,输出点根据程序逻辑去控制设备动作。
四、组态画面
组态画面是操作人员与PLC控制系统交互的窗口。通过组态软件,我们可以创建直观的操作界面。在全自动工业洗衣机的组态画面上,会有启动、停止按钮的图形化表示,操作人员点击画面上的按钮,就如同按下实际的按钮一样控制洗衣机运行。

还会实时显示水位信息,通过动态液位图形象展示水位高低。比如设置一个水位条,水位上升时,水位条颜色填充比例增加。另外,洗涤时间、剩余时间等参数也能在画面上实时显示。而且,当出现故障时,报警信息会以醒目的文字或颜色变化展示在画面上,方便操作人员快速定位和处理问题。
通过对梯形图、接线图原理图、IO分配和组态画面的精心设计和配合,基于S7 - 1200 PLC的全自动工业洗衣机控制系统就能高效、稳定地运行,实现工业洗衣过程的自动化,提高生产效率和产品质量。
7760

被折叠的 条评论
为什么被折叠?



