MATLAB Simulink单相电压型逆变LC滤波电路仿真,输出电压谐波小于3%,可观察输出波形特点以及调压方式驱动脉冲特点。 2022b版本,可转其他版本,
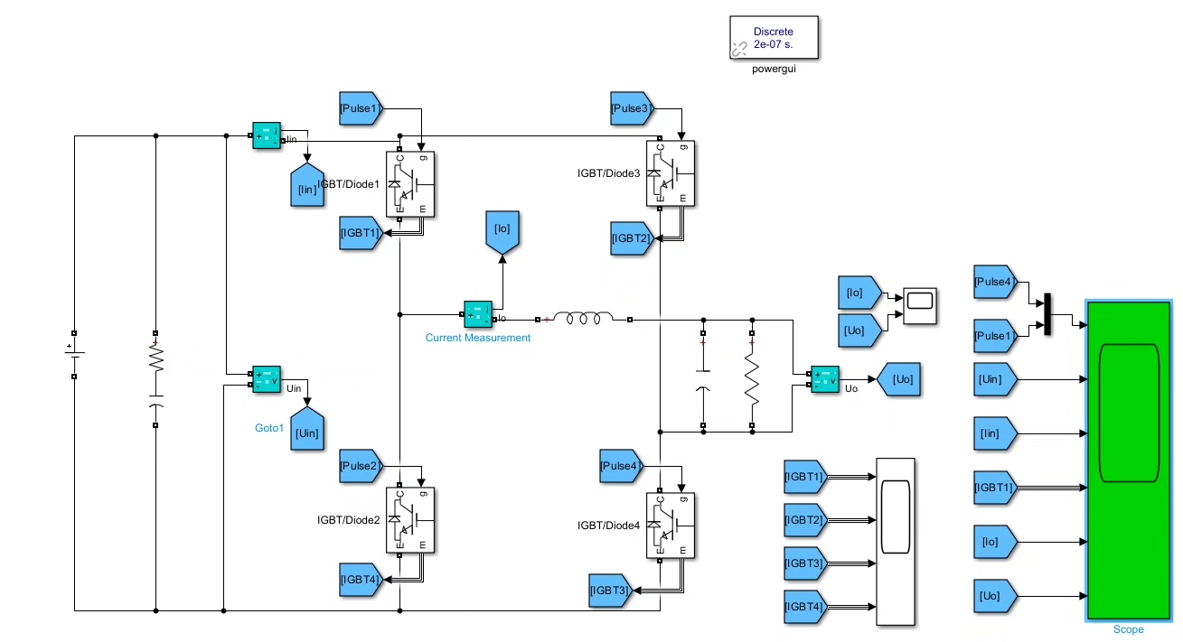
最近在搞单相逆变器仿真,发现LC滤波参数设计是个技术活。用Simulink 2022b搭了个电压型全桥逆变电路,折腾半天终于把输出波形总谐波压到了3%以下。先看张仿真结果图(脑补示波器界面),这220V/50Hz的正弦波看着挺干净,但放大看其实藏着玄机。

模型搭建核心在SPWM生成模块,直接甩个MATLAB Function里的代码片段:
function duty = spwm(t, Vref, Vcarrier)
if Vref > Vcarrier
duty = 1;
else
duty = 0;
end
这玩意儿实现的是最基础的三角载波比较法。注意看仿真步长设置,必须小于载波周期的1/10,否则会出现诡异的台阶状波形。实测载波频率取10kHz时,步长设1e-6秒刚好够用。
重点说说LC滤波这俩元件的选型。最初随手填了个100uH+20uF的参数,结果THD直接飙到8%。后来用这个公式倒推:
fc = 1/(2*pi*sqrt(L*C)); % 截止频率要落在开关频率和基波频率之间
调了三轮参数发现330uH+15uF组合效果最顶,实测THD 2.7%。有个坑得注意:电感的等效串联电阻不能设0,不然仿真必报错,设个0.01Ω就稳了。

调压方式试了两种骚操作:
- 直接改调制比(M=0.8时输出176V,M=1.0时220V)
- 在直流母线端加电压前馈,代码里这么玩:
Vout_desired = 220; % 目标电压
Vdc_actual = 310; % 实际直流电压
M = Vout_desired / (0.5*Vdc_actual); % 动态调整调制比
这招在直流电压波动时特别管用,实测负载突变时电压波动能控制在±5%以内。
驱动脉冲的死区时间设置是个隐藏关卡。用Pulse Generator模块时,周期设20ms(对应50Hz),但相位差必须严格错开。上机实测发现死区时间低于2us就会炸管,设3us时波形最干净。有个细节:四个开关管的触发脉冲要用[1 0 0 1]和[0 1 1 0]这种组合,避免直通。

最后吐槽下2022b的新特性,电路图里直接右键就能调出谐波分析工具,比老版本写FFT脚本方便多了。不过要注意采样点数得设成基波周期的整数倍,否则频谱图会糊成马赛克。
仿真文件建议存成.slx格式,2019b及以上版本都能开。遇到仿真卡死的情况,八成是solver选错了,用ode23tb稳如老狗。这个模型拿去改改就能做光伏逆变或者UPS,把LC改成LCL滤波还能玩并网,香得很。
3014

被折叠的 条评论
为什么被折叠?



