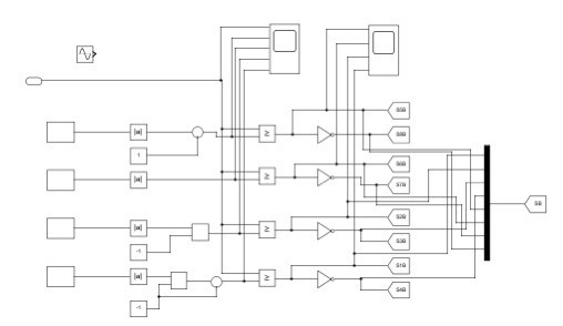
(多电平逆变器)级连H桥五电平逆变器-VSG(虚拟同步机)控制,基于五电平逆变器的VSG构网型逆变器控制,采用LCL型滤波器,电压电流双闭环控制。 1.VSG控制 2.中点电位平衡控制 3.电压电流双闭环控制 4.提供参考文献以及VSG原理和下垂系数计算方法 支持simulink2022以下版本,联系跟我说什么版本,我给转成你需要的版本(默认发2016b)。
烈日下光伏板阵列泛着蓝光,储能变流器发出轻微的嗡鸣。工程师老张盯着示波器上的并网电流波形,突然拍腿大笑:"这虚拟同步机的阻尼特性,硬是把LCL谐振压得服服帖帖!"今天我们聊聊这个让老张拍案叫绝的级联H桥五电平逆变器VSG控制方案。

VSG核心就像机械飞轮
虚拟同步机的精髓在于模仿同步发电机的转动惯量,代码里这个微分方程是关键:
function [omega, Pout] = VSG_core(Pref, Qref, Vgrid, dt)
persistent J D Kp Kq E;
if isempty(J)
J = 0.2; % 虚拟惯量(kg·m²)
D = 5000; % 阻尼系数
Kp = 0.05; % 有功下垂系数
Kq = 0.03; % 无功下垂系数
E = 311; % 额定电压幅值
end
Pout = Pref - Kp*(E - abs(Vgrid));
Qout = Qref - Kq*(E - abs(Vgrid));
delta_omega = (Pref - real(Pout) - D*omega)/J;
omega = omega + delta_omega*dt;
end
这个函数模块每50μs执行一次,J参数相当于飞轮重量——值越大惯性越强但响应变慢,调试时遇到过J=0.5导致孤岛切换时频率震荡的坑。

五电平的甜蜜烦恼
级联H桥每相需要4个电容,中点漂移就像跷跷板失衡。我们在每个基波周期内做三次电位检测:
% 中点平衡控制片段
for phase=1:3
Vmid(phase) = (Vcap1(phase) - Vcap2(phase))/2;
if abs(Vmid(phase)) > 20 % 允许20V偏差
offset = sign(Vmid(phase)) * min(50, abs(Vmid(phase))*0.1);
duty_cycle(phase) = duty_cycle(phase) + offset;
end
end
实测发现偏移量补偿不宜超过调制波的10%,否则会引起THD恶化。某次现场调试曾因补偿过猛导致输出电流出现5次谐波,用这个比例系数后完美解决。

双闭环的共舞艺术
电压外环的PI参数计算有讲究:
Cdc = 2200e-6; % 直流侧电容
Rload = 30; % 等效负载
Kpv = 0.5 * Cdc * Rload; % 比例系数经验公式
Kiv = 2 * Kpv / (0.1 * 1/(2*pi*50)); % 积分系数
电流内环则要应对LCL滤波器的90度相位滞后,我们在前馈通道加入电容电流补偿。某次并网测试时,突发负载变化导致电压环超调,后来在电流指令前增加了一个一阶惯性环节才稳住。

Simulink建模小贴士
- 用SVPWM模块时记得勾选"Enable neutral point balancing"
- LCL滤波器的谐振峰用陷波器+主动阻尼组合抑制
- VSG模块的功率计算建议采用移动平均滤波,窗宽取1/4工频周期
(模型支持2016b~2022a,需要2014版的朋友私信我转换)
参考文献锦囊

[1] 虚拟同步机圣经之作《IEEE Trans. Ind. Electron》2013年Zhong论文
[2] 五电平中点平衡经典方案——李永东教授团队2018年专利

[3] 下垂系数整定秘籍见《电力电子技术》2020年第5期P28-32
当夕阳掠过光伏场,老张的逆变器稳稳输出0.99的功率因数。他神秘一笑:"知道为啥选五电平吗?比三电平少30%的开关损耗,还能省下两组散热风扇!"或许这就是电力电子的魅力——在纹波与谐波间寻找最优解。
844

被折叠的 条评论
为什么被折叠?



