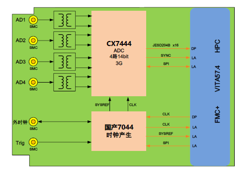
全国产FMC/FMC+ 4 通道3G 14 位AD 采集子卡(100%国产率),基于VITA57.4 标准规范的JESD204B 接口全国产化FMC/FMC+子卡模块,该模块可以实现4 路14bit、3GSPSADC 采集功能。该ADC 与FPGA 的主机接口通过16 通道的高速串行收发器。
该板卡主要面向通信与无线基础设施、雷达、宽频带通信、毫米波通信、自动测试设备等应用。


技术指标
ADC 性能指标(城芯CX7444):
JESD204B(子类1)编码数字输出,最高支持15Gbps/lane;
1.5W总功耗(3GSPS 采样率);
SNR;58.1dBFS@900MHz,-5dBFS amplitude;
SFDR:72.6dBFS@900MHz,-5dBFS amplitude;
集成输入buffer,采集范围10M~6G;
内含 4 个集成宽带数字处理器:48bit NCO;
混合JESD204B Lane 配置,支持8lane 和16lane 使用;
时钟与触发
高性能时钟发生器:国产7044;
支持10MHz TCXO 晶振,支持外时钟输入;
支持1 路输入/输出触发信号,LVTTL(3.3V)电平标准;
支持同步输入/输出;
物理与电气特征
板卡尺寸:84.1 x 69mm;
典型功耗:6W;
供电:+12V;
散热方式:导冷散热;
环境特征
工作温度:-40°~﹢85°C;
存储温度:-55°~﹢125°C;
工作湿度:5%~95%,非凝结;
软件支持
软件开发demo:
支持 Xilinx 开发板移植;
支持在标准FMC/FMC+接口的载板上进行程序移植;
可根据客户需求提供集成服务;
应用范围
雷达无线电;
宽带信号产生;
通信应用;
&spm=1001.2101.3001.5002&articleId=150853777&d=1&t=3&u=fec09addcdb44344972d2f5dbb53d9f7)
562

被折叠的 条评论
为什么被折叠?



