1. 简介

G2100C-P核心板是由银尔达(yinerda)推出的工业级的单串口DTU 。小巧、稳定、可靠。适合设备控制,状态检测,传感器数据采集等通过4G网络与服务器通讯的场景。
特性如下:
1) 支持5~36V供电;
2) 工作环境为-35℃-75℃;
3) 支持外部独立硬件看门狗,不死机;
4) 支持1路TTL串口;
5) 支持独立定位模块ATGM336H-5NR32(GPS+北斗)或ATGM336H-6N22(单北斗);
6) 支持基站定位/WIFI定位(大陆);
7) 支持AGNSS辅助定位,加快定位速度;
8) 支持1路ADC,采集供电电压;
9) 支持银尔达DTU透传固件,支持TCP、UDP、MQTT、HTTP、Websocket,阿里云IOT 、腾讯IOT、OneNet,华为IOT,电信云,涂鸦云、ThingsCloud等平台;
10) 支持标签logo定制服务;
11) 支持二次开发定制。
12) 支持SSL证书加密TCPS/MQTTS/HTTPS 协议;
13) 支持给用户设备进行固件升级。
2. 硬件规格
2.1. 硬件参数
| 功能事项 | 详细说明 | |
| 4G模块 | 网络标准 | Cat1 4G全网通 |
| 网络频段 | LTE-FDD:B1/B3/B5/B8 LTE-TDD:B34/B38/B39/B40/B41 | |
| 电源参数 | 5~36V,10W电源,推荐10V以上电源 | |
| 工作环境 | 工作温度 | -35℃ ~+75℃ |
| 工作湿度 | 5%~95%RH(无凝露) | |
| 独立GPS模块 | ATGM336H-5NR32 GPS模块或ATGM336H-6N22单北斗芯片 | |
| 连接线接口规格 | SM2.54 7PIN | |
| TTL串口 | 1路 | 兼容3.3V、5V串口电平 1200-460800;数据位:8 、7;停止位:1、2;校验位:奇、偶、无校验 |
| 供电电压采集 | 支持 | 5~36V电压采集 |
| 尺寸 | 61*45*28mm | |
| 安装方式 | M3螺丝安装 | |
2.2. GPS参数
2.2.1. ATGM336H-5NR32 GPS模块参数
| 编号 | 项目 | 性能 | 备注 |
| 1 | 定位模式 | BDS/GPS/GLONASS/GALILEO/QZSS/SBAS | |
| 2 | 跟踪通道数 | 三通道射频,支持全星座 BDS、GPS 和 GLONASS 同时接收 | |
| 3 | 灵敏度 | 冷启动捕获灵敏度-148dBm 热启动捕获灵敏度-156dBm 跟踪灵敏度-162dBm 重捕获灵敏度 -160dbm | |
| 4 | 数据更新频率 | 1Hz | |
| 5 | 定位精度 | <2.5m(CEP50) | |
| 6 | 测速精度 | 0.1m/s | |
| 7 | 冷启动时间 | ≤35s | |
| 8 | 热启动时间 | <1s | |
| 9 | 重捕时间 | <1s | |
| 10 | 典型功耗 | 26 mA | 3.3V 供电 |
| 11 | 天线 | 支持 3.3V 有源天线和无缘天线 |
2.2.2. ATGM336H-6N22单北斗芯片参数
| 编号 | 项目 | 性能 | 备注 |
| 1 | 定位模式 | BDS:B1I+B1C | 北斗2,北斗3 |
| 2 | 灵敏度 | 冷启动捕获灵敏度-148dBm 热启动捕获灵敏度-156dBm 跟踪灵敏度-162dBm 重捕获灵敏度 -160dbm | |
| 3 | 数据更新频率 | 1Hz | |
| 4 | 定位精度 | <2.0m(CEP50) | |
| 5 | 测速精度 | 0.1m/s | |
| 6 | 冷启动时间 | ≤23s | |
| 7 | 热启动时间 | ≤1s | |
| 8 | 重捕时间 | ≤1s | |
| 9 | 待机典型功耗 | <10uA | 3.3V 供电 |
| 10 | 连续运行典型功耗 | 42 mA | 3.3V 供电 |
| 11 | 天线 | 支持 3.3V 有源天线和无缘天线 |
2.3. 4G 模块功耗参考
2.3.1. 普通功耗说明
待机电流为 DTU 保持服务器网络连接,不发数据的时候的平均电流;12V 发送数据的电流平均约10ma计算;数据发送完成后大约 12 秒后会自动进入低功耗。如果 GPS 运行,叠加 GPS 功耗,参考 GPS 版本功耗。
| 编号 | 供电电压 | 关闭全部 LED | 待机电流(ma) | 备注 |
| 1 | 12V | N | 3.1~3.5ma | |
| 2 | 12V | Y | 2.9~3.1ma |
2.3.2. 超低功耗说明
测试环境说明:供电12V,信号31
| 工作模式 | 工作模式说明 | 平均电流 |
| 超低功耗休眠 | LED 关闭,设备不运行,不连接服务器,可以周期唤醒 | 450ua |
| 保持服务器网络连接 | 关闭LED,3分钟发个心跳包 | 5ma |
| 超低功耗休眠10分钟周期唤醒工作 | 10分钟自动唤醒,定位一次,上传GPS信息和基站信息 | 1.3ma |
| 超低功耗休眠60分钟周期唤醒工作 | 60分钟自动唤醒,定位一次,上传GPS信息和基站信息 | 590ua |
2.4. 硬件资源介绍

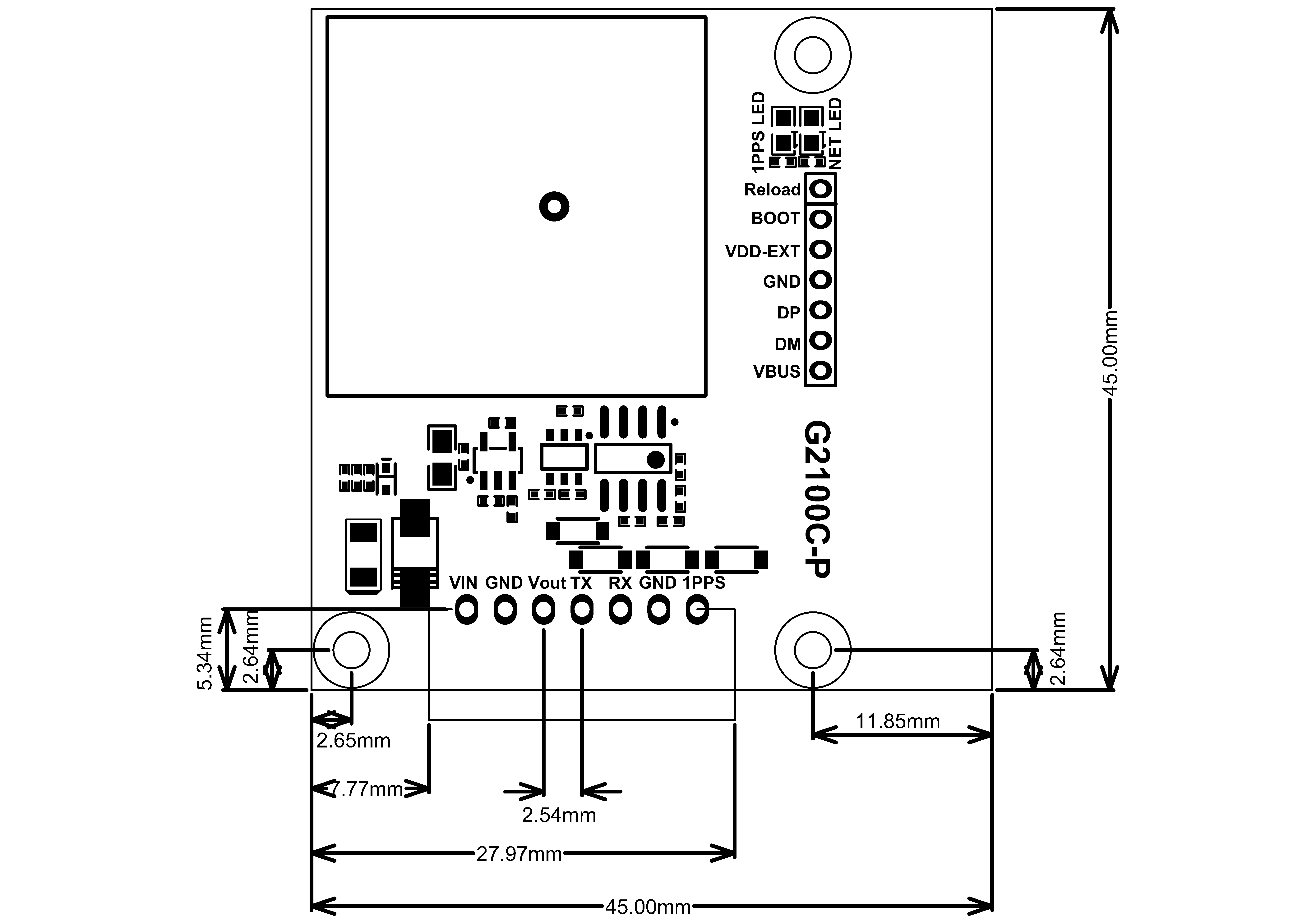
| 编号 | 标识 | 功能 | 说明 |
| 1 | VIN GND | 电源正 电源负 | VIN表示正极,GND表示负极 供电范围:5~36V,10W电源 |
| VOUT | 可控电源输出 | 输出供电电压,最大1A(可控电源输出ID为1) | |
| TX RX | RS485串口 | ||
| GND | GND | ||
| 1PPS | GPS定位成功 输出1pps的秒脉冲 | ||
| 2 | Reload | 长按7秒,恢复出厂设置 | |
| BOOT | 与USB配合用来升级 | ||
| VDD-EXT | 与BOOT两点短接,配合USB,进入升级模式 | ||
| GND DP DM VBUS | 固件升级或者调试 | USB | |
| 3 | 4G天线 | 板载天线 | |
| 4 | 1PPSLED | GPS指示灯 | GPS定位成功 1s闪烁 |
| 5 | NET LED | 系统指示灯 | |
| 6 | GPS | GPS天线 | 无源陶瓷天线 |
| 7 | 外置SIM卡 | 自弹小卡 | |
| 8 | GPS模块 | 可选GPS模块ATGM336H-5NR32或ATGM336H-6N22单北斗芯片 |
2.5. 硬件尺寸

3. NET LED 状态描述
| 指示意义 | 现象 | 备注 |
| SIM卡不识别 | NET LED 5000ms亮 5000ms灭 | |
| SIM卡正常,但注册不了网络 | NET LED 100ms闪烁 | |
| 注册网络成功,但没连上服务器 | NET LED 500ms慢闪 | 没有任何通道链接服务器 |
| 成功连上服务器 | NET LED 1000ms慢闪 | 至少有一个通道链接服务器成功 |
4. 测试硬件连接方法
4.1. 使用普通串口工具测试
将USB线一头接电脑,一头接串口工具的USB接口,将12V1A的电源适配器给串口测试工具供电。
| 串口工具 | M100Y | 备注 |
| VCC | V | 建议使用12V/1A电源供电,电源功率大于10W |
| GND | G | |
| TX | RX | TTL串口通信 |
| RX | TX | TTL串口通信 |

5. DTU固件实例讲解
适用模组方案: Air780E/Air700/Y100E/Air780EPM/Y100EP
| 序号 | 网络协议 | 测试实例 |
| 1 | TCP协议 | |
| 2 | UDP协议 | |
| 3 | HTTP协议 | |
| 4 | MQTT协议 | |
| 5 | 定位 | |
| 6 | WebSocket | |
| 7 | 移动物联网 | |
| 8 | 电信Aiot-MQTT | |
| 9 | 华为IotDA | |
| 10 | 新腾讯IOT Explorer | |
| 11 | 阿里IOT | |
| 12 | 涂鸦云 | |
| 13 | ThingsCloud | |
| 14 | 短信转发 | |
| 15 | 升级设备(客户设备)固件实例 | |
| 16 | SSL有证书加密实例 |
6. 银尔达IOT平台教程
| 序号 | 网络协议 | 测试实例 |
| 1 | IOT平台入门教程 | |
| 2 | 串口透传指令控制 | |
| 3 | Modbus温湿度传感器 | |
| 4 | 常供电定位器 |
1268

被折叠的 条评论
为什么被折叠?



