VL12 4bit超前进位加法器电路
预备知识
- 行波进位加法器

可以看出,这是个串行结构。
高位的计算结果需要低级进位,也就是,低位没有计算出进位,高位就无法计算,得等待。 - 并行进位加法器
计算逻辑:

核心思想:
把 C1~C4 全部用原始输入(A, B, Cin)直接表示出来,不依赖中间进位!

得到:

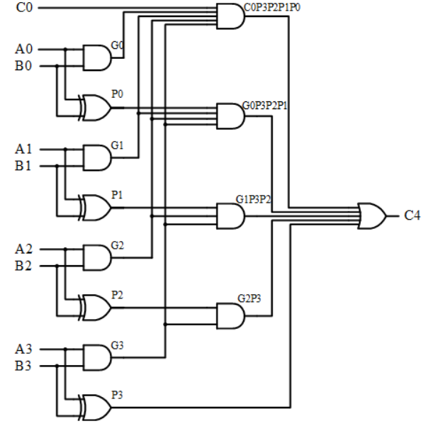
但是硬件代价增大,需要更多的逻辑门,比如C4的计算电路如下:

题目要求

思路一:
`timescale 1ns/1ns
module lca_4(
input [3:0] A_in ,
input [3:0] B_in ,
input C_1 ,
output wire CO ,
output wire [3:0] S
);
wire [2:0] c;
assign c0 = A_in[0]&B_in[0] | A_in[0]^B_in[0] & C_1 ;
assign c1 = A_in[1]&B_in[1] | A_in[1]^B_in[1] & (A_in[0]&B_in[0] | A_in[0]^B_in[0] & C_1 );
assign c2 = A_in[2]&B_in[2] | A_in[2]^B_in[2] & (A_in[1]&B_in[1] | A_in[1]^B_in[1] & (A_in[0]&B_in[0] | A_in[0]^B_in[0] & C_1 ));
assign CO = A_in[3]&B_in[3] | A_in[3]^B_in[3] & (A_in[2]&B_in[2] | A_in[2]^B_in[2] & (A_in[1]&B_in[1] | A_in[1]^B_in[1] & (A_in[0]&B_in[0] | A_in[0]^B_in[0] & C_1 )));
assign S[0] = A_in[0]^B_in[0]^C_1;
assign S[1] = A_in[1]^B_in[1]^(A_in[0]&B_in[0] | A_in[0]^B_in[0] & C_1);
assign S[2] = A_in[2]^B_in[2]^ (A_in[1]&B_in[1] | A_in[1]^B_in[1] & (A_in[0]&B_in[0] | A_in[0]^B_in[0] & C_1 ));
assign S[3] = A_in[3]^B_in[3]^(A_in[2]&B_in[2] | A_in[2]^B_in[2] & (A_in[1]&B_in[1] | A_in[1]^B_in[1] & (A_in[0]&B_in[0] | A_in[0]^B_in[0] & C_1 ))) ;
endmodule
思路二:
`timescale 1ns/1ns
module lca_4(
input [3:0] A_in,
input [3:0] B_in,
input C_1,
output CO,
output [3:0] S
);
wire [3:0] G = A_in & B_in;
wire [3:0] P = A_in ^ B_in;
wire c0 = C_1;
wire c1 = G[0] | (P[0] & c0);
wire c2 = G[1] | (P[1] & G[0]) | (P[1] & P[0] & c0);
wire c3 = G[2] | (P[2] & G[1]) | (P[2] & P[1] & G[0]) | (P[2] & P[1] & P[0] & c0);
wire c4 = G[3] | (P[3] & G[2]) | (P[3] & P[2] & G[1]) | (P[3] & P[2] & P[1] & G[0]) | (P[3] & P[2] & P[1] & P[0] & c0);
assign S = P ^ {c3, c2, c1, c0};
assign CO = c4;
endmodule
请思考问题:思路一、思路二哪个是并行计算?
答案:思路二
比较分析:
思路一是按照
展开写的。但是这并不是并行计算,虽然看似像,但不是。
因为
每一步都依赖上一步的输出,高位必须等待低位计算完成。
看代码:
assign c0 = A_in[0]&B_in[0] | A_in[0]^B_in[0] & C_1 ;
assign c1 = A_in[1]&B_in[1] | A_in[1]^B_in[1] & (A_in[0]&B_in[0] | A_in[0]^B_in[0] & C_1 );
这种展开的嵌套写法就像g(m(f(x))),
要先计算最内层的f(x)
同样,
计算c1,要先计算括号部分:(A_in[0]&B_in[0] | A_in[0]^B_in[0] & C_1 )
括号部分就是c0。
所以,这不是并行逻辑。
我们说过:
并行的核心:把 C1~C4 全部用原始输入(A, B, Cin)直接表示出来,不依赖中间进位!
思路二是真正的并行计算,只用到P、G、c0
837

被折叠的 条评论
为什么被折叠?



