主要内容
针对高比例新能源并网下火电机组调频响应滞后、储能参与调频时易出现过充过放及功率震荡等问题,该仿真构建了一套储能辅助火电机组二次调频的仿真系统。该系统通过多模块协同控制,实现了储能在调频过程中的全场景精细化管理:基于荷电状态的分段保护模块,可根据储能SOC水平动态调整充放电修正系数,在低SOC时限制放电、高SOC时限制充电,避免设备损伤;结合频率偏差的适配模块,能依据系统频率波动实时调节储能参与权重,确保频率快速恢复至额定范围;最终通过功率限幅模块将指令约束在储能物理容量内,保障运行安全。
该程序由simulink模型调用matlab代码共同完成的仿真,性能非常优化,效果非常好,值得大家参考学习!
系统核心优势体现在三方面:
一是采用非线性平滑过渡函数替代传统线性控制,有效减少修正系数突变导致的功率震荡,提升调频稳定性;
二是构建 “SOC 保护 - 频率适配 - 功率限幅” 的多层级控制链,实现从指令生成到执行的全流程安全约束,兼顾调频响应速度与储能设备寿命;
三是通过 0.1 秒离散采样与连续响应结合的设计,既保证对频率动态变化的实时追踪,又适配SOC慢变特性,在提升调频精度的同时降低计算冗余。
该仿真系统为 “火电 + 储能” 协同调频提供了精细化控制方案,可显著增强电力系统频率稳定性与储能运行经济性。
仿真简介
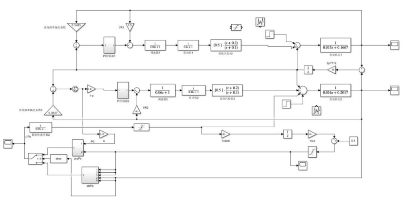
1.1 仿真框架图

系统包含两台机组(发电机1、充电机组2),通过频率反馈、功率反馈形成闭环,核心是 “频率偏差→功率指令→机组响应→频率修正” 的调节逻辑,同时融入非线性环节模拟实际约束。
1.2 储能核心控制单元

该模块是储能辅助火电机组二次调频系统的核心控制单元,聚焦储能充放电的 安全约束与动态适配,通过 “状态感知→方向判断→功率限幅” 的分层设计,有效衔接 “火电慢响应” 与 “储能快响应” 特性,为电力系统频率稳定提供精准、安全的储能调控能力。
1.3 关键释疑
很多同学在运行simulink模型过程中会发现储能为什么一直没有响应?这是我收到最多的疑问,在此我说明一下,大家拿到仿真和程序之后不要过于心急,我这边程序代码和仿真都是完全没有问题的,可以不客气的说均为精品,大家在学习过程中认真分析一下储能动作原理,simulink模型和matlab代码的仿真逻辑,就很容易发现其中缘由,为了方便大家直观看到发电机以及储能等主体的动作情况,本仿真已经将参数调整到合适值,方便大家研究学习!
仿真结果




下载链接

47

被折叠的 条评论
为什么被折叠?



