✅作者简介:热爱科研的Matlab仿真开发者,擅长数据处理、建模仿真、程序设计、完整代码获取、论文复现及科研仿真。
🍎 往期回顾关注个人主页:Matlab科研工作室
🍊个人信条:格物致知,完整Matlab代码及仿真咨询内容私信。
🔥 内容介绍
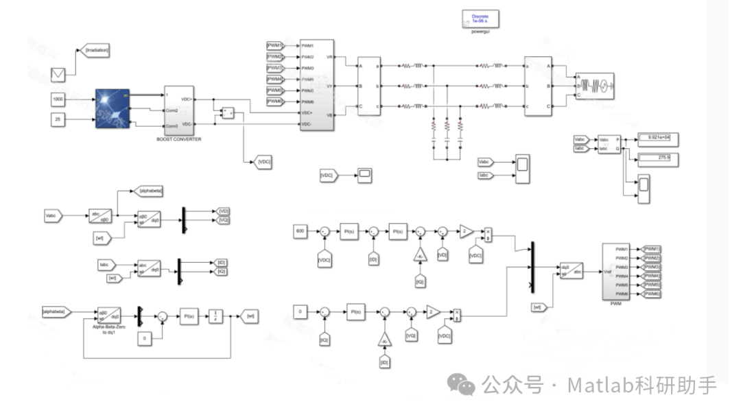
光伏三相并网逆变器作为光伏发电系统与电网之间的关键接口设备,其核心功能是将光伏阵列输出的直流电高效转换为符合电网标准的三相交流电,同时需具备功率调节、谐波抑制、故障穿越等能力。控制策略直接决定了逆变器的并网性能 —— 包括功率跟踪精度、输出电能质量、电网适应性及动态响应速度。随着高比例可再生能源并网需求的提升,针对逆变器控制策略的优化已成为保障电网稳定运行的核心研究方向之一。本文将系统梳理光伏三相并网逆变器的主流控制策略,从原理推导、拓扑适配到性能验证,形成完整的分析框架。
二、光伏三相并网逆变器的核心控制策略分类与原理
光伏三相并网逆变器的控制策略需同时实现两大核心目标:直流侧电压稳定(匹配光伏阵列最大功率点)与交流侧并网控制(保证输出电流与电网电压同频同相、抑制谐波)。根据控制维度与实现逻辑,主流策略可分为基于 abc 静止坐标系、dq 同步旋转坐标系及模型预测控制三大类。
2.1 基于 abc 静止坐标系的控制策略
该类策略无需坐标变换,直接在三相静止坐标系中设计控制器,结构简单、响应速度快,适用于对动态性能要求较高的场景,典型代表为滞环电流控制与比例谐振(PR)控制。




三、结论与展望
光伏三相并网逆变器的控制策略需在电能质量、动态响应与系统复杂度之间寻求平衡:dq 双闭环控制以其成熟性与稳定性,仍是当前工业界的主流选择;滞环电流控制适用于对动态性能要求极高的场景;模型预测控制作为先进控制方法,在多目标优化与鲁棒性方面具有显著优势,是未来的重要发展方向。
未来研究可聚焦三大方向:
- 多策略融合:如将 MPC 的快速响应与 PR 控制的无静差跟踪结合,设计混合控制器;
- 电网适应性优化:针对弱电网(高阻抗、电压波动大)场景,优化 PLL 与解耦算法,提升系统稳定性;
- 智能化控制:引入深度学习算法,实现控制参数的自整定与电网工况的自适应识别,降低人工调试成本。
⛳️ 运行结果



🔗 参考文献
[1] 庞晋永.光伏并网逆变器的建模与控制器设计[D].浙江大学,2014.
[2] 蒋震东,李向新.分布式电源并网逆变器控制策略与仿真研究[J].现代电子技术, 2013(03):142-144.DOI:10.3969/j.issn.1004-373X.2013.03.040.
[3] 刘维彬.三相光伏并网逆变器控制策略的研究[D].南京邮电大学,2013.
📣 部分代码
🎈 部分理论引用网络文献,若有侵权联系博主删除
👇 关注我领取海量matlab电子书和数学建模资料
🏆团队擅长辅导定制多种科研领域MATLAB仿真,助力科研梦:
🌈 各类智能优化算法改进及应用
生产调度、经济调度、装配线调度、充电优化、车间调度、发车优化、水库调度、三维装箱、物流选址、货位优化、公交排班优化、充电桩布局优化、车间布局优化、集装箱船配载优化、水泵组合优化、解医疗资源分配优化、设施布局优化、可视域基站和无人机选址优化、背包问题、 风电场布局、时隙分配优化、 最佳分布式发电单元分配、多阶段管道维修、 工厂-中心-需求点三级选址问题、 应急生活物质配送中心选址、 基站选址、 道路灯柱布置、 枢纽节点部署、 输电线路台风监测装置、 集装箱调度、 机组优化、 投资优化组合、云服务器组合优化、 天线线性阵列分布优化、CVRP问题、VRPPD问题、多中心VRP问题、多层网络的VRP问题、多中心多车型的VRP问题、 动态VRP问题、双层车辆路径规划(2E-VRP)、充电车辆路径规划(EVRP)、油电混合车辆路径规划、混合流水车间问题、 订单拆分调度问题、 公交车的调度排班优化问题、航班摆渡车辆调度问题、选址路径规划问题、港口调度、港口岸桥调度、停机位分配、机场航班调度、泄漏源定位
🌈 机器学习和深度学习时序、回归、分类、聚类和降维
2.1 bp时序、回归预测和分类
2.2 ENS声神经网络时序、回归预测和分类
2.3 SVM/CNN-SVM/LSSVM/RVM支持向量机系列时序、回归预测和分类
2.4 CNN|TCN|GCN卷积神经网络系列时序、回归预测和分类
2.5 ELM/KELM/RELM/DELM极限学习机系列时序、回归预测和分类
2.6 GRU/Bi-GRU/CNN-GRU/CNN-BiGRU门控神经网络时序、回归预测和分类
2.7 ELMAN递归神经网络时序、回归\预测和分类
2.8 LSTM/BiLSTM/CNN-LSTM/CNN-BiLSTM/长短记忆神经网络系列时序、回归预测和分类
2.9 RBF径向基神经网络时序、回归预测和分类
2.10 DBN深度置信网络时序、回归预测和分类
2.11 FNN模糊神经网络时序、回归预测
2.12 RF随机森林时序、回归预测和分类
2.13 BLS宽度学习时序、回归预测和分类
2.14 PNN脉冲神经网络分类
2.15 模糊小波神经网络预测和分类
2.16 时序、回归预测和分类
2.17 时序、回归预测预测和分类
2.18 XGBOOST集成学习时序、回归预测预测和分类
2.19 Transform各类组合时序、回归预测预测和分类
方向涵盖风电预测、光伏预测、电池寿命预测、辐射源识别、交通流预测、负荷预测、股价预测、PM2.5浓度预测、电池健康状态预测、用电量预测、水体光学参数反演、NLOS信号识别、地铁停车精准预测、变压器故障诊断
🌈图像处理方面
图像识别、图像分割、图像检测、图像隐藏、图像配准、图像拼接、图像融合、图像增强、图像压缩感知
🌈 路径规划方面
旅行商问题(TSP)、车辆路径问题(VRP、MVRP、CVRP、VRPTW等)、无人机三维路径规划、无人机协同、无人机编队、机器人路径规划、栅格地图路径规划、多式联运运输问题、 充电车辆路径规划(EVRP)、 双层车辆路径规划(2E-VRP)、 油电混合车辆路径规划、 船舶航迹规划、 全路径规划规划、 仓储巡逻
🌈 无人机应用方面
无人机路径规划、无人机控制、无人机编队、无人机协同、无人机任务分配、无人机安全通信轨迹在线优化、车辆协同无人机路径规划
🌈 通信方面
传感器部署优化、通信协议优化、路由优化、目标定位优化、Dv-Hop定位优化、Leach协议优化、WSN覆盖优化、组播优化、RSSI定位优化、水声通信、通信上传下载分配
🌈 信号处理方面
信号识别、信号加密、信号去噪、信号增强、雷达信号处理、信号水印嵌入提取、肌电信号、脑电信号、信号配时优化、心电信号、DOA估计、编码译码、变分模态分解、管道泄漏、滤波器、数字信号处理+传输+分析+去噪、数字信号调制、误码率、信号估计、DTMF、信号检测
🌈电力系统方面
微电网优化、无功优化、配电网重构、储能配置、有序充电、MPPT优化、家庭用电
🌈 元胞自动机方面
交通流 人群疏散 病毒扩散 晶体生长 金属腐蚀
🌈 雷达方面
卡尔曼滤波跟踪、航迹关联、航迹融合、SOC估计、阵列优化、NLOS识别
🌈 车间调度
零等待流水车间调度问题NWFSP 、 置换流水车间调度问题PFSP、 混合流水车间调度问题HFSP 、零空闲流水车间调度问题NIFSP、分布式置换流水车间调度问题 DPFSP、阻塞流水车间调度问题BFSP
👇
38万+

被折叠的 条评论
为什么被折叠?



