记录一下自己仿真滑膜观测器,具体的电机模型见前面的,有感FOC仿真。
这里就记录一下滑膜观测器,滑膜观测器的原理我前面给出过文章。

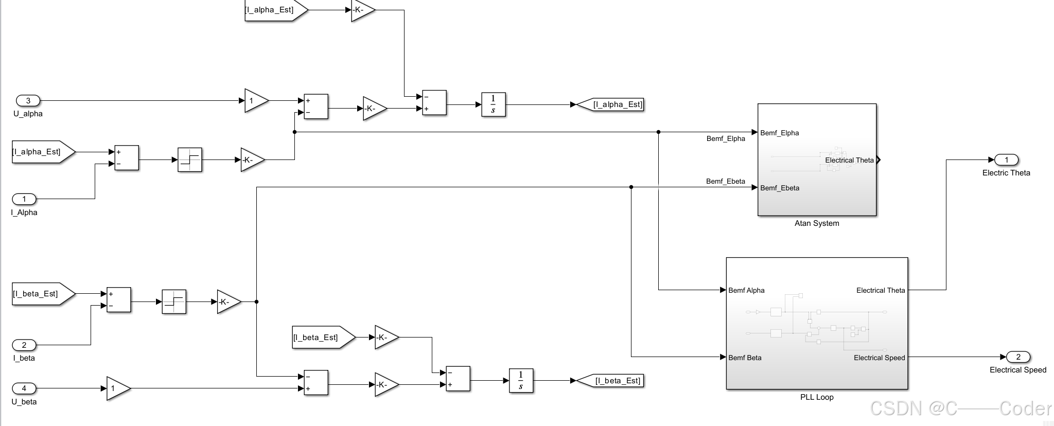
整体如下

实际转速跟踪,里面那个蓝色的是实际转速


电角度跟踪测试,实际使用加上一点角度补偿就可以了。


记录一下自己仿真滑膜观测器,具体的电机模型见前面的,有感FOC仿真。
这里就记录一下滑膜观测器,滑膜观测器的原理我前面给出过文章。

整体如下

实际转速跟踪,里面那个蓝色的是实际转速


电角度跟踪测试,实际使用加上一点角度补偿就可以了。


8522
700

被折叠的 条评论
为什么被折叠?