搭建速度环位置环双闭环FOC控制模型,后续考虑在这个模型上实现滑膜观测器,实现无感FOC模型。
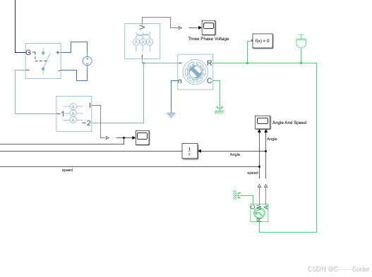
一、PMSM电机反电动势电路
拖入PMSM电机模型,设置好相关电机参数

将电机三相悬空接入到Open Port,加入求解器和理想速度源,给定合适的转速。这时,电机就可以被外部拖动,成为发电机,然后利用电压采样模块采集三相的电压即可得到PMSM的三相反电动势波形。

仿真结果

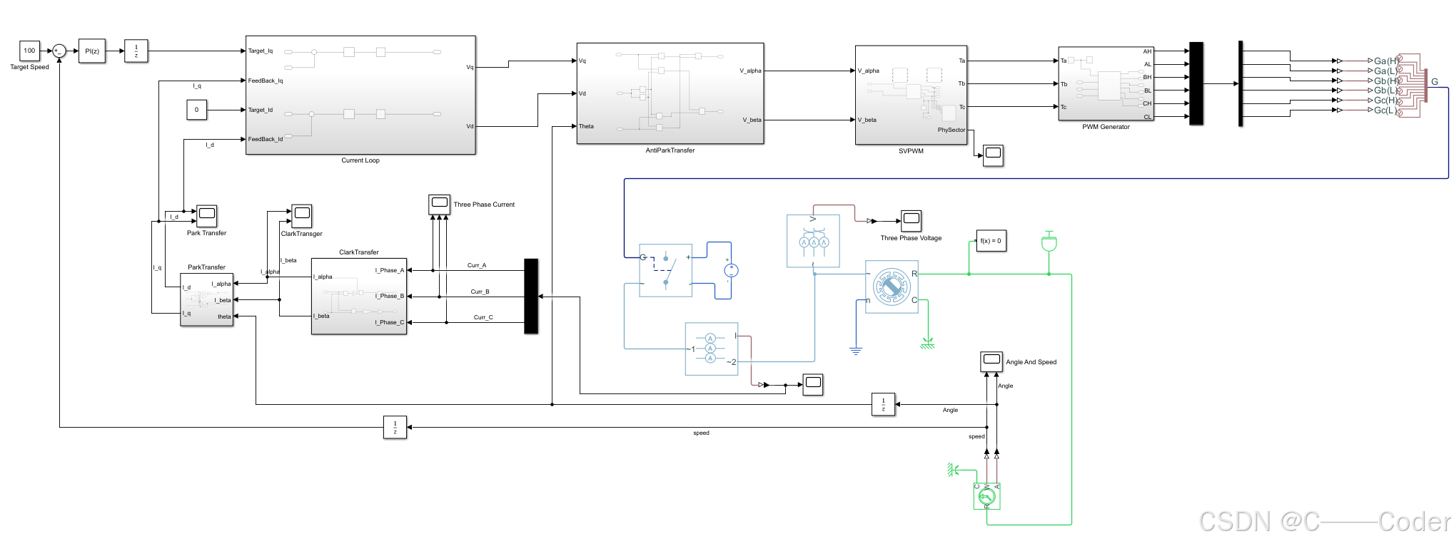
二、有感FOC控制模型建立
这里的电机角度和转速使用的是Simulink的Rotational Motion Sensor仿真得到的,实际工程应用主要是编码器或者是霍尔信号,但这两个信号最开始推荐先找零度位置。电流采样就是单电阻、双电阻或者三电阻采样。
1、搭建PMSM驱动电路和采样电路
加入PMSM电机,驱动电路部分用Converter(ThreePhase)模块,这个模块内部实现就是三相六臂逆变电路,然后接入相电流和相电压采样模块。加入一个惯性模块模拟外部负载,加入Rotational Motion Sensor采集转速和电角度,因为这里我设置极对数为1,所以直接就可以输出,有多个极对数则要设置一个Gain模块来得到实际的电角度。最后加入一个求解器进行计算。

2、引入Clark变化和Park变化模块

3、引入速度环,电流环,使用Id = 0

4、逆帕克变换模块

5、SVPWM模块

6、PWM发生器模块(加入死区)

三、模型仿真

仿真结果

243

被折叠的 条评论
为什么被折叠?



