OpenCV C++ 图像处理实战 ——《物体数量计数与尺寸测量》
一、结果演示



二、多尺度自适应Gamma矫正的低照度图像增强

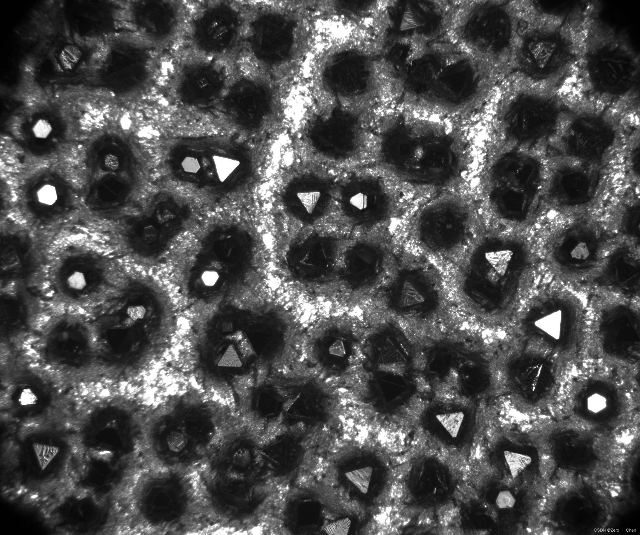
原图如图所示,这张图片是用高倍镜头拍出来的金刚石。现在我们需要将图片中的金刚石进行计算并计算它的半径。从图片的成像效果来看,有些金刚石区域成像比较暗,有些比较亮。这时我们就可以用到图像增强算法对其先做预处理。OpenCV C++ 图像处理实战 ——《多尺度自适应Gamma矫正的低照图像增强》</
OpenCV C++ 实战:物体计数与尺寸测量
本文介绍了如何使用OpenCV C++进行图像处理,包括多尺度自适应Gamma矫正的低照度图像增强,图像二值化,轮廓提取和物体计数与尺寸测量。通过图像增强提升成像质量,然后通过轮廓特征筛选出目标物体,实现精确的物体数量统计和尺寸测量。




原图如图所示,这张图片是用高倍镜头拍出来的金刚石。现在我们需要将图片中的金刚石进行计算并计算它的半径。从图片的成像效果来看,有些金刚石区域成像比较暗,有些比较亮。这时我们就可以用到图像增强算法对其先做预处理。OpenCV C++ 图像处理实战 ——《多尺度自适应Gamma矫正的低照图像增强》</
3747
1698

被折叠的 条评论
为什么被折叠?