笔记下载
链接:https://pan.baidu.com/s/1bFz8IX6EkFMWTfY9ozvVpg?pwd=deng
提取码:deng
b站视频:408-计算机网络-笔记分享_哔哩哔哩_bilibili
包含了408四门科目(数据结构、操作系统、计算机组成原理、计算机网络)
如果链接失效了,看看b站,或者私信我
408相关资料(真题 模拟卷等)
链接: https://pan.baidu.com/s/1Qga8aMgcrVfCmrry68vqog?pwd=974t提取码: 974t
🌸章节汇总
目录
6、双端口RAM(其实可以多端口)和多模块存储器(单体、多体)
(2)查询顺序(逻辑地址——物理地址——Cache——内存)
第三章——存储系统
1、基本概念


(1)分类
存取方式

可更改性

可保存性

(2)总结

2、主存储器(基本原理)
如何存储数据的?——电容(充电和放电!)
谁来控制的?——MOS管——半导体

(1)译码器、控制电路、存储单元 (容量计算)

(2)容量计算

(3)寻址

(4)总结

3、SRAM 和 DRAM


(1)总结
放电——读出数据——破坏性读写!!!
地址线减半——分两次送——地址引脚复用!!!!
(2)刷新

这个刷新可以独立完成!!!——不需要CPU控制!!!(异步)
4、只读存储器ROM


(1)总结

5、存储器与CPU的连接
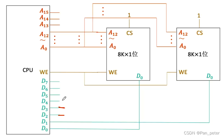
(1)位拓展(例:1位—> 8位)

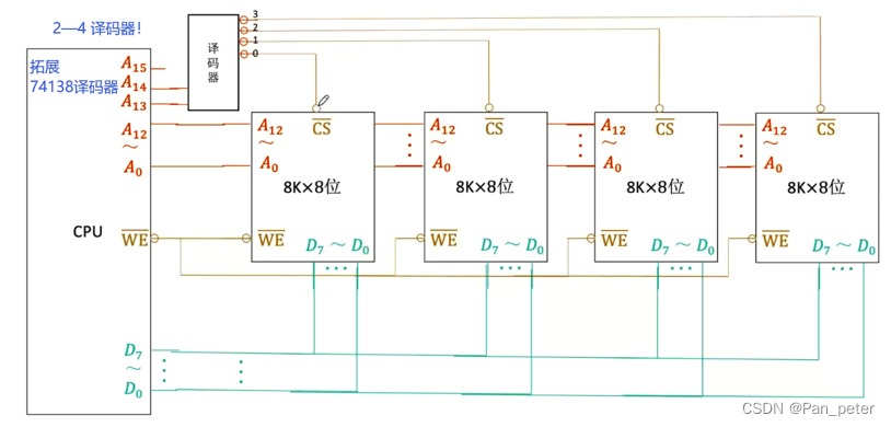
(2)字拓展(地址线拓展)
线选法

片选法(译码器——片选法!)


(3)字拓展+位拓展

(4)总结

(5)时序图+CPU控制逻辑

6、双端口RAM(其实可以多端口)和多模块存储器(单体、多体)

(1)双端口RAM(其实还可以多端口!!!)

(2)高位交叉编址 / 低位交叉编址

(3)流水线式存取(低位-并行)

(4)多体并行存储器 / 单体多字存储器
速度差不多 —— 多体(灵活性好) —— 单体 (呆呆的)

(5)总结

(6)(装机技能——装逼技能)加快主存储器的存取速度

7、磁盘存储器(外存储器-机械硬盘)
(1)优点与缺点(读和写)

(2)构造(磁头、盘片、移动臂)



(3)性能指标


(4)读和写(串行)


(5)磁盘列阵(RAID)





(6)总结

8、固态硬盘
固态硬盘(Solid State Disk或Solid State Drive,简称SSD),又称固态驱动器,是用固态电子存储芯片阵列制成的硬盘。
(1)固态和机械


(2)结构

(3)寿命问题

9、Cache基本概念


(1)性能例题

(2)总结

10、Cache与主存的映射方式

(1)全相联映射(随便放)

(2)直接映射(取余)

(3)组相联映射(对Cache分组-再取余)

(4)总结

11、Cache的替换算法(通用算法)
抖动问题——性能会因为访问地方改变——而改变!

(1)随机算法(拉胯)

(2)先进先出(一般)

(3)近期最少使用算法(较好)
计数器——最大数只会到(Cache块数-1)

(4)最不经常使用算法(一般)
计数器——容易被刷次数——导致前面的内存块不容易被替换!!!

12、Cache写策略

命中:
全写——同时写(写的多的时候,容易被阻塞——性能受写缓冲影响)
写回——先修改Cache,当被淘汰时,再写回内存
未命中:
分配——分配+写回——把内容调用到Cache里,再修改Cache里的,当被淘汰时,再写回
非分配——直接在内存中写——不会调到Cache中!
13、页式存储(虚地址-实地址)
(1)快表与慢表(逻辑地址与物理地址的映射表)

(2)查询顺序(逻辑地址——物理地址——Cache——内存)

所以:嵌入式工程师——在编程嵌入式系统时——通常会直接操作【逻辑地址】。
从单片机中给出的手册中,按照指定的方法,调用逻辑地址,经过一系列转换后,再把结果给对应的寄存器,从而实现对应的功能!
本文详细介绍了计算机系统的存储系统,包括硬件组成(如主存储器、SRAM、DRAM、ROM)、存储器工作原理、连接方式、Cache技术、磁盘存储优缺点、以及Cache映射和替换算法等内容,帮助读者理解计算机存储架构和优化方法。
3578

被折叠的 条评论
为什么被折叠?



