LVDS
即Low-Voltage Differential Signaling。FPGA的selecteIO非常强大,支持各种IO接口标准,电压电流都可以配置。其接口速率可以达到几百M甚至上千M。使用lvds来接收高速ADC产生的数据会很方便。像ISERDES,IDDR,IDELAY,OSERDES,ODDR这种资源在FPGA的IOB中多得是(每个IO都对应有,最后具体介绍),根本不担心使用。最近刚在项目中用到,提供一个思路,具体的器件使用参考FPGA手册。
使用的AD芯片是ADI的AD9653,125M16bit高精度高速ADC,用到的采样速率是80M。其SPI配置会单独开一篇来讲,SPI配置里面有个大坑,本来以为调好了的,后来又发现了问题,调了三天才定位到问题在哪,这就是硬件的魅力(坑爹)所在了吧。这里主要介绍FPGA的接收部分。
接收ADC数据的时序图,

有几点需要注意:
0 , 可以看出分成三种信号,数据采样时钟DCLK,帧同步信号FCLK,和输入数据DATA
1,输入数据采样时钟默认是已经对齐了输入数据的中点,但帧时钟是和数据字节边缘对齐的。
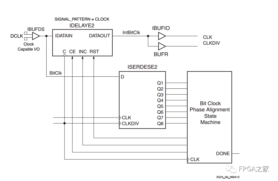
2,使用Iserdes接收数据,Idelay调整时钟延迟。
1,对数据采样时钟的处理如下
通过控制延时,使得CLK和经过IBUFDS的BitClk对齐,从而消除IBUFIO和BUFR还有net的延时。这样所有的输入信号都只经过了一个IBUFDS,延时相等。对Idelay的控制,可以手动调节,也可以用自动算法。(参考xapp524)





1.1手动调节对齐
首先来看看手动调节算法,用vivado的vio可以很方便的输入输出,可手动在线修改观察现象,对后面的自动训练算法也有一定的启发作用。
默认R_delay_cnt=0时,可以看到输入的正弦波形很乱


慢慢的增加R_delay_cnt,当R_delay_cnt=12时,开始出现稳定的正弦波,实验发现R_delay_cnt=14,15,16时恰好采到时钟的边缘,也就是跟输入的原始时钟对齐了,可以看到采到边缘是allign_word一直在跳变,有的是0,有的是1。一直到R_delay_cnt=18,正弦波都很稳定。有效窗口可以准确计算出来,200M的Idelay参考时钟,78ps/tap。7tap*78ps=546ps。说明数据的有效窗口很小,毕竟是320M的DDR,半个周期都才1.56ns.




最后取R_delay_cnt=15,可以在代码里面写死。
1.2自动训练算法
既然有了手动调节的算法,为什么还要用自动训练对齐的算法呢?在高低温测试的时候,器件的延迟会受温度的影响发生变化,特别是在时钟频率很高,数据有效窗口很小的时候,这时候就需要能够动态的改变R_delay_cnt的值去自适应delay的变化,增加了鲁棒性。
有了上面的手动调节算法,自动训练的思路也很简单了。上电复位后R_delay_cnt一直自加,记下最后一个全0和第一个全1的值,取中点。这里只考虑了一种情况,还可能是从全1到全0的情况。代码如下



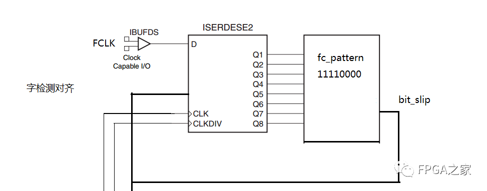
2,对帧同步信号和数据的处理
用上面产生的数据采样时钟同时去采样FCLK和DATA,使用Iserdes可以1:8进行串并转换。但是我们不知道字节的边界在哪里,所以要使用一个bit_slip对串转并的结果进行移位,移位的同时检测FCLK转换的输出,当输出是8’b11110000的时候就停止移位。







当数据率不是很高的IDDR数据,使用DDR替代Iserdes接收。IDDR和Iserdes使用的资源相同(待验证)

HR Bank真实的器件如下,一对IOB,可单独使用,可差分使用。后面的资源从上到下依次是ISERDES(ILOGIC),IDELAY,OLOGIC(OSERDES),ILOGIC,IDELAY,OLOGIC。(ILOGIC可作为IDDR,OLOGIC可作为ODDR)。左上角的是一个clock region(如X0Y2)的中间分布的四个BUFIO和BUGR(局部时钟驱动,局部时钟分频,二者延时相等)。后面是一个IDELAYCTRL。

下面分别详细介绍:
IDEALY,
经过IDELAY必须要经过ISERDES,可直通。
ISERDES,
ISERDES和ILOGIC使用相同的资源,可互换
ILOGIC,


OSERDES,和OLOGIC使用相同的资源,可互换
功能描述
• Edge triggered D type flip-flop(FF)
• DDR mode (SAME_EDGE or OPPOSITE_EDGE)
• Level sensitive latch(Latch)
• Asynchronous/combinatorial(直通)
‧‧‧‧‧‧‧‧‧‧‧‧‧‧‧‧ END ‧‧‧‧‧‧‧‧‧‧‧‧‧‧‧‧
文章介绍了如何使用FPGA的LVDS接口接收高速ADC(如AD9653)产生的数据,强调了ISERDES和IDDR在数据接收中的应用,以及IDELAY在时钟对齐中的重要性。手动和自动对齐方法被提及,以确保数据采样的准确性。文章还提到了在不同环境条件下,如温度变化,自动训练算法能提高系统的鲁棒性。
618

被折叠的 条评论
为什么被折叠?



