💥💥💞💞欢迎来到本博客❤️❤️💥💥
🏆博主优势:🌞🌞🌞博客内容尽量做到思维缜密,逻辑清晰,为了方便读者。
⛳️座右铭:行百里者,半于九十。
📋📋📋本文内容如下:🎁🎁🎁
⛳️赠与读者
👨💻做科研,涉及到一个深在的思想系统,需要科研者逻辑缜密,踏实认真,但是不能只是努力,很多时候借力比努力更重要,然后还要有仰望星空的创新点和启发点。建议读者按目录次序逐一浏览,免得骤然跌入幽暗的迷宫找不到来时的路,它不足为你揭示全部问题的答案,但若能解答你胸中升起的一朵朵疑云,也未尝不会酿成晚霞斑斓的别一番景致,万一它给你带来了一场精神世界的苦雨,那就借机洗刷一下原来存放在那儿的“躺平”上的尘埃吧。
或许,雨过云收,神驰的天地更清朗.......🔎🔎🔎
💥第一部分——内容介绍
1 光伏特性
光伏电池特性是非线性的,其输出功率随辐照度和温度的变化而变化。非线性的原因是,光照照度和温度的值全天变化,从而降低了输出效率。此外,这些光伏组件的效率并不能满足电力需求。因此,需要设计一种提高光伏组件效率的算法,以解决电池效率与功率需求之间的差异。因此,本文目标是设计和建立相关模型,然后基于粒子群优化算法及辅助 MPPT 算法并提高光伏系统的效率。
2 动机
目前,大部分路灯都是通过常规能源供电。但是,日益增长的需求与可利用的资源之间存在巨大的差距。因此,对可再生能源,即太阳能路灯的需求增加。
太阳能供电装置最好适用于再生资源稀缺的地方。这些太阳能供电装置的初始成本较多。因此,需要集成鲁棒MPPT控制器。最大功率点跟踪( MPPT )由从光伏发电机中提取最大功率组成。有了MPPT,更多的器件可以用更少的电能供电。
3 基于粒子群优化的MPPT算法
步骤1 (参数选择):在所提出的系统中,粒子位置定义为DC-dc变换器的占空比值d,适应度值评价函数选择为所产生的功率P。从算法的角度来看,即使在复杂的阴影模式下,粒子数目越多,MPP跟踪越精确。然而,更多的粒子也会导致更长的计算时间。因此,应进行权衡,以保证良好的跟踪速度和精度。
步骤2 ( PSO初始化):在PSO初始化阶段,粒子可以放在固定的位置上,也可以放在空间中,随机进行。基本上,如果有关于Global _ MPP在搜索空间中位置的信息,那么初始化它周围的粒子就更有意义。本文将粒子初始化在复盖等距离搜索空间[Dmin , Dmax]的固定位置上。
步骤3(适应度评估):提出的 MPPT 算法的目标是最大化生成的功率 PPV。数字控制器输出后,根据粒子i的位置的PWM命令(代表占空比命令),可以测量VPV和当前IPV,然后利用这些值计算粒子i的适应值PPV。应该注意的是,为了获得正确的样本,连续粒子评估之间的时间间隔必须大于电源转换器的稳定时间。
步骤 4(更新个体和全局最佳数据):如果粒子 i 的适应度值优于历史上的最佳适应度值 p_(best,i),则将当前值设置为新的 p_(best,i)。然后,选择所有粒子中适应度值最好的粒子作为g_best。此步骤类似于标准 PSO 方法的步骤 3。
步骤 5(更新每个粒子的速度和位置):在评估所有粒子之后,应该更新群体中每个粒子的速度和位置。
步骤6(收敛确定):本文使用了两个收敛标准。如果所有粒子的速度都小于阈值,或者达到最大迭代次数,则提出的 MPPT 算法将停止并输出获得的 g_best 解。
步骤7 (重新初始化):典型地,PSO方法用于求解最优解为时不变的问题。但是,在这个应用程序中,适应值( 全球最大可用功率 )经常会随着环境和加载条件而变化。在这种情况下,必须重新初始化粒子以再次搜索新的GMPP。以下约束用于检测阴凉变化和遮阳模式变化。
4 结论
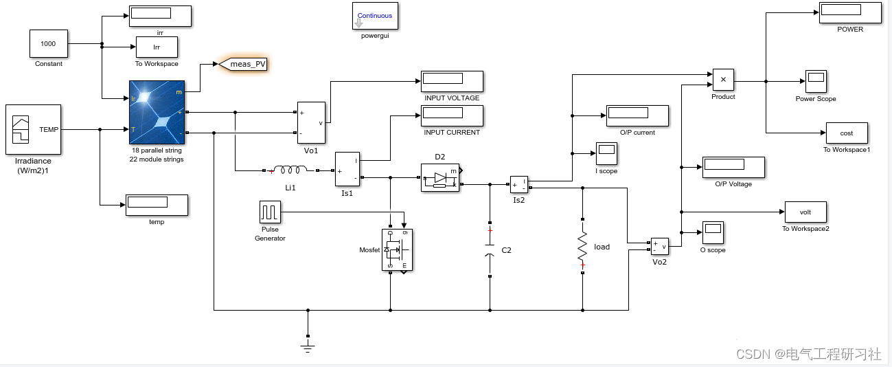
本文的目的是提高光伏组件的效率。光伏电池特性是非线性的,输出功率随辐照度和温度的变化而变化。一个DC-DC Boost变换器,它将16 ~ 21v的太阳能电池板输出的电压升压到为器件供电所需的电压。然后设计了一种DC-DC Boost变换器以提高输出电压,找到合适的电感和电容值。为了验证电路的稳定性,对DC-DC Boost变换器进行了建模。
采用粒子群优化( PSO )辅助MPPT算法,提高了光伏模块的效率。实现了粒子群优化技术,并演示了输出功率的增加。该方法是针对不同的大气条件进行测试的。研究发现,即使在部分遮阴和大气变化的条件下,PSO方法也能快速准确地跟踪MPP。
📚第二部分——运行结果



🎉第三部分——参考文献
文章中一些内容引自网络,会注明出处或引用为参考文献,难免有未尽之处,如有不妥,请随时联系删除。(文章内容仅供参考,具体效果以运行结果为准)
🌈第四部分——本文完整资源下载
资料获取,更多粉丝福利,MATLAB|Simulink|Python|数据|文档等完整资源获取

917

被折叠的 条评论
为什么被折叠?



