VPX 6U_K7_4DSP_Switch交换处理板实物图:


- DSP处理器
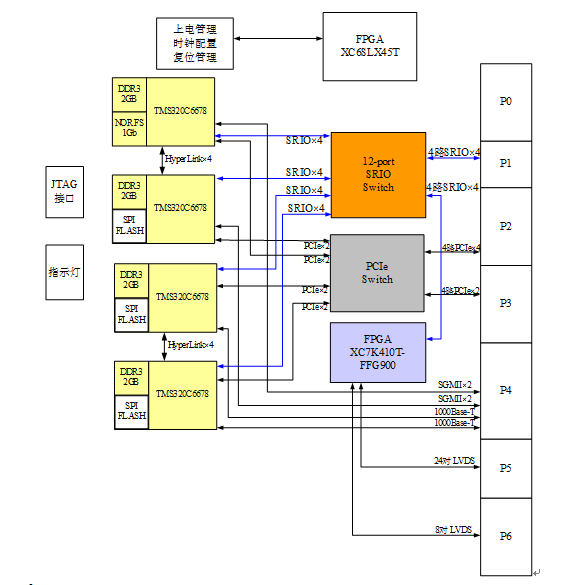
DSP处理器采用两片TI TMS320C6678处理器。C6678是目前业内处理能力最强大的专用处理器。单片最大处理能力为160 GFLOP,片内最大存储容量为64Mb,且外部接口丰富,有包括RapidI/O、PCIe、HyperLink、I2C、SPI、UART等快慢速接口。单片最大能够外挂8GB DDR3存储器,最高访问速度1.33GHz,访问位宽最大64位。
外挂DDR3 SDRAM
每个DSP外挂4片DDR3 SDRAM ,型号为MT41K256M16HA-125IT,4片组成64bit位宽,传输速率1066MT/S。
程序flash
DSP程序加载模式使用SPI模式。
FPGA处理器
板上FPGA选用XC7K410T-FFG900,SRIO交换机的复位启动信号,4个DSP的复位启动信号,4个DSP的EMIF信号,均由此FPGA控制。
SRIO交换机
SRIO交换机选型为80HCPS1848,该芯片支持多个兼容Serial RapidIO 2.1的端口节点,是一种低延迟、可靠的SRIO传输交换解决方案,并具备较高的输入输出容量,该系列芯片外围配置电路简单,可通过任意SRIO端口、I2C、JTAG来配置器件,实现任意通道间的高速SRIO交换。采用预加重、接收均衡等技术,芯片支持最高100cm的连接距离。芯片还具有体积小、芯片功能齐全优点。这些特性使该款芯片成为理想的SRIO高速数据交换的解决方案。
外形尺寸
(1)规格:符合OpenVPX标准;
(2)尺寸:6U;
(3)连接器:片式/针式。
- 板卡供电
(1)输入电源:+12V;
(2)电源使用约束:+12V为板上其它电路供电,电流不低于5A。
747

被折叠的 条评论
为什么被折叠?



