该芯片最早来自ADI的LTM4644芯片,是一款集成多种功能和保护特性的DC/DC转换器,可实现输入电压4~14V,输出电压0.6~5.5V的转换。国内对标该芯片的解决方案不少,厂家型号也较多,那么该颗芯片究竟是如何设计并制造出来的?这是本期要讨论的主要话题。为了避免歧义,我们把功能对标LTM4644的国内外所有芯片在本篇内统称为4644芯片。
(一)4644芯片特点:
-
高效率:采用电流模式控制,转换效率可以高达90%以上;其低内阻功率开关设计可以确保在高负载下依旧能保持高效率。
-
多种保护功能:LTM4644电源管理芯片具有过流保护、短路保护、过温保护等功能,可以快速采取保护措施,保证安全稳定。
-
多路输出:这款高性能电源芯片可以提供多个独立的输出通道,而且每个通道可以独立设置输出电压。
-
低噪声纹波:其先进的调制技术和滤波电容器为电源稳定输出保驾护航,电源输出稳定性高;
-
宽泛的电压范围:输入电压4~14V,输出电压0.6~5.5V;
(二)4644芯片的内部构造

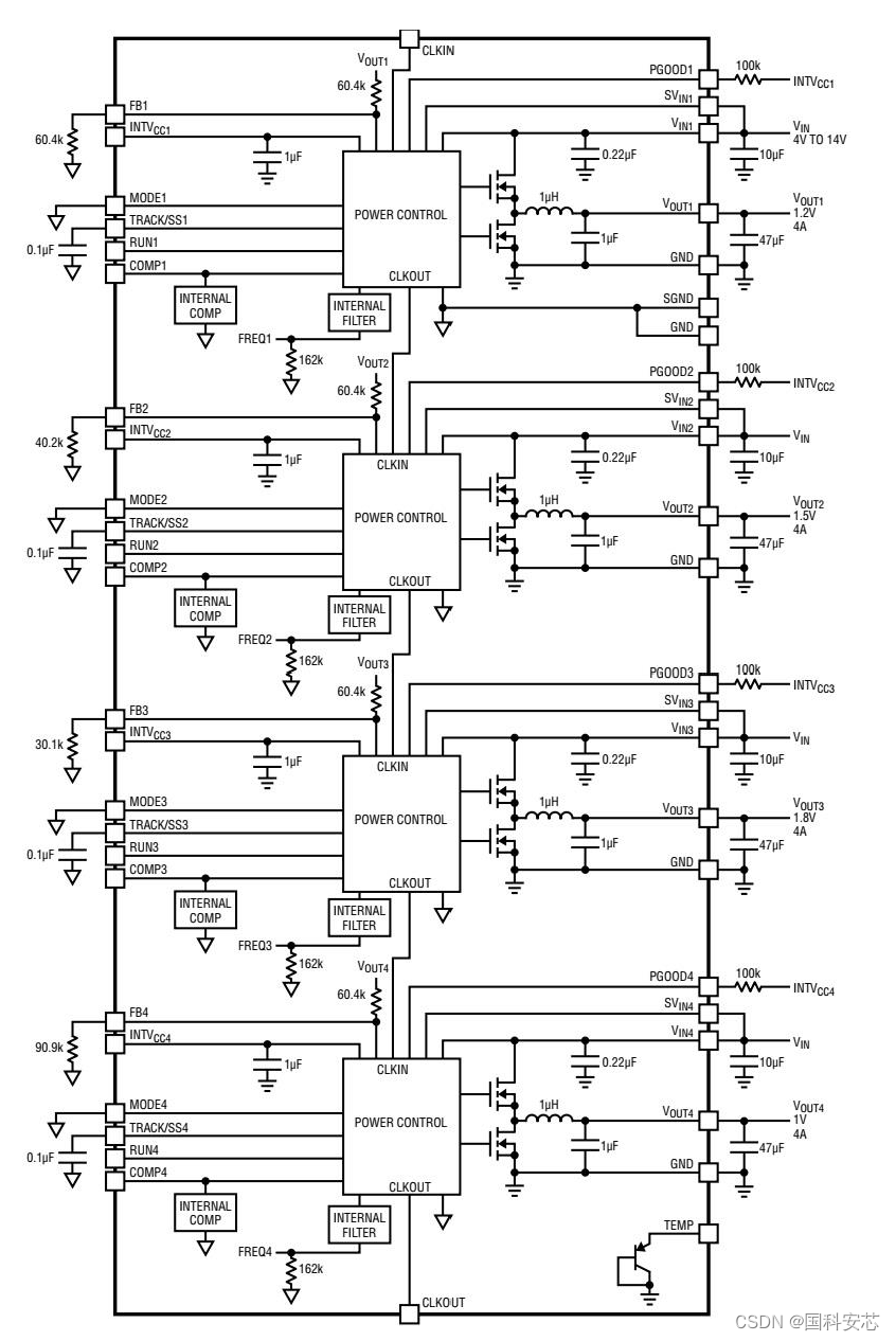
如图所示为4644内部的电路框图,在各家数据手册内几乎都能看到。可以看出,4644芯片的主要核心是内部的小控制器,通过增加电感、电容、二极管、MOS管等设计实现最终的电源电路。内部的小控制器,实际上是一颗独立的控制器芯片(裸die),最早的LTM4644内部采用的是Linear公司的LTC3605芯片来做设计。如今,由于国内芯片的发展,功能对标LTC3605的芯片也不在少数,设计方法上也各有千秋。
举个例子:
对标传统LTC3605设计,不增加新设计;
在原来LTC3605基础上,集成MOS管;
在增加MOS管的基础上,集成二极管等等。
无论怎么实现功能,核心都是为了实现4644芯片的小型化,减小封装的困难度。
(三)4644芯片的封装设计
继上文所说,不同的小控制器设计,最终都是通过四合一的方式来实现4644芯片的封装,那么这颗芯片的封装究竟有什么讲究没有?
我们同样先看看4644芯片的封装形式,4644封装形式为BGA77,外形尺寸15mm×9mm。小体积BGA封装在内部集成了IC、电感及阻容器件,外围配置调压电阻、电容,即可完成多路电源系统的设计,简化系统设计,节省PCB空间。
注意看,这里没有提芯片的设计高度——实际上,国内针对4644芯片不同的应用场景,考虑不同的设计高度。当然还有一些其他的原因,这个后面会提到。

这边先简单说一下4644封装会经历的流程——这边我们考虑内部的小控制器是3605裸die(即不包含封装):
4644采用BGA77形式的系统级封装(SIP)技术,将4颗3605裸die和控制基板集成到一个封装体内,实现了高性能、小尺寸的目标。
封装主要为塑封体、die、阻容感器件、基板、锡球等部分,其中3605裸die通过胶粘的方式固定到基板上,并通过wire bonding引线键合至基板进行电连接;阻容感器件通过SMT的方式焊接到基板正面;锡球通过植球工艺焊接到基板背面。四路电路相同,每路电路由电感、die、电阻、电容等器件组成,由基板进行控制。

封装流程
4644芯片封装流程为:

封装过程中的关键步骤工艺如下:
- 基板制备:在BT树脂/玻璃芯板的两面层压极薄铜箔,进行钻孔和通孔金属化;基板的两面制作出图形,如导带、电极及安装焊料球的焊区阵列;加上焊料掩膜并制作出图形,露出电极和焊区。为提高生产效率,一条基片上通常含有多个基板。
- 阻容感器件SMT贴装:在基板涂覆锡膏,将电阻、电容、电感等器件安放到基板,通过回流焊使锡膏熔化,冷却后完成器件焊接。
- 芯片die贴装:芯片贴装是根据设计图纸将芯片通过银胶、DAF 膜等贴片材料固定在基板上,其主要作用是固定芯片及传导芯片上的热量。
- 等离子清洗:使用电离的氩离子、电子、活性基团,使基板及芯片表面上的污染物形成挥发性气体,再由真空系统抽走,从而达到表面清洁之功效,使得焊线时的结合力更好。塑封前的清洗原理相似,通过使用电高的氩离子和氧离子,将表面污染物及碳化物清洗掉,使基板表面活化,增加PCB 与塑封料之间的结合力,提高产品的可靠性。
- 引线键合:引线键合是通过引线焊接将焊线(金线、铜线、银合金线)与芯片上的铝垫、基板上的金属焊盘连接起来,从而实现电性导通。
- 模塑封装:将塑封料在高温下熔化成黏度较低的液态塑封料注入模腔中,塑封料内部的环氧树脂在硬化剂、偶联剂等助剂的作用下固化;通过高温烘烤进行塑封材料熟化,稳定环氧树脂分子结构,提高塑封体的硬度,消除内部应力。
- 印字打标:在芯片的正面进行油墨印刷或激光刻字,将产品名称、生产日期等信息标注于产品表面,以利于产品的识别及追溯。
- 植球:在基板背面的焊球衬垫 (NiAu或镀铜 OSP 抗氧化处理)上印刷助焊剂并放置锡球,通过回流炉使锡球熔融,并与焊球衬垫形成共晶,冷却后固定于基板背面焊球衬垫上。完成回流后的焊球成为 BGA 封装的I/O 外引脚,实现芯片与外部电路的相连。
- 切割分离:切割分选前的工艺流程均是以条为单位进行作业的,将整条 BGA 基板产品通过切割或冲压方式分割成单个的 BGA 芯片,从而形成最终的产品。
从流程上来说,这个封装过程较为简单,大多数的封装厂都能够实现,是不是意味着解决了3605芯片裸die的问题,就可以独立设计这颗芯片了呢?换句话说,芯片设计公司想要做4644这款芯片,如果没有3605控制器的裸die,还可以做该颗芯片否?
答案是也不是。
国内目前的4644芯片应该说是百花齐放的状态,在早期缺芯或者4644芯片价格提升飞快的情况下,也存在部分厂商,通过直接购买LTC3605芯片,替代裸die的方案来实现封装的。好处是渠道简单,芯片成型快。缺点也很明显——由于采用成品芯片进行封装,需要考虑3605芯片的封装材料与4644封装所使用的材料是否具备相容性,换句话说,就是不同材料之间的接触对产品质量的影响大不大?很现实的是,在考虑芯片耐高温的条件下,这个难度是极大的。这也导致了大多数4644芯片在汽车或者更复杂恶劣的环境下应用时,往往无法通过必要的环境试验。这也是国内在推进国产化4644芯片的进程中,尤其关注内部控制器是否为原厂裸die的原因之一。
(四)散热设计有没有哪些注意事项?
4644电源芯片在小尺寸、高电源转化效率、大电流等优异性能的同时也带来了较高的功率密度,因此在封装时需要进行散热专项设计。从器件选型、基板设计、塑封材料等方面进行多项热设计措施,通过热仿真计算来考核芯片散热性能,检查可能存在的热点并进行针对性的优化设计。
前文也提到采用成品3605芯片进行封装可能存在高温下的问题,那么对于4644芯片而言,内部集成了4个小控制器,其散热又是怎么考虑的呢?
(a)关注点一——散热通道与材料:
4644电源芯片主要通过两个通道进行散热,一是内部的die和器件将热量向下传导至基板,再通过焊球传递至芯片所在PCB板上,通过PCB板扩散再传递至环境中;二是向上通过注塑料传递至环境中,在某些用户的使用场景下,芯片可在顶部安装热沉,顶部也是很重要的散热通道。因此基板在设计时应尽量增加铺铜面积进行热扩散,同时在叠层时要选择尽量厚的铜层,较大面积和较厚的铜层同时也能增强电通流能力;注塑料应选用导热系数高的材质来降低热量向上的传导热阻。

(b)关注点二——控制器贴装
裸die作为芯片内最重要的部分,同时也是功耗最高的部件,在贴装到基板上时,可以选用导电胶进行良好的接触,同时对应基板区域可开窗,芯片热量直接传到至基板铜层,减少绿油的传导热阻。
(c)关注点三——内部器件选择
电感作为电源芯片的重要部件,实现了滤波、稳压、降噪等功能,但同时电感也是芯片内功耗较高的器件,因此在选型时除了考虑电流和电感值之外,还需要选用尽量小的内阻来降低电感的功耗,来保证芯片整体低功耗。
这边我们再回到前面提到的4644芯片的高度问题,究竟高度是高好点,还是低好点呢?这个问题其实仁者见仁智者见智——都好。大多数芯片厂在考虑初步设计的时候,一定会考虑时间与周期,通用的封装形式对于封装厂和设计方都是喜闻乐见的,比如说封装需要考虑的模具,如果有公模可以使用,那就减少了开发周期,而且在散热设计上往往经过验证,成品率也较高,在时间与费用上大家皆大欢喜。如果涉及特殊场景的应用不得不改变封装形式,那就需要等待更多的时间来进行热仿真、重新生产、后期实验等环节,这类定制的产品的成本也会略高。具体怎么选择,就交给用户吧。

1万+

被折叠的 条评论
为什么被折叠?



