电池不均衡原因及其影响
当满充容量不同的电池配组串联在一起时,串联充电电流相同,但满充容量小的那个电池会先充到更高电压,从而表现为各节电池电压不相等。
- 即使满充容量相同,但 SOC 不同的电池配组串联在一起时, SOC 高的那节电池的电压偏高,从而表现为各节电池电压不相等。
- 即使满充容量相同、SOC 相同,但各节电池的内阻 R 不同,则在充放电时 IR 压差不同,也会导致电池端电压不同。此外,一些外部因素(比如电池组局部受温或个体电池之间热不均衡)也会导致个体电池老化速率不同从而内阻不均衡。最终都可能表现为各节电池电压不相等。
电池不均衡会影响电池续航时间和电池循环寿命。
- 对电池续航时间的影响,相当于木桶的短板效应。一方面没法充满,充电时电压高的那一节先触发过压保护停止充电,而其它电压低的电池没有充满;另一方面没法放空,放电电压低的那一节先触发欠压保护停止放电,而其它电压高的电池还有很多电量,所以电池续航时间受影响。
- 对电池循环寿命的影响,由于不均衡的那节电池经常经受过压和欠压压力而变得越来越弱,越弱越不均衡,从而影响电池循环寿命,甚至可能影响电池充电安全。
电池的木桶效应及均衡
电池的木桶效应是指电池的整体性能受制于性能最差的那颗电芯。举例来说,在充电过程中,当容量最小的电芯充满后,需要停止充电,以避免过充导致损坏。而容量较大的电芯则只能利用部分容量,导致电池组的一部分处于浪费状态。因此,需要控制电芯的一致性以确保电池的整体性能。为了尽量减小电池组的不一致性,电池需要进行均衡。不一致性的来源包括电池自身的内部差异和外部使用状态的差异。目前,现有的均衡方案主要分为被动均衡和主动均衡两种。被动均衡容易对电池管理系统和电池包产生不良影响,而主动均衡需要配置相应的电路和储能器件,成本高且体积大,不容易推广应用。

电池均衡的主要作用是在充放电过程中,消耗或者转移提前充满的单体电池电量,使其他未充满的单体能够继续充电,确保整体电池组能够充满。被动均衡又称能量耗散式均衡,其工作原理是在每个电芯上并联一个电阻。当某个单体电池已经提前充满,并且需要继续给电池包充电时,接上电阻对其进行放电,耗掉多余的能量。主动均衡又称非能量耗散式均衡,其原理是将提前充满的电芯内的能量转移到还未充满的电芯中,确保每个电池单体都能充满。
多节电池串联使用,如果没有均衡电路,那么放电和充电时流过每个电池的电流都相等,这样整个电池组的性能都会受最差的那节电池限制。
放电时,其他电池还是3.2V,最差的电池电压降到了2.8V,那整个电池组就不能再放了,导致电池组还有很多电量没有用上。
充电时,其他电池还是4V,最差的电池电压已经充到4.2V,那整个电池组就不能再充了,导致电池组电量根本没有充满。
一般做电池组时会尽量挑选性能一致的电芯来组在一起。
当电芯数少的时候,出现性能相差大的概率不大。当电芯多了概率就会增大,就必须考虑均衡了。
比如下面场景:
如果电池包有锂保芯片,4节电芯电压为4.15V、3个4V。当开始充电,由于总电压16.15V,因此可以30W快充,当大电流给到电芯,4.15V电芯电压马上会涨到4.25V以上,触发锂保过充电保护,锂保关闭充电MOS,停止充电。
CM1341
均衡开始条件(不管充电还是放电,满足条件就开始均衡):
正常状态下,任意一节电池电压高于均衡检测电压(VBAL),其余电池电压低于均衡检测电压(VBAL),超过均衡启动延迟时间(TBAL),CM1341 开始均衡。
均衡停止条件:
- 所有电池电压低于均衡检测电压(VBAL);
- 所有电池电压高于均衡检测电压(VBAL);
- CM1341 进入休眠状态,断线保护状态,放电温度保护状态;

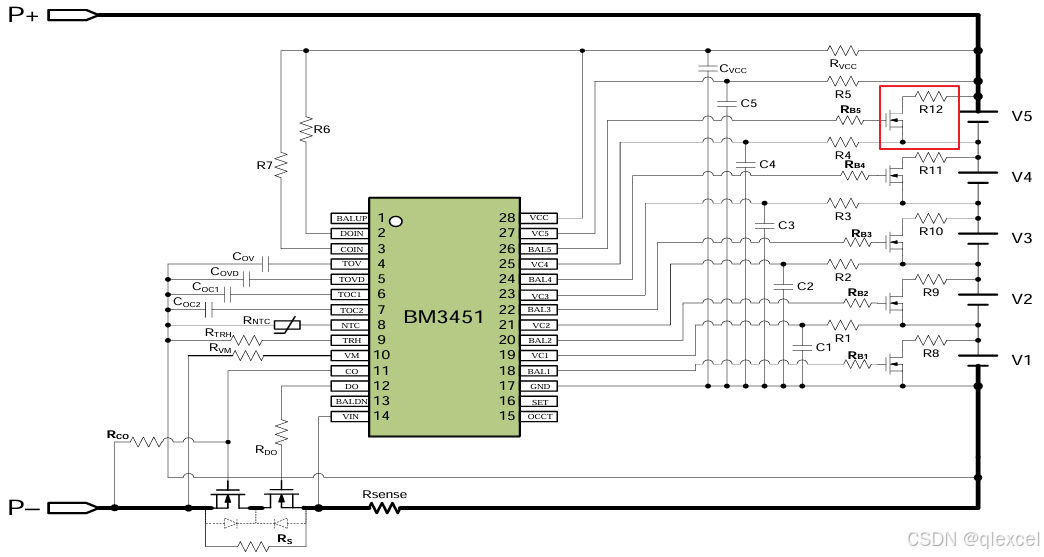
BM3451

比如我们选型BM3451SMDC-T28A ,过充检测电压4.225V,过充解除电压4.125V,平衡启动电压4.05V。
当5节电池电压都低于或都高于4.05V,均衡电路不会工作。
当5节中有高于4.05V也有低于4.05V的,就会打开均衡电路把高于4.05V的电池放电到小于4.05V,达到5节电池都低于4.05V。
充电时也是这样,如果5节中有高于4.05V也有低于4.05V的,就会把高于4.05V电池的均衡电路打开,均衡电路会分走部分充电电流,这样高于4.05V的电池就会充电慢等待其他电池。
充电时,如果某电池均衡电路已经打开了,但是该电池电压超过了过充检测电压4.225V,就会关闭充电MOS停止充电,然后均衡电路继续工作给该电池放电直到低于过充解除电压4.125V,再打开充电MOS继续充电。这个过程在充电时会一直循环,直到所有电池电压都高于4.05V。因此如果某节电池太差、均衡电路放电慢会导致充电时间大大增加。


287

被折叠的 条评论
为什么被折叠?



