特性
专用于 4 串锂/铁/钠电池的保护芯片,内置有高精度电压检测电路和电流检测电路。通过检测各节电池的电压、充放电电流及温度等信息,实现电池过充电、过放电、均衡、断线、低压禁充、放电过电流、短路、充电过电流和过温保护等功能,放电过流保护延时外置电容可调,其他保护延时内置。

功能框图

引脚

| 引脚号 | 符号 | 描述 |
|---|---|---|
| 1 | VCC | 正电源输入端子、电池 1 的正电压连接端子 |
| 2 | VNC | 电池 1 的正电压连接端子 |
| 3 | VNC | 电池 1 的正电压连接端子 |
| 4 | VNC | 电池 1 的正电压连接端子 |
| 5 | VC1 | 电池 1 的正电压连接端子 |
| 6 | VC2 | 电池 1 的负电压、电池 2 的正电压连接端子 |
| 7 | VC3 | 电池 2 的负电压、电池 3 的正电压连接端子 |
| 8 | VC4 | 电池 3 的负电压、电池 4 的正电压连接端子 |
| 9 | VSS | 芯片地、电池 4 的负电压连接端子 |
| 10 | TEC | 放电过流延时调节端子 |
| 11 | RTS | 接 NTC,用于温度检测 |
| 12 | RTV | 接电阻到 RTS 端子,用于设置保护温度 |
| 13 | VINI | 过流检测端子 |
| 14 | DO | 放电 MOS 控制端子 |
| 15 | CO | 充电 MOS 控制端子 |
| 16 | VM | 充电器及负载检测端子 |
原理图



注意:
- 如非上述两种典型应用方案应用,请咨询我司FAE。
- 其它特殊应用电路需要更改部分BOM,例如P充N放方案、超大电流充放电等。
- RCO、RDO、RPD等电阻的值需要结合MOSFET的器件参数和系统级功能需求进行调试。
- 上述参数有可能不经预告而作更改。
- 上述IC的原理图以及参数并不作为保证电路工作的依据,请在实际的应用电路上进行充分的实测后再设定参数。
参考PCB布局

功能说明
1.过充电
任意一节电池电压上升到 VOC 以上并持续一段时间超过 TOC,CO 端子的输出就会反转,将充电控制 MOS 管关断,停止充电,这称为过充电状态。所有电池电压降低到过充电解除电压 VOCR 以下并持续一段时间超过 TOCR,过充电状态解除,恢复为正常状态。若此时连接负载 VVM > 0.1V(典型值),当所有电池电压降低到过充电保护电压 VOC 以下时,过充电状态解除,恢复为正常状态,此功能称作负载检测功能。
2.过放电
任意一节电池电压降低到 VOD 以下并持续一段时间超过 TOD,DO 端子的输出就会反转,将放电控制 MOS 管关断,停止放电,这称为过放电状态。所有电池电压上升到过放电解除电压 VODR 以上,且 VM 电压小于 3.0V(典型值),并持续一段时间超过 TODR,过放电状态解除,恢复为正常状态。若此时连接充电器 VVM < -0.1V(典型值),当所有电池电压上升到过放电保护电压(VOD)以上时,过放电状态解除,恢复为正常状态,此功能称作充电器检测功能。
3.放电过电流
电池处于放电状态时,VINI 端电压随着放电电流的增大而增大,当 VINI 端电压高于 VEC1 并持续一段时间超过 TEC1,芯片认为出现了放电过流 1;当 VINI 端电压高于 VEC2 并持续一段时间超过 TEC2,芯片认为出现了放电过流 2;当 VINI 端电压高于 VSHORT 并持续一段时间超过 TSHORT,芯片认为出现了短路。上述 3 种状态任意一种状态出现后,DO 端子的输出就会反转,将放电控制 MOS 管关断,停止放电。进入放电过流保护状态后,断开负载且 VVM < 3.0V,放电过流保护解除,恢复为正常状态。
4.充电过电流
正常工作状态下的电池,在充电过程中,如果 VINI 端子电压低于充电过流保护电压(VCHA),且这种状态持续的时间超过充电过流保护延迟 TCHA,将充电控制 MOS 管关断,停止充电,这种状态称为充电过流状态。进入充电过流保护状态后,如果断开充电器且 VVM>VCHA,充电过电流状态被解除,恢复为正常状态。
5.过温保护
充放电过程中,电芯温度过高或过低都会给电芯带来损坏,因此需要通过热敏电阻 RNTC 用于感知温度变化,当达到设定的保护温度,且维持一段时间后,即发生温度保护,将充电或放电 MOS 管关断,实现对电芯充放电高低温的保护。
当 VINI 端小于 4mV 时,芯片默认识别为充电状态,若检测到温度高于充电高温保护温度 TCH,且持续时间超过 DTCH,则关断充电 MOS 管,充电高温保护迟滞温度为 5°C。若检测到温度低于充电低温保护温度 TCL,且持续时间超过 DTCL,则关断充电 MOS 管,充电低温保护迟滞温度为 5°C。
当 VINI 端大于 4mV 时,芯片识别为放电状态,若检测到温度高于放电高温保护温度 TDH,且持续时间超过 DTDH,则同
时关断充放电 MOS 管,放电高温保护迟滞温度为 10°C。若检测到温度低于放电低温保护温度 TDL,且持续时间超过 DTDL,则同时关断充放电 MOS 管,放电低温保护迟滞温度为 10°C。
RTS 连接电阻 RNTC 选用 B 值=3950,常温 100kΩ@25°C 的电阻,RTV 连接电阻 RT 用于设置高温保护温度。RT 电阻大小为所需 TCH 所对应的 NTC 阻值的 3 倍,放电高温保护温度与充电高温保护具有一一对应关系,具体设置如下:

CM1341 系列具有 NTC 断线保护功能,若 RTV 连接电阻,NTC 断线后芯片会进入 NTC 断线保护状态,CO、DO 端子的输出均会反转;如不使用温度保护功能,可将 RNTC 与 RT 各接 100kΩ电阻即可。
6.断线保护
正常状态下,若芯片管脚 VC1~VC4 中任意一根或多根与电芯的连线断开,芯片则检测判断为发生断线状态,强制将 CO、 DO 输出电平反转,同时关断充、放电 MOS,禁止充电与放电,此状态称为断线保护状态。若断线前接有负载,当断开的连线重新正确连接后,需要断开负载且 VVM < 3.0V,芯片退出断线保护状态。
7.低压禁充功能
CM1341 系列提供低压禁充功能可选,具备低压禁充功能的 IC 在检测到任意节电池电压低于 VLV 并持续一段时间超过 TLV,CO 端子的输出就会反转,将充电控制 MOS 管关断,停止充电。所有电池电压回升到 VLVR 以上并持续一段时间超过
TLVR,低压禁充状态解除,恢复为正常状态。
8.均衡功能
CM1341 系列内置电池均衡功能,内部均衡电阻 600Ω,通过外部电压采样电阻调节均衡电流,推荐外部电压采样电阻 100 ~ 1000Ω,如需大电流均衡可外部增加均衡电路扩流,均衡电流由外部均衡电阻决定。正常状态下,任意一节电池电压高于均衡检测电压(VBAL),其余电池电压低于均衡检测电压(VBAL),超过均衡启动延迟时间(TBAL),CM1341 开始均衡。
均衡停止条件:
- 所有电池电压低于均衡检测电压(VBAL);
- 所有电池电压高于均衡检测电压(VBAL);
- CM1341 进入休眠状态,断线保护状态,放电温度保护状态;
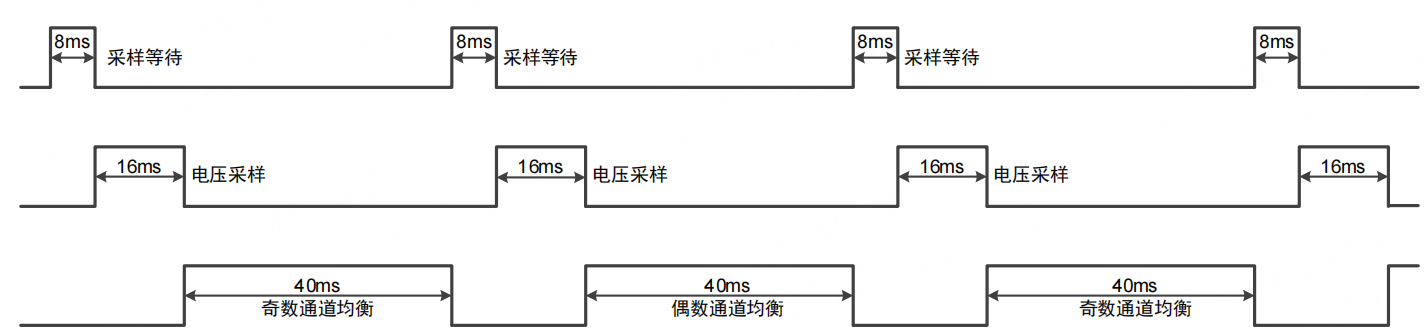
CM1341 采用奇偶通道分时均衡,均衡功能不影响正常的电池电压采样,当同时开启多路均衡通道,奇数通道会先进入均衡状态,偶数通道在下一个周期进入均衡状态,具体电池电压采样和均衡开启时序图如下:

9.放电过流延迟时间设置
CM1341 系列放电过流保护延时可通过外置电容调节。放电过流 1 与放电过流 2 保护延时时间比例为 10:1, 延迟时间与
CTEC 可按如下公式进行设置:
TEC1 (ms) = 10*CTEC (nF), TEC2 = TEC1/10,
可参考如下表格设定:

10.电池端子连接顺序
为了保证 CM1341 工作正确,请按照下述建议的顺序连接各个电池端子,否则需要在上电完成后把芯片 VCC 管脚短路到 VSS 管脚 1ms 以上进行激活,以确保芯片正常工作。
- 连接 VSS
- 连接 VCC
- 连接其他电池端子
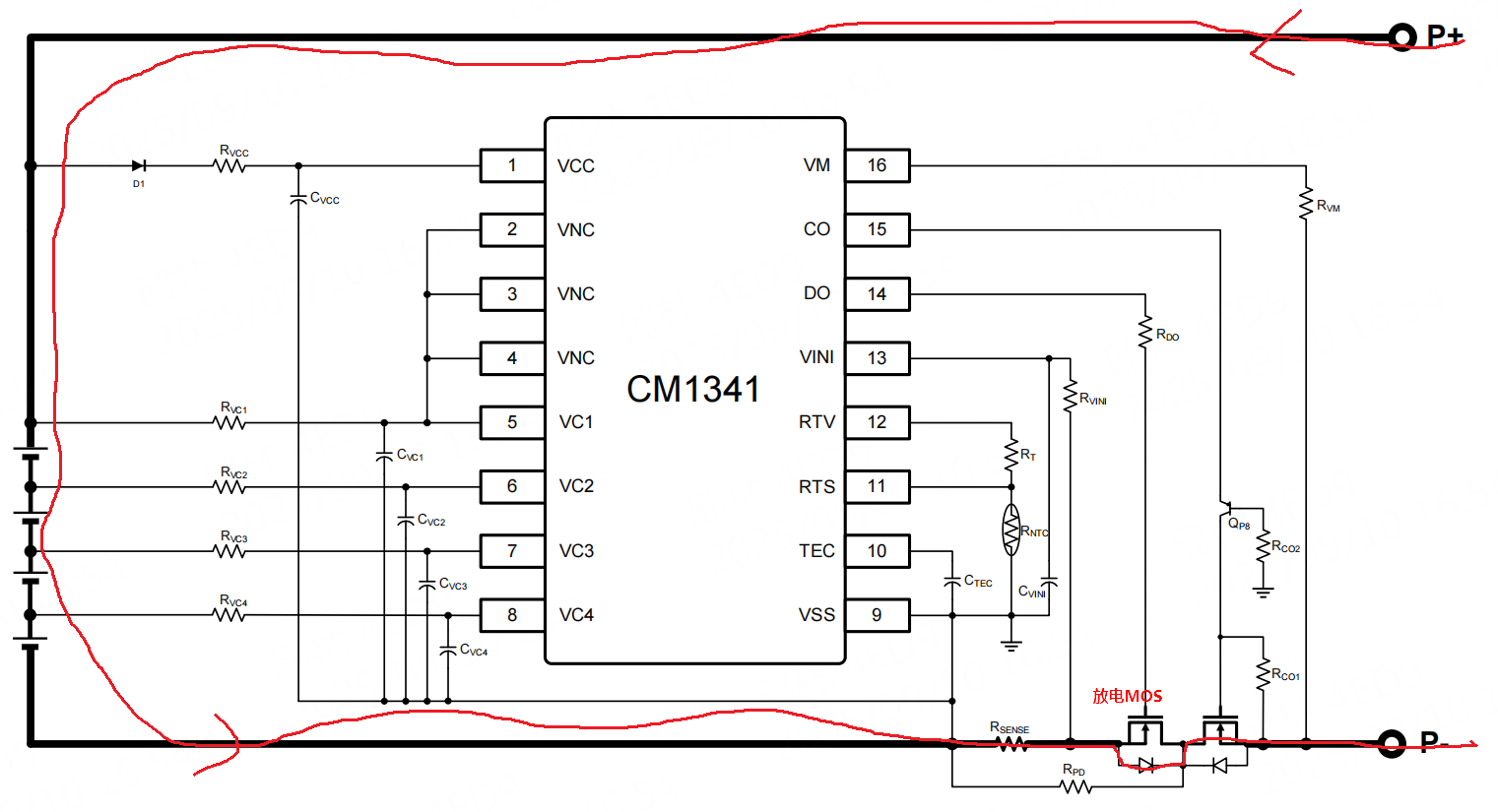
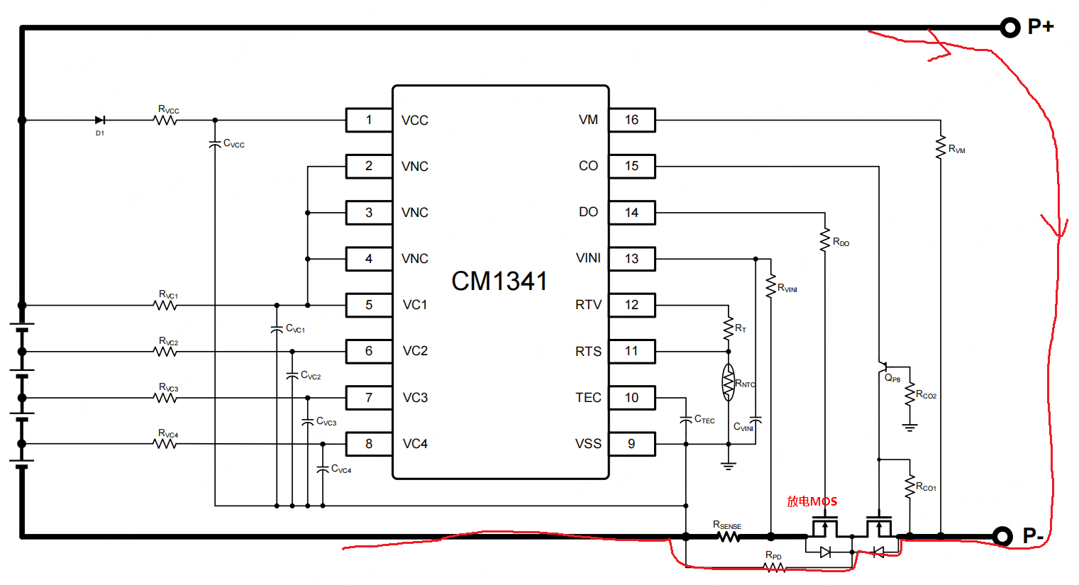
电路分析(4节4.2V锂电池)
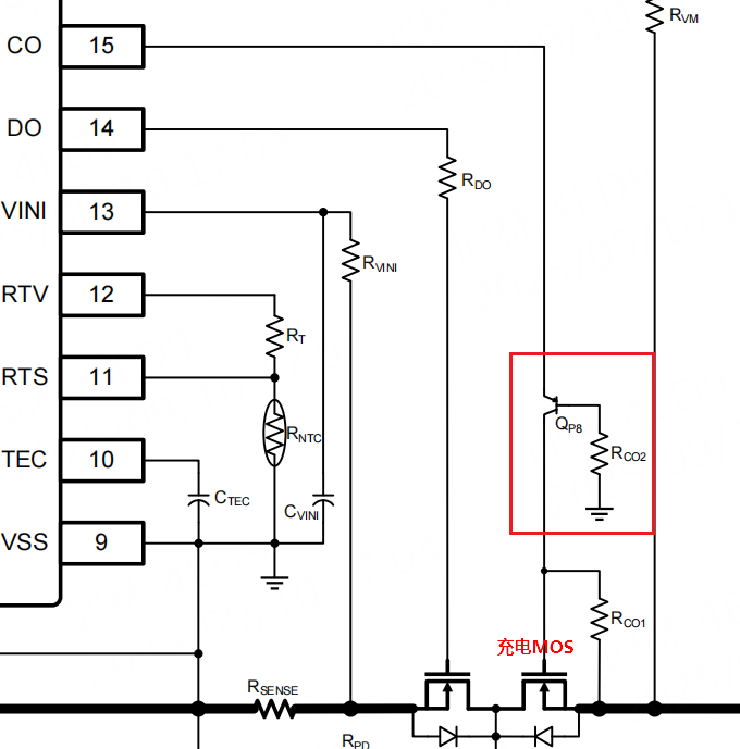
QP8三极管

QP8三极管的作用肯定不是为了高电平输出时扩电流。
那就只能是低电平输出时,防止漏电流?此时三极管c极高阻。
看芯片内部是一个MOS到VCC。
具体作用没实锤,有机会再去深究。

RPD电阻作用
当刚接上电池,没有故障,14脚会输出10.6V电压,放电MOS打开。
15脚输出10.6V,10.6V流过Rco1、充电MOS体二极管、RPD到LGND形成通路,充电MOS才会打开。
因此如果没有RPD电阻,充电MOS是打不开的。

当电池电压低于10.8V,触发过放保护时,14脚输出0V,放电MOS关闭。但是15脚电压有9.66V,充电MOS仍然打开的,电流流过放电MOS体二极管,仍然可以充电。当电池电压高于12V,过放保护解除,放电MOS打开。

由于RPD电阻的存在,当触发过放,放电MOS关闭,但是锂电池还是存在漏电回路。漏电流大小取决于RPD大小。

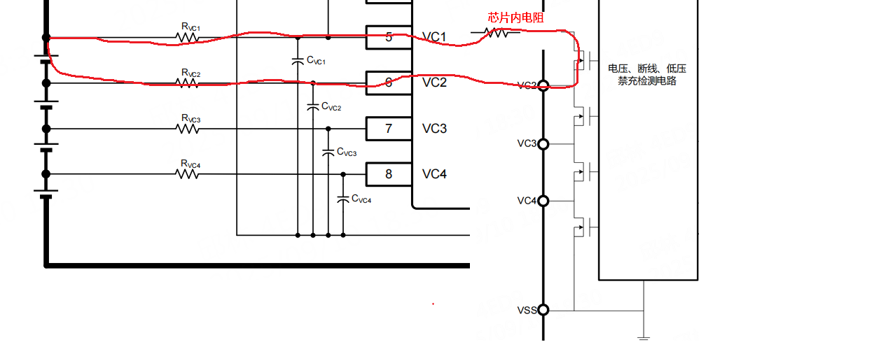
均衡功能


CM1341 系列内置电池均衡功能,内部均衡电阻 600Ω,通过外部电压采样电阻调节均衡电流,推荐外部电压采样电阻 100 ~ 1000Ω,如需大电流均衡可外部增加均衡电路扩流,均衡电流由外部均衡电阻决定。
当外部没有均衡电路,回路如下:
芯片内有电阻和MOS管,均衡电流=单节电压/(Rvc1+Rvc2+芯片内电阻)

如果让Rvc1、Rvc2值为1K,测量Rvc1两边的电压波形为:

实测的电压值为1.75V,总电阻=4.126/(1.75/1000)=2357Ω,说明芯片内电阻=357Ω。
让Rvc1、Rvc2值为100Ω,Rvc1压降实测0.34V,总电阻=4.126/(0.34/100)=1213Ω,说明芯片内电阻=1013Ω。
看来芯片内电阻不是一个固定值,需要实测来确定。
均衡是以周期形式进行的,均衡40ms,然后关闭24ms。这样可以实时测量电池电压。这个波形跟手册上是一致的:

均衡开始条件:
正常状态下,任意一节电池电压高于均衡检测电压(VBAL),其余电池电压低于均衡检测电压(VBAL),超过均衡启动延迟时间(TBAL),CM1341 开始均衡。
均衡停止条件:
- 所有电池电压低于均衡检测电压(VBAL);
- 所有电池电压高于均衡检测电压(VBAL);
- CM1341 进入休眠状态,断线保护状态,放电温度保护状态;
当外部有均衡电路:

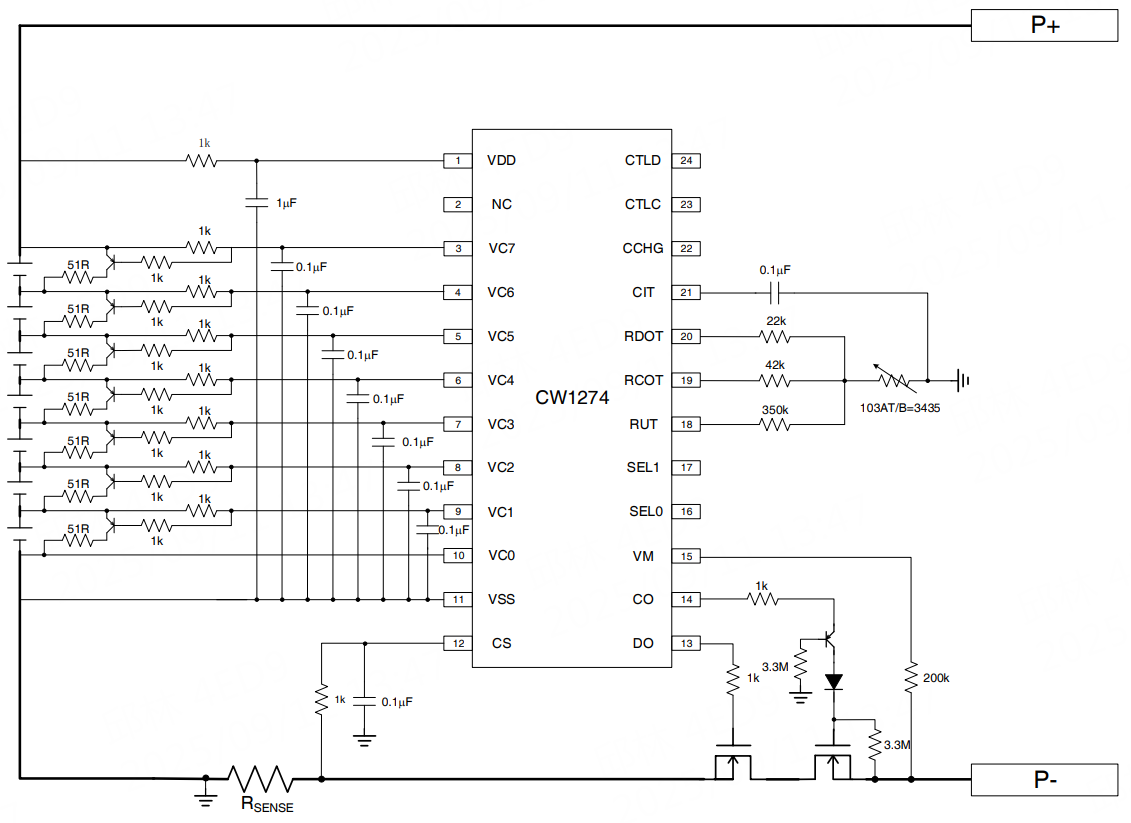
Rvc1上的压降使三极管Qp1打开,把RB1回路也串入电池,进行均衡。
赛微微电的CW1274均衡也是这样的:


1万+

被折叠的 条评论
为什么被折叠?



