常见的TL431+光耦电路有下面两种:

左边电路
计算R6和R7
流过R7电流最小为2uA*100=200uA,因R端电压为基准2.5V,所以R7最大为2.5V/200uA=12.5KΩ。
取R7为10KΩ,则R7电流为2.5V/10KΩ=0.25mA。
R6=(Vout-2.5V)/0.25mA,输出电压为12V,则R6=(12-2.5)/0.25 = 38KΩ。
R4
R4是光耦的死区补偿电阻。R4=1.2V/1mA,得出R4最大为1.2K。
R8
PC817在光电二极管正向电流5-20mA范围内时线性度较好,所以可以设置工作电流为10mA。此时R8=(12-2.5-1.2)/10mA=830Ω。
R5和C8
串接于TL431控制端和输出端,用来压制低频(100Hz)纹波和提高输出调整率。
右边电路
计算R4和R3
TL431的R端流入电流2uA,为了保证取样精度,即不让TL431的R端吸取电流参与R3和R4的分压,可以设置R4的电流大于TL431的R端吸取电流的100倍,此时工程实践上基本可以忽略掉TL431的R端吸取电流的影响了。R4电流最小为2uA*100=200uA,因R端电压为基准2.5V,所以R4最大为2.5V/200uA=12.5KΩ。R4越小,TL431的R端吸取电流对R3和R4分压影响越小。

现在R4范围确定了,不能大于12.5K,大于了就会影响反馈控制精度。
这里取R4为10KΩ,则R4电流为2.5V/10KΩ=0.25mA。
R3=(Vout-2.5V)/0.25mA,如果要稳定的输出电压为12V,则R3=(12-2.5)/0.25 = 38KΩ。
计算R1
R1与光耦和TL431串联,其取值对二者工作都有影响。
TL431的K端输出电压等于R端(2.5V)时,光耦和R1承担了最大电压,为12-2.5V=9.5V。扣掉光耦正向压降电压1.2V,R1的端电压为8.3V。
如果知道此时的电流,就可以计算出R1阻值。此时的电流是多少?这个是根据光耦的线性工作区间设定的。PC817在光电二极管正向电流5-20mA范围内时线性度较好,所以可以设置工作电流为10mA。此时R1为8.3V/10mA=830Ω。
如果我们实际取值为1K,验证实际最大工作电流为8.3V/1KΩ=8.3mA,也时处于线性度较好的区间的。
R1的最大取值为8.3V/5mA= 1.66KΩ;R1的最小取值为:8.3V/20mA= 0.415KΩ;

计算R2
为保证TL431处于合理工作区,流过电流不能小于1mA。当光耦的发光二极管正向压降未达到开启阈值情况下,R2承担了保证431正常工作的重任。此时光耦电流近似为0,R1压降为0,所以R2两端电压最大为1.2V,1.2V/1mA,得出R2最大为1.2K。当R2大于1.2K将可能导致431不能正常工作。R2能不能小呢?当然可以小。但是增加了不必要的功耗。

线性度好指的是光耦的发光二极管电流变化对传输比影响很小。下图为PC817的传输比与If的关系曲线。在5mA-20mA范围,传输比始终处于120%-140%范围内。所谓传输比,就是输出电流与输入电流的比值。例如:IF输入5mA时,传输比为120%,此时光耦输出电流为5mA*1.2=6mA。
此电流接入负载电阻即可转换成电压,此电压可以用于环路控制。

最后小结一下:TL431作用是将变化的电压(开关电源输出电压)转换成变化的电流,光耦将该电流以一定的传输比(CTR)传输到另一方,起隔离作用。
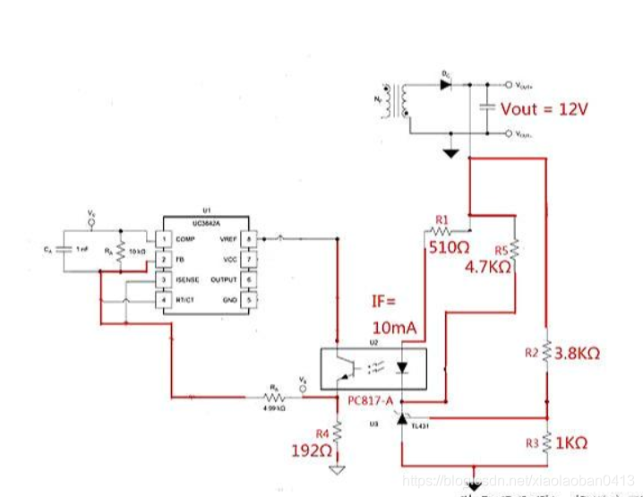
根据开关电源芯片计算初级阻值

开关电源芯片UC3842内部电路
通过芯片内部电路可以看到,VFB脚的输入电压是和2.5V进行比较的
所以我们需要让VFB的输入电压是2.5V
我们知道PC817-A光耦的IF在10mA时,CTR大约是130,所以光耦的输出端的电流是13mA
2.5V/0.013A = 192Ω,所以R4 = 192Ω

5814

被折叠的 条评论
为什么被折叠?



