✅作者简介:热爱科研的Matlab仿真开发者,擅长数据处理、建模仿真、程序设计、完整代码获取、论文复现及科研仿真。
🍎 往期回顾关注个人主页:Matlab科研工作室
🍊个人信条:格物致知,完整Matlab代码获取及仿真咨询内容私信。
🔥 内容介绍
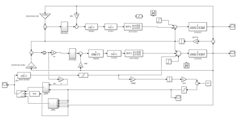
针对高比例新能源并网场景下,火电机组调频响应滞后、储能参与调频易出现过充过放及功率震荡等关键技术痛点,本研究构建了一套储能辅助火电机组二次调频仿真系统。该系统通过多模块协同控制架构,实现储能调频全场景精细化管控,核心管控逻辑分为三部分:一是基于荷电状态(SOC)的分段保护模块,可根据储能实时SOC水平动态调整充放电修正系数,在低SOC区间精准限制放电功率、高SOC区间严格约束充电功率,从源头规避设备损伤风险;二是结合频率偏差的适配模块,能够依据系统频率波动幅度与变化速率实时调节储能参与权重,保障系统频率快速回归额定范围;三是功率限幅模块,将最终执行指令严格约束在储能物理容量阈值内,筑牢运行安全防线。
本仿真程序采用Simulink模型与MATLAB代码联动的实现方式,具备优异的性能表现与仿真效果,相关设计思路与技术方案具备较高的参考与学习价值。
该仿真系统的核心技术优势集中体现在以下三方面:
其一,创新采用非线性平滑过渡函数替代传统线性控制策略,有效削弱因修正系数突变引发的功率震荡现象,显著提升调频过程的稳定性与平顺性;
其二,构建“SOC保护-频率适配-功率限幅”多层级闭环控制链,实现从调频指令生成、动态调整到最终执行的全流程安全约束,在保障调频响应速度的同时,最大化延长储能设备使用寿命,实现安全性与经济性的协同优化;
其三,采用0.1秒离散采样与连续响应相结合的设计方案,既确保对系统频率动态变化的实时精准追踪,又完美适配SOC慢变特性,在提升调频控制精度的同时,大幅降低系统计算冗余,提升运行效率。
综上,本仿真系统为“火电+储能”协同调频模式提供了可落地的精细化控制方案,能够显著增强高比例新能源并网电力系统的频率稳定性,同时提升储能设备运行经济性,对推动新型电力系统调频技术升级具有重要意义。
⛳️ 运行结果




📣 部分代码
🔗 参考文献
[1]肖家杰,李培强,毛志宇,等.基于双层协调控制的电池储能参与电网二次调频策略[J].电力自动化设备, 2024, 44(8):9-17.
🎈 部分理论引用网络文献,若有侵权联系博主删除
👇 关注我领取海量matlab电子书和数学建模资料
🏆团队擅长辅导定制多种科研领域MATLAB仿真,助力科研梦:
🌟 各类智能优化算法改进及应用
生产调度、经济调度、装配线调度、充电优化、车间调度、发车优化、水库调度、三维装箱、物流选址、货位优化、公交排班优化、充电桩布局优化、车间布局优化、集装箱船配载优化、水泵组合优化、解医疗资源分配优化、设施布局优化、可视域基站和无人机选址优化、背包问题、 风电场布局、时隙分配优化、 最佳分布式发电单元分配、多阶段管道维修、 工厂-中心-需求点三级选址问题、 应急生活物质配送中心选址、 基站选址、 道路灯柱布置、 枢纽节点部署、 输电线路台风监测装置、 集装箱调度、 机组优化、 投资优化组合、云服务器组合优化、 天线线性阵列分布优化、CVRP问题、VRPPD问题、多中心VRP问题、多层网络的VRP问题、多中心多车型的VRP问题、 动态VRP问题、双层车辆路径规划(2E-VRP)、充电车辆路径规划(EVRP)、油电混合车辆路径规划、混合流水车间问题、 订单拆分调度问题、 公交车的调度排班优化问题、航班摆渡车辆调度问题、选址路径规划问题、港口调度、港口岸桥调度、停机位分配、机场航班调度、泄漏源定位、冷链、时间窗、多车场等、选址优化、港口岸桥调度优化、交通阻抗、重分配、停机位分配、机场航班调度、通信上传下载分配优化
🌟 机器学习和深度学习时序、回归、分类、聚类和降维
2.1 bp时序、回归预测和分类
2.2 ENS声神经网络时序、回归预测和分类
2.3 SVM/CNN-SVM/LSSVM/RVM支持向量机系列时序、回归预测和分类
2.4 CNN|TCN|GCN卷积神经网络系列时序、回归预测和分类
2.5 ELM/KELM/RELM/DELM极限学习机系列时序、回归预测和分类
2.6 GRU/Bi-GRU/CNN-GRU/CNN-BiGRU门控神经网络时序、回归预测和分类
2.7 ELMAN递归神经网络时序、回归\预测和分类
2.8 LSTM/BiLSTM/CNN-LSTM/CNN-BiLSTM/长短记忆神经网络系列时序、回归预测和分类
2.9 RBF径向基神经网络时序、回归预测和分类
2.10 DBN深度置信网络时序、回归预测和分类
2.11 FNN模糊神经网络时序、回归预测
2.12 RF随机森林时序、回归预测和分类
2.13 BLS宽度学习时序、回归预测和分类
2.14 PNN脉冲神经网络分类
2.15 模糊小波神经网络预测和分类
2.16 时序、回归预测和分类
2.17 时序、回归预测预测和分类
2.18 XGBOOST集成学习时序、回归预测预测和分类
2.19 Transform各类组合时序、回归预测预测和分类
方向涵盖风电预测、光伏预测、电池寿命预测、辐射源识别、交通流预测、负荷预测、股价预测、PM2.5浓度预测、电池健康状态预测、用电量预测、水体光学参数反演、NLOS信号识别、地铁停车精准预测、变压器故障诊断
🌟图像处理方面
图像识别、图像分割、图像检测、图像隐藏、图像配准、图像拼接、图像融合、图像增强、图像压缩感知
🌟 路径规划方面
旅行商问题(TSP)、车辆路径问题(VRP、MVRP、CVRP、VRPTW等)、无人机三维路径规划、无人机协同、无人机编队、机器人路径规划、栅格地图路径规划、多式联运运输问题、 充电车辆路径规划(EVRP)、 双层车辆路径规划(2E-VRP)、 油电混合车辆路径规划、 船舶航迹规划、 全路径规划规划、 仓储巡逻、公交车时间调度、水库调度优化、多式联运优化
🌟 无人机应用方面
无人机路径规划、无人机控制、无人机编队、无人机协同、无人机任务分配、无人机安全通信轨迹在线优化、车辆协同无人机路径规划、
🌟 通信方面
传感器部署优化、通信协议优化、路由优化、目标定位优化、Dv-Hop定位优化、Leach协议优化、WSN覆盖优化、组播优化、RSSI定位优化、水声通信、通信上传下载分配
🌟 信号处理方面
信号识别、信号加密、信号去噪、信号增强、雷达信号处理、信号水印嵌入提取、肌电信号、脑电信号、信号配时优化、心电信号、DOA估计、编码译码、变分模态分解、管道泄漏、滤波器、数字信号处理+传输+分析+去噪、数字信号调制、误码率、信号估计、DTMF、信号检测
🌟电力系统方面
微电网优化、无功优化、配电网重构、储能配置、有序充电、MPPT优化、家庭用电、电/冷/热负荷预测、电力设备故障诊断、电池管理系统(BMS)SOC/SOH估算(粒子滤波/卡尔曼滤波)、 多目标优化在电力系统调度中的应用、光伏MPPT控制算法改进(扰动观察法/电导增量法)、电动汽车充放电优化、微电网日前日内优化、储能优化、家庭用电优化、供应链优化\智能电网分布式能源经济优化调度,虚拟电厂,能源消纳,风光出力,控制策略,多目标优化,博弈能源调度,鲁棒优化
电力系统核心问题经济调度:机组组合、最优潮流、安全约束优化。新能源消纳:风光储协同规划、弃风弃光率量化、爬坡速率约束建模多能耦合系统:电-气-热联合调度、P2G与储能容量配置新型电力系统关键技术灵活性资源:虚拟电厂、需求响应、V2G车网互动、分布式储能优化稳定与控制:惯量支撑策略、低频振荡抑制、黑启动预案设计低碳转型:碳捕集电厂建模、绿氢制备经济性分析、LCOE度电成本核算风光出力预测:LSTM/Transformer时序预测、预测误差场景生成(GAN/蒙特卡洛)不确定性优化:鲁棒优化、随机规划、机会约束建模能源流分析、PSASP复杂电网建模,经济调度,算法优化改进,模型优化,潮流分析,鲁棒优化,创新点,文献复现微电网配电网规划,运行调度,综合能源,混合储能容量配置,平抑风电波动,多目标优化,静态交通流量分配,阶梯碳交易,分段线性化,光伏混合储能VSG并网运行,构网型变流器, 虚拟同步机等包括混合储能HESS:蓄电池+超级电容器,电压补偿,削峰填谷,一次调频,功率指令跟随,光伏储能参与一次调频,功率平抑,直流母线电压控制;MPPT最大功率跟踪控制,构网型储能,光伏,微电网调度优化,新能源,虚拟同同步机,VSG并网,小信号模型
🌟 元胞自动机方面
交通流 人群疏散 病毒扩散 晶体生长 金属腐蚀
🌟 雷达方面
卡尔曼滤波跟踪、航迹关联、航迹融合、SOC估计、阵列优化、NLOS识别
🌟 车间调度
零等待流水车间调度问题NWFSP 、 置换流水车间调度问题PFSP、 混合流水车间调度问题HFSP 、零空闲流水车间调度问题NIFSP、分布式置换流水车间调度问题 DPFSP、阻塞流水车间调度问题BFSP
👇
1065

被折叠的 条评论
为什么被折叠?



