✅作者简介:热爱科研的Matlab仿真开发者,擅长数据处理、建模仿真、程序设计、完整代码获取、论文复现及科研仿真。
🍎 往期回顾关注个人主页:Matlab科研工作室
🍊个人信条:格物致知,完整Matlab代码及仿真咨询内容私信。
🔥 内容介绍
一、引言
小电流接地系统作为 66kV 及以下配电网的主流结构,其中性点接地方式直接影响故障特性与继电保护可靠性。其中,中性点不接地方式凭借结构简单、投资成本低的优势,广泛应用于农村架空线路为主的配电网;中性点经消弧线圈接地方式则通过感性电流补偿电容电流,有效熄灭故障电弧,适用于电容电流较大的电缆线路配电网。
本文基于 MATLAB/Simulink 平台,构建两种接地方式的仿真模型,模拟单相接地故障下的电气量变化规律,对比分析故障特征差异,为继电保护装置的选型与算法设计提供仿真支撑。
二、核心原理与理论基础
(一)中性点不接地系统故障机理
中性点不接地系统可视为经电网对地电容构成的容抗接地系统,其对地电容由架空线路、电缆、变压器等设备的耦合电容叠加形成。当发生单相接地故障时,故障相电压降至零,非故障相电压升高为线电压,接地电流为所有非故障相对地电容电流的矢量和,通常为几安至十几安。
关键特征:
- 故障电流小,瞬时性故障可自行熄弧;
- 易引发 PT 铁芯饱和,产生铁磁谐振过电压;
- 随电缆线路增多,电容电流增大,故障电弧难以自熄。
(二)中性点经消弧线圈接地系统补偿原理
消弧线圈本质为可调电感元件,通过在中性点与大地间接入线圈,使故障时感性电流与系统电容电流形成相位互补。根据补偿程度可分为全补偿(感性电流 = 电容电流)、欠补偿(感性电流 <电容电流)和过补偿(感性电流> 电容电流),实际中多采用过补偿方式避免谐振风险。
关键特征:
- 合成接地电流极小,电弧快速熄灭,抑制过电压;
- 需精准匹配消弧线圈容量与系统电容电流;
- 故障电流微弱,增加继电保护选线难度。
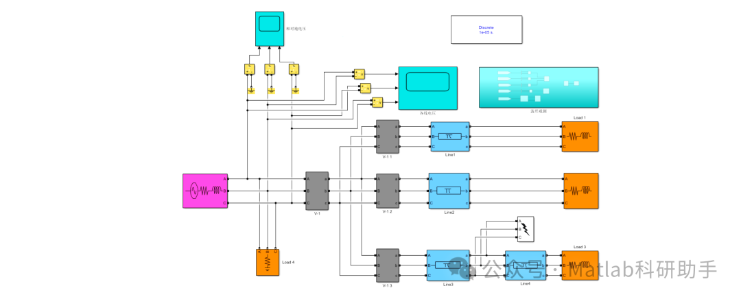
三、仿真模型总体设计
- 电源与线路模块:采用三相交流电压源模拟配电网电源,通过分布参数线路模型模拟实际出线,准确反映对地电容效应;
- 接地方式切换模块:设计单刀双掷开关,实现 "中性点不接地" 与 "经消弧线圈接地" 两种模式的切换;
- 故障发生模块:通过受控开关模拟单相接地故障,支持故障电阻与故障时刻的参数调节;
- 测量与分析模块:接入电压互感器(PT)、电流互感器(CT)及示波器,实时采集故障相电压、非故障相电压及接地电流数据。
四、两种接地方式仿真实现与结果分析
(一)中性点不接地系统故障仿真
- 仿真设置:故障电阻 10Ω,无消弧线圈接入,模拟瞬时性接地故障;
- 关键波形分析:
- 电压特性:故障前三相电压对称,故障后 A 相电压骤降为 0,B、C 相电压升至 17.32kV(线电压);
- 电流特性:接地电流峰值约 8A,呈容性特征,波形为正弦半波叠加高频振荡,持续约 0.05s 后因电弧熄灭而消失;
- 谐振风险:故障后 10ms 出现 3 次谐波过电压,幅值达额定电压 1.5 倍。
(二)中性点经消弧线圈接地系统故障仿真
- 仿真设置:消弧线圈电感 15H(过补偿状态),故障电阻 10Ω,系统电容电流 10A;
- 关键波形分析:
- 补偿效果:接地电流峰值降至 1.2A,仅为不接地系统的 15%,电弧在 0.02s 内熄灭;
- 电压特性:非故障相电压升高幅度控制在 1.1 倍额定电压以内,无明显谐振过电压;
- 动态响应:消弧线圈电流随故障发生快速上升,0.01s 内达到稳定补偿状态。
五、继电保护适配性讨论
(一)中性点不接地系统保护方案
基于故障时电容电流与过电压特征,可采用:
- 绝缘监视装置:通过 PT 二次侧电压继电器监测非故障相电压升高,发出接地告警;
- 零序电流保护:利用故障线路零序电流大于非故障线路的特征,实现选择性跳闸,适用于电容电流较大的场景。
(二)经消弧线圈接地系统保护方案
针对补偿后电流微弱的问题,需采用:
- 零序功率方向保护:通过检测故障线路与非故障线路的零序功率方向差异定位故障;
- 暂态量保护:利用故障初始暂态电流中的高频分量,突破稳态电流补偿后的检测盲区;
- 消弧线圈并联电阻技术:故障时投入小电阻增大电流信号,辅助保护动作,故障消除后切除电阻恢复补偿状态。
六、模型验证与应用扩展
- 准确性验证:通过改变线路长度(5-15km)与故障电阻(0-100Ω)进行多组仿真,结果显示接地电流计算值与理论值误差小于 5%,验证模型有效性;
- 应用场景:可扩展至含分布式电源的配电网仿真,分析新能源接入对小电流接地系统故障特性的影响;
- 算法测试:为基于深度学习的故障选线算法提供数据集,通过模拟不同故障工况优化算法模型。
⛳️ 运行结果



🔗 参考文献
[1] 张耘川,王昕怡.基于Matlab的小电流接地系统单相故障仿真分析[J].电气技术, 2012(4):3.DOI:10.3969/j.issn.1673-3800.2012.04.013.
[2] 刘艳红,张志刚,周洋.MATLAB在小电流接地系统故障选线中的仿真研究[J].电脑与电信, 2010(3):3.DOI:10.3969/j.issn.1008-6609.2010.03.032.
[3] 战祥新.基于Matlab的小电流接地系统自动选线仿真研究[D].青岛大学,2006.DOI:10.7666/d.y909408.
📣 部分代码
🎈 部分理论引用网络文献,若有侵权联系博主删除
👇 关注我领取海量matlab电子书和数学建模资料
🏆团队擅长辅导定制多种科研领域MATLAB仿真,助力科研梦:
🌈 各类智能优化算法改进及应用
生产调度、经济调度、装配线调度、充电优化、车间调度、发车优化、水库调度、三维装箱、物流选址、货位优化、公交排班优化、充电桩布局优化、车间布局优化、集装箱船配载优化、水泵组合优化、解医疗资源分配优化、设施布局优化、可视域基站和无人机选址优化、背包问题、 风电场布局、时隙分配优化、 最佳分布式发电单元分配、多阶段管道维修、 工厂-中心-需求点三级选址问题、 应急生活物质配送中心选址、 基站选址、 道路灯柱布置、 枢纽节点部署、 输电线路台风监测装置、 集装箱调度、 机组优化、 投资优化组合、云服务器组合优化、 天线线性阵列分布优化、CVRP问题、VRPPD问题、多中心VRP问题、多层网络的VRP问题、多中心多车型的VRP问题、 动态VRP问题、双层车辆路径规划(2E-VRP)、充电车辆路径规划(EVRP)、油电混合车辆路径规划、混合流水车间问题、 订单拆分调度问题、 公交车的调度排班优化问题、航班摆渡车辆调度问题、选址路径规划问题、港口调度、港口岸桥调度、停机位分配、机场航班调度、泄漏源定位
🌈 机器学习和深度学习时序、回归、分类、聚类和降维
2.1 bp时序、回归预测和分类
2.2 ENS声神经网络时序、回归预测和分类
2.3 SVM/CNN-SVM/LSSVM/RVM支持向量机系列时序、回归预测和分类
2.4 CNN|TCN|GCN卷积神经网络系列时序、回归预测和分类
2.5 ELM/KELM/RELM/DELM极限学习机系列时序、回归预测和分类
2.6 GRU/Bi-GRU/CNN-GRU/CNN-BiGRU门控神经网络时序、回归预测和分类
2.7 ELMAN递归神经网络时序、回归\预测和分类
2.8 LSTM/BiLSTM/CNN-LSTM/CNN-BiLSTM/长短记忆神经网络系列时序、回归预测和分类
2.9 RBF径向基神经网络时序、回归预测和分类
2.10 DBN深度置信网络时序、回归预测和分类
2.11 FNN模糊神经网络时序、回归预测
2.12 RF随机森林时序、回归预测和分类
2.13 BLS宽度学习时序、回归预测和分类
2.14 PNN脉冲神经网络分类
2.15 模糊小波神经网络预测和分类
2.16 时序、回归预测和分类
2.17 时序、回归预测预测和分类
2.18 XGBOOST集成学习时序、回归预测预测和分类
2.19 Transform各类组合时序、回归预测预测和分类
方向涵盖风电预测、光伏预测、电池寿命预测、辐射源识别、交通流预测、负荷预测、股价预测、PM2.5浓度预测、电池健康状态预测、用电量预测、水体光学参数反演、NLOS信号识别、地铁停车精准预测、变压器故障诊断
🌈图像处理方面
图像识别、图像分割、图像检测、图像隐藏、图像配准、图像拼接、图像融合、图像增强、图像压缩感知
🌈 路径规划方面
旅行商问题(TSP)、车辆路径问题(VRP、MVRP、CVRP、VRPTW等)、无人机三维路径规划、无人机协同、无人机编队、机器人路径规划、栅格地图路径规划、多式联运运输问题、 充电车辆路径规划(EVRP)、 双层车辆路径规划(2E-VRP)、 油电混合车辆路径规划、 船舶航迹规划、 全路径规划规划、 仓储巡逻
🌈 无人机应用方面
无人机路径规划、无人机控制、无人机编队、无人机协同、无人机任务分配、无人机安全通信轨迹在线优化、车辆协同无人机路径规划
🌈 通信方面
传感器部署优化、通信协议优化、路由优化、目标定位优化、Dv-Hop定位优化、Leach协议优化、WSN覆盖优化、组播优化、RSSI定位优化、水声通信、通信上传下载分配
🌈 信号处理方面
信号识别、信号加密、信号去噪、信号增强、雷达信号处理、信号水印嵌入提取、肌电信号、脑电信号、信号配时优化、心电信号、DOA估计、编码译码、变分模态分解、管道泄漏、滤波器、数字信号处理+传输+分析+去噪、数字信号调制、误码率、信号估计、DTMF、信号检测
🌈电力系统方面
微电网优化、无功优化、配电网重构、储能配置、有序充电、MPPT优化、家庭用电
🌈 元胞自动机方面
交通流 人群疏散 病毒扩散 晶体生长 金属腐蚀
🌈 雷达方面
卡尔曼滤波跟踪、航迹关联、航迹融合、SOC估计、阵列优化、NLOS识别
🌈 车间调度
零等待流水车间调度问题NWFSP 、 置换流水车间调度问题PFSP、 混合流水车间调度问题HFSP 、零空闲流水车间调度问题NIFSP、分布式置换流水车间调度问题 DPFSP、阻塞流水车间调度问题BFSP
👇
615

被折叠的 条评论
为什么被折叠?



