✅作者简介:热爱科研的Matlab仿真开发者,擅长数据处理、建模仿真、程序设计、完整代码获取、论文复现及科研仿真。
🍎 往期回顾关注个人主页:Matlab科研工作室
🍊个人信条:格物致知,完整Matlab代码及仿真咨询内容私信。
🔥 内容介绍
一、引言
在当今物流行业快速发展以及无人机技术日益成熟的背景下,无人机配送作为一种新型的物流配送方式,正逐渐受到广泛关注。传统的单一无人机配送系统在面对复杂的配送任务,如大重量、多地点、长距离配送时,往往存在载荷能力有限、续航时间短、灵活性不足等问题。而模块化多无人机配送系统通过将多个具有独立功能的无人机模块进行组合与协同工作,能够有效弥补传统单一无人机配送系统的缺陷,显著提升配送效率与适应性,成为无人机配送领域的重要发展方向。
坚固型无人机结构作为模块化多无人机配送系统的基础,其性能直接影响整个系统的稳定性、安全性和可靠性。因此,对模块化多无人机配送系统的设计与控制进行深入研究,具有重要的理论意义和实际应用价值。
二、模块化多无人机配送系统的设计
(一)系统总体设计原则
模块化多无人机配送系统的总体设计需遵循以下原则:
- 模块化设计原则:将系统划分为多个独立的功能模块,如飞行模块、载荷模块、通信模块、导航定位模块等。每个模块具有标准化的接口和独立的功能,便于模块的更换、升级和维护。同时,模块化设计也有利于根据不同的配送任务需求,灵活组合不同数量和类型的模块,提高系统的适应性。
- 协同工作原则:系统中的各个无人机模块之间需要实现高效的协同工作,包括任务分配、路径规划、载荷转运等方面的协同。通过协同工作,能够充分发挥各个模块的优势,提高整个系统的配送效率和任务完成质量。
- 安全性与可靠性原则:在系统设计过程中,需充分考虑安全性和可靠性。采用冗余设计,如多个导航定位模块、备用通信链路等,以应对模块故障或外界干扰等情况,确保系统能够安全、可靠地完成配送任务。同时,还需设计完善的故障检测与诊断机制,及时发现并处理系统中的故障。
- 经济性原则:在满足系统性能要求的前提下,尽量降低系统的设计、制造和运营成本。通过模块化设计,减少专用部件的数量,提高部件的通用性和复用性,从而降低系统的成本。
(二)关键模块设计
- 飞行模块
飞行模块是模块化多无人机配送系统的核心模块之一,其性能直接决定了系统的飞行能力和稳定性。飞行模块的设计需考虑以下几个方面:
- 动力系统:根据系统的载荷要求和续航需求,选择合适的动力系统,如电动动力系统、燃油动力系统或混合动力系统。电动动力系统具有噪音低、污染小、维护成本低等优点,适用于短距离、轻载荷的配送任务;燃油动力系统具有续航时间长、载荷能力大等优点,适用于长距离、重载荷的配送任务;混合动力系统则结合了电动动力系统和燃油动力系统的优点,能够在不同的飞行工况下实现高效的动力输出。
- 机身结构:采用轻质、高强度的材料,如碳纤维复合材料、铝合金等,以减轻机身重量,提高机身的强度和刚度。机身结构的设计需满足空气动力学要求,减少飞行阻力,提高飞行效率。同时,机身结构还需考虑模块化设计,便于与其他模块进行连接和拆卸。
- 飞行控制系统:飞行控制系统是飞行模块的 “大脑”,负责控制无人机的飞行姿态、飞行速度、飞行高度等参数。飞行控制系统需具备高精度的姿态测量和控制能力、良好的稳定性和鲁棒性,以及灵活的任务规划和执行能力。采用先进的传感器技术,如陀螺仪、加速度计、磁罗盘、GPS 等,实现对无人机飞行状态的实时监测和控制。同时,飞行控制系统还需具备与其他模块进行通信和协同工作的能力,实现整个系统的协同控制。
- 载荷模块
载荷模块主要用于装载配送货物,其设计需根据货物的类型、重量、尺寸等参数进行定制。载荷模块的设计需考虑以下几个方面:
- 载荷容量:根据配送任务的需求,确定载荷模块的最大载荷容量。在设计过程中,需充分考虑载荷模块的重量和体积,避免对系统的飞行性能产生过大影响。
- 装卸便利性:设计便捷的装卸机构,如自动门、传送带、机械臂等,以提高货物的装卸效率。同时,装卸机构还需具备良好的密封性和安全性,防止货物在运输过程中受损或丢失。
- 货物固定与保护:根据货物的特性,设计合适的货物固定装置,如夹具、绑带、缓冲材料等,以确保货物在运输过程中保持稳定。对于易碎、易腐等特殊货物,还需在载荷模块中设置相应的保护措施,如温度控制装置、减震装置等。
- 通信模块
通信模块是模块化多无人机配送系统实现信息交互和协同控制的关键模块,其性能直接影响系统的通信质量和可靠性。通信模块的设计需考虑以下几个方面:
- 通信方式:选择合适的通信方式,如无线电通信、卫星通信、移动通信等。无线电通信具有通信距离短、传输速率高、成本低等优点,适用于近距离的通信;卫星通信具有通信距离远、覆盖范围广等优点,适用于长距离、偏远地区的通信;移动通信则结合了无线电通信和卫星通信的优点,能够在不同的通信环境下实现高效的通信。
- 通信协议:采用标准化的通信协议,如 TCP/IP 协议、MQTT 协议等,以确保不同模块之间能够实现互联互通。同时,通信协议还需具备良好的安全性和可靠性,防止信息泄露和通信中断。
- 抗干扰能力:设计抗干扰措施,如跳频技术、扩频技术、差错控制技术等,以提高通信模块的抗干扰能力。在复杂的电磁环境下,确保通信模块能够稳定、可靠地传输信息。
- 导航定位模块
导航定位模块用于为无人机提供准确的位置信息和导航指引,其性能直接影响系统的飞行精度和任务完成质量。导航定位模块的设计需考虑以下几个方面:
- 定位精度:根据配送任务的需求,确定导航定位模块的定位精度。采用先进的定位技术,如 GPS 定位、北斗定位、惯性导航定位、视觉导航定位等,实现对无人机的高精度定位。对于高精度的配送任务,可采用多传感器融合定位技术,结合不同定位技术的优点,提高定位精度。
- 导航能力:具备良好的导航能力,能够根据预设的路径或实时的任务需求,为无人机规划最优的飞行路径。导航系统需具备避障功能,能够及时发现并避开飞行路径中的障碍物,确保无人机的飞行安全。
- 可靠性:采用冗余设计,如多个定位传感器、备用导航系统等,以应对定位传感器故障或导航系统失效等情况,确保无人机能够准确、可靠地导航。
三、模块化多无人机配送系统的控制
(一)控制架构设计
模块化多无人机配送系统的控制架构采用分层分布式控制架构,分为中央控制层、模块控制层和执行层。
- 中央控制层:中央控制层是系统的决策和指挥中心,负责接收配送任务信息,进行任务规划和分配,协调各个模块之间的工作,监控整个系统的运行状态。中央控制层采用高性能的计算机和先进的控制算法,能够快速处理大量的任务信息和系统状态数据,做出最优的决策和控制指令。
- 模块控制层:模块控制层负责接收中央控制层的控制指令,控制各个模块的运行状态。每个模块都设有独立的模块控制器,模块控制器能够根据中央控制层的指令和模块自身的状态信息,实现对模块的精确控制。例如,飞行模块控制器负责控制无人机的飞行姿态、飞行速度和飞行高度;载荷模块控制器负责控制货物的装卸和固定;通信模块控制器负责控制通信链路的建立和维护;导航定位模块控制器负责控制定位传感器的工作和导航信息的处理。
- 执行层:执行层由各个模块的执行机构组成,如飞行模块的电机、舵机;载荷模块的装卸机构、固定装置;通信模块的发射机、接收机;导航定位模块的定位传感器、导航计算机等。执行层负责接收模块控制层的控制信号,执行相应的动作,实现模块的功能。
分层分布式控制架构具有以下优点:
- 灵活性高:各个模块具有独立的控制能力,能够根据不同的任务需求和环境条件进行灵活的调整和配置。
- 可靠性高:采用分布式控制方式,当某个模块发生故障时,不会影响整个系统的运行,其他模块能够继续完成相应的任务,提高了系统的可靠性。
- 扩展性强:便于系统的扩展和升级,只需增加相应的模块和模块控制器,即可实现系统功能的扩展。
(二)协同控制策略
协同控制是模块化多无人机配送系统实现高效配送的关键,其核心是通过合理的任务分配、路径规划和运动协调,使各个无人机模块能够协同工作,完成配送任务。
- 任务分配策略
任务分配是根据配送任务的需求和各个无人机模块的性能参数,将配送任务分解为多个子任务,并分配给合适的无人机模块。任务分配策略需考虑以下几个因素:
- 任务需求:包括配送货物的类型、重量、尺寸、配送时间、配送地点等。
- 模块性能:包括无人机模块的载荷能力、续航时间、飞行速度、导航精度等。
- 系统效率:在满足任务需求的前提下,尽量提高系统的配送效率,减少任务完成时间和能耗。
常用的任务分配算法有贪心算法、遗传算法、粒子群优化算法等。贪心算法具有计算速度快、实现简单等优点,但可能无法得到全局最优解;遗传算法和粒子群优化算法具有较强的全局搜索能力,能够得到较优的任务分配方案,但计算复杂度较高,需要较长的计算时间。在实际应用中,可根据任务的复杂程度和实时性要求,选择合适的任务分配算法。
- 路径规划策略
路径规划是根据任务分配结果和环境信息,为每个无人机模块规划最优的飞行路径。路径规划需考虑以下几个因素:
- 障碍物规避:避免无人机在飞行过程中与障碍物发生碰撞,确保飞行安全。
- 飞行距离和时间:尽量缩短飞行距离和飞行时间,提高配送效率。
- 能耗优化:根据无人机的能耗模型,规划能耗最低的飞行路径,延长无人机的续航时间。
常用的路径规划算法有 A算法、Dijkstra 算法、RRT 算法(快速探索随机树算法)等。A算法和 Dijkstra 算法是基于图搜索的路径规划算法,能够找到最优的路径,但在复杂环境下计算复杂度较高;RRT 算法是一种基于随机采样的路径规划算法,具有较强的环境适应性和快速搜索能力,适用于复杂环境下的路径规划。在实际应用中,可结合多种路径规划算法的优点,实现高效、安全的路径规划。
- 运动协调策略
运动协调是确保各个无人机模块在飞行过程中保持适当的相对位置和运动状态,避免发生碰撞和干扰。运动协调策略需考虑以下几个因素:
- 相对位置控制:通过控制各个无人机模块的飞行速度和飞行方向,使它们之间保持一定的相对距离和相对角度,避免碰撞。
- 速度协调:根据任务需求和飞行路径,协调各个无人机模块的飞行速度,确保它们能够按时到达指定地点,完成配送任务。
- 避障协调:当遇到障碍物时,各个无人机模块之间需要进行有效的避障协调,避免发生碰撞。可采用分布式避障算法,如人工势场法、基于行为的避障算法等,实现无人机模块的自主避障。
(三)故障检测与容错控制
在模块化多无人机配送系统的运行过程中,由于受到外界环境干扰、模块老化、部件故障等因素的影响,系统可能会出现故障。为了确保系统的安全性和可靠性,需要设计完善的故障检测与容错控制机制。
- 故障检测
故障检测是通过对系统的运行状态进行实时监测和分析,及时发现系统中的故障。故障检测方法主要包括基于模型的故障检测方法、基于信号处理的故障检测方法和基于知识的故障检测方法。
- 基于模型的故障检测方法:通过建立系统的数学模型,将实际系统的输出与模型的预测输出进行比较,根据偏差的大小和变化趋势来判断系统是否存在故障。该方法具有检测精度高、能够早期发现故障等优点,但需要建立准确的系统数学模型,对于复杂的模块化多无人机配送系统,模型建立难度较大。
- 基于信号处理的故障检测方法:通过对系统的输出信号进行分析和处理,如时域分析、频域分析、小波分析等,提取信号的特征参数,根据特征参数的变化来判断系统是否存在故障。该方法不需要建立系统的数学模型,适用于复杂系统的故障检测,但检测精度相对较低,对于早期故障的检测能力较弱。
- 基于知识的故障检测方法:基于专家经验和历史故障数据,建立故障诊断知识库,通过对系统运行状态信息的分析和推理,判断系统是否存在故障。该方法具有较强的灵活性和适应性,适用于缺乏准确数学模型的系统,但需要大量的专家经验和历史故障数据,知识库的建立和维护难度较大。
在实际应用中,可结合多种故障检测方法的优点,实现对系统故障的全面、准确检测。例如,采用基于模型的故障检测方法对系统的关键部件进行高精度检测,采用基于信号处理的故障检测方法对系统的整体运行状态进行监测,采用基于知识的故障检测方法对复杂故障进行诊断和分析。
- 容错控制
容错控制是在系统发生故障后,通过采取相应的控制措施,使系统能够保持一定的性能指标,继续完成配送任务,或者安全地返回基地。容错控制方法主要包括硬件冗余容错控制、软件冗余容错控制和解析冗余容错控制。
- 硬件冗余容错控制:通过增加冗余的硬件部件,如备用电机、备用传感器、备用通信链路等,当某个硬件部件发生故障时,备用部件能够及时投入工作,确保系统的正常运行。硬件冗余容错控制具有可靠性高、响应速度快等优点,但会增加系统的成本和重量。
- 软件冗余容错控制:通过采用软件冗余技术,如多版本编程、恢复块技术等,提高软件的可靠性。当某个软件版本发生故障时,其他软件版本能够继续执行相应的功能,确保系统的正常运行。软件冗余容错控制具有成本低、灵活性高等优点,但需要进行大量的软件测试和验证工作,确保不同版本软件的正确性和一致性。
- 解析冗余容错控制:通过利用系统的冗余信息,如多个传感器的测量数据、不同模块的输出信息等,采用先进的估计算法和控制算法,实现对故障的补偿和控制。解析冗余容错控制不需要增加额外的硬件部件,具有成本低、重量轻等优点,但对系统的数学模型和算法要求较高,实现难度较大。
在模块化多无人机配送系统中,可根据系统的实际情况和故障类型,选择合适的容错控制方法。例如,对于关键的硬件部件,如飞行控制系统、动力系统等,采用硬件冗余容错控制;对于软件系统,采用软件冗余容错控制;对于传感器等部件,采用解析冗余容错控制,通过多传感器数据融合技术,提高传感器测量数据的精度和可靠性,实现对传感器故障的补偿。
四、坚固型无人机结构在系统中的应用优势
坚固型无人机结构具有高强度、高刚度、轻质、耐冲击、耐恶劣环境等优点,在模块化多无人机配送系统中具有以下应用优势:
- 提高系统的稳定性和安全性:坚固型无人机结构能够承受较大的载荷和外界冲击力,在恶劣的天气条件下(如大风、暴雨、雷电等)和复杂的地形环境中(如山区、森林、城市高楼等),能够保持良好的飞行稳定性,减少无人机坠毁的风险,提高系统的安全性。
- 延长系统的使用寿命:坚固型无人机结构采用耐腐蚀、耐磨损的材料,能够抵抗外界环境的侵蚀和磨损,减少部件的故障发生率,延长系统的使用寿命,降低系统的维护成本。
- 增强系统的载荷能力:坚固型无人机结构在保证强度和刚度的前提下,能够尽量减轻自身重量,从而提高系统的载荷能力,使系统能够携带更多的货物进行配送,提高配送效率。
- 适应复杂的配送环境:在一些特殊的配送环境中,如军事物流、应急救援物流等,配送环境往往比较恶劣,对无人机的结构强度和可靠性要求较高。坚固型无人机结构能够满足这些特殊配送环境的要求,确保系统能够顺利完成配送任务。
例如,在军事物流配送中,需要将武器装备、弹药、食品等物资快速、准确地配送到前线部队。由于前线战场环境复杂,存在炮火袭击、地形崎岖、天气恶劣等情况,对无人机的结构强度和可靠性要求极高。采用坚固型无人机结构的模块化多无人机配送系统,能够在这种复杂的战场环境中稳定飞行,避免受到炮火袭击和地形障碍的影响,确保物资能够及时、准确地配送到前线部队,为前线部队的作战提供有力的支持。
在应急救援物流中,当发生地震、洪水、泥石流等自然灾害时,道路、桥梁等交通设施往往会遭到严重破坏,地面物流配送难以进行。此时,采用模块化多无人机配送系统进行应急救援物资配送就显得尤为重要。由于灾害现场环境恶劣,存在余震、山体滑坡、恶劣天气等情况,对无人机的结构强度和可靠性要求也很高。坚固型无人机结构能够承受灾害现场的恶劣环境条件,确保无人机能够顺利完成应急救援物资的配送任务,为灾区人民提供及时的帮助。
五、系统设计与控制中存在的问题及解决措施
(一)存在的问题
- 模块之间的兼容性问题:由于各个模块由不同的厂家生产,或者采用不同的技术标准,导致模块之间的兼容性较差。在系统组装和运行过程中,可能会出现模块之间无法正常通信、协同工作的情况,影响系统的性能和可靠性。
- 协同控制的复杂性问题:模块化多无人机配送系统由多个无人机模块组成,各个模块之间需要进行复杂的协同工作,包括任务分配、路径规划、运动协调等。随着模块数量的增加,协同控制的复杂性呈指数级增长,给系统的控制带来了巨大的挑战。
- 故障检测与容错控制的准确性和及时性问题:在模块化多无人机配送系统中,由于模块数量多、系统结构复杂,故障检测的难度较大,难以准确、及时地发现系统中的故障。同时,在故障发生后,容错控制措施的有效性也受到多种因素的影响,如故障类型、故障发生位置、系统的运行状态等,可能无法及时、有效地对故障进行补偿和控制,导致系统性能下降甚至瘫痪。
- 能源供应问题:模块化多无人机配送系统的各个模块都需要消耗大量的能源,如飞行模块的动力系统、载荷模块的装卸机构、通信模块的发射机和接收机等。目前,无人机的能源供应主要依赖于电池,电池的容量和续航时间有限,难以满足长时间、大载荷配送任务的需求。虽然燃油动力系统和混合动力系统的续航时间相对较长,但也存在燃油消耗量大、污染环境等问题。
(二)解决措施
- 提高模块之间的兼容性:制定统一的模块接口标准和技术规范,要求各个模块生产厂家按照标准进行模块设计和生产。同时,在系统设计过程中,采用开放式的系统架构,便于不同厂家生产的模块进行集成和兼容。加强模块之间的通信协议标准化,确保各个模块之间能够实现互联互通。此外,在系统组装前,对各个模块进行严格的兼容性测试,及时发现并解决模块之间的兼容性问题。
- 简化协同控制的复杂性:采用先进的协同控制算法,如分布式协同控制算法、基于多智能体系统的协同控制算法等,降低协同控制的复杂性。分布式协同控制算法不需要中央控制节点,各个模块通过局部信息交互实现协同工作,减少了中央控制节点的负担,提高了系统的灵活性和可靠性;基于多智能体系统的协同控制算法将每个无人机模块视为一个智能体,通过智能体之间的协商、合作和竞争,实现系统的协同控制,能够适应复杂的任务环境和动态变化的系统状态。同时,采用分层控制策略,将复杂的协同控制任务分解为多个简单的子任务,由不同的控制层进行处理,提高协同控制的效率和可靠性。
- 提高故障检测与容错控制的准确性和及时性:采用多传感器融合技术,将多个不同类型的传感器测量数据进行融合处理,提高故障检测的准确性和可靠性。例如,将 GPS 定位数据、惯性导航数据、视觉导航数据进行融合,能够提高无人机的定位精度,同时也能够及时发现定位传感器的故障。采用先进的故障诊断算法,如基于深度学习的故障诊断算法、基于模糊逻辑的故障诊断算法等,提高故障诊断的准确性和及时性。深度学习算法具有强大的特征提取和模式识别能力,能够从大量的系统状态数据中提取故障特征,实现对故障的准确诊断;模糊逻辑算法能够处理模糊、不确定的信息,适用于复杂系统的故障诊断。加强容错控制策略的研究和优化,根据不同的故障类型和系统运行状态,采取合适的容错控制措施。例如,当某个飞行模块发生故障时,可通过调整其他飞行模块的飞行姿态和飞行速度,来补偿故障模块的功能,确保系统的正常运行;当某个载荷模块发生故障时,可将该模块的货物转移到其他正常的载荷模块中,继续完成配送任务。
- 优化能源供应方案:加强电池技术的研究和开发,提高电池的能量密度和续航时间。例如,研发新型的锂离子电池、固态电池、燃料电池等,提高电池的性能。同时,采用能源管理技术,对系统的能源消耗进行优化控制,减少能源浪费。例如,根据系统的运行状态和任务需求,合理调整各个模块的工作模式和功率输出,降低系统的能耗。探索新型的能源供应方式,如太阳能供电、无线充电等。太阳能供电具有清洁、环保、可持续等优点,可在无人机飞行过程中为电池充电,延长无人机的续航时间;无线充电技术不需要物理接触,可实现无人机的自动充电,提高充电的便利性和效率。
六、结论与展望
(一)结论
本文对模块化多无人机配送系统的设计与控制进行了深入研究,主要得出以下结论:
- 模块化多无人机配送系统通过将多个具有独立功能的无人机模块进行组合与协同工作,能够有效弥补传统单一无人机配送系统的缺陷,显著提升配送效率与适应性,具有广阔的应用前景。
- 在系统设计方面,需遵循模块化、协同工作、安全性与可靠性、经济性等原则,对飞行模块、载荷模块、通信模块、导航定位模块等关键模块进行精心设计,确保系统的性能和可靠性。
- 在系统控制方面,采用分层分布式控制架构,结合合理的协同控制策略(任务分配、路径规划、运动协调)和完善的故障检测与容错控制机制,能够实现系统的高效、安全、可靠运行。
- 坚固型无人机结构在模块化多无人机配送系统中具有重要的应用优势,能够提高系统的稳定性、安全性、使用寿命和载荷能力,适应复杂的配送环境。
- 目前,模块化多无人机配送系统在设计与控制方面还存在一些问题,如模块之间的兼容性问题、协同控制的复杂性问题、故障检测与容错控制的准确性和及时性问题、能源供应问题等,需要采取相应的解决措施加以解决。
(二)展望
随着无人机技术、通信技术、导航定位技术、人工智能技术等相关技术的不断发展,模块化多无人机配送系统在未来将具有更广阔的发展前景。未来的研究方向主要包括以下几个方面:
- 智能化水平的提升:将人工智能技术(如深度学习、强化学习、模糊逻辑等)广泛应用于模块化多无人机配送系统的设计与控制中,提高系统的智能化水平。例如,利用深度学习算法进行货物识别和分类,实现货物的自动装卸和分拣;利用强化学习算法进行路径规划和协同控制,提高系统的自主决策能力和适应能力。
- 多模态协同配送:结合无人机配送、地面机器人配送、有人机配送等多种配送方式,实现多模态协同配送。通过多模态协同配送,能够充分发挥不同配送方式的优势,提高配送效率和适应性,满足不同场景下的配送需求。例如,在城市物流配送中,采用无人机进行空中配送,地面机器人进行地面配送,实现 “空中 + 地面” 的协同配送模式;在偏远地区物流配送中,采用有人机进行长距离运输,无人机进行短距离末端配送,实现 “有人机 + 无人机” 的协同配送模式。
- 绿色环保技术的应用:加强绿色环保技术在模块化多无人机配送系统中的应用,如采用新能源动力系统(太阳能、燃料电池等)、轻量化材料、低噪音设计等,减少系统对环境的污染和影响,实现可持续发展。
- 标准化和规范化建设:加强模块化多无人机配送系统的标准化和规范化建设,制定统一的模块接口标准、通信协议标准、控制算法标准、安全标准等,促进系统的产业化发展和应用推广。同时,加强对系统的监管和管理,确保系统的安全、可靠运行。
总之,模块化多无人机配送系统作为一种新型的物流配送方式,具有巨大的发展潜力和应用前景。通过不断的研究和创新,解决系统设计与控制中存在的问题,提高系统的性能和智能化水平,将为物流行业的发展带来新的机遇和挑战。
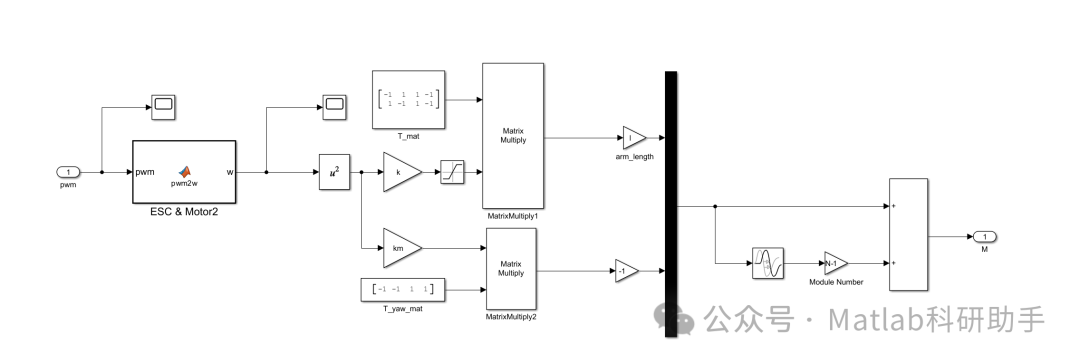
⛳️ 运行结果




🔗 参考文献
[1] 刘远涛.无刷双馈电机变结构直接转矩控制[D].广东工业大学,2010.DOI:10.7666/d.y1745826.
[2] 吴桐.起重机用开关磁阻电机调速系统的研究[D].哈尔滨理工大学[2025-11-17].DOI:CNKI:CDMD:2.1018.075575.
[3] 张飞虎.采煤机双SRM同步牵引控制系统的研究[D].辽宁工程技术大学[2025-11-17].
📣 部分代码
🎈 部分理论引用网络文献,若有侵权联系博主删除
👇 关注我领取海量matlab电子书和数学建模资料
🏆团队擅长辅导定制多种科研领域MATLAB仿真,助力科研梦:
🌈 各类智能优化算法改进及应用
生产调度、经济调度、装配线调度、充电优化、车间调度、发车优化、水库调度、三维装箱、物流选址、货位优化、公交排班优化、充电桩布局优化、车间布局优化、集装箱船配载优化、水泵组合优化、解医疗资源分配优化、设施布局优化、可视域基站和无人机选址优化、背包问题、 风电场布局、时隙分配优化、 最佳分布式发电单元分配、多阶段管道维修、 工厂-中心-需求点三级选址问题、 应急生活物质配送中心选址、 基站选址、 道路灯柱布置、 枢纽节点部署、 输电线路台风监测装置、 集装箱调度、 机组优化、 投资优化组合、云服务器组合优化、 天线线性阵列分布优化、CVRP问题、VRPPD问题、多中心VRP问题、多层网络的VRP问题、多中心多车型的VRP问题、 动态VRP问题、双层车辆路径规划(2E-VRP)、充电车辆路径规划(EVRP)、油电混合车辆路径规划、混合流水车间问题、 订单拆分调度问题、 公交车的调度排班优化问题、航班摆渡车辆调度问题、选址路径规划问题、港口调度、港口岸桥调度、停机位分配、机场航班调度、泄漏源定位
🌈 机器学习和深度学习时序、回归、分类、聚类和降维
2.1 bp时序、回归预测和分类
2.2 ENS声神经网络时序、回归预测和分类
2.3 SVM/CNN-SVM/LSSVM/RVM支持向量机系列时序、回归预测和分类
2.4 CNN|TCN|GCN卷积神经网络系列时序、回归预测和分类
2.5 ELM/KELM/RELM/DELM极限学习机系列时序、回归预测和分类
2.6 GRU/Bi-GRU/CNN-GRU/CNN-BiGRU门控神经网络时序、回归预测和分类
2.7 ELMAN递归神经网络时序、回归\预测和分类
2.8 LSTM/BiLSTM/CNN-LSTM/CNN-BiLSTM/长短记忆神经网络系列时序、回归预测和分类
2.9 RBF径向基神经网络时序、回归预测和分类
2.10 DBN深度置信网络时序、回归预测和分类
2.11 FNN模糊神经网络时序、回归预测
2.12 RF随机森林时序、回归预测和分类
2.13 BLS宽度学习时序、回归预测和分类
2.14 PNN脉冲神经网络分类
2.15 模糊小波神经网络预测和分类
2.16 时序、回归预测和分类
2.17 时序、回归预测预测和分类
2.18 XGBOOST集成学习时序、回归预测预测和分类
2.19 Transform各类组合时序、回归预测预测和分类
方向涵盖风电预测、光伏预测、电池寿命预测、辐射源识别、交通流预测、负荷预测、股价预测、PM2.5浓度预测、电池健康状态预测、用电量预测、水体光学参数反演、NLOS信号识别、地铁停车精准预测、变压器故障诊断
🌈图像处理方面
图像识别、图像分割、图像检测、图像隐藏、图像配准、图像拼接、图像融合、图像增强、图像压缩感知
🌈 路径规划方面
旅行商问题(TSP)、车辆路径问题(VRP、MVRP、CVRP、VRPTW等)、无人机三维路径规划、无人机协同、无人机编队、机器人路径规划、栅格地图路径规划、多式联运运输问题、 充电车辆路径规划(EVRP)、 双层车辆路径规划(2E-VRP)、 油电混合车辆路径规划、 船舶航迹规划、 全路径规划规划、 仓储巡逻
🌈 无人机应用方面
无人机路径规划、无人机控制、无人机编队、无人机协同、无人机任务分配、无人机安全通信轨迹在线优化、车辆协同无人机路径规划
🌈 通信方面
传感器部署优化、通信协议优化、路由优化、目标定位优化、Dv-Hop定位优化、Leach协议优化、WSN覆盖优化、组播优化、RSSI定位优化、水声通信、通信上传下载分配
🌈 信号处理方面
信号识别、信号加密、信号去噪、信号增强、雷达信号处理、信号水印嵌入提取、肌电信号、脑电信号、信号配时优化、心电信号、DOA估计、编码译码、变分模态分解、管道泄漏、滤波器、数字信号处理+传输+分析+去噪、数字信号调制、误码率、信号估计、DTMF、信号检测
🌈电力系统方面
微电网优化、无功优化、配电网重构、储能配置、有序充电、MPPT优化、家庭用电
🌈 元胞自动机方面
交通流 人群疏散 病毒扩散 晶体生长 金属腐蚀
🌈 雷达方面
卡尔曼滤波跟踪、航迹关联、航迹融合、SOC估计、阵列优化、NLOS识别
🌈 车间调度
零等待流水车间调度问题NWFSP 、 置换流水车间调度问题PFSP、 混合流水车间调度问题HFSP 、零空闲流水车间调度问题NIFSP、分布式置换流水车间调度问题 DPFSP、阻塞流水车间调度问题BFSP
👇

被折叠的 条评论
为什么被折叠?



