✅作者简介:热爱科研的Matlab仿真开发者,擅长数据处理、建模仿真、程序设计、完整代码获取、论文复现及科研仿真。
🍎 往期回顾关注个人主页:Matlab科研工作室
🍊个人信条:格物致知,完整Matlab代码及仿真咨询内容私信。
🔥 内容介绍


三、仿真实现步骤(以 MATLAB/Simulink 为例)
1. 模型搭建流程
- 创建基础模块:
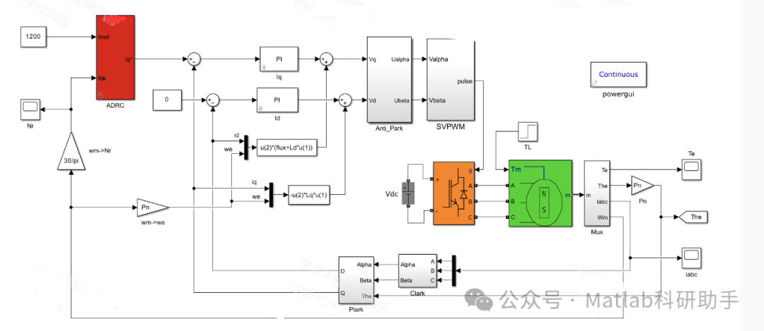
从 Simscape Electrical 库调用 “PMSM” 模块(设置极对数 4、定子电阻 0.5Ω、dq 轴电感 8mH、永磁磁链 0.15Wb),“Three-Phase Inverter” 模块,“Current Sensor” 与 “Encoder” 模块。
- ADRC 控制器封装:
采用 Simulink 自定义函数(S-Function)编写 ADRC 算法,包含 TD、ESO、NLSEF 子模块,输入为转速指令 / 反馈、电流反馈,输出为 dq 轴电压指令。
- 信号处理链路:
三相电流经 “Clark Transform”(3/2 变换)、“Park Transform”(同步旋转变换)得到 dq 轴电流,转速信号经 “Speed Calculation” 模块(基于编码器脉冲)输出机械角速度。
2. 关键参数配置
- 电机参数:额定功率 5kW,额定转速 1500r/min,额定转矩 31.8N・m,转动惯量 0.01kg・m²,阻尼系数 0.005N・m・s。
- ADRC 参数:转速环 TD 时间常数 0.05s,ESO 带宽 20rad/s;电流环 TD 时间常数 0.005s,ESO 带宽 100rad/s;控制周期 100μs。
- 仿真参数:求解器采用 “ode4”(四阶龙格 - 库塔),仿真步长 10μs,总仿真时长 2s(涵盖启动、负载突变、转速切换过程)。
四、仿真模型扩展与工程应用
1. 模型扩展功能
- 故障诊断模块:添加过流、过压、超速保护逻辑,ADRC 观测器可实时监测总扰动,当扰动超过阈值(如 2 倍额定值)时触发保护;
- 效率优化模块:结合最大转矩电流比(MTPA)控制,在 ADRC 电流环中动态调整 d 轴电流指令,实现轻载时效率提升 5-8%。
2. 工程落地建议
- 硬件验证:基于 DSP(如 TI TMS320F28335)或 FPGA 实现 ADRC 算法,注意控制周期与采样周期的时序匹配;
- 参数整定工具:开发 ADRC 参数自动整定界面(基于 MATLAB App Designer),输入电机额定参数后自动生成初始观测器与控制器参数,减少调试工作量。
⛳️ 运行结果




🔗 参考文献
[1] 左月飞,张捷,刘闯,等.基于自抗扰控制的永磁同步电机位置伺服系统一体化设计[J].电工技术学报, 2016, 31(11):8.DOI:10.3969/j.issn.1000-6753.2016.11.006.
[2] 顾问,王久和,徐升升,等.基于自抗扰控制技术的永磁同步电机矢量控制策略[J].电源学报, 2011(5):5.DOI:CNKI:SUN:DYXB.0.2011-05-014.
[3] 孙亮.自抗扰控制技术在交流永磁同步电机伺服系统中的应用研究[D].浙江工业大学,2010.
📣 部分代码
🎈 部分理论引用网络文献,若有侵权联系博主删除
👇 关注我领取海量matlab电子书和数学建模资料
🏆团队擅长辅导定制多种科研领域MATLAB仿真,助力科研梦:
🌈 各类智能优化算法改进及应用
生产调度、经济调度、装配线调度、充电优化、车间调度、发车优化、水库调度、三维装箱、物流选址、货位优化、公交排班优化、充电桩布局优化、车间布局优化、集装箱船配载优化、水泵组合优化、解医疗资源分配优化、设施布局优化、可视域基站和无人机选址优化、背包问题、 风电场布局、时隙分配优化、 最佳分布式发电单元分配、多阶段管道维修、 工厂-中心-需求点三级选址问题、 应急生活物质配送中心选址、 基站选址、 道路灯柱布置、 枢纽节点部署、 输电线路台风监测装置、 集装箱调度、 机组优化、 投资优化组合、云服务器组合优化、 天线线性阵列分布优化、CVRP问题、VRPPD问题、多中心VRP问题、多层网络的VRP问题、多中心多车型的VRP问题、 动态VRP问题、双层车辆路径规划(2E-VRP)、充电车辆路径规划(EVRP)、油电混合车辆路径规划、混合流水车间问题、 订单拆分调度问题、 公交车的调度排班优化问题、航班摆渡车辆调度问题、选址路径规划问题、港口调度、港口岸桥调度、停机位分配、机场航班调度、泄漏源定位
🌈 机器学习和深度学习时序、回归、分类、聚类和降维
2.1 bp时序、回归预测和分类
2.2 ENS声神经网络时序、回归预测和分类
2.3 SVM/CNN-SVM/LSSVM/RVM支持向量机系列时序、回归预测和分类
2.4 CNN|TCN|GCN卷积神经网络系列时序、回归预测和分类
2.5 ELM/KELM/RELM/DELM极限学习机系列时序、回归预测和分类
2.6 GRU/Bi-GRU/CNN-GRU/CNN-BiGRU门控神经网络时序、回归预测和分类
2.7 ELMAN递归神经网络时序、回归\预测和分类
2.8 LSTM/BiLSTM/CNN-LSTM/CNN-BiLSTM/长短记忆神经网络系列时序、回归预测和分类
2.9 RBF径向基神经网络时序、回归预测和分类
2.10 DBN深度置信网络时序、回归预测和分类
2.11 FNN模糊神经网络时序、回归预测
2.12 RF随机森林时序、回归预测和分类
2.13 BLS宽度学习时序、回归预测和分类
2.14 PNN脉冲神经网络分类
2.15 模糊小波神经网络预测和分类
2.16 时序、回归预测和分类
2.17 时序、回归预测预测和分类
2.18 XGBOOST集成学习时序、回归预测预测和分类
2.19 Transform各类组合时序、回归预测预测和分类
方向涵盖风电预测、光伏预测、电池寿命预测、辐射源识别、交通流预测、负荷预测、股价预测、PM2.5浓度预测、电池健康状态预测、用电量预测、水体光学参数反演、NLOS信号识别、地铁停车精准预测、变压器故障诊断
🌈图像处理方面
图像识别、图像分割、图像检测、图像隐藏、图像配准、图像拼接、图像融合、图像增强、图像压缩感知
🌈 路径规划方面
旅行商问题(TSP)、车辆路径问题(VRP、MVRP、CVRP、VRPTW等)、无人机三维路径规划、无人机协同、无人机编队、机器人路径规划、栅格地图路径规划、多式联运运输问题、 充电车辆路径规划(EVRP)、 双层车辆路径规划(2E-VRP)、 油电混合车辆路径规划、 船舶航迹规划、 全路径规划规划、 仓储巡逻
🌈 无人机应用方面
无人机路径规划、无人机控制、无人机编队、无人机协同、无人机任务分配、无人机安全通信轨迹在线优化、车辆协同无人机路径规划
🌈 通信方面
传感器部署优化、通信协议优化、路由优化、目标定位优化、Dv-Hop定位优化、Leach协议优化、WSN覆盖优化、组播优化、RSSI定位优化、水声通信、通信上传下载分配
🌈 信号处理方面
信号识别、信号加密、信号去噪、信号增强、雷达信号处理、信号水印嵌入提取、肌电信号、脑电信号、信号配时优化、心电信号、DOA估计、编码译码、变分模态分解、管道泄漏、滤波器、数字信号处理+传输+分析+去噪、数字信号调制、误码率、信号估计、DTMF、信号检测
🌈电力系统方面
微电网优化、无功优化、配电网重构、储能配置、有序充电、MPPT优化、家庭用电
🌈 元胞自动机方面
交通流 人群疏散 病毒扩散 晶体生长 金属腐蚀
🌈 雷达方面
卡尔曼滤波跟踪、航迹关联、航迹融合、SOC估计、阵列优化、NLOS识别
🌈 车间调度
零等待流水车间调度问题NWFSP 、 置换流水车间调度问题PFSP、 混合流水车间调度问题HFSP 、零空闲流水车间调度问题NIFSP、分布式置换流水车间调度问题 DPFSP、阻塞流水车间调度问题BFSP
👇
1051

被折叠的 条评论
为什么被折叠?



