第10章 节能型高分辨率基于电阻的温度传感器
潘思宁和科菲·A·A·马金瓦
10.1 引言
集成温度传感器通常用于频率基准的温度补偿[1–3]。这是一个要求较高的应用,因为它需要传感器同时实现高分辨率和高能效。高分辨率对于最小化补偿后输出频率的抖动至关重要,而高能效则有助于尽量减少传感器对频率基准总能量预算的贡献。此外,该传感器应兼容CMOS,即基于基础CMOS技术的通用器件或特性,以便能够以低成本方式与频率基准的其余电路共同集成。
各种兼容CMOS的器件的温度依赖性,例如双极结型晶体管[5–7]、金属氧化物半导体场效应晶体管[8–9]、热敏电阻(温度依赖性电阻)[1–3,13–17],以及电热滤波器[10–11],已被用于实现温度传感器。微机电系统谐振器也已被用于实现具有优异分辨率和能效的温度传感器[12]。然而,这些谐振器是在独立芯片上的专用工艺中制造的,因此不兼容CMOS。
一项对智能温度传感器的调查显示,基于电阻的温度传感器是能效最高的CMOS温度传感器类别。其分辨率优值(FoM),定义为能量/转换×分辨率²[4],比传统的双极型晶体管基传感器低约一个数量级,并且还能实现更高的(亚毫开尔文)分辨率[1]。
已报道了多种高分辨率基于电阻的温度传感器[1–3, 15]。在[2, 3]中,基于文氏桥RC滤波器的温度传感器提出了一种利用片上热敏电阻产生温度相关的相位偏移的方法。在[1, 15]中,采用半桥和全惠斯通电桥来产生温度相关的直流输出。这两种电桥均实现了高分辨率和能效。文氏电桥在[3]中实现了2.8 mK的分辨率和8 pJ·K²的分辨率优值,而惠斯通电桥在[15]中实现了10 mK分辨率和0.65 pJ·K²的分辨率优值,代表了CMOS温度传感器的最高水平。
基于电阻的温度传感器的分辨率和能效主要由所选感测电阻的温度系数(TC)及其读出电路的噪声决定。在[3]中使用了多晶硅电阻,而在[15]中同时使用了多晶硅和扩散电阻。这些电阻的温度系数较低(<0.15%/°C)。此外,它们的分辨率受到读出电路热噪声[3]和1/f噪声[15]的限制。在[17]中使用了具有大温度系数(≈0.3%/°C)的硅化物电阻。然而,该传感器的分辨率受限于读出电路的量化噪声。
本文提出两种基于电阻的传感器,即文氏电桥(WB)传感器和惠斯通电桥(WhB)传感器,二者均采用硅化物电阻作为感测元件,因其具有优异的温度系数(TC)和低1/f噪声。由于读出电路的效率同样重要,因此采用高能效的连续时间ΔΣ调制器(CTDSMs)对其输出信号进行数字化:其中文氏电桥(WB)传感器使用相位域DSM,惠斯通电桥(WhB)传感器使用电流域DSM。文氏电桥(WB)传感器在5毫秒转换时间内实现了410 μK的分辨率,分辨率优值为0.13 pJ·K²。惠斯通电桥(WhB)传感器性能更优,在10毫秒内实现160 μK分辨率,分辨率优值为0.049 pJ·K²。
本文组织如下。首先,讨论CMOS电阻的特性,并说明选择硅化物电阻的原因(第10.2节)。然后介绍WB传感器及其读出电路的分析与设计(第10.3节),并给出其测量结果。接着介绍WhB传感器的分析、设计及测量结果(第10.4节)。最后,将两个传感器与先进水平进行比较(第10.5节),并给出一些结论(第10.6节)。
10.2 基于电阻的传感器
与双极结型晶体管相比,片上电阻器可在更宽的温度和电压范围内工作。然而,与双极结型晶体管的基极-发射极电压相比(其离散度通常仅为几毫伏,远小于1%[6]),片上电阻器表现出更大的离散度和非线性[2–3, 15]。但这两个缺点可以通过修调和系统性非线性消除来补偿。
在CMOS工艺中,可使用的电阻器包括:金属电阻器、扩散电阻、多晶硅电阻器、N阱电阻器和硅化物电阻。它们的特性总结于表10.1中。
| 电阻类型 | 金属 | 扩散 | N阱 | 多晶硅 | 硅化物 |
|---|---|---|---|---|---|
| 温度系数 | 大 | 中 | 大 | 中或小 | 大 |
| 2阶温度系数 | 中 | 中 | 大 | 中 | 小 |
| 方块电阻 | 非常小 | 大 | 大 | 大 | 中 |
| 电源依赖性 | 小 | 中 | 大 | 小 | 小 |
| 1/f噪声 | No | No | No | 大 | 小? |
| 应力敏感性 | 小 | 大 | 大 | 中 | 小? |
为了实现高分辨率和能效,温度感测电阻应具有大的温度系数(TC)、低的1/f噪声以及稳定的电阻,即小的电源依赖性和应力敏感性。
金属电阻器可以非常稳定,并且具有较大的温度系数(TCs),通常在0.3到0.4%每°C之间。然而,它们的方块电阻极低(<100 mΩ/□),导致芯片面积巨大或功耗较高。相比之下,多晶硅电阻器的温度系数较小(在目标0.18 μm工艺中小于0.15%/°C),并且表现出更多的1/f噪声[18]。扩散电阻的阻值由其掺杂浓度决定,而该浓度对电阻与衬底(或阱扩散)之间的反向偏压敏感,因此具有电压依赖性。尽管它们的温度系数较高,与金属电阻器相近,但N阱电阻器的电压依赖性更为严重,因为其较低的掺杂浓度使其对电压变化更加敏感。
然而,硅化物电阻具有较大的温度系数(TC)(> 0.3%/°C),且温度依赖性相对线性(即二阶温度系数较小)。由于硅化物本质上是一种硅-金属合金,因此硅化物电阻的行为更接近于金属电阻而非硅电阻。与普通的多晶硅电阻相比,它们的方块电阻较低(但不如金属电阻器低),并且其相同面积和电阻下的1/f噪声应小于普通多晶硅电阻[18]。此外,它们还具有较低的电源依赖性和应力敏感性。在所采用的工艺(TSMC 0.18 μm)中,有两种类型的硅化物电阻可用:硅化多晶硅电阻和硅化扩散电阻。两者的主要区别在于前者的离散度小于后者。因此,在本研究中,采用硅化多晶硅电阻作为主要的温度感测元件。
10.3 文氏电桥传感器
10.3.1 传感器分析
文氏电桥(WB)传感器的结构[2]如图10.1a所示。它是一个二阶带通RC滤波器,其频域电压幅度和相位传递函数可表示为
$$ H(j\omega) = \frac{RCj\omega}{1 - R^2C^2\omega^2 + 3RCj\omega} $$
$$ \phi_{WB}(\omega) = -\tan^{-1}\left(\frac{R^2C^2\omega^2 - 1}{3RC\omega}\right) $$
其波特图如图10.1b所示,其中频率被归一化为 $ f_0 = 1/(2\pi RC) $。
给定固定的驱动频率 $ f_{drive} $,文氏桥的相位输出由其电阻和电容决定。如果使用温度系数极低的电容器(例如金属-绝缘体-金属(MIM)电容器),则电桥的相位偏移主要取决于电阻器的温度依赖性。该相位偏移可通过测量输出电阻2R(T)两端的电压或流经它的电流来确定,如图10.1c所示。本文中,前者称为电压读出方案,后者称为电流读出方案。
基于同步解调的理想相位检测模型,如图10.2所示,可用于估算WB传感器可实现的均方根温度分辨率和分辨率优值。为简化分析,驱动信号和解调信号均被建模为具有相同频率但存在相位差的正弦波:$ V_{in} = A \cdot \sin(2\pi f_0 t) $ 和 $ V_{demod} = \sin(2\pi f_0 t + \phi_{demod}) $,其中 $ f_0 = 1/(2\pi RC) $,$ \phi_{demod} = 90^\circ $ 且 A 为驱动信号的幅度。关注的信号是低通滤波器后的直流输出。
假设文氏桥中的电阻器是唯一的噪声来源,则对于电压读出方案,差分文氏桥传感器的均方根温度分辨率可表示为
$$ \Delta T_{v,WB} = \frac{\sqrt{3kT}}{\alpha \sqrt{t_{conv}}} $$
其中 α 是文氏桥中电阻器的温度系数,$ t_{conv} $ 是转换时间。
然而,在电流读出方案中,电阻2R(T)的噪声贡献比在电压读出方案中衰减得更少。这导致测温分辨率较低,可表示为
$$ \Delta T_{i,WB} = \frac{\sqrt{3kT}}{\alpha \sqrt{2t_{conv}}} $$
WB传感器的优值可以通过将其分辨率与其在中心频率下工作时的能耗相结合来确定。在电压读出方案中,优值 $ FoM_{v,WB} = 9kT/(4\alpha^2) $;而在电流读出方案中,优值 $ FoM_{i,WB} = 9kT/(2\alpha^2) $。有趣的是,这些表达式与其他设计参数(如电阻、电容、电源电压或转换时间)无关。然而,这些结果未包含读出电路的噪声和能耗。
10.3.2 传感器设计
如第10.2节所述,选用的电阻类型为硅化多晶硅电阻。在实际设计中,文氏桥传感器采用 $ R = 32 k\Omega $、$ C = 10 pF $、$ f_{drive} = 500 kHz $ 和 $ A = 0.9 V $ 实现。由于其摆幅较低,因此选用电流读出方案,从而放宽了对读出线性度[2]的要求。当采用正弦波驱动且 $ t_{conv} = 5 ms $ 时,测温分辨率为230 μK(均方根)。在目标工业温度范围-40–85 °C内,文氏桥的输出相位将从约-7°变化至10°。作为对比,还实现了一种基于非硅化n型多晶硅电阻(具有最大的负温度系数)的WB传感器。在相同元件参数下,其分辨率为380 μK(均方根)。相应的优值 $ FoM_{i,WB} $ 分别为:硅化p多晶硅传感器2.3 fJ·K²,非硅化n多晶硅传感器8.1 fJ·K²。
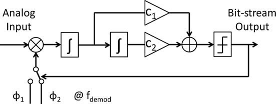
为了实现高能效,WB传感器的相位输出通过一个1位二阶相位域连续时间ΔΣ调制器(PD-CTDSM)进行数字化。调制器的简化框图如图10.3所示。
输入相位(在 $ f_0 = 500 kHz $)首先通过与相同频率的相位参考信号($ f_{demod} = f_0 $)相乘,下变频至直流。根据所选择的相位参考 $ \phi_1 $ 或 $ \phi_2 $,
乘法器的直流输出将为正或负[11]。结果由环路滤波器积分,然后进行量化。由于负反馈的作用,量化器会切换参考相位,使得环路滤波器的平均直流输入为零。输出比特流将是输入相位的数字表示。为了给WB传感器中电阻器和电容器的离散度留出足够的裕量,两个参考相位之间的相位差被设计为45°(+22.5°和-22.5°)。这些参考相位由8 MHz主时钟以数字方式生成,该主时钟频率高于WB的驱动频率。
相位域CTDSM的电路图如图10.4所示。在电流域中,PD-CTDSM的模拟输入是图10.1c中的电流输出信号。相位DAC通过控制电流流动的方向来实现,即使用具有不同相位的参考信号对电流输入进行斩波 $ \phi_1 $ 和 $ \phi_2 $。前馈系数 $ c_1 $(图10.3)通过第二级输出端的 $ R_{ff} $ 实现。
为了抑制第一积分级的1/f噪声,运放采用了斩波技术。通过选择斩波频率 $ f_{chop} $ 与 $ f_{demod} $ 相同,运放的输入斩波器可以与输入解调器合并,成为位于积分电容前的一个单一切换斩波器,如图10.5所示。
原则上,第一级放大器可以采用跨导放大器(OTA),这通常具有更高的能效。然而,所构成的积分器的输入电阻会相当大(1/跨导(gm))。该电阻的任何变化——可视为图10.6中文氏桥(WB)的输出电阻的一部分——都将导致测温误差。假设跨导(gm)的标称值为1毫西门子(Id约为50 μA,4倍于文氏桥的最大电流输出),且其变化为10%,则跨导(gm)的变化将导致硅化p多晶硅传感器的温度误差超过0.5 °C。对于非硅化n多晶硅传感器,由于感测电阻的温度系数较小,误差更大。然而,采用基于运放的第一级可以显著降低读出电路的输入阻抗,从而抑制该误差。
在本设计中,第一级的运放由一个折叠式跨导级和两个PMOS源极跟随器构成,如图10.7所示。跨导级的共模反馈通过工作在三极管区的两个PMOS晶体管实现。折叠式跨导级的尾电流在室温下为16 μA,经过优化以实现低噪声和低功耗。PMOS源极跟随器的直流电流在室温下每个为20 μA,该值的选择是为了能够处理文氏桥的峰值电流(室温下为11 μA,在-40 °C时为16 μA)。第一级的积分电容为180皮法。
第二级gm-C采用高效的折叠式OTA和源极退化的NMOS输入对以提高其线性度,其电流为4 μA,小于第一级的10%。
10.3.3 测量结果
宽带传感器芯片[19]采用0.18 μm工艺制造,芯片显微照片如图10.8所示。芯片上并排制造了两个传感器:一个硅化p型多晶硅(s-p-poly)传感器和一个非硅化n多晶硅传感器。它们共用相同的恒定跨导偏置电路和相位生成电路。每个传感器约占0.72 mm²,其中约40%被第一级积分器的电容器(2 × 180 pF)占据。包括读出电路在内,每个WB传感器从1.8V电源消耗87 μA电流。
为了确定提出的WB传感器设计的分辨率,传感器由低抖动(1皮秒均方根)频率参考驱动,该参考对读出电路的总噪声功率贡献小于0.5%。传感器安装在与大块铝材料保持良好热接触的位置,以最小化环境温度漂移。两个传感器的比特流输出频谱如图10.9a所示。传感器的噪声基底主要由文氏桥的热噪声主导。图10.9b显示了在对其比特流输出进行sinc²抽取后获得的两个传感器的温度分辨率与转换时间关系图。在5毫秒转换时间(2500个样本)下,n型多晶硅电阻达到880 μK均方根分辨率,而由于其更高的温度系数,硅化p型多晶硅实现410 μK均方根分辨率。n型多晶硅电阻的1/f转折频率约为10赫兹,而p型多晶硅传感器的转折频率低于1赫兹。这些结果证明了读出电路的1/f噪声抵消技术的有效性。然而,剩余的1/f噪声来自传感电阻。
10.4 惠斯通电桥传感器
10.4.1 传感器分析
惠斯通电桥(WhBs)通常用于精确测量差分电阻变化。通过使用两种具有不同温度系数(TCs)的不同类型电阻($ R_P $ 和 $ R_N $),可以构成具有电压或电流输出的温度传感器,如图10.12a 和 b所示。
当电桥完全平衡时($ R_P = R_N = R $),WhB的均方根温度分辨率
$$ \Delta T_{WhB} = \frac{1}{A \cdot (\alpha_P - \alpha_N)} \cdot \sqrt{\frac{2kTR}{t_{conv}}} $$
其中,$ \alpha_P $ 和 $ \alpha_N $ 分别是 $ R_P $ 和 $ R_N $ 的温度系数(TCs),而 $ A = V_{dd}/2 $ 是单个电阻两端的电压。注意,分辨率与其输出形式无关,即无论输出是电压还是电流。对于 $ \alpha = \alpha_P - \alpha_N $,惠斯通电桥温度传感器的优值可表示为 $ FoM_{WhB} = 8kT/\alpha^2 $,此表达式未包含读出电路的功耗和噪声。
10.4.2 传感器设计
为了最大化WhB传感器的分辨率和能效,$ R_P $ 和 $ R_N $ 的温度系数(TCs)应具有相反的极性。然而,在目标工艺中,只有非硅化多晶硅电阻具有负温度系数。
为了比较其性能,分别基于非硅化n型和p型多晶硅电阻作为负温度系数电阻($ R_N $)实现了两个电桥。这两个电桥均采用硅化p型多晶硅电阻作为正温度系数电阻($ R_P $)。这两种惠斯通电桥,即s-p/n-poly和s-p/p-poly电桥,分别实现了1.7 fJ·K²和3.4 fJ·K²的优值(不包括读出电路)。
s-p/n-poly惠斯通电桥传感器在室温下被设计为轻微不平衡,以便在目标温度范围(-40至85 °C)的两个极端处保留相似的裕量。当 $ R_P = 105 k\Omega $、$ R_N = 95 k\Omega $ 且电源电压 $ V_{dd} = 1.8 V $ 时,该传感器的分辨率为74 μK,转换时间为10毫秒。WhB传感器的电流输出范围为-2.0–3.0 μA。为了在目标温度范围内实现类似的电流输出范围,s-p/p-poly传感器中的电阻被选为 $ R_P = 67.5 k\Omega $ 和 $ R_N = 64 k\Omega $。这些值导致分辨率略有下降,为85 μK。
对于WB传感器,采用一个二阶1位连续时间ΔΣ调制器来读取WhB传感器。由于WhB传感器的输出为直流电流信号,因此使用了如图10.13所示的电流域CTDSM。所设计的CTDSM的简化电路图如图10.14所示。CTDSM的直流性能至关重要,因此在第一级运放中应用斩波技术以抑制其失调以及1/f噪声。前馈系数通过跨导级输出端的两个前馈电阻($ R_{ff} $)实现。由于惠斯通电桥(WhB)的对称性,读出电路的共模输入电压为 $ V_{dd}/2 $(0.9 V)。采用电阻型DAC实现电流反馈。为了避免引入额外的离散度,四个DAC电阻($ R_{DAC} $)与具有较小温度系数(TC)的两种传感电阻之一的 $ R_N $ 采用相同材料制成。在本设计中,对于s-p/n-poly传感器和s-p/p-poly传感器,$ R_{DAC} = 140 k\Omega $。
为了避免斩波转换时高频量化噪声的混叠[20],斩波频率被设置为等于采样频率(500 kHz)。由于无需相位生成电路,WhB传感器的读出电路采用比WB传感器更低的参考时钟频率,即4 MHz而非8 MHz,从而降低了其数字电路的功耗。
10.4.3 测量结果
WhB传感器芯片采用相同的0.18 μm CMOS工艺制造,芯片显微照片如图10.15所示。两个传感器并排制造:一个硅化p多晶硅/非硅化n多晶硅(s-p/n-poly)传感器和一个硅化p多晶硅/非硅化p多晶硅(s-p/p-poly)传感器。它们共用相同的恒定跨导偏置和时钟产生电路。在1.8V电源下,每个传感器的电流消耗为101 μA,包括读出电路。芯片面积与WB传感器相同。
与WB传感器的测量设置类似(但不包含低噪声频率参考),两个WhB桥式传感器的比特流频谱以及转换时间与分辨率关系图如图10.16所示。
两个传感器的1/f拐角频率均在10赫兹左右。在其比特流经过sinc²抽取后输出后,s-p/n-poly传感器在10毫秒转换时间(5000个样本)内实现了164 μK的温度分辨率。在相同的转换时间内,s-p/p-poly传感器的分辨率约为170 μK。
在一个晶圆的陶瓷DIL封装中抽取了二十个样本进行表征。在室温下,当电源电压范围为1.6至2V时,测得s-p/n-poly传感器的最大电源灵敏度为16 m°C/V,s-p/p-poly传感器为26 m°C/V。降采样比特流与温度关系图如图10.17所示。经过一阶多项式拟合并进行系统非线性的固定校正后,s-p/n-poly传感器在工业温度范围内实现了0.10 °C的不准确度。s-p/p-poly传感器在相同温度范围内的不准确度更小,为0.07 °C,如图10.18所示。
10.5 传感器的比较
10.5.1 两个传感器的比较
两个传感器代表了实现用于将温度感应电阻数字化的参考阻抗的不同方法。
WB传感器的参考是容抗,即由固定频率驱动的电容器的阻抗。相比之下,WhB传感器的参考则仅仅是另一个电阻。
参考电阻的实现更为简单,因为它不需要稳定的频率参考(尽管在频率参考中这并不是问题)。此外,其相关的读出电路可以更高效,因为其输入信号为直流,无需进行下变频。而且,WhB传感器中使用了两种不同类型的电阻器,导致其有效温度系数高于WB传感器。因此,WhB传感器的优值比WB传感器高2.7×。
然而,除了优值之外,温度传感器的其他重要性能指标还包括其精度和稳定性。WhB传感器的温度依赖性由两种具有不同(非线性)温度系数(TCs)和离散度的电阻器决定,而WB传感器仅使用一种类型的电阻器。因此,可以预期WhB传感器的精度略低于WB传感器,尤其是在工艺角变化的情况下。此外,硅化多晶硅电阻的1/f噪声明显优于普通多晶硅电阻,这也使得WB传感器在这方面表现更佳。
10.5.2 与先进水平的比较
表10.2比较了两个基于电阻的温度传感器与先进水平的性能。所提出的两个传感器的能效优于其他任何CMOS温度传感器,并且接近基于MEMS的传感器,但后者不完全兼容CMOS[6]。这两个传感器仅通过一阶多项式拟合并结合系统误差消除,就实现了优于0.1 °C的不准确度,优于以往的设计。如温度分辨率与能量/转换关系图(图10.19)所示,本文介绍的两个传感器是迄今为止最节能的CMOS温度传感器。
10.6 结论
本文在0.18 μm CMOS工艺中实现了两种基于电阻的温度传感器。一种基于文氏桥RC滤波器,另一种基于惠斯通电桥。由于硅化p型多晶硅电阻具有高温度系数,在两个电桥中均采用了低1/f噪声技术。两种传感器的读出电路均采用高能效的连续时间ΔΣ调制器,并应用斩波技术以抑制读出电路的失调和1/f噪声。文氏电桥传感器在5 ms测量时间内实现了410 μK的分辨率,分辨率优值为0.13 pJ·K²。然而,惠斯通电桥传感器在10 ms测量时间内实现了160 μK的分辨率,测量时间和分辨率为0.049 pJ·K²的优值。这些结果清楚地表明,基于电阻的温度传感器可用于实现用于频率基准温度补偿的高分辨率和节能传感器。
| WB传感器 | WhB传感器 | JSSC13[1] | JSSC15[15] | JSSC17[12] | TIE17[5] | |
|---|---|---|---|---|---|---|
| 传感器类型 | 电阻 | 电阻 | 电阻 | 电阻 | MEMS | BJT |
| 技术 (μm) | 0.18 | 0.18 | 0.18 | 0.18 | 0.18 | 0.7 |
| 面积 (mm²) | 0.72 | 0.72 | 0.18 | 0.43 | 0.54 | 1.5 |
| 功率(mW) 温度范围 (°C) | 0.16 -40–85 | 0.18 -40–85 | 13 -40–85 | 0.065 -40–125 | 19 -40–105 | 0.16 -40–130 |
| 分辨率(毫开尔文) | 0.41 | 0.16 | 0.1 | 10 | 0.02 | 3 |
| Tconv(ms) | 5 | 10 | 100 | 0.1 | 5 | 1.8 |
| 校准点 不准确度(3σ) | 2a ±70 mK | 2a ±100 mK | 6 ±15 mKc | 2b ±400 mKc | – | 1 ±300 mK |
| Res.优值 (pJ·K²) | 0.13 | 0.049 | 13 | 0.65 | 0.04 | 3.2 |
a 一阶拟合
b 单点校准,采用一阶曲线拟合
c 最小值或最大值
753

被折叠的 条评论
为什么被折叠?



