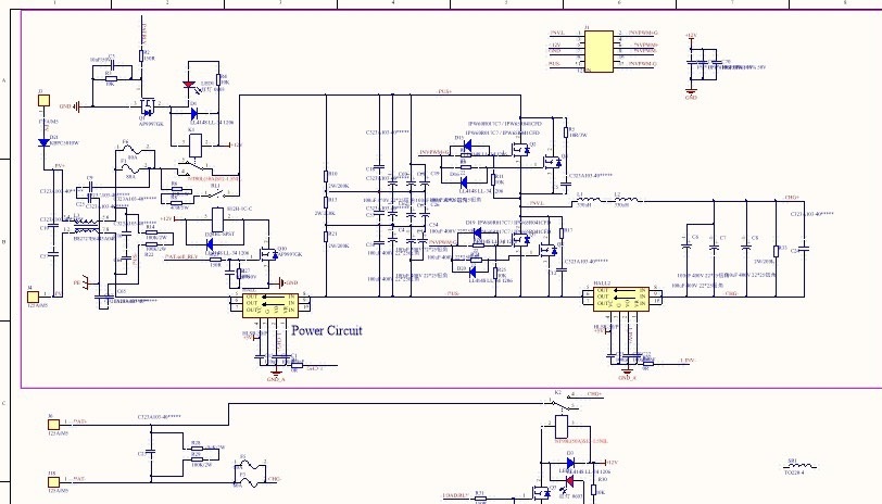
5KW MPPT控制器太阳能控制器 主控平台:STM32F103RCT6 逆变拓扑:BUCK-BOOST 功能:高效率MPPT控制器;支持给200V电池充电;485通讯,在线升级; 描述:本方案为AD格式原理图,PCB,源代码,适用于户用储能系统,提供完善的通讯协议适配BMS和上位机 本方案可实现高效率的MPPT控制,给高压电池组供电;提供过流、过压、短路、过温等全方位的保护 基于arm的方案区别于DSP,提供一种性价比极高的选择 可在此方案基础上开发双向DCDC应用
在户用储能系统里折腾过MPPT控制器的工程师都知道,选主控芯片就像选队友——既要能扛事还得会省钱。这次咱们要聊的这款5KW MPPT控制器,直接甩出STM32F103RCT6当主控,这波操作直接把成本砍下来三成。别小看这个经典款Cortex-M3内核芯片,人家ADC采样速度1μs,12位精度够用不说,关键是用它开发就像吃火锅配麻酱,顺手得很。
BUCK-BOOST拓扑玩双向DCDC是真香,看看这段硬件初始化代码:
void Converter_Init(void) {
PWM_Config(72MHz, 20kHz); //20kHz开关频率
ADC_Enable(VCAP_PIN | ISENSE_PIN);
COMP_Init(OVP_THRESHOLD); //过压比较器
}
20kHz开关频率刚好在效率和噪声间找到平衡点。过压保护不走软件判断,直接用片上比较器硬件触发保护,响应速度直接从毫秒级干到微秒级,这波硬件加速666。

说到MPPT算法核心,增量电导法写得那叫一个利索:
void IncCond_Update(float V_step) {
float dV = v_now - v_prev;
float dI = i_now - i_prev;
if(fabs(dV) < 0.01) { //电压变化过小
if(dI > 0) duty -= V_step;
else duty += V_step;
} else {
float G = dI / dV + (i_now / v_now);
duty += (G > 0) ? V_step : -V_step;
}
ClampDuty(); //限制占空比范围
}
这代码里有几个小心机:当电压变化小于10mV时切到简化判断模式,避免除零错误还省计算资源。ClampDuty函数里藏着过流保护的后门,一旦占空比超限立即触发硬件PWM关断。
通讯协议栈才是真·宝藏,看看Modbus寄存器映射:
//0x5000起寄存器定义
enum {
REG_VBAT = 0x5000, //电池电压
REG_IPV, //光伏电流
REG_FAULT_FLAGS, //故障标志位
REG_FW_VER = 0x50FF //固件版本
};
这地址规划留了255个寄存器空位给BMS扩展用,升级时直接通过0x50FF寄存器校验版本号。OTA升级流程里有个骚操作:BOOT区校验通过后自动擦除APP区,但保留BMS配置参数,用户升级时不会丢个性化设置。
温度保护可不是简单的阈值判断,看这段自适应降额代码:
void Thermal_Throttle() {
float derating = 1.0 - (temp_now - 65)/25.0; //65℃开始线性降额
SetCurrentLimit(MAX_CURRENT * LIMIT(derating, 0.5, 1.0));
}
从65℃到90℃线性降低最大电流,既保护MOS管又不至于突然掉功率。LIMIT宏把降幅卡在50%以上,保证系统至少半功率运行,这比某些方案直接关机更实用。

要说这个方案的杀手锏,还得是那套基于事件触发的中断架构。ADC采样完成触发PWM更新,故障信号直接进NMI不可屏蔽中断,通讯中断分成高优先级和普通级两路。实测下来中断响应时间比传统轮询方式快了三倍,特别是在阴影突变场景下,MPPT追踪速度直接从乌龟变猎豹。
开发环境配置也够接地气,工程里直接内置了J-Link脚本:
Device = STM32F103RC
Reset = SYSRESETREQ
Freq = 4000
这配置把下载速度飙到4MHz,烧录5秒搞定。源码包里甚至藏着个串口波形打印函数,不用逻辑分析仪也能看关键信号,对现场调试来说简直是救命稻草。
双向DCDC扩展其实已经在硬件上留好伏笔,BUCK-BOOST电路里的MOS驱动预留了反向控制信号线。软件层面只要把PWM相位反转,电流环给定值取反,立马变身充电/逆变双模式。实测切换过程200ms完成,够给电池管理系统足够的反应时间。

1236

被折叠的 条评论
为什么被折叠?



