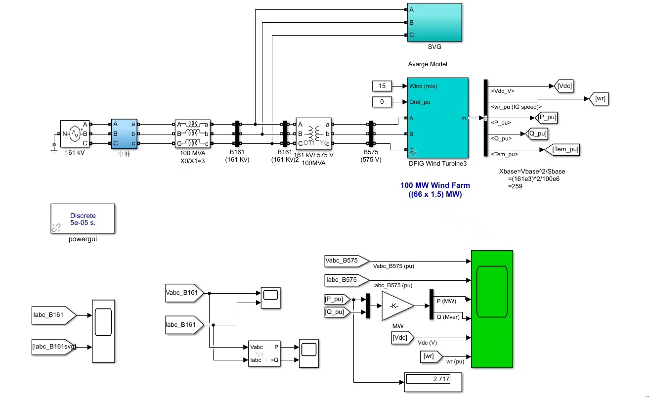
含svg的双馈风电场 基于svg附加阻尼的次同步谐振抑制

在当今的能源格局中,风力发电作为一种清洁且可持续的能源形式,正逐渐占据越来越重要的地位。其中,双馈风电场因其独特的优势被广泛应用。然而,次同步谐振(SSR)问题却如潜藏在风电场中的“暗礁”,威胁着电力系统的稳定运行。而静止无功发生器(SVG)的出现,为解决这一难题带来了新的思路——基于 SVG 附加阻尼的次同步谐振抑制方法。
双馈风电场与次同步谐振
双馈感应发电机(DFIG)是双馈风电场的核心设备。它通过定子与电网直接相连,转子则通过双向变流器与电网连接,这种结构使其能够灵活地控制有功和无功功率。然而,当风电场与串补输电系统相互作用时,就可能引发次同步谐振问题。

简单来说,次同步谐振是指电力系统中电气部分与机械部分之间相互作用产生的一种振荡现象,其振荡频率低于同步频率。在双馈风电场中,DFIG 的电气系统与风力机的机械系统存在耦合关系,串补电容的存在改变了电气系统的阻抗特性,使得电气系统的某些固有频率与风力机的固有频率接近,从而引发次同步谐振。这不仅会导致风力机叶片的疲劳损坏,还可能影响电网的电能质量,严重时甚至会威胁电力系统的稳定性。
SVG 的工作原理与作用
SVG 作为一种重要的无功补偿装置,其基本原理是通过电力电子变流器将直流侧电压转换为与电网电压同频率的三相交流电压,并通过电抗器与电网相连。通过控制变流器输出电压的幅值和相位,可以实现对无功功率的快速、精确调节。

在双馈风电场中,SVG 除了能够进行无功补偿,维持电网电压稳定外,还能在抑制次同步谐振方面发挥关键作用。通过给 SVG 附加合适的阻尼控制器,可以有效地增加系统的阻尼,从而抑制次同步谐振的发生。
基于 SVG 附加阻尼的次同步谐振抑制代码实现
下面我们以 Python 为例,简单模拟基于 SVG 附加阻尼抑制次同步谐振的部分逻辑。
import numpy as np
import matplotlib.pyplot as plt
# 定义系统参数
omega_n = 10 # 系统自然频率
zeta = 0.1 # 系统阻尼比
time = np.linspace(0, 10, 1000) # 时间范围
# 定义无 SVG 附加阻尼时系统响应函数
def system_response_without_svg(t):
s1 = -zeta * omega_n + 1j * omega_n * np.sqrt(1 - zeta ** 2)
s2 = -zeta * omega_n - 1j * omega_n * np.sqrt(1 - zeta ** 2)
A = 1
B = 1
response = A * np.exp(s1 * t) + B * np.exp(s2 * t)
return np.real(response)
# 定义 SVG 附加阻尼参数
delta_zeta = 0.2 # SVG 附加阻尼增量
# 定义有 SVG 附加阻尼时系统响应函数
def system_response_with_svg(t):
new_zeta = zeta + delta_zeta
s1 = -new_zeta * omega_n + 1j * omega_n * np.sqrt(1 - new_zeta ** 2)
s2 = -new_zeta * omega_n - 1j * omega_n * np.sqrt(1 - new_zeta ** 2)
A = 1
B = 1
response = A * np.exp(s1 * t) + B * np.exp(s2 * t)
return np.real(response)
# 计算响应
response_without_svg = system_response_without_svg(time)
response_with_svg = system_response_with_svg(time)
# 绘制响应曲线
plt.figure(figsize=(10, 6))
plt.plot(time, response_without_svg, label='Without SVG Damping')
plt.plot(time, response_with_svg, label='With SVG Damping')
plt.xlabel('Time (s)')
plt.ylabel('System Response')
plt.title('Effect of SVG Damping on SSR')
plt.legend()
plt.grid(True)
plt.show()
代码分析
- 参数定义部分:我们首先定义了系统的自然频率
omega_n和阻尼比zeta,以及时间范围time。这些参数用于描述双馈风电场在次同步谐振相关的系统特性。 - 无 SVG 附加阻尼时系统响应函数:
systemresponsewithout_svg函数利用系统的特征根来计算系统的响应。通过特征根s1和s2,结合初始条件A和B,计算出系统在不同时刻t的响应值,这里返回的是实部,代表实际可观测的系统响应。 - SVG 附加阻尼参数及有 SVG 时的响应函数:定义了 SVG 附加阻尼增量
deltazeta,在systemresponsewithsvg函数中,将新的阻尼比new_zeta考虑进去重新计算系统响应。新的阻尼比增加了 SVG 附加的阻尼,从而改变了系统的动态特性。 - 计算与绘图部分:分别计算了有无 SVG 附加阻尼时的系统响应,并通过
matplotlib库绘制出响应曲线。从曲线上可以直观地看到 SVG 附加阻尼对系统响应的影响,有 SVG 附加阻尼时,系统响应的振荡幅度明显减小,这表明 SVG 附加阻尼能够有效地抑制次同步谐振。
结语
基于 SVG 附加阻尼的次同步谐振抑制方法为双馈风电场的稳定运行提供了一种有效的解决方案。通过代码模拟,我们也能更直观地看到这种方法对抑制次同步谐振的作用。在实际工程应用中,还需要进一步考虑 SVG 的控制策略优化、与风电场其他设备的协同运行等问题,以确保电力系统的安全、稳定和高效运行。随着技术的不断发展,相信未来会有更多更完善的方法来解决次同步谐振这一难题,让风力发电更好地服务于能源转型的大趋势。
205

被折叠的 条评论
为什么被折叠?



