非线性磁链观测器基本原理是从转子磁链中提取角度信息,而滑膜观测器从定子的反电动势中提取角度信息。当然一般都是基于alpha-beta坐标系进行观测器的涉及。
非线性磁链观测器的基本数学公式如下:
里面的参数我就不多赘述了,原理和滑膜观测器一样,构造跟踪的电流,当观测器跟踪的电流能幅值和相位接近实际的电流时,观测器计算的磁链就等效于实际的磁链,这里和滑膜观测器原理上是一样的,然后用锁相环提取角度信息就行了。
完整的仿真模型如下,代码个人认为有模型就能写出来,就不贴了,大部分人要的话再说吧
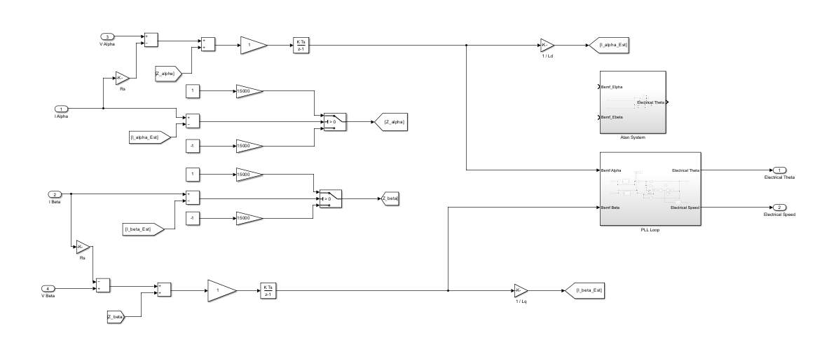
非线性磁链观测器基本原理是从转子磁链中提取角度信息,而滑膜观测器从定子的反电动势中提取角度信息。当然一般都是基于alpha-beta坐标系进行观测器的涉及。
非线性磁链观测器的基本数学公式如下:
里面的参数我就不多赘述了,原理和滑膜观测器一样,构造跟踪的电流,当观测器跟踪的电流能幅值和相位接近实际的电流时,观测器计算的磁链就等效于实际的磁链,这里和滑膜观测器原理上是一样的,然后用锁相环提取角度信息就行了。
完整的仿真模型如下,代码个人认为有模型就能写出来,就不贴了,大部分人要的话再说吧

被折叠的 条评论
为什么被折叠?