【FPGA+DSP系列】——MATLAB simulink单相PWM全控整流电路基础版
前言
最近一直在学习simuliink仿真,毕竟学会使用simulink仿真是学习电力电子的一个重要工具,不然很难通过纯理论去把整个电路去搞懂。通过这一阵的学习,发现数学推导能力也是十分重要,之前没怎么推导过这些公式,高等数学也是基本全部还了回去,就还记得fft的相关计算。所以学起来真是好枯燥乏味,慢慢磨吧,学会simulink入门了再说其他的。

上图是我学习的一个关于单相PWM整流器的一个网课,链接是:学习网站1和学习网课1
因为本身对IGBT这种器件不太了解,通过听这位老师的课程之后,想把自己的一些理解记录下来,方便后续进行回顾复习以及重新学习。其中肯定会存在不少问题,希望路过的大佬能把我解答疑问,万分感谢。
一、为什么会存在PWM整流器?
一种新的东西的出现一定会为某些领域带来进步,PWM整流器的作用就是提供单位功率系数以及减少电网污染。
众所周知,在传统的整流电路中晶闸管可控整流装置的功率因数会随着其触发角的增加而变坏,这不但使得电力电子类装置成为电网中的主要谐波因素,也增加了电网中无功功率的消耗。
----------------------
PWM 整流电路是采用脉宽调制技术和全控型器件组成的整流电路‚能有效地解决传统整流电路存在的问题。通过对 PWM
整流电路进行有效的控制选择合适的工作模式和工作时序从而调节了交流侧电流的大小和相位使之接近正弦波并与电网电压同相或反相不但有效地控制了电力电子装置的谐波问题‚同时也使得变流装置获得良好的功率因数。
二、SPWM调制方法原理介绍
调制波 - “指挥家”
- 是什么:低频参考信号,形状决定了最终输出的波形
- 频率:与期望输出频率相同(比如50Hz)
- 作用:告诉系统"我想要什么样的最终结果"
载波 - “节拍器”
- 是什么:高频周期信号,通常是三角波或锯齿波
- 频率:开关频率(比如10kHz),远高于调制波
- 作用:决定系统"以多快的节奏来执行命令"
调制波是你想要的波形,对于PWM整流器来说,它想要电流波形为50Hz与电压同相位的正弦波形,所以我们的调制波其实就是交流测电压信号。那么载波怎么来决定,其实就是你IGBT的开关频率来决定,你开关管子的速率越快,理论来说波形就会越光滑,因为你处理的比较及时,电感一增一降之间的间隔比较小,所以基本没有什么波动。
调制方式由三种,分别由单极性调制,双极性调制以及单极性倍频调制。
下面讲到的知识点以及图片来源于:手把手教你搭单极性双极性及倍频SPWM调制
1.单极性调制
拿正半周为例,VT1是常打开,VT2常关闭,然后通过控制VT2和VT4实现PWM整流器,所以VT2和VT4的PWM波形就是互补的,VT1和VT2的波形是互补的。通过比较载波和调制波的大小进而决定PWM的高低电平,完成对整体电路结构的控制。

本质上就是比较载波跟调制波的大小,进而生成PWM波去开关IGBT,因为IGBT是全控器件,由正向电压的话,给高电平就打开了。其他两种的调制方法本质上都是比较调制波和载波,但是控制策略不同。

2.双极性调制
双极性调制是同时对VT1和VT4进行开通,或者同时对VT2和VT3开通,相当于只生成两路互补的PWM。进而完成PWM整流器。

3.单极性倍频调制
该种调制是同时对4个管子进行SPWM调制,其中VT1和VT4管子通过调制波和载波比较进行得到,另外VT2和VT3的PWM波通过载波和移相180°的调制波进行比较得到的。

同时我们下面讲到的就是使用这种调制方式进行学习的。但是三种调制效果还没进行对比,后面可以跟着这个b站的视频博主进行学习
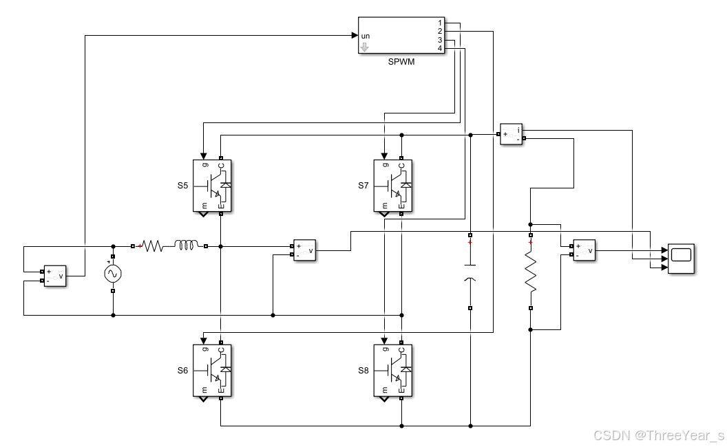
二、电路结构分析
该电路组成主要是4个功率开关器件IGBT和4个反向并联的二极管,其中还比较重要的就是电路交流端的电阻电感以及直流侧的电容,电感和电容的参数也是整个系统的关键。大致来讲电感和电阻配合是为了提供无功功率和消除一定的谐波电流,而电容主要作用是为了稳压和吸收无功功率。

这个电路如果你不对IGBT进行操作,本身就是一个二极管桥式整流电路,加上电容稳压,所以直流端我们认为他是一个稳定的Ud。
其次就要根据电流方向+不同器件导通来进行分析了。
可以明确的是同一个桥臂上的两个管子不能同时导通,基于单极性倍频调制进行讲解

- 那么在正半周的时期,电流方向为正,观察右图的四个管子的PWM波形,我们需要知道现在是哪两个管子导通,刚开始是VT2和VT4的管子导通。电流经过电感,VT2然后通过VD4返回,这个阶段电容放电给负载进行工作,这时候Uab两端的电压为0。这时候电流是逐渐增加的,电源电压给电感充电进行储能。
- 还是在正半周的时期,电流方向依然为正,观察右图可以发现现在是VT1和VT4导通,这时候电流通过电感,流向VD1,经过负载流向VD4然后返回。这个阶段由电源电压和电感共同给电容充电和负载供电,电流是逐渐减小的,电感释放能量。这时候Uab两端电压等于Ud
- 还是正半周的周期,电流方向为正,观察右图可以发现现在是VT1和VT3导通,电流经过电感流向VD1然后流向VT3返回,这时候电源给电感充电,电容给负载进行供电,电流逐渐增加,电感进行储能。
其他的类比一下就可以。这个时间端我们为什么要提到交流测电压Uab,因为我们最开始提到了PWM整流器的作用就是提供单位功率密度系数以及减小电网污染,具体表现就是电流与电压同相位。这种调制方式会得到正弦电流,电压是类似正弦化波形。通过思考PWM波的本质我们就可以知道,PWM波其实可以模拟得到任何模拟波形,通过改变占空比来达到不同电压的输出,进而完成正弦化。
所以读到这个基本上单相PWM整流器使用单极性倍频调制的工作原理就基本完成。但是还是有很多问题是需要进行更深层次的计算和思考的,比如说电容以及电感的参数如何进行计算?直流端的电压大小由什么决定?如何改变直流端的电压大小呢?
三、MATLAB SIMULINK仿真模型搭建
我把这个工程的相关资源上传到主页了,或者留下邮箱可以给你们参考,希望有问题能帮我指出来。胆小误点
SPWM是一个子系统组件,只是修改了一下名字

下面是电感和电容 交流电源的的参数,我自己瞎设置的。
交流测电感0.001H,电阻0.1Ω,直流侧电容0.05F,电阻20Ω,现在通过改变m可以进行直流端电压的控制了,m越小电压越大。



总结
资源在首页哈,免费下载。仅供参考,有问题麻烦指出一下!!非常感谢。
文章摘要:本文探讨了单相PWM整流器的基础原理与应用。作者通过学习Simulink仿真工具,分析了PWM整流器在改善功率因数和减少谐波污染方面的优势。重点介绍了三种SPWM调制方法(单极性、双极性和单极性倍频),并详细解析了单极性倍频调制的工作原理及电路特性。文章还分享了MATLAB Simulink的仿真模型搭建过程,包括参数设置和子系统组件设计,为电力电子学习者提供了实用参考资源。最后作者指出仍需深入探讨电容电感参数计算等核心问题。

93

被折叠的 条评论
为什么被折叠?



