二进制编码
R进制相互转换
(1) 十进制 → 二进制(整数 + 小数分开转换)
- 整数部分:除 2 取余,逆序排列(直到商为 0,余数从最后一个到第一个)。
- 例:十进制 13 → 二进制13÷2=6 余 1,6÷2=3 余 0,3÷2=1 余 1,1÷2=0 余 1 → 逆序得 1101。
- 小数部分:乘 2 取整,顺序排列(直到小数部分为 0 或达到精度要求,整数从第一个到最后一个)。
- 例:十进制 0.625 → 二进制0.625×2=1.25 取 1,0.25×2=0.5 取 0,0.5×2=1.0 取 1 → 顺序得 0.101。
- 组合:13.625₁₀ = 1101.101₂。
(2) 十进制 → 十六进制
- 方法 1:先转二进制,再按 “4 位二进制→1 位十六进制” 分组(整数从右分组,小数从左分组,不足补 0)。
- 例:13.625₁₀ = 1101.101₂ → 整数 1101=D,小数 1010(补 0)=A → D.A₁₆。
- 方法 2:除 16 取余(整数)、乘 16 取整(小数),直接转换。
(3) 二进制 / 十六进制 → 十进制
按位权展开求和:
- 二进制 1101.101₂ = 1×2^3 + 1×2^2 + 0×2^1 + 1×2^0 + 1×2^-1 + 0×2^-2 + 1×2^-3 = 8+4+0+1+0.5+0+0.125 = 13.625₁₀。
- 十六进制 D.A₁₆ = 13×16^0 + 10×16^-1 = 13 + 0.625 = 13.625₁₀。
(4) 二进制 ↔ 十六进制(快速转换)
- 二进制→十六进制:4 位一组,不足补 0,每组对应 1 位十六进制(0000=0,1111=F)。
- 例:1101101.101₂ → 0110 1101 . 1010 → 6D.A₁₆。
- 十六进制→二进制:1 位拆 4 位,不足补 0。
- 例:3F.8₁₆ → 0011 1111 . 1000 → 111111.1₂。
机器码与真值的相互转换
| 机器码类型 | 正数(真值 X>0) | 负数(真值 X<0) |
|---|---|---|
| 原码 | 符号位 0 + 数值位(X 的二进制) | 符号位 1 + 数值位(X 的二进制) |
| 反码 | 同原码 | 符号位 1 + 数值位(X 的二进制按位取反) |
| 补码 | 同原码 | 反码 + 1(符号位不变,取反加一) |
| 移码 | 补码的符号位取反 | 补码的符号位取反 |
补充:[X]补 按位取反加一(符号位也取反) -> [-X]补


综合应用
1.有符号数
C语言中有符号整数为补码形式。

补码符号扩展:添符号位

2.无符号数
无符号数全部位为数值位,直接转换(把符号位也算进去作数值位)。


单精度 IEEE754 浮点数标准(32位)
单精度浮点数将32为分为3部分:
| 符号位(S) | 阶码位(E) | 尾数部分(M) | 总位数 |
|---|---|---|---|
| 1 位(第 31 位) | 8 位(第 30-23 位) | 23 位(第 22-0 位) | 32 位 |
- 符号位 S:0 = 正数,1 = 负数。
- 阶码位 E:采用移码表示,偏移量 = 127(即阶码真值 = E 的二进制值 - 127)。
- 尾数部分 M:隐含整数位 1(即尾数实际值 = 1.M),采用二进制小数表示。
真值 ↔ 32 位 IEEE754 转换规则
1) 真值→IEEE754
- 将真值转换为二进制科学计数法:X = (-1)^S × (1.M) × 2^e(e 为阶码真值)。
- 计算阶码位 E:E = e + 127(转换为 8 位二进制,不足补 0)。
- 截取尾数部分 M:取 1.M 的小数部分,保留 23 位(超出截断,不足补 0)。
- 组合:S(1 位)+ E(8 位)+ M(23 位)。
2)IEEE754 →真值
- 拆分 32 位为 S、E、M 三部分。
- 计算阶码真值 e:e = [E]十进制 - 127。
- 计算尾数实际值:1.M = 1 + [M]十进制。
- 计算真值:X = (-1)^S × (1.M) × 2^e。


运算方法和运算部件
基本运算部件
运算部件种类(了解)
1.串行进位加法器
由n 个全加器(FA) 级联构成,每一位全加器的进位输出 Ci 作为下一位全加器的进位输入Ci+1,进位信号从最低位(LSB)向最高位(MSB)逐位传递。
2.并行进位加法器
通过进位生成逻辑提前计算每一位的进位 Ci,无需等待低位进位,所有位的进位和和值可并行计算,核心是推导进位的 “生成项” 和 “传递项”。
3.带标志位加法器
在并行进位加法器基础上,增加标志位生成电路,运算后输出反映运算结果特征的标志位,支持程序判断和异常处理
4.算术逻辑部件(ALU)
通用运算部件,可通过控制信号选择实现算术运算(加减、移位)或逻辑运算(与、或、非、异或),是 CPU 运算器的核心。
核心标志位(主)
| 标志位 | 符号 | 含义 | 判断规则(以 n 位补码加法为例) |
|---|---|---|---|
| 进位标志 | CF | 运算的进位 / 借位 | 有进位/借位 -> 1 |
| 零标志 | ZF | 运算结果是否为 0 | 结果为0 -> 1 |
| 符号标志 | SF | 运算结果的符号(补码) | 负数 -> 1 |
| 溢出标志 | OF | 有符号数运算是否溢出 | 溢出 -> 1 |
要先看下面的定点数运算再回来做这道例题


定点数运算
1.补码加减运算
基本规则(注意要忽略最高位进位):
- 补码加法:[X + Y]补 = [X]补 + [Y]补
- 补码减法:[X - Y]补 = [X]补 + [-Y]补
判断是否溢出:
通常可以先算真值来判断是否溢出
| 判断方法 | 规则 | 举例(8 位:64+65=129,超出范围) |
|---|---|---|
| 单符号位法 | 最高位进位C_7 ≠ 次高位进位C6 → OF=1 | [64]补=01000000,[65]补=01000001 相加:01000000+01000001=10000001 C7=0,C6=1 → OF=1(溢出) |
| 进位值法 | 符号位进位Cs ≠ 数值位最高进位Cn → OF=1 | 同例:符号位(第 7 位)进位Cs=0,数值位最高(第 6 位)进位Cn=1 → OF=1 |
| 双符号位法(变形补码) | 补码扩展为双符号位(00 = 正,11 = 负),运算后双符号位不同(01/10)→ OF=1 | [64]补=001000000,[65]补=001000001 相加:001000000+001000001=010000001 双符号位 01 → OF=1(正溢出) |
双符号补充:01 = 正溢出,10 = 负溢出,00/11 = 无溢出
单符号位例题:


双符号位例题:



2.原码乘法运算(原码一位乘法)

[X]原 = 01011,[Y]原 = 10101
C表示前面补0;
判断 Y 的最后一位,1 -> P + X,0 -> P + 0;
n位乘数就要加n次,最后取 无符号X位数+无符号Y位数 再补上符号位。

存储器层次结构
存储器概述
1. 存储器的分类(了解)
存储器是计算机存储数据和程序的核心部件,可从多个维度分类:
| 分类维度 | 类型 | 特点 / 示例 |
|---|---|---|
| 存储介质 | 半导体存储器 | 基于半导体器件(MOS 管 / 双极型管),速度快、体积小,分为易失性(RAM)和非易失性(ROM) |
| 磁介质存储器 | 硬盘、磁带,容量大、成本低、非易失,速度慢 | |
| 光介质存储器 | CD/DVD/ 蓝光光盘,非易失,便携性好 | |
| 存取方式 | 随机存取存储器(RAM) | 任意地址单元可随机读写,访问时间与地址无关(如 SRAM、DRAM) |
| 只读存储器(ROM) | 正常工作时只读,非易失(如掩膜 ROM、EPROM、Flash) | |
| 顺序存取存储器(SAM) | 按顺序读写,访问时间与地址相关(如磁带) | |
| 直接存取存储器(DAM) | 寻址分两步(寻道 + 顺序读写),如硬盘 | |
| 层次结构 | 高速缓冲存储器(Cache) | 位于 CPU 与主存之间,速度最快、容量小,缓解 CPU 与主存速度差距 |
| 主存储器(内存) | 计算机核心存储,速度较快、容量适中,易失性 | |
| 辅助存储器(外存) | 容量大、成本低,非易失,用于长期存储 | |
| 易失性 | 易失性存储器 | 断电后数据丢失(SRAM、DRAM、Cache) |
| 非易失性存储器 | 断电后数据保留(ROM、Flash、硬盘、光盘) |
2.性能参数指标(了解)
存储器的核心性能指标决定了读写效率和使用体验:
| 参数 | 定义 | 说明 |
|---|---|---|
| 存储容量 | 存储器可存储的二进制位数 / 字节数 | 常用单位:B(字节)、KB(1KB=1024B)、MB(1024KB)、GB(1024MB)、TB(1024GB)核心公式:容量 = 地址线位数对应的单元数 × 数据线位数(如 10 根地址线 + 8 根数据线→2^10×8=8192位 = 1KB) |
| 存取时间TA | 从发出读写命令到完成操作的时间 | 衡量存储器的读写速度,Cache(ns 级)< 主存(ns~μs 级)< 外存(ms 级) |
| 存取周期TM | 连续两次独立存取操作的最小间隔时间 | TM ≥ TA,包含存储器恢复时间(如 DRAM 刷新) |
| 带宽 | 单位时间内可传输的最大数据量 | 公式:Bm = 存储容量/存取周期,单位:B/s、bit/s |
| 可靠性 | 用平均无故障时间(MTBF)衡量 | MTBF 越长,可靠性越高 |
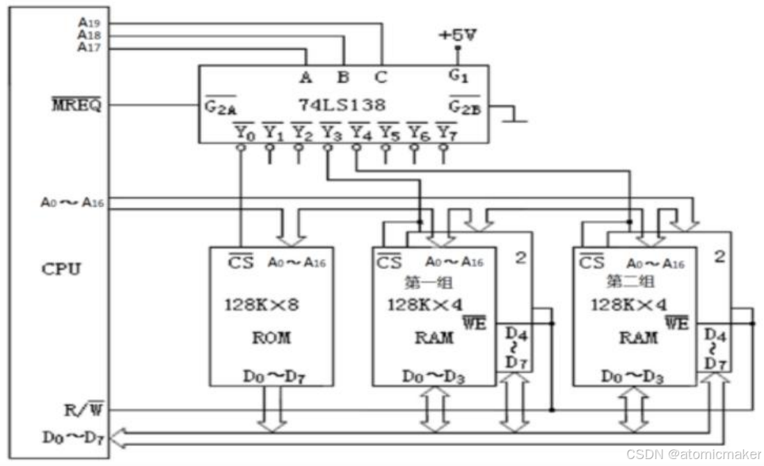
主存储器的基本结构
(1) 位扩展(增加数据线位数,字数不变)
- 适用场景:芯片字数满足需求,但位数不足(如用 8K×1 位芯片组成 8K×8 位存储器)。
- 连接规则:
- 所有芯片的地址线、控制线并联;
- 各芯片的数据线分别作为存储器的不同位(如第 1 片接 D0,第 2 片接 D1,…,第 8 片接 D7)。
(2) 字扩展(增加地址单元数,位数不变)
- 适用场景:芯片位数满足需求,但字数不足(如用 8K×8 位芯片组成 32K×8 位存储器)。
- 连接规则:
- 所有芯片的数据线、读写控制线并联;
- 新增地址线通过译码器产生片选信号,选中不同芯片(如 32K 需 15 根地址线,8K 需 13 根,新增 A13、A14 经 2-4 译码器产生 4 个片选信号,对应 4 片 8K 芯片)。


(3)地址范围分析(主)



高速缓冲存储器(主)
Cache 与主存的映射方式
1)直接映射(一对一)
2)全相联映射(多对多)
3)组相联映射(分组的直接映射)

注意:主存块号的表示都是一样的。

全相联映射方式:


直接相联方式:


8路组相联映射方式:


Cache 性能参数
1)命中率
CPU 访问的信息在 Cache 中的概率,是 Cache 性能的核心指标:
- Nc:Cache 命中的访问次数;Nm:Cache 未命中(缺失)的访问次数。
2)平均访问时间
CPU 访问储存器的平均时间,综合 Cache 和主存的访问时间:
- Tc:Cache 访问时间;Tm:主存访问时间。
3)访问效率
Cache 的有效利用率,反应 Cache 对访问速度的提升效果:



速度快10倍,则所需时间为 1/10

指令系统
指令系统设计
寻址方式
机器字长:n位,形式地址A:m位。
真正的操作数 S = (EA)。
| 寻址方式 | 有效地址(EA)计算 | 寻址范围 |
|---|---|---|
| 立即寻址 | A 就是操作数 | 由立即数字长决定 |
| 寄存器寻址 | EA= R | 由寄存器位数决定(如 5 位寄存器编号支持 32 个寄存器) |
| 直接寻址 | EA= A | |
| 间接寻址 | EA= (A) | |
| 寄存器间接寻址 | EA= (R) | |
| 变址寻址 | EA= (R)+A(R 为变址寄存器) | |
| 基址寻址 | EA= (R)+A(R 为基址寄存器) | |
| 相对寻址 | EA= (PC)+A(PC 为程序计数器) |
注意:R 表示的是寄存器,(R) 才是寄存器的值。


扩展操作码
基本原则:地址码位数越少,操作码位数越多。




中央处理器
CPU 是计算机的核心部件,负责指令的读取、译码、执行以及数据的运算和处理,其性能直接决定计算机的整体运行效率。
CPU概述(了解)
CPU 的核心功能
- 指令控制:从主存中按顺序读取指令(取指),保证指令按正确顺序执行。
- 操作控制:对指令进行译码,产生完成指令功能所需的控制信号,控制运算器、存储器、I/O 设备等协同工作。
- 数据加工:通过运算器(ALU)完成算术运算(加减乘除)和逻辑运算(与、或、非、移位)。
- 异常与中断处理:响应程序异常(如除零错误)和外部中断(如键盘输入),暂停当前程序并执行处理程序。
CPU的基本组成
| 组成部分 | 核心子部件 | 功能说明 |
|---|---|---|
| 运算器(ALU) | 算术逻辑单元、通用寄存器、移位器、状态寄存器 | 执行算术 / 逻辑运算; 暂存运算数据和结果; 记录运算状态标志(ZF、SF、OF、CF) |
| 控制器 | 程序计数器(PC)、指令寄存器(IR)、指令译码器、控制信号发生器 | PC:存放下一条要执行的指令地址; IR:存放当前正在执行的指令; 控制信号发生器:根据译码结果产生控制信号 |
| 寄存器组 | 通用寄存器(如 RISC-V 的 x0~x31)、专用寄存器(PC、IR、MAR、MDR) | 通用寄存器:高速暂存数据,减少访存次数; MAR(存储器地址寄存器):存放访存地址;MDR(存储器数据寄存器):存放访存数据 |
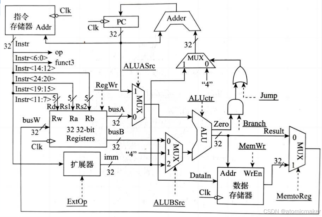
单周期CPU设计
9 条核心指令

关键控制信号说明
| 控制信号 | 说明 |
|---|---|
| Branch | 分支 |
| Jump | 跳转 |
| ALUASrc | 控制 ALU 的第二个操作数来源 |
| MemtoReg | 控制写回寄存器堆的数据来源 |
| RegWr | 寄存器堆写使能 |
| MemWr | 主存写使能 |
9 条指令对应的控制信号值
| 指令 | add | slt | sltu | ori | lui | lw | sw | beq | jal | |
|---|---|---|---|---|---|---|---|---|---|---|
| 控制信号 | ||||||||||
| Branch | 0 | 0 | 0 | 0 | 0 | 0 | 0 | 1 | 0 | |
| Jump | 0 | 0 | 0 | 0 | 0 | 0 | 0 | 0 | 1 | |
| ALUASrc | 0 | 0 | 0 | 0 | x | 0 | 0 | 0 | 1 | |
| MemtoReg | 0 | 0 | 0 | 0 | 0 | 1 | x | x | 0 | |
| RegWr | 1 | 1 | 1 | 1 | 1 | 1 | 0 | 0 | 1 | |
| MemWr | 0 | 0 | 0 | 0 | 0 | 0 | 1 | 0 | 0 | |
流水线CPU设计
流水线 CPU 的核心思想是将指令执行阶段重叠进行(划分为多个"流水段",段间插入寄存器,用于暂存中间结果),类似于工厂的流水线作业,从而提升 CPU 的指令吞吐量。
流水线性能指标
1)时钟周期
最长段延时 + 寄存器延时,是流水线的基本时间单位。
2)指令吞吐率
单位时间内完成的指令数,吞吐率 = 1/时钟周期
3)指令执行时间
执行时间 = 时钟周期 × 流水线级数



1792

被折叠的 条评论
为什么被折叠?



